知识点:外熔断器
简介:
户外高压封闭型喷射式熔断器适用于10kV架空绝缘线路内的10kV配电变压器高压侧回路,可对架空配电系统提供过流和短路保护,快速切断故障电流,有效提高线路整体的绝缘性能和安全运行性能。
技术要求:
1、熔断器的外形及尺寸

熔断器外形尺寸图(单位:毫米)
2、熔断器的底座采用封闭结构,上下引出线与底座完全粘合在一起,形成一体结构。
3、上下引出线端部到固定抱箍的绝缘爬距,均不低于280mm。
4、使用专用操作棒可方便地插入和拔出载熔件,拔出时载熔件不应有损伤。
5、在载熔件拔出状态时,除熔断器上绝缘引线外其他组部件均不带电。
6、熔断器应具有良好的导电性。用8 mm2铜线代替载熔件将载熔件插入熔断器时,上下引出线端头间的导通直流电阻应在8mΩ以下(上引出线为1.0m,下引出线为0.9m)。

7、熔断器开断时,不应造成熔断器瓷套的破损。
8、可选用安全开断确认棒来确认底座内部是否装有载熔件,或者用未安装有熔断件的载熔件来确认熔断器本体内部载熔件的安装状态。
9、安装时底座应与地面垂直,方便载熔件的插拔操作。因现场特殊工况需要倾斜安装时,熔断器底座瓷套轴线与地面垂线之间的夹角宜小于等于15°。
10、瓷套选用高强瓷,高强瓷绝缘子应符合GB/T772的规定。瓷套的抗弯强度不小于15kN。瓷套的生产工艺须稳定,弯曲破坏强度的偏差不应超过平均值的±15%。同时按GB775.1的规定,孔隙性试验结果不允许有渗透现象。

11、绝缘引线
a)绝缘引线的导线需使用耐腐蚀镀锡处理的绝缘软铜线多股绞合加工;多股线同轴向右拧,螺距是每根线直径的20倍以下;截面积应为8mm2。
b)应使用EP(乙丙)橡胶作为绝缘层;绝缘层的厚度需在4mm以上。
c)绝缘导线连接圆锥状橡胶部件应采用完全防渗水处理的一次成型结构,与瓷套的接触面用环氧树脂完全粘合,并应满足引线承重及旋转试验和老化试验的要求。
d)引出线的长度:上引出线为1.0m,下引出线为0.9m。
12、触头
熔断器内部的静触头应采用具有电气、机械可靠性高的结构。当与载熔件的动触头接触时需要具备良好的导通性能。
13、密封盖
a)密封盖采用橡胶制作的8片均等分割的花瓣结构,材质为EP橡胶。应不影响载熔件的插拔操作和开断时载熔件的脱出。在熔断器使用周期内,密封盖在无外力作用下各季节均不应发生老化和破损。
b)密封盖应与瓷套采用紧密粘合的连接方式,不能因开断短路电流时的振动而脱落。

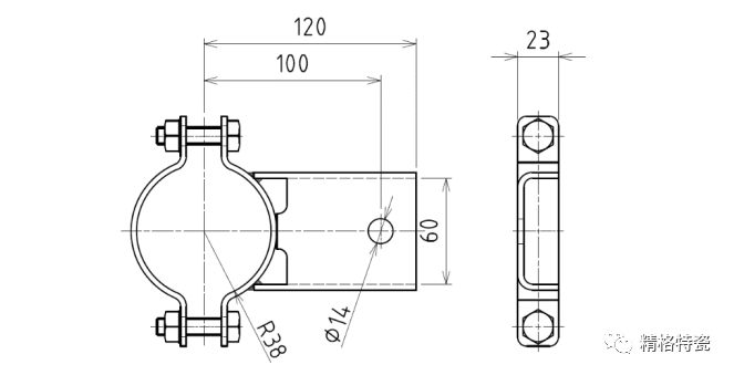
14、固定抱箍
固定抱箍应使用厚度为3.2mm的Q235钢材,并进行热镀锌处理,镀层局部厚度应在55μm以上,可充分承受开断短路电流时的电动力。固定抱箍尺寸见下图。

抱箍尺寸图(单位:毫米)
15、载熔件
a)可安装6A-50A所有规格的载熔件。
b)与熔断件配合后,应具有足够的灭弧性能,在承受额定开断电流的电弧能量时不应造成自身和熔断器瓷套的损坏。
c)载熔件应采用防潮型熔管,应能承受温度和湿度变化。
d)载熔件的尺寸应符合下图的形状尺寸的规定。

载熔件和熔断件尺寸图(单位:毫米)
16、熔断件
a)熔断件应统一使用K型,采用银、铜、银-铜、银-锡合金等材料,熔断件的消弧管应采用具有产气材料的固定纤维层(电气用钢纸等)的结构。
b)熔断件的尺寸应完全满足上图的尺寸要求。
c)熔断件的导线末端应配置固定用端子。
d)熔断件的额定值采用6A、10A、15A、20A、25A、30A、40A、50A等8种规格。
17、专用操作棒
a)专用操作棒应由操作头和延长棒两部分组成。操作头带有防止载熔件脱落的装置,并应同时具备分、合闸(插拔载熔件)的两项功能。在倾斜(熔断器底座瓷套轴线与地面垂线之间的夹角宜小于等于15゜)操作的情况下也能够顺利地进行分合闸操作。

专用操作棒尺寸图(单位:毫米)

专用延长棒外观尺寸图(单位:毫米)
相关推荐:
0人已收藏
0人已打赏
免费1人已点赞
分享
电气工程原创版块
返回版块2.2 万条内容 · 598 人订阅
阅读下一篇
高压水射流清洗的主要优势及技术应用知识点:水射器冲洗 高压水射流清洗技术主要是通过高压设备从而产生高压水,然后通过设备的喷嘴将水的动力聚集,当水射流动就就可以起到清洗、切割、破碎的作用,这也是一种工艺技术。 高压水射流清洗喷头可以灵活设计,在封闭空间也能全方位清洗 高压水射流清洗技术应用范围相当的广泛,例如在交通方面、电力方面、工业方面、国防方面等等很多的方面,同样适用于各种大型设备的清洗,其利用的空间很大,应发展的需要,我们对高压水射流清洗的技术要求越来越高,高压水射流技术在工业清洗方面作用尤为突出。
回帖成功
经验值 +10
全部回复(0 )
只看楼主 我来说两句抢沙发