消火栓系统设计要点(二)
——管网、消火栓、控制
消火栓系统主要组成:
消防水源---->消防水池---->消防水泵---->消防管网及阀门(水泵接合器)---->消火栓---->高位水箱(稳压泵)等主要部分组成的消防灭火系统。

七、管网:
关键点:分区+环状管网+材质
分区
6.2.1 符合下列条件时,消防给水系统应分区供水:
1 系统工作压力大于2.40MPa;
2 消火栓栓口处静压大于1.0MPa;
3 自动水灭火系统报警阀处的工作压力大于1.60MPa或喷头处的工作压力大于1.20MPa。
环状管网
8.1.2 下列消防给水应采用环状给水管网:
1 向两栋或两座及以上建筑供水时;
2 向两种及以上水灭火系统供水时;
3 采用设有高位消防水箱的临时高压消防给水系统时;
4 向两个及以上报警阀控制的自动水灭火系统供水时。
室外消火栓
【两路消防供水时应采用环状管网,每段内室外消火栓的数量不宜超过5个,管径不小于DN100】
8.1.4 室外消防给水管网应符合下列规定:
1 室外消防给水采用两路消防供水时应采用环状管网,但当采用一路消防供水时可采用枝状管网;
2 管道的直径应根据流量、流速和压力要求经计算确定,但不应小于 DN100;
3 消防给水管道应采用阀门分成若干独立段,每段内室外消火栓的数量不宜超过5个;
室内消火栓
【室内消火栓超过10个时采用环状管网,关闭停用的竖管不超过1根,当竖管超过4根时,可关闭不相邻的2根,管径不小于DN100,消防给水管道的设计流速不宜大于2.5m/s】
8.1.5 室内消防给水管网应符合下列规定:
1 室内消火栓系统管网应布置成环状,当室外消火栓设计流量不大于20L/s,且室内消火栓不超过10个时,除本规范第8.1.2条外,可布置成枝状;
2 当由室外生产生活消防合用系统直接供水时,合用系统除应满足室外消防给水设计流量以及生产和生活最大小时设计流量的要求外,还应满足室内消防给水系统的设计流量和压力要求;
3 室内消防管道管径应根据系统设计流量、流速和压力要求经计算确定;室内消火栓竖管管径应根据竖管最低流量经计算确定,但不应小于DN100。
8.1.6 室内消火栓环状给水管道检修时应符合下列规定:
1 室内消火栓竖管应保证检修管道时关闭停用的竖管不超过1根,当竖管超过4根时,可关闭不相邻的2根;
2 每根竖管与供水横干管相接处应设置阀门。
8.1.8 消防给水管道的设计流速不宜大于2.5m/s,自动水灭火系统管道设计流速,应符合现行国家标准《自动喷水灭火系统设计规范》GB 50084、《泡沫灭火系统设计规范》GB 50151、《水喷雾灭火系统设计规范》GB 50219 和《固定消防炮灭火系统设计规范》GB 50338的有关规定,但任何消防管道的给水流速不应大于7m/s。
材质
埋地管网
【根据工作压力选用管材:球墨铸铁管、钢丝网骨架塑料复合管、加厚钢管和无缝钢管,埋深不小于0.7m,机动车道下不小于0.9m】
8.2.5 埋地管道当系统工作压力不大于1.20MPa时,宜采用球墨铸铁管或钢丝网骨架塑料复合管给水管道;当系统工作压力大于1.20MPa 小于1.60MPa时,宜采用钢丝网骨架塑料复合管、加厚钢管和无缝钢管;当系统工作压力大于1.60MPa时,宜采用无缝钢管。钢管连接宜采用沟槽连接件(卡箍)和法兰,当采用沟槽连接件连接时,公称直径小于等于DN250的沟槽式管接头系统工作压力不应大于2.50MPa,公称直径大于或等于DN300的沟槽式管接头系统工作压力不应大于1.60MPa。
2 管道最小管顶覆土不应小于0.70m;但当在机动车道下时管道最小管顶覆土应经计算确定,并不宜小于0.90m;
架空管网
【根据工作压力选用管材:热浸镀锌加厚钢管、热浸镀锌无缝钢管,管径大于DN50时,应采用沟槽连接件连接、法兰连接】
8.2.8 架空管道当系统工作压力小于等于1.20MPa 时,可采用热浸锌镀锌钢管;当系统工作压力大于1.20MPa 时,应采用热浸镀锌加厚钢管或热浸镀锌无缝钢管;当系统工作压力大于1.60MPa 时,应采用热浸镀锌无缝钢管。
8.2.9 架空管道的连接宜采用沟槽连接件(卡箍)、螺纹、法兰、卡压等方式,不宜采用焊接连接。当管径小于或等于DN50时,应采用螺纹和卡压连接,当管径大于DN50时,应采用沟槽连接件连接、法兰连接,当安装空间较小时应采用沟槽连接件连接。
八、消火栓
关键点:设计流量+设计压力+用水量+保护半径+平面布置
设计流量:
根据建筑的耐火等级和建筑体积进行划分。
室外消火栓设计流量:

室内消火栓设计流量:


可减少的特殊情况:
当建筑物室内设有自动喷水灭火系统、水喷雾灭火系统、泡沫灭火系统或固定消防炮灭火系统等一种或两种以上自动水灭火系统全保护时:
1、高层建筑当高度不超过50m且室内消火栓系统设计流量超过20L/s时,其室内消火栓设计流量可按本规范表3.5.2减少5L/s;但不应小于10L/s。
2、多层建筑室内消火栓设计流量可减少50%,但不应小于10L/s。
消防用水量
消防用水量=设计流量X火灾持续时间
火灾持续时间:

保护半径+平面布置
室外消火栓设计:
【保护半径不应大于150.0m,最近一排汽车的距离不宜小于7m,距加油站或油库不宜小于15m】
7.3.2 建筑室外消火栓的数量应根据室外消火栓设计流量和保护半径经计算确定,保护半径不应大于150.0m,每个室外消火栓的出流量宜按10L/s~15L/s计算。
7.3.3 室外消火栓宜沿建筑周围均匀布置,且不宜集中布置在建筑一侧;建筑消防扑救面一侧的室外消火栓数量不宜少于2个。
7.3.4 人防工程、地下工程等建筑应在出入口附近设置室外消火栓,且距出入口的距离不宜小于5m,并不宜大于40m。
7.3.5 停车场的室外消火栓宜沿停车场周边设置,且与最近一排汽车的距离不宜小于7m,距加油站或油库不宜小于15m。
7.3.6 甲、乙、丙类液体储罐区和液化烃罐罐区等构筑物的室外消火栓,应设在防火堤或防护墙外,数量应根据每个罐的设计流量经计算确定,但距罐壁15m范围内的消火栓,不应计算在该罐可使用的数量内。
室内消火栓:
【公称直径65有内衬里的消防水带,长度不宜超过25.0m】
【同一平面有2支消防水枪的2股充实水柱同时达到任何部位的要求】
【消防电梯前室应设置室内消火栓,可跨防火分区计入消火栓使用数量。】
【消火栓的布置间距不应大于30.0m/50m】
【消火栓栓口动压力不应大于0.50MPa,当大于0.70MPa时必须设置减压装置】
【重要场所,消火栓栓口动压不应小于0.35MPa,且消防水枪充实水柱应按13m计算】
【普通场所,消火栓栓口动压不应小于0.25MPa,且消防水枪充实水柱应按10m计算】
7.4.3 设置室内消火栓的建筑,包括设备层在内的各层均应设置消火栓。
7.4.5 消防电梯前室应设置室内消火栓,并应计入消火栓使用数量。

7.4.6 室内消火栓的布置应满足同一平面有2支消防水枪的2股充实水柱同时达到任何部位的要求,
1 室内消火栓应设置在楼梯间及其休息平台和前室、走道等明显易于取用,以及便于火灾扑救的位置;
2 住宅的室内消火栓宜设置在楼梯间及其休息平台;
3 汽车库内消火栓的设置不应影响汽车的通行和车位的设置,并应确保消火栓的开启;
4 同一楼梯间及其附近不同层设置的消火栓,其平面位置宜相同;
5 冷库的室内消火栓应设置在常温穿堂或楼梯间内。
7.4.10 室内消火栓宜按直线距离计算其布置间距,并应符合下列规定:
1 消火栓按2支消防水枪的2股充实水柱布置的建筑物,消火栓的布置间距不应大于30.0m;
2 消火栓按1支消防水枪的1股充实水柱布置的建筑物,消火栓的布置间距不应大于50.0m。
7.4.12 室内消火栓栓口压力和消防水枪充实水柱,应符合下列规定:
1 消火栓栓口动压力不应大于0.50MPa,当大于0.70MPa时必须设置减压装置;
2 高层建筑、厂房、库房和室内净空高度超过8m的民用建筑等场所,消火栓栓口动压不应小于0.35MPa,且消防水枪充实水柱应按13m计算;其他场所,消火栓栓口动压不应小于0.25MPa,且消防水枪充实水柱应按10m计算。
【条文说明】
7.4.12 本条规定了消火栓栓口压力技术参数。
1 室内消火栓一般配置直流水枪,水枪反作用力如果超过200N,一名消防队员难以掌握进行扑救。DN65消火栓口水压如大于0.50MPa,水枪反作用力将超过220N,故本款提出消火栓口动压不宜大于0.50MPa,如果栓口压力大于0.70MPa,水枪反作用力将大于350N,两名消防队员也难以掌握进行灭火。因此,消火栓栓口水压若大于0.70MPa必须采取减压措施,一般采用减压阀、减压稳压消火栓、减压孔板等。
2 目前国际上大部分国家仅规定消火栓栓口压力,一般不计算充实水柱长度,本规范制订时考虑国际惯例与我国工程实践相结合,给出相关的参数。日本规定1号消火栓(公称直径50相当于我国DN50)栓口压力为0.17MPa~0.70MPa,2号消火栓(公称直径32)栓口压力为0.25MPa~0.70MPa;美国规定65mm消火栓栓口压力为0.70MPa,25mm消火栓栓口压力为0.4MPa;南非规定消火栓的栓口压力为0.25MPa。 消火栓栓口所需水压按下式计算:


高层建筑、高架库房、厂房和室内净空高度超过8m的民用建筑,配置DN65消火栓、65mm麻质水带25m长、19mm喷嘴水枪充实水柱按13m时,水枪喷嘴流量5.4L/S,Hg为0.185MPa;水带水头损失hd 为0.046MPa;计算得到消火栓栓口压力Hxh 为0.251MPa,考虑到其他因素规定消火栓栓口动压不得低于0.35MPa。 室内消火栓出水量不应小于5L/s,充实水柱应为11.5m。当配置条件与上款相同时,计算得到消火栓栓口压力Hxh 为0.21MPa。故规定其他建筑消火栓栓口动压不得低于0.25MPa。
保护半径
消火栓保护半径:
室内消火栓的保护半径可按下式计算:


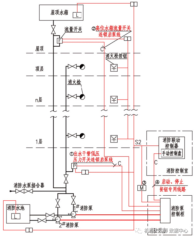
九、消防水泵控制:
关键点:启停泵控制+控制箱+消火栓按钮
【应能自动启泵,不可自动停泵】
【消防水泵出水干管上设置的压力开关、高位消防水箱出水管上的流量开关,或报警阀压力开关等开关信号应能直接自动启泵】
【消控室专用线路直接起泵】
【消防泵控制柜IP55/IP30,具有防水防潮措施】
【消防泵控制柜,应工频直接启泵;宜采用星三角和自耦降压变压器启动,不宜采用变频器启动】

1 消防水泵控制柜在平时应使消防水泵处于自动启泵状态;消防水泵不应设置自动停泵的控制功能,停泵应由具有管理权限的工作人员根据火灾扑救情况确定。
11.0.4 消防水泵应由消防水泵出水干管上设置的压力开关、高位消防水箱出水管上的流量开关,或报警阀压力开关等开关信号应能直接自动启动消防水泵。消防水泵房内的压力开关宜引入消防水泵控制柜内。
11.0.5 消防水泵应能手动启停和自动启动。
11.0.6 稳压泵应由消防给水管网或气压水罐上设置的稳压泵自动启停泵压力开关或压力变送器控制。
11.0.7 消防控制室或值班室,应具有下列控制和显示功能:
1 消防控制柜或控制盘应设置专用线路连接的手动直接启泵按扭;
2 消防控制柜或控制盘应能显示消防水泵和稳压泵的运行状态;
3 消防控制柜或控制盘应能显示消防水池、高位消防水箱等水源的高水位、低水位报警信号,以及正常水位。11.0.8 消防水泵、稳压泵应设置就地强制启停泵按钮,并应有保护装置。
11.0.9 消防水泵控制柜设置在专用消防水泵控制室时,其防护等级不应低于IP30;与消防水泵设置在同一空间时,其防护等级不应低于IP55。
11.0.10 消防水泵控制柜应采取防止被水淹没的措施。在高温潮湿环境下,消防水泵控制柜内应设置自动防潮除湿的装置。
11.0.11 当消防给水分区供水采用转输消防水泵时,转输泵宜在消防水泵启动后再启动;当消防给水分区供水采用串联消防水泵时,上区消防水泵宜在下区消防水泵启动后再启动。
11.0.12 消防水泵控制柜应设置机械应急启泵功能,并应保证在控制柜内的控制线路发生故障时由有管理权限的人员在紧急时启动消防水泵。机械应急启动时,应确保消防水泵在报警5.0min内正常工作。
11.0.13 消防水泵控制柜前面板的明显部位应设置紧急时打开柜门的装置。
11.0.14 火灾时消防水泵应工频运行,消防水泵应工频直接启泵;当功率较大时,宜采用星三角和自耦降压变压器启动,不宜采用有源器件启动。
11.0.17 消防水泵的双电源切换应符合下列规定:
1 双路电源自动切换时间不应大于2s;
2 当一路电源与内燃机动力的切换时间不应大于15s。
11.0.19 消火栓按钮不宜作为直接启动消防水泵的开关,但可作为发出报警信号的开关或启动干式消火栓系统的快速启闭装置等。
内容源于网络,旨在分享,如有侵权,请联系删除
相关资料推荐:
37-消火栓管道系统图(二)
https://ziliao.co188.com/zbd135590.html
知识点:消火栓系统设计要点(二) ——管网、消火栓、控制
0人已收藏
0人已打赏
免费4人已点赞
分享
建筑消防给水
返回版块28.41 万条内容 · 744 人订阅
阅读下一篇
气体灭火设计----关键注意点气体灭火设计----关键注意点 1、建筑专业应注意防护分区的划分,控制建筑面积在800m?以内。【采用管网灭火系统时,一个防护区的面积不宜大于800m?,且容积不宜大于3600m?;采用预制灭火系统时,一个防护区的面积不宜大于500m?,且容积不宜大于1600m?】2、合理划分防护区的数量和建筑面积,可以减少气体灭火系统的数量和规格。如:防护区设计为9个时需要两套气消系统,而8个则可只设置一套气消系统;
回帖成功
经验值 +10
全部回复(0 )
只看楼主 我来说两句抢沙发