【原文:第七页 16G101-3的第七页到第十八也主要讲解平面注写方式】
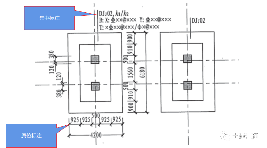
2.3.1 独立基础的平面注写方式,分为集中标注和原位标注两部分。
【平面注写就是将相同标号的独基,选取一个然后采用集中标注和原位标注的方式进行标注。
原位标注:在P12页的2.3.3条:钢筋混凝土和素混凝土地理基础的原位标注,系在基础平面布置图上标准独立基础的平面尺寸 如下图】

平面注写方式
2.3.2 普通独立基础和杯口独立基础的集中标注,系在基础平面图上集中引注:基础编号、截面竖向尺寸、配筋三项必注内容,以及基础地面标高(与基础地面基准标高不同时)和必要的文字注解两项选注内容。


必注内容

选注内容
两项选注中:【基础地面标高(与基础地面基准标高不同时)】的意思是:一般情况会在基础平面图下方有个说明告知基础的底标高为多少,如若告知是-2米(如下图),有个别的基础是-3米时,就需要采用选注标注出那几个独基是-3米。】

说明告知基础底标高为负2米
三项必注内容:
1.注写独立基础编号,标号注写方式如下图

标号
2、注写独立基础截面竖向尺寸。(如下图)

截面竖向尺寸
h1/h2/h3:竖向标注的尺寸顺序是自下而上标注的, (如下图)

自下而上标注的尺寸

两阶的独基就标注:h1/h2
坡形独基的注写方式同上,(如下图一、二)。坡形基础之施工时要注意的要点(图二)

图一:坡形基础标注方式

坡形基础标注

施工应注意的位置
3、注写独立基础配筋。(如下图)

配筋
知识点:独立基础的平面注写方式
0人已收藏
0人已打赏
免费2人已点赞
分享
地基基础
返回版块12.11 万条内容 · 717 人订阅
回帖成功
经验值 +10
全部回复(0 )
只看楼主 我来说两句抢沙发