知识点:消声器
旁支管的传声损失
旁支管消声器是共振式消声器(resonance silencer, resonance muffler)中最常见的类型,旁支管的表现类型主要有亥姆霍兹共振器、1/4波长管以及小孔(极短的旁支管)等几种形式。
如下图1,在管道的侧壁接一根旁支管,在交叉点N处分别定义入口侧、旁支侧以及出口侧的声压以及声阻抗如图中所示,交叉点N处满足声压连续条件(式1):
图1的右图中给出了这一结构对应的等效电路图,根据阻抗并联公式可以得到N点处的阻抗关系(式2):
由此经过一番推导后,可得声强透射系数(式3):
这里Zb=Rb+jXb,其中Rb和Xb分别为Zb的实部和虚部, S为主管的直径。
根据消声器传递损失的定义,可得旁支管的传递损失(式4):

图1旁支管结构及其等效电路
从以上的声阻抗关系式(2)中可以看出,调节Zb的值就能控制Z的值(例如,让Zb=0,可以得到Z=0,从而图1中的声压p=0)。进一步公式(4)告诉我们,调节Zb的值可以改变旁支管的传递损失(TL)。因此,调节旁支管的Zb是设计旁支管消声器的关键。下面我们来看几个调节的典型方法。
亥姆霍兹共振器作为旁支管
我们首先来看亥姆霍兹共鸣器,图2中是一个亥姆霍兹共鸣器及其等效的弹簧振动系统,其中L‘是管口长度L经过末端修正后的等效长度,其它参量值的定义均标注于图中。

图2亥姆霍兹共鸣器及其等效力学系统
在忽略管壁的摩擦阻力(Rb=0)的条件下,亥姆霍兹共鸣器的声阻抗只剩下抗的部分jXb,可以写成(式5):
将上面的结果代入公式(4)中,可以得到亥姆霍兹共鸣器作为旁支管时的传声损失(式6):
亥姆霍兹共鸣器的共振频率可以用下式计算(式7):

图3亥姆霍兹共鸣器旁支管消声器 (图片来自COMSOL案例库)
下图中给出了参数列表中H1和H2的亥姆霍兹旁支管消声器的传声损失计算结果,计算中末端修正取2*0.85r (r为颈管半径,采用两端修正)。从计算的传声损失频谱曲线中可以看出,亥姆霍兹旁支共振消声器在共振频率处有非常好的消声效果,但在偏离共振频率处的消声量下降很快,消声的频带很窄。
对比H1和H2两种不同共鸣器腔体尺寸下的消声性能,可以看出,共鸣器腔体体积的增大将使得共振频率往低频移动。根据共振频率的公式,可以看出影响共振频率的参数关系。当共鸣器的腔体的体积V,颈长L越大时,共振频率越低。颈部截面积Sb越大,共振频率越高。

图4亥姆霍兹共鸣器旁支管消声器的传声损失
下图中给出的是Davis [3-4]在他的NACA1192报告中研究给出改变传声损失公式中的衰减系数项,但保持共振腔的长度不变情况下,同心轴共鸣器结构的传声损失的变化特征。

图5同心轴共鸣器的传声损失随衰减系数的变化
四分之一波长管作为旁支管
在旁支管上接一段1/4波长封闭的管道,声波进入管道后在刚性末端产生反射,旁支管口的声阻抗可以写成:
当管道的长度L为1/4波长的奇数倍时,Zb=0。

图6四分之一波长管旁支消声器
将上式代入公式(4),可以得到1/4波长旁支管消声器的传声损失:
下图中给出了0.2m长和0.4m长的1/4波长管的传声损失计算结果。

图7四分之一波长管旁支消声器的传声损失
Herrin[6]例举了1/4波长管消声器的一些表现形式,包括(a)旁支1/4波长管、(b)转角处的1/4波长管和(c)进/出气口的延伸1/4波长管等形式。

图8四分之一波长管的不同表现形式
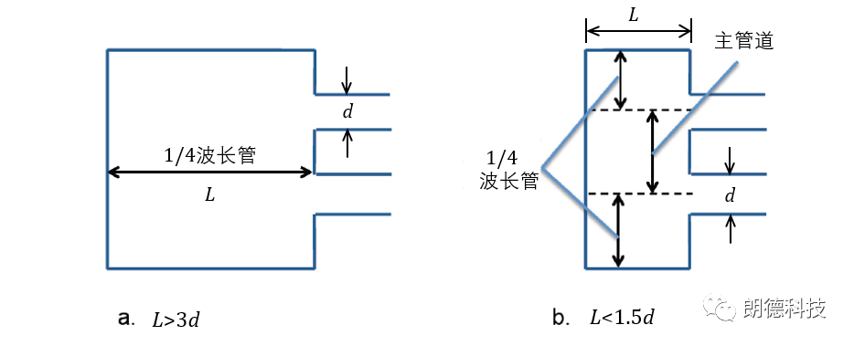
对于消声器中的180°回流结构,也可以用1/4波长管来进行性能的模拟分析。Herrin[6]给出了在不同管长和管径关系时的建议的分析方法。当回流腔的长度L大于3倍管道直径d时,可以把整个腔体看作1/4波长管;但当回流腔设计得比较短,长度L小于1.5倍管道直径d时,应将两侧视作1/4波长管来分析[图9]。


图9 180°回流管消声性能的1/4波长管分析法
小孔作为旁支管
在管道壁上开一个小孔的情形,我们也可以把这个小孔看成一段很短的旁支管来考虑。这一小段旁支管的半径和管长都很小,相对于声波的波长为小值。小孔的声阻抗可以写成:
在ka<<1的时候,可以忽略掉声抗中的阻的部分,传声损失计算式可以写成:
下图中给出了在直径为100mm,管道壁厚为2mm的管道壁上开一个半径为15mm和30mm的孔所获得的传声损失,可以看出在100Hz时可以分别获得2.5dB和6.5dB的消声量。

图10 小孔旁支管的传声损失
应用案例
如下图是一个小型发动机消声器的案例[6],消声器的长度大约10cm,前视图的上部红色线标注的是进气口,下部绿色线为出气口位置。中间分隔区的两侧有两排穿孔,在出气口处还有一圆形的穿孔板。

图11 小型发动机消声器的案例
在分析这样一个消声器性能的时候,首先要画出他的气流路径,通常声传递路径与气流路径是一致的。然后要确定消声器中的旁支共振消声结构,如下图左图中标出了该消声器中可以当作1/4波长管来进行模型分析的部分。在做了这样的分析后,我们就可以把这个消声器分解成不同单元的组合,下图右图中标出了其中的直管(蓝色部分)以及锥形管(绿色部分)。消声器的穿孔部分通常可以分解成亥姆霍兹共鸣器单元以及旁支小孔单元等,在有些应用软件中也直接用传输阻抗来描述。

图12 小型发动机消声器的气流路径和单元分解
下图中是该消声器的实验室采用双负载方法(参见:消声降噪技术-5 消声器性能的测量-传声损失测量)的测量结果,以及采用软件仿真计算的结果的对比。

图13 小型发动机消声器的传声损失

保时捷赛车的SOUL排气消声器(图片来自网络)
相关推荐:
0人已收藏
0人已打赏
免费2人已点赞
分享
电气工程原创版块
返回版块2.2 万条内容 · 598 人订阅
回帖成功
经验值 +10
全部回复(0 )
只看楼主 我来说两句抢沙发