知识点:管道仪表流程图
管道仪表流程图是化工工艺设计的重要组成部分。在设计过程中,应根据整个工艺流程图的要求,详细地表示该系统的全部设备、仪表、管道、阀门和其他有关公用工程系统。本文将带大家彻底了解管道仪表流程图的设计规范及泵,容器,塔,换热器,空冷器等化工行业各种设备的设计方法。

本规定的管道编号适用于管道仪表流程图(PI 图),图上表示的全部管道均应编号,只有下列情况除外。
1、随设备、机械一起加工和配置的管道,即由卖方(制造厂)提供详细 PI图或管道布置图,不需要工程设计单位编制管道布图,即不需要统计材料的管道,包括:
(1)由卖方(制造厂)在成套设备或机组中供货的管道等。
(2)设备、机械内部的管道。例如:插入管(插入设备内的一段)、内部换热管等。
2、设备管口直接相连(中间不需加管道)。例如:叠放的换热器、塔与紧靠的再沸器等。
3、设备接管口上直接接阀门、盲板、丝堵而无管道连接的接管口。例如:设备自身的放净口、放空口、试压口、试漏口、备用口和公用工程连接管口,当上述管口的阀门后如果连接上管道,则该管道要编号。
4、管道上的放空管、导淋管,即指的是排至地坪(不是排至地沟或地坑)的排液管、直接排大气的安全阀入口导管(此安全阀无出口导管)。
5、设备上、机械上、管道 上的伴热管和夹套管在P I 图上不编号。
6、控制阀的旁路管、切换使用的小型管件或阀组的相同备用(或旁路)管。
7、仪表管线,如压力表接管、各类仪表信号管线等。

1、管道号由五部分组成,在每个部分之间用一短横线隔开。
(1)第一部分:物料代号。
(2)第二部分:该管道所在工序(主项)的工程工序(主项)编号和管道顺序号。:第二部分简称为管道编号。
(3)第三部分:管道的公称通径。
(4)第四部分:管道等级。
(5)第五部分;隔热、保温、防火和隔声代号。
(6)第一部分和第二部分合并组成统称为“基本管道 号”,它常用于管道在表格文件上的记述,管道仪表流程图中图纸和管道接续关系标注和同一管道不同管道号的分界标注。
2、典型图示


物料代号:用规定的大写英文缩写字母表示管内流动的物料质,物料字母代号见《管道仪表流程图上的物料代号和缩写词》(HG 20559.5一93),工程中需要但在规定中没有列入的物料代号应根据工程要求,由工艺系统专业负责人编制,经设计经理批准后在工程中应用。
工程的工序(主项)编号和管道顺序号:由二个或三个单元组成,一般用数字或带字母(字母要占一位数,大小与数字相同)的数字组成注①。
a、工程的工序编号单元
工程的工序(主项)编号是工程项 目给定的,由装置内分配给每一个工序(主项)的识别号,用两位数字表示,如01、10等。
b、管道顺序号单元
顺序号为一个工序(主项)内对一种物料介质按顺序排列的一个特定号码。每一个工序对每一种物料介质,都从 01(或001)起编号,管道顺序号用二(或三)位数字表示,管道号多于 999 时,管道顺序号用四位数字表示。
c、系列号单元
在一个工序(主项)中存在完全相同系统(指各系统的设备、仪表、管道、阀门和管件完全相同)时,这些相同的重复的管道号,除了系列号单元以外,管道号的其他各部分、各单元都完全相同。
系列号采用一位大写英文印刷体字母表示,通常不采用英文字母O 和I。
对于互为备用的设备、管件(如泵、过滤器、仪表、旁路等)和并列、大小相同重叠的设备(如并列换热器等)的接管管道,不属于采用系列号来编号的范围。
注:① 在一个联合工厂设计中,如果要识别装置,管道号的第二部分可以由三个(或四个)单元组成,第一单元为装置识别号,用二位(或三位)数字表示,如 01。第二单元为工程的工序编号,用二位数字表示,如 01。第三单元为系列号,用大写英文印刷体字母表示,如“A "。第四单元为管道顺序号,用二位(或三位)数字表示,如010。
举例:

管道尺寸:用管道的公称通径表示。
a、对公制尺寸管道,如 DN100、DN150 只表示为 100、150,公制尺寸的单位“mm”省略。
b、对英制尺寸管道,如焊接钢管,亦用公称通径表示,如2"表示为50,单位“mm"省略。
c、管道尺寸的其他表示方法,根据工程特点和要求须经设计经理批准后使用,并表示在管道仪表流程图首页上。
管道等级:由三个单元组成。管道等级是由管道材料专业根据工程特点和要求编制的,并提供给工艺系统专业进行标注。管道等级三个单元的组成,内容如下所述:
a、第一单元:管道的公称压力等级代号,用大写英文印刷体字母表示。
b、第二单元:顺序号用阿拉伯数字表示,从1开始。
c、第三单元:管道材料类别,用大写英文印刷体字母表示。
注:② 管道等级有几个单元组成,各单元的内容、含义和表示方法按管道材料专业编制的管道等级规定表示。
隔热、保温、防火和隔声代号,用规定的一位(或二位)大写英文印刷体字母表示,其代号字母见《管道仪表流程图隔热、保温、防火和隔声代号》XHG 20559.6一93)。
如果管道没有隔热、保温、防火和隔声要求,则管道号中省略本部分。

1、无系列号单元

2、有系列号

1、无系列号

2、有系列号

注:在工程中采用某一种管道编号的方法,需要以一个典型示例表示在管道仪表流程图的首页上,并说明各部分、各单元的含义。

一、管道仪表流程图上的管道是按工序(主项)、介质为基准编号的,每一种介质类别的管道,在每个工序中,都是从 01(或 001)起编,按管道在工序中的顺序依次编号。
二、在满足设计、订货、施工、操作、事故处理和检修要求,不致产生混乱和错误前提下,所编的管道号数量应尽可能少。
三、 一个装置中的各个工序,所采用的管道编号方法应该是一样的,不同的装置(或由于设计单位不同)可以采用不同的管道的编号方法。
四、管道编号后,由于工程设计进展,如果要取消一些管道,其管道号通常不再采用,在新增加的管道上,不使用这些取消的编号。

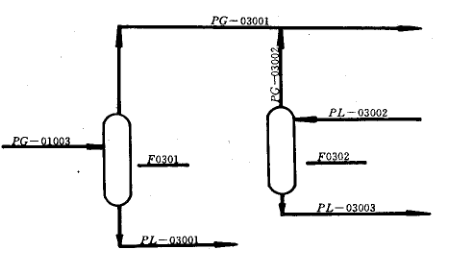
1、工序内工艺管道的编号顺序应按实际情况而定,通常是从管道仪表流程图第一张图起 ,按图序和流程顺序对每一种工艺介质管道逐根进行编号。每张流程图上,随流程图所示的从设备到设备向前流动的进程编号。如蒸馏塔回流系统的编号顺序应是从塔顶到冷凝器、收集槽(回流槽)、回流泵再返回塔。
2、管道从开始设备至其次设备顺序编号,管道号中的工程的工序编号单元(如图5-1中“12")与管道开始处设备的设备位号中工序编号“12”一致。两设备之间的管道,不管规格或尺寸改变与否,只编一个管道号,若中间有分支到其它设备或管道的管道,则另编管道号,如图 5-1所示(作为举例,以下各图管道号均只表示基本管道号)。

5-1 工艺管道的编号和标注(一)
3、管道顺序号应保留到一台设备或在 另一条管道的连接点终止,如图5-2所示。

5-2 工艺管道的编号和标注(二)
4、设备的放空(包括安全阀的入口管和出口排空管道)、放净,只要有管道,均要编管道号。
5、由设备或管道到同一位号加下标区分(非系列)的多个设备的连接管道以及多个同位号设备到另外设备或汇集管道的各分管道要编管道号。
1)有总管(即管端有封头)时,总管编一管道号,到每台设备的分管道,则另编号,如图5-3要求。

5-3 工艺管道的编号和标注(三)
2)无总管时,以到同一位号最远的一台设备的管道编一个管道号,其余的则另编管道号。如图 5-4 所示。

5-4工艺管道的编号和标注(四)
6、由一台设备(或管道)到另一设备的管道,有以下几种情况:
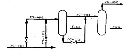
1)一台设备的不同管口到另一台设备的不同管口(或一根管道),每根管都要编管道号,如图5-5 所示。

5-5 设备上接管口管道的编号和标注(一)
2)一 台设备的不同管口(或一根管道)到另一台设备的相同管口,每根管都要编管道号,如图5-6所示。

5-6 设备上接管口管道的编号和标注(二)
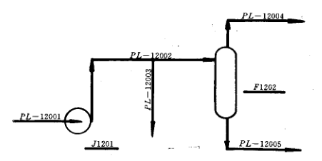
3)一 台设备(或管道)的一个管口到另一台设备上的多个管口,分下述两种情况:
(1)接受设舍的多个接管口用途是相同的,正常时只用一个管口,其余管口为备用口、切换口,只编一个管道号,如塔的进料口,见图5-7所示。

5-7 设备上接管口管道的编号和标注(三)
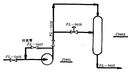
(2)接受设备上有相同用途的多个接受管口(同时使用)和有不同用途的多个接管口,则每根管道要编管道号。如图5-8 中的PL-0408和PL-0409.

5-8 设备上接管口管道的编号和标注(四)
7、连通两根管道的旁路管(不是控制阀的旁路)、安全阀进出口的旁路管以及设备、管道的回流管均要编管道号,如图5-8泵的回流管。
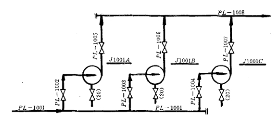
8、带系列号的工艺管道号类似规定,只是每个相同系列中相同的管道,除了系列号的改变外,管道号的其余部分和单元完全相同。对分配到该系列前的总管道和各系列支管的汇集总管,不管总管上有无封头(如法兰盖) ,均需对总管编一个不属于系列的管道号,然后再按系列给各支管、连接管按系列编号,如图5-9所示。

5-9 带系列号的工艺管道的编号和标注
1、由一个工序的设备或管道到另一工序(或几个工序)的设备或管道的工艺管道按起点工序编号,并一直有效到另一工序的设备或管道连接终止,如图5-10所示。

5-10 工序间工艺管道的编号和标注(无装置界区进出总管)
2、由装置界区来或送出界区外的工艺管道的编号(一般情况),如图 5-11所示。

5-11 从装置界区进出的工序间工艺总(主)管的编号和标注(一)
1)来 自界区的总(主)管以及总(主)管再分配到各工序的工艺管道 ,总(主)管按照最远的一个工序编号。由总(主)管分配到其他单一工序,凡为该工序服务,就用该工序号编管道号 ,而为两个或更多工序服务的分管仍按最远工序编号。
2)由工序送出装置界区的分管,按送出工序编号。分管的联管则按最远一个工序编号,汇集两个或更多工序的送出分管,仍按最远工序编号。
3)由装置界区来或送出界区外的工艺管道的编号和标注(特殊情况)以下情况的由界区来(去)工艺管道总〔主)管,应该给总(主)管一个工程的“工序”编号。
(1)管端有封头(或法兰盖),如图 5-12所示的从装置界区进出工序间总(主)管工程的“工序”编号为“7",

5-12 从装置界区进出的工序间工艺总(主)管的编号和标注(二)
(2)总(主)管上有设备、仪表和需编号的特殊管(阀)件,如图5-13所示。

5-13 从装置界区进出的工序间工艺总(主)管的编号和标注(三)
(3)工程需要工序间的管道作为一个“工序”进行工程设计,如图5-13所 。
在图5-13中,装置界区进出的工序间工艺总(主)管的“工序”的编号为"7",该总(主)管道上的设备、仪表、特殊管件位号的工程“工序”编号为"7"。编号“7"的管道与其他工序“1","2","3”编号的管道的分界,可在其他工序内(或外)的总(主)管上任意(特定)位置,并须用分界符号在 PI 图上注明管道编号的分界。

一、在工艺管道仪表流程图上的辅助物料、公用物料管道只表示一小段连接管,编号方法如下:
1、按照每一个工序的管道仪表流程图图序、流程顺序,对每一种类辅助物料、公用物料介质逐根进行编号,管道顺序号从01(或001)起编。
2、管道编号中第二部分,工程的工序(主项)编号为该公用物料的发生工序的工序号。
3、每台设备(及备台)或工艺物料管上的辅助物料、公用物料连接管均需编一个管道号,这些辅助物料、公用物料管彼此通常不相连接,只表示一小段连接管 ,如图6-1中的高压蒸汽和氮气管。

6-1 辅助物料、公用物料管道的编号和标注
4、带系列号的管道号类似上述规定,但不表示出辅助物料、公用物料的分配和汇集总管,如图6-2所示。

6-2 辅助物料、公用物料带系列号的管道的编号和标注
二、辅助物料、公用物料管道仪表流程图(公用物料发生图)上管道的编号有两种情况。
1、公用物料发生图上表示某主类辅助物料、主公用物料管道的管道号的编号和标注方法同前面所述的规定。
2、公用物料发生图上表示的其他类(非主类)辅助物料和公用物料管道号的编号和标注方法同上述规定。
三、装置界区内有工艺工序和公用物料发生工序(或接受工序),按以下两种情况编管道号。
1、工序间辅助物料、公用物料管道的去或来自两个或更多的工序,均应按辅助物料、公用物料的发生工序(或接受工序)的工序编号(如图6-1中的“工序”编号“07")。不论它们是在装置工程设计范围内,还是用户在装置界区内提供的。
2、从公用物料发生(或接受)工序进出的辅助物料、公用物料管道(亦称辅助物料、公用物料总管,如图6-3中的管道CW S一7001和CWR—7001),到最后一个工艺工序(如图6-3中的3工序、5工序),须在进工艺工序前编一个不同于总(主)管“工序”号的管道号(如CWS一3001, CWR一3001, CWS一5001和CWR一5001),如图6-3所示。

6-3 装置内工序间有公用物料系统工序的管道的编号和标注(装置界区无进出总管)
上述两种情况,编号“7"的管道与其他工艺工序的管道号分界,可在其他工艺工序内(或外)总(主)管的任意(特定)位置,并用分界符号在 P I 图上注明管道编号的分界。
四、由装置界区外来或送出界区的辅助物料、公用物料管道(总管)的编号,可参照6-3规定,即给定进出界区的辅助物料、公用物料总(主)管一个工程的“工序”编号来进行管道编号,在总(主)管上的设备、仪表和特殊管件编号亦以这工程的“工序”编号(如图 6-3的“7”)来编号。

工厂中装置与装置间的管道(亦称装置间连接外管)的编号和标注见图7-1所示。装置外管与装置内管的管道号分界处通常在装置界区线外1m 处。

7-1 工厂中装置与装置间的管道(亦称装置间连接外管)的编号和标注
一、外管的管道号的编号方法与装置内管道号的编号方法相同。
二、装置与装置间的管道包括工艺物料管道和辅助物料、公用物料管道,其管道号的第二部分工程的工序(主项)编号 ,应以一个“装置”编号(或相适应名称的编号)代替,这个编号要不同于被连接装置的编号,如图7-2中的编号“502"。由二位(或三位)数字组成,由工厂工程设计经理确定。
0人已收藏
0人已打赏
免费2人已点赞
分享
输变电工程
返回版块11.1 万条内容 · 658 人订阅
阅读下一篇
柴油发电机房几个关键知识点知识点:直供电发电工程 油发电机组常用于工业企业中作为备用电源或应急电源。本篇主要讨论柴发的几个关键知识点。 一、防爆问题 1、根据《建筑设计防火规范》(2018版)GB50016-2014第3.1.1条条文说明,国产柴油闪点介于闪点60℃~90℃范围区间。 (-35号柴油是指可以使用在-35度以上的环境中柴油。-35是指柴油能够使用的外界温度条件。-35号柴油适合零下14摄氏度到零下29摄氏度的环境中使用。)
回帖成功
经验值 +10
全部回复(1 )
只看楼主 我来说两句 抢板凳文章很好,很实用!
回复 举报