土木在线论坛 \ 建筑结构 \ 水池水塔烟囱设计 \ 水池墙下条基结构设计

水池墙下条基结构设计

发布于:2023-03-03 16:40:03 来自:建筑结构/水池水塔烟囱设计 [复制转发]

图片

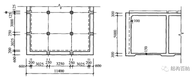
扶壁式挡水墙式水池:池高为H=5.3m,超高为0.5m;全部埋地下,无地下水。池顶覆土厚度300mm。扶壁间距为3.5m

1.设计数据

a.修正后地基允许承载力:  150kN/m?

土壤天然容重:            18kN/m3

内摩擦角:                    30°

b.混凝土标号C30

钢筋混凝土容重:     25kN/m?

抹面容重:                 20kN/m?

c.荷载计算

覆土重                        18×0.3=5.4kN/m?

顶盖自重(折算)     25×0.1=2.5kN/m?

抹面                            20×0.02=0.4kN/m?

壁板重(单位宽)     25×1.0×5.3×0.2=26.5kNm

扶壁重                  25×0.6×0.25×5.3=1.9.88kN

底板自重             25×0.3=7.5kN/m?

底板上水重           10×4.8=48kN//m?

底板上土重           18×0.6×5.8=62.64kN/m

水侧压力             q=10×4.8=48kN/m?

土压力(上) q1=(2+0.8×18)×tg2(45°-30°/2)=5.46kN/m

土压力(下) q2=5×18×tg2(45°-30°/2)+5.46=35.43kN/m

池顶活荷载           2kN/m2

1.地基承载力验算

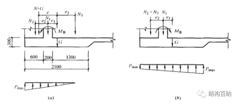
1)当池内有水池外无土时:


图片

 

取扶壁的一个间距计算。计算扶壁底端弯矩时,近似取全部水侧压力。

顶盖自重+抹面+壁板重 

N1=((2.5+0.4)*3.25/2+26.5)*3.25=101.44kN

 e1=2.1/2-0.6-0.2/2=0.35m

扶壁重

N2=19.88kN   e2=2.1/2-0.6/2=0.75m

池内水重

N3=48×3.25×1.3=202.80kN    e3=2.1/2-1.3/2=0.4m

N=N1N2+N3=324.12kN

底板自重

G=7.5×2.1×3.25=51.19kN

MB=1/15qH?=1/15×48×3.25×5?=260kN m

e =M/(N+G)=(260+101.44*0.35+19.88*0.75-202.8*0.40)/(324.12+51.19)

=0.61B/6=2.1/6=0.35m

K=1.05-0.61=0.44m

Pmax=2(N+G)/(3lK)

=2*(324.12+51.19)/(3*3.25*0.44)=174.97kN/m2<1.2R=180kN/m?

2)当池内无水池外有土时

覆土重+活荷载+顶盖自重+抹面+壁板重 

N1=((2+5.4+2.5+0.4)*3.25/2+26.5)*3.25=140.52kN 

 e1=2.1/2-0.6-0.2/2=0.35m

扶壁重

N2=19.88kN   e2=2.1/2-0.6/2=0.75m

覆土重

N3=62.64×3=187.92kN    e3=2.1/2-0.6/2=0.75m

 

N=N1N2+N3=348.32kN

底板自重

G=7.5×2.1×3.25=51.19kN

MB=(7q1+8q2)/120*H?=(7*5.46+8*35.43)/120*3.25*5^2=217.79kN m

P=(N+G)/(LB)±(MB-N1e1-(N2+N3)e2)/(LB^2/6)

  =(348.32+51.19)/(3.25*2.1)±(217.79-140.52*0.35-(19.88+187.92)*0.75)/(3.25*2.1^2/6)

=58.54±11.58=70.12(46.96)kN/m?

《给水排水工程结构设计手册》

知识点:水池墙下条基结构设计

墙下条基的设计

全部回复(0 )

只看楼主 我来说两句抢沙发
这个家伙什么也没有留下。。。

水池水塔烟囱设计

返回版块

1.2 万条内容 · 149 人订阅

猜你喜欢

阅读下一篇

浅谈水池结构设计要点

一、永久作用(恒载) (1)结构自重   自重Gk=L*B*H*g        钢筋混凝土g=25 kN/m3          素混凝土g=23 kN/m3 (2)设备自重   按设备样本提供的数据采用。

回帖成功

经验值 +10