知识点:三线制负压传感器
电路图简介:传感器的接线一贯是客户采购过程征询得最多的问题之一,很多客户都一无所晓得传感器如何连线,名不虚传各种传感器的接线形式基本都是如出一辙的,以压力传感器为例,压力传感器一般有两线制、三线制、四线制,下药还有五线制的。
三线一般是电压输出,接线一根(红色电源正),一根黑色(电源负),一根黄色(信号输出正)输出的地端于电源相共。

传感器的接线一贯是客户采购过程征询得最多的问题之一,很多客户都一无所晓得传感器如何连线,名不虚传各种传感器的接线形式基本都是如出一辙的,以压力传感器为例,压力传感器一般有两线制、三线制、四线制,下药还有五线制的。
压力传感器两线制比较扼要,一般客户都知道怎样接线,一根线衔接电源正极,另一个线也就是信号线通过仪器连接到电源负极,这种是最扼要的,压力传感器三线制是在两线制基础上加了一个线,这根线直接连接到电源的负极,较两线制费事差一些。四线制压力传感器肯定是两个电源输入端,另外两个是信号输出端。四线制的多半是电压输出而不是4~20mA输出,4~20mA的叫压力变送器,多数做成两线制的。压力传感器的信号输出有些是没有通过放大的,满量程输出只要几十毫伏,而有些压力传感器在内部有放大电路,满量程输出为0~2V。至于怎么接到显示仪表,要看仪表的量程是多大,假如有和输出信号相适应的档位,就能够直接丈量,否则要加信号调整电路。五线制压力传感器与四线制相差不大,市面上五线制的传感器也比较少。

了解了压力传感器的接线办法顺次类推大多数传感器的接线方法也能掌握了,以后在运用过程中就不会由于不知道传感器如何接线而头疼。天经地义各种传感器在实践使用中也有可能有必定的差别,这种状况下就应当细心阅读注明书或许征询厂家。
压力变送器是把气体或液体的压力转换为可使用的电 信号的器件。压力变送器按接线方式,可分二线制,三线制,四线制。楼主看到的应该是四线制的压力变送器。两根电源线,两根信号线。电源接24v直流电,简 单的检测方法是用一只电流表或电压表,接信号线两端。电源接上后,电流表会有4ma电流或电压表有0v或1V电压。现在的变送器一般都有4个接线端子,两个是接线的,另外两个不用接线,变送器的DC24V电源线同时就是4~20mA的信号反馈线,也就是说,你的二次表或者DAS(数据采集系统)的AI点要带DC24V输出。压力变送器一般输出的信号是电流4-20MA,0-20MA,或电压0-5V,1-5V,0-10等,通常电流型的是二线或四线制,电压的三线制输出。
目 前市的变频器很多是没有24VDC供电电源的,大部份是10V,有些功耗较大的变送器,10VDC的电源无法带动,那么只能外接供电源24VDC。这样变 频器就出现了四个接线端子:供电+,供电-,反馈+和反馈-。电流型四线制接线方式:电源+==供电+;电源-==供电-;信号+==反馈+,信号-== 反馈-。电流型二线制接比方式:电源+==供电+;信号+==反馈+,供电-==反馈-。电压型三线制接线方式:电源+==供电+;电源-(信号-)== 供电-;信号+==反馈+,电源-(信号-)==反馈-。压力变送器可以直接和变频器连接的,电源可以用变频器上的24V电源,将压力变送器串接在到信号回路即可。看压力变送器是电流型,还是电压型!看清输出电压压力变送器的电压输出端接变频器的外接可调电压输入端,压力变送器和变频器的外接可调地相连接硬件变完成了软件你要设施正反转,频率转速和驱动方式
-电子元器件采购网(www。oneyac。com)是本土元器件目录分销商,采用“小批量、现货、样品”销售模式,致力于满足客户多型号、高质量、快 速交付的采购需求。自建高效智能仓储,拥有自营库存超50,000种,提供一站式正品现货采购、个性化解决方案、选项替代等多元 化服务。
单电源供电的运算放大器,一般要加偏置以确保输出信号的摆幅在供电电源范围内。单电源供电系统的输入信号如果以地作为参考,实际上也就是以供电电源的一端作为参考。例如这样的反向放大器在输入信号为正电压时,由于输出不可能低于最低供电电压,所以不能正常工作。当输入信号不是以地作为参考,参考电平与地的差值将随信号一起放大,除非这个参考电平是作为共模电压出现的。因此,要对输入信号进行偏置才能获得想要的输出电压。为解决这个问题,自然想到了信号采用交流耦合的方法。但是,采用交流耦合输入和输出都需要有耦合电容,而耦合电容的存在影响了电路的低频响应,降低了带宽。当采用同相配置时,放大器静态输出会通过反馈回路影响输入端的偏置电压,处理起来很麻烦。
信号发生器是一种能提供各种频率、波形和输出电平电信号的设备。在测量各种电信系统或电信设备的振幅特性、频率特性、传输特性及其它电参数时,以及测量元器件的特性与参数时,用作测试的信号源或激励源。信号发生器又称信号源或振荡器,在生产实践和科技领域中有着广泛的应用。各种波形曲线均可以用三角函数方程式来表示。能够产生多种波形,如三角波、锯齿波、矩形波(含方波)、正弦波的电路被称为函数信号发生器。
信号发生器用来产生频率为20Hz~200kHz的正弦信号(低频)。除具有电压输出外,有的还有功率输出。所以用途十分广泛,可用于测试或检修各种电子仪器设备中的低频放大器的频率特性、增益、通频带,也可用作高频信号发生器的外调制信号源。另外,在校准电子电压表时,它可提供交流信号电压。低频信号发生器的原理:系统包括主振级、主振输出调节电位器、电压放大器、输出衰减器、功率放大器、阻抗变换器(输出变压器)和指示电压表。电源自适应的方波发生器原理图主振级产生低频正弦振荡信号,经电压放大器放大,达到电压输出幅度的要求,经输出衰减器可直接输出电压,用主振输出调节电位器调节输出电压的大小。
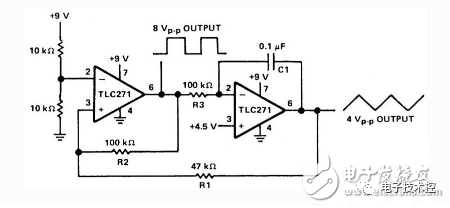
该电路的输出波形既可以是方波的也可以是三角波的。左边区域的功能和使用正反馈磁滞比较仪电路的功能是一样的。反相输入在电源的一半处被电阻R4和R5偏置。输出反馈到第一阶的同相输入以控制频率。方波的振幅是第一阶的输出摆动,也就是8V。

相关推荐:
0人已收藏
0人已打赏
免费9人已点赞
分享
电气工程原创版块
返回版块2.2 万条内容 · 598 人订阅
阅读下一篇
管道仪表中流程图的详细步骤都在这里,记得收藏!知识点:仪表管道 定义 管道仪表流程图(PI图)是在工艺设计的基础上开展工作的,是工程设计的一个重要工作环节,亦是工程设计中各有关专业开展工作的主要依据。管道仪表流程图是借助统一规定的图形符号和文字代号,用图示的方法把建立化工工艺装置所需的全部设备、仪表、管道、阀门及主要管件,按其各自功能,为满足工艺要求和安全、经济目的而组合起来,以起到描述工艺装置的结构和功能的作用。
回帖成功
经验值 +10
全部回复(1 )
只看楼主 我来说两句 抢板凳文章很有用,收藏一下
回复 举报