高压细水雾灭火系统,在某些场所可替代气体灭火系统和水喷雾灭火系统。对高压细水雾系统与其他常用灭火系统进行技术对比,对现行国家标准及重庆市地标中高压细水雾系统部分设计参数进行比较,对国家标准中开式系统防护区数量的规定进行探讨,并结合医院项目所采用的高压细水雾灭火系统,分析探讨高压细水雾开式系统与闭式系统的设置要求及设计中注意问题。
00
引言
高压细水雾灭火系统自进入中国市场以来,相继出台了《档案馆高压细水雾灭火系统技术规范》(DA/T 45-2009)和《细水雾灭火系统技术规范》(GB 50898)等国家规范及安徽、河南、江苏、重庆等各地地方标准,为细水雾系统设计提供了设计依据,广泛应用于地铁、汽车、烟草、电力等行业。近年来,不少医院也选择采用高压细水雾灭火系统替代气体灭火系统保护其重要仪器设备及病案等区域。本文结合设计项目,对泵组式高压细水雾灭火系统设计中应注意的问题进行探讨。
01
高压细水雾灭火系统
高压细水雾系统水压力大于10 MPa时,产生的水雾滴直径在50~400 μm,每升水的表面积达60 m?,水雾汽化潜热2 200 kJ/(kg·℃),迅速带走热量,冷却效果更佳。由于水雾粒径小,用水量少,灭火强度0.7~3 L/(min·m?),适用于扑救相对封闭空间内的可燃固体表面火灾、可燃液体火灾和带电设备火灾。
1.1 部分灭火系统对比
在与其他灭火系统的对比中,高压细水雾系统有着诸多优点,如适用火灾类型广、用水量小、输送距离远、系统管径小、占用空间小等;但由于其产品的非标准化,造成规范条文不如自动喷水灭火系统详尽,设计人员对此系统的设计依赖于厂家二次深化设计,对规范规定的认识理解也不统一,加上其较高的工程造价,影响了其推广使用。高压细水雾系统与其它常用灭火系统技术对比详见表1。
表1 高压细水雾灭火系统与其它常用灭火系统对比表

注:高压细水雾系统指泵组式系统;“-”指无限制。
当医院建筑物中需保护的区域分布较广,位于不同楼层,如本文涉及的项目在四层2个防护区、地下一层共14个防护区、地下二层3个防护区,若采用气体灭火系统,按有管网组合分配式系统所保护的防护区不应超过8个,共需设置4套组合分配式系统。若采用高压细水雾灭火系统,只需设一套系统保护。
1.2 细水雾系统相关规范
《细水雾灭火系统技术规范》(GB 50898-2013,以下简称 “国标”)对防护区的要求有如下条款:第3.4.3条,闭式系统作用面积不宜小于140 m?。每套泵组所带喷头数量不应超过100只。第3.4.5条,采用全淹没应用方式的开式系统,其防护区数量不应大于3个。单个防护区容积,对于泵组系统不宜超过3 000 m?,对于瓶组系统不宜超过260 m?。当超过单个防护区最大容积时,宜将该防护区分成多个分区进行保护。每套泵组所带闭式喷头数量的限制,可以说是严格限制了单套泵组细水雾系统的保护面积及防护区数量。开式系统防护区数量的限制规定也很严格。除此之外,“国标”中所给出的设计参数较少,闭式系统应用场所仅提供了采用非密集柜储存的图书库、资料库、档案库的设计参数,全淹没应用开式系统(>10 MPa)也只有5种类型的设计参数。这些规定让设计人员对于细水雾系统的设计存有疑虑,甚至于了解程度还不如气体灭火系统,致之不敢使用。
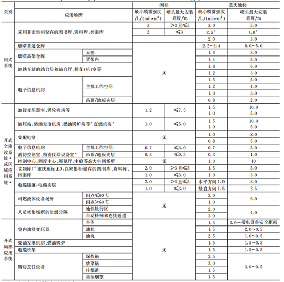
笔者在对细水雾灭火系统的学习过程中,查阅了各地规范、关于2013年版《细水雾灭火系统技术规范》的讲解及其他相关文章。在“国标”之后出台的地方规范,增加了多种场所的设计参数,对系统的规定也更趋于合理,如重庆市工程建设标准《重庆市细水雾灭火系统技术规范》(DBJ 50-208-2014,以下简称 “重庆地标”),第3.2.2条,闭式系统作用面积的要求同“国标”,对喷头数的规定(系统应按楼层或防火分区划分灭火分区,分区控制阀后的喷头数量不应超过100只)则与“国标”有实质性不同。第3.2.4条,开式全淹没系统的单个防护区,体积要求同“国标”,但无防护区数量要求。由此可见,“重庆地标”对于闭式系统、开式系统的设置要求可以说是放开了许多,设计参数也更细化,这对于细水雾灭火系统在重庆地区的应用必定产生积极的作用。“国标”与“重庆地标”设计参数对比举例见表2。
表2 国标与重庆地标部分设计参数比较(≥10 MPa)

注:*为重庆地标增加或不同的内容。
由表2可直观看出“重庆地标”设计参数的细化。细水雾灭火系统喷雾强度源于实体火灾模拟试验,因此“地标”所给出的最小喷雾强度也具有一定的参考价值。
通常高压细水雾灭火系统深化设计时,非重庆地区或无“地标”的地区仍需按“国标”进行设计。就防护区数量而言,组合分配式气体灭火系统,一套钢瓶尚可保护8个防护区;而灭火剂容易得到补充的高压细水雾开式灭火系统,防护区数量仅为3个。如何扩大开式系统防护区的保护范围,而又满足“国标”开式系统防护区数量不应多于3个的要求。从 “国标”第3.4.5条的解读可引入“防护分区”的慨念:“单个防护区容积超过最大容积时,宜将该防护区分成多个分区进行保护,各分区的火灾危险性可相同相近,亦可存在较大差异”,说明各分区是可以存放不同的物品。若人为的将存放不同物品的分区用墙予以分隔,则可视每个房间作为一个防护分区,每个防护分区设置一个控制阀箱,而这些若干防护分区组成一个防护区。这样的划分方式既可扩大开式系统的保护范围,同时也控制了每个防护分区的容积和防护区数量在规定值之内。参考“地标”规定,这样的划分方式也是合理的。而闭式系统则主要控制分区阀后喷头数量不超过100只。
闭式系统主要是控制和抑制火灾,用于火灾蔓延速度慢的部位,主要用于扑救可燃固体表面的火灾;对于防水要求高、严禁系统发生误喷或管道渗漏的场所,宜采用闭式预作用系统。
开式系统既可抑制火灾,也可扑灭火灾,主要用于火灾危险性大、蔓延速度快,或存在大量可燃性液体,需要迅速灭火的部位。
闭式系统、开式系统设置要求对比详见表3。
表3 开式系统与闭式系统设置要求对比

注:①易阴燃或发生固体深位火灾的场所,及其他需要辅助灭火的场所,宜设置细水雾喷枪栓;②能采用闭式系统保护的位置,开式系统也适用。
02
某医院高压细水雾系统设计
2.1 项目概况、系统设计参数及控制要求
某综合医院,医院重要仪器设备较多,其重要设备用房及电气设备房分别分布在建筑不同部位,其中地下二层设置直线加速器、模拟CT、PET-CT,地下一层设置高压氧仓机房、1号变电所、病案、120指挥中心、2号变电所、运营商机房、有线电视机房、电话机房、DSA、MRI1、MRI2、数字胃肠、CT1、CT2、CT3、DR1、DR2、DR3、钼钯室、柴油发电机房及储油间;四层设置UPS、信息中心。地下二层各设备间最大间距约60 m,地下一层各设备间水平最大间距140 m,防护区竖向最大间距30.60 m。设计采用一套泵组式高压细水雾灭火系统保护所有部位。
除柴油发电机房(燃油)、信息中心采用全淹没应用方式的开式系统外,其余部位均设置闭式预作用系统。
设计参数:喷头最小工作压力10 MPa。设计参数参照国标选用,如表4所示。系统响应时间不大于30S,最大一个防护区为信息中心,面积约237 m?;设计流量≥166 L/min,系统用水量5.0 m?。其余部位采用闭式预作用系统,其中病案室参照资料库喷雾强度取值,最小喷雾强度:3 L/(min·m?),作用面积140 m?,设计流量≥420 L/min;系统用水量12.6 m?,设计水量13.5 m?。设计选用泵组流量448 L/min。其中重要及精密仪器设备用房,如直线加速器、模拟CT、PET-CT、DSA、MRI、数字胃肠、CT、DR、钼钯室、高压氧仓机房等设计参数参照电子信息机房取值,120指挥中心、运营商机房、有线电视机房、电话机房、信息中心等设计参数参照电子信息机房取值,变配电室参照柴油发电机房取值。依据“国标”给出的闭式系统与开式全淹没应用系统在同场合中的最小喷雾强度对照,闭式系统喷雾强度约为开式系统的喷雾强度1.5~2.0倍;“地标”也约为2倍左右,因此本项目闭式系统喷雾强度参照开式系统的2倍取值,且不小于“地标”标准。各房间设计参数见表4。
表4 细水雾灭火系统部分设计参数(喷头工作压力≥10 MPa)

本项目采用泵组式高压组合分配系统(开式+预作用闭式)。平常状态下,从高压细水雾泵组出口至区域控制阀组之间的管网,由稳压泵维持在1.0~1.2 MPa,系统分区控制阀后管网内不充水。发生火灾后,由火灾自动报警系统联动开启或手动按下相应区域的高压细水雾区域控制阀,高压细水雾系统管网压力下降,当系统管网压力低于1.0 MPa后,稳压泵启动,稳压泵运行10 s后系统管网压力仍达不到设定的1.2 MPa时,稳压泵停止运行,同时高压细水雾主泵启动,系统管道内水迅速达到工作压力,开式系统由开式喷头喷放细水雾灭火,闭式系统则通过玻璃泡破碎的闭式喷头喷放细水雾灭火。最后经人员确认火灾扑灭后,手动关闭高压细水雾主泵和区域控制阀,火灾报警系统复位,管网恢复、系统复位。
2.2 设计注意问题
(1)分区控制阀箱的配置数量。通常,在每个保护区门口设置一个装有组合分配阀、应急操作阀及应急启泵按钮的分区控制阀箱。分区控制阀箱的单个造价在本系统中高于喷头,减少控制阀箱的设置数量可适当降低系统造价,对于开式系统,控制阀箱按防护区或防护分区设置,若相邻防护分区,火灾类型类似,保护区容积小,按相邻房间同时喷放设计,可以节省一个控制阀箱;对于闭式系统,控制阀箱按防护区域就近集中设置,可以适当减少控制阀箱的设置数量。如本项目按相对集中的仪器用房集中设置控制阀箱,如数字胃镜、DR(3间)、CT(3间)、钼靶室布置仅隔一条走道,每个房间面积均在40~50 m?,依据规范第3.4.3条,闭式系统作用面积不宜小于140 m?;单个房间面积小于作用面积,若将走道单侧4个房间计为一个防护分区,每个防护分区配置一个控制阀箱,则阀箱造价约合8~10万;而若将每个房间计为一个防护分区,每个防护分区配置一个控制阀箱,则阀箱造价约合32~40万;本设计将走道两侧各个房间仅设置一个控制阀箱,该阀箱所带的各房间喷头总数不超过100只,造价仅约4~5万。
由于本区域设置的是闭式系统,喷水量与作用喷头数有关,并不随阀箱负担防护区增大而增大系统喷水量。开式系统因控制阀箱设置按防护区或防护分区设置,合并设置防护分区会直接加大系统用水量。因此开式系统控制阀箱能否合并设置和防护区容积大小、系统设备供水量等相关;而闭式系统较容易通过适当减少控制阀箱的设置数量降低系统造价。根据国标图集《细水雾系统选用与安装》(12SS209),进口高压细水雾泵组单泵流量100~120 L/min,本项目设计流量448 L/min,泵组为4或5台主泵1台备用泵。
(2)分区控制阀箱的安装空间。高压细水雾系统用水量小,系统管径小,以本项目为例,设计流量448 L/min,主管径仅为DN40,接喷头的支管仅DN10;分区控制阀箱是其中尺寸较大的配件,开式系统及闭式预作用系统控制阀箱尺寸550×900×280(310)(国标图集12SS209-35),闭式控制阀箱尺寸550×900×180(国标图集12SS209-36)。分区控制阀设置在防护区外,且便于操作、检查和维护的位置,安装高度宜为1.2~1.6 m,操作面距离不小于0.8 m。
医院通行推床的通道净宽要求不小于2.40 m;门诊部用房,利用走道单侧候诊时,走道净宽不应小于2.40 m,两侧候诊时,走道净宽不应小于3.0 m。分区控制阀箱箱体较厚,安装时,需考虑其对走道净宽的影响;当对走道宽度有影响时,需采用暗装或部分暗装。阀箱安装高度可以根据建筑门高度适当调整,可按箱体上皮与门框上方平齐选择阀箱安装高度,参见图1。

图1 控制阀箱安装示意
由于高压细水雾系统尚未标准化,各厂家的产品参数有差别,分区控制阀箱尺寸不统一,厚度也有差别,比如雾特DN20/DN25的控制阀箱尺寸580×500×410,DN32/DN40的控制阀箱尺寸1 000×650×470;由于阀箱尺寸较大,安装时应尽量减小箱体对走道净宽的影响,选择暗装或部分暗装。
(3)保证水质的措施。高压细水雾喷头采用的微孔喷头,对水质要求高,因此规范规定在储水箱进口、出口或控制阀前应设置过滤器,过滤器本身应具备耐腐蚀性能,材质为不锈钢、铜合金,过滤器网孔孔径不应大于喷头最小孔径的80%,以保证水质,避免堵塞细水雾喷头。
本项目在地下一层消防泵房设一个专用设备间,放置高压细水雾储水箱及泵组。泵组由不锈钢储水箱、水泵、集流管和控制箱组成。不锈钢储水箱贮水量为13.5 m?,由生活给水系统提供补水。本项目系统设置增压水泵,水泵吸水管上安装过滤器,增压水泵从储水箱吸水,将压力升至0.30~0.6 MPa,经300目过滤器过滤后,作为高压细水雾泵组的补水,加压后经不锈钢管路供给系统灭火。储水箱设置水质在线自动分析系统,将水质在线分析仪的传感器放置在水箱中部,传感器上发射器发送的红外光在传输过程中经被测物的吸收、反射和散射后,部分分透射线、分散射线照射到不同方向的检测器上,通过接收到的光线强度计算出水质的洁净度,根据水质自动报警,要求换水,避免水长期储存不动,水质恶化,影响系统运行。
03
延伸思考
高压细水雾系统的非标准化产品使得设计人员对此系统的设计尚依赖厂家配合二次深化设计;但是设计人员对于一些参数的把控、喷头布置合理性还是应该做到心中有数。
(1)注意控制管道设计流速。虽然规范规定系统管道内的水流速度不宜大于10 m/s,不应超过20 m/s;但是流速过大,产生过大的水头损失及管道很大的震动,建议流速控制在6~7 m/s以内,个别管段流速偏大(10 m/s)时,距离不宜太大,控制在10 m范围内。由于高压细水雾系统水量小,管径小,管道内径对于流速校核很重要。本项目设计采用的316L无缝不锈钢管管径与壁厚参数如表5所示。
以本项目采用的管径,按流速最大7 m/s核算,管道直径与流量关系如表6所示。
表5 316L无缝不锈钢管管径与壁厚参数

表6 管道直径与流量关系

由于各厂家采用的管径及壁厚会有差别,因此还需要按实际采用的管材内径进行校核。选用管材需满足试验压力要求,试验压力为系统工作压力的1.5倍。以水泵扬程12~14 MPa计,管道试压为18~21 MPa。
(2)规范只给出了系统最小喷雾强度及喷头的最大布置间距,但是设计人员应对喷头布置间距和喷雾强度间的相对关系作校核,以流量系数K=0.95、1.68及2.04喷头为例如表7所示。
表7 喷头布置间距与喷雾强度间的关系

由于各厂家喷头K值有差别,需要根据实际采用的喷头K值进行校核。最主要的是要校核能否满足最小喷雾强度。
以布置间距为3.0 m(压力10 MPa)校核喷雾强度举例如表8所示。
表8 布置间距3 m(压力10 MPa)校核喷雾强度

从表8来看,只有采用K=2.74,喷头间距3.0 m,才能满足3 L/(min·m?)的喷雾强度。因此喷头间距不应简单用不大于3.0 m间距来判断。
(3)高压细水雾灭火主要靠有一定冲量的弥散性汽雾,其下落速度为0.35 m/s较慢(水喷淋水下落速度为9.2 m/s),虽然闭式喷头玻璃泡动作温度为57 ℃,但是动作速度还是慢于开式喷头。因此当空间高度较大,如H>5 m时,建议采用开式系统。
(4)高压细水雾系统的喷雾强度、喷头布置间距和安装高度,宜经过实体火灾模拟试验确定。因此规范未列举的应用场所,可采用实体火灾模拟试验参数设计;而各地方规范列举的参数也具有一定的参考性。
(5)需注意《建筑设计防火规范》(GB 50016-2014,2018版)第8.3.9条中未明确能采用细水雾灭火系统的部位:2 国际电信局、大区中心、省中心和一万路以上的地区中心内的长途程控交换机房、控制室和信令转接点室;3 两万线以上的市话汇接局和六万门以上的市话端局内的程控交换机房、控制室和信令转接点室;6 中央和省级广播电视中心内建筑面积不小于120 m?的音像制品库房;7 国家、省级或藏书量超过100万册的图书馆内的特藏库;中央和省级档案馆内的珍藏库和非纸质档案库;大、中型博物馆内的珍品库房;一级纸绢质文物的陈列室。上述场所仍不能采用高压细水雾灭火系统代替气体灭火系统。
04
小结
医院是人员密集场所,高压细水雾灭火系统采用水为灭火剂,绿色环保,对人体和环境没有任何危害,能清洗有毒烟气及消减烟尘,有利于人员逃生,用于医院保护贵重仪器设备、病案、电气用房等,在满足规范规定的前提下,值得合理推广应用。
内容源于给水排水,旨在分享,如有侵权,请联系删除
相关资料推荐:
https://ziliao.co188.com/d60628885.html
知识点:详解医院建筑中的高压细水雾灭火系统
0人已收藏
0人已打赏
免费3人已点赞
分享
建筑给排水
返回版块47.29 万条内容 · 1372 人订阅
回帖成功
经验值 +10
全部回复(0 )
只看楼主 我来说两句抢沙发