土木在线论坛 \ 给排水工程 \ 建筑消防给水 \ 消火栓与喷淋头安装看似简单,你们工地做对了吗?

消火栓与喷淋头安装看似简单,你们工地做对了吗?

发布于:2023-02-22 11:26:22 来自:给排水工程/建筑消防给水 [复制转发]

本文是基于工程实例,并结合工程创优做法,总结了消火栓与喷淋头安装中的基本要求和注意事项,大家可以对照看一下,自己的工地做对了吗?


           


1      

           

消火栓(箱)安装


? 消火栓(箱)安装基本要求:

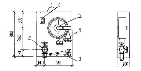
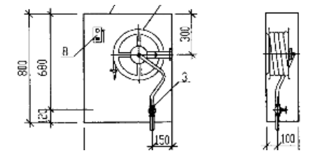
1)消火栓栓口离地高度1.1m,栓口朝外。

2)单个消火栓不应安装在消防箱门轴侧。

3)消防箱箱体安装垂直度允许偏差3mm,安装完毕封闭多余孔洞及孔洞缝隙。

4)消火栓箱门易打开,开启角度不小于120°;采用石材等装饰材料的消防箱门应开启灵活(开启拉力≯50N);箱门外标识明显。

5)消火栓箱内水龙带、水枪、软管等安放到位。


图片              
消火栓安装在门开启侧              
图片              
消火栓安装在门轴侧              


图片

消防箱孔洞缝隙封闭

图片

消防箱孔洞有缝隙


         


? 消火栓()安装注意事项:

1)消火栓支管以栓阀的坐标、标高定位甩口,核定后稳固消火栓箱,待箱体找正固定后再安装栓阀。消火栓箱安装的垂直度允许偏差为3mm。

2)消火栓箱体若采用暗装或半暗装时,需在土建砌砖墙时,预留好消火栓箱洞,待消火栓箱就位找正找平后,用水泥砂浆填塞箱四周空间;明装时采用膨胀螺栓固定。安装在轻质隔墙上应有加固措施。

3)箱体配件安装时,消防水龙带应折好放在挂架上卷实、盘紧;消防水枪竖放在箱体内侧,自救式水枪和软管放在挂卡上或放在箱底部。消防水龙带与水枪、快速接头的连接,一般采用16#铜丝绑扎两道,每道不少于两圈;使用卡箍时,在里侧加一道铜丝。


图片

单栓消防箱安装


图片

双栓消防箱安装


图片

单栓带自救式消防卷盘箱安装


图片

自救式消防卷盘箱安装


2      

           

喷淋头安装


? 喷淋头安装基本要求:

1)喷头应居中安装(与装饰吊顶排版配合),与灯、烟感等成行成线。

2)直立型、下垂型标准喷头溅水盘与顶板的距离为75~150mm。

3)喷头装饰盖、罩应紧贴吊顶。

4)喷头臂(单、双)应统一纵向或横向安装。

5)大空间成排喷头安装成行成线。


图片              
喷头与灯、烟感、风口成一直线              
图片              
喷头未居中安装              


图片          

喷头安装长度过短

图片          

喷头安装长度过长


         


图片      

喷头安装离墙/梁太近


? 喷淋头安装注意事项:

1)喷头安装前应与精装天花吊顶布置图对照,优化喷头安装点位,防止与烟感、灯具、喇叭等装置冲突。

2)明确精装吊顶面基准线和标高线,在龙骨调整定位后,测量喷头短管的长度并安装,防止短管过长或过短。

3)天花吊顶喷头开孔由精装施工单位负责。


· 当喷头安装在不到顶的隔断附近时,喷头与隔断的水平距离和最小垂直距离应符合下表的规定:


图片


· 当喷头溅水盘高于附近梁底或宽度小于1.2m的风管、排管、桥架腹面时,喷头溅水盘高于梁底、风管、排管、桥架腹面的最大垂直距离应符合下表的规定:


图片


· 当梁、风管、排管、桥架宽度大于1.2m时,增设的喷头应安装在其腹面以下部位。


图片



内容源于网络,旨在分享,如有侵权,请联系删除


相关资料推荐:

消火栓喷淋平面CAD套图

https://ziliao.co188.com/d62658538.html


知识点:消火栓与喷淋头的安装


全部回复(0 )

只看楼主 我来说两句抢沙发

建筑消防给水

返回版块

28.41 万条内容 · 744 人订阅

猜你喜欢

阅读下一篇

离心泵启动时要不要关闭出口阀门

回帖成功

经验值 +10