该办公楼由地上36层、地下七层与周围地下七层车库连成一体,主体高度156m。基础埋深26m。框架—核心筒结构。建筑标准层平面图见下图↓

↑图1 标准层平面图
拟建场地地层柱状土如下图↓

↑图2场地地层柱状土
2桩基选型
第⑨层为卵石—圆砾,第⒀层为细—中砂,是桩基础良好持力层。采用后注浆灌注桩桩筏基础,设计桩径1000mm。
按强化核心筒桩基的竖向支承刚度、相对弱化外围框架柱桩基竖向支承刚度的总体思路,核心筒采用常规桩基,桩长25m,外围框架采用复合桩基,桩长15m。
核心筒桩端持力层选为第⒀层细—中砂,单桩承载力特征值Ra=9500kN,桩距sa=3d;外围边框架柱采用复合桩基础,荷载由桩土共同承担,单桩承载力特征值Ra=7000kN。
3承台结构形式
由于变刚度调平布桩起到减小承台筏板整体弯距的作用,板厚可减少。
核心筒承台采用平板式,厚度h1=2200mm。
外围框架采用梁板式筏板承台,梁截面bb×hb=2000mmX2200mm,板厚h2=2200mm。
与主体相连裙房(含地下室)采用天然地基,梁板式片筏基础。
4 基桩承载力计算与布桩
桩基础平面布置图见下图↓

↑图3桩基础及承台布置图
4.1 核心筒
荷载效应标准组合(含承台自重):Nck=843592kN;
基桩承载力Ra=9500,每个核心筒布桩90根,并使桩反力合力点与荷载重心接近重合。偏心距如下:
左核心筒荷载偏心距离:
ΔX=-0.04m;ΔY=0.26m;
右核心筒荷载偏心距离:
ΔX=0.04m;ΔY=0.15m;
9500kN x 90=855000kN>843592 kN;
4.2 外围边框架柱
选荷载最大的框架柱进行验算,柱下布桩3根,

超出承载力6.6%。
考虑到以下二个因素,一是所验算柱为荷载最大者,这种荷载与承载力的局部差异通过上部结构和承台的共同作用得到调整;二是按变刚度调平原则,外框架桩基刚度宜适当弱化。故外框架柱桩基满足设计要求。
5 沉降计算
5.1 核心筒沉降计算
采用等效作用分层总和法(点击可查看)

外围框架柱桩基对核心筒桩端以下应力的影响,按规范第5.5.14条计算其对核心筒计算点桩端平面以下的应力影响,进行叠加,按单向压缩分层总和法计算核心筒沉降。

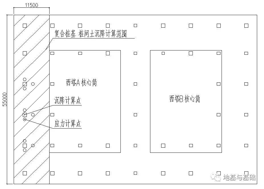
5.2 边框架复合桩基沉降计算
采用复合应力分层总和法,即按《建筑桩基技术规范》式(5.5.14-3)
计算范围见下图↓

↑图4 复合桩基沉降计算范围及计算点示意图
计算参数及结果列下表↓

注:表中z为承台底至应力计算点的竖向距离。
沉降计算荷载应考虑回弹再压缩,采用准永久荷载效应组合的总荷载为等效附加荷载;

(采用后注浆乘以0.7折减系数)。
上述沉降计算只计入相邻基桩对桩端平面以下应力的影响,也未考虑筏板整体刚度和上部结构刚度对调整差异沉降的贡献,故实际差异沉降比上述计算值要小。本文的工程数据来自《建筑桩基技术规范》,版权归原作者。本文仅供参考。
知识点:核心筒建筑的桩基设计计算
0人已收藏
0人已打赏
免费1人已点赞
分享
地基基础
返回版块12.11 万条内容 · 717 人订阅
阅读下一篇
超深基坑混凝土支撑拆除关键技术1 工程概况 深圳平安金融中心( 简称PAFC) 主塔楼地上118 层,地下5 层,将建成为国际一流、可持续发展的、具有智慧型办公、商业、观光等综合功能的城市建筑。其总建筑面积458292㎡,占地面积18931. 0㎡,基坑面积17150㎡,槽底标高-33. 500m。基坑支护采用排桩+ 内支撑+ 锚索,支撑平面为双圆环形式,其中北侧主塔楼区为适应主楼8 根巨柱的后期结构施工,采用内套小圆环形成双环结构,如图1,2所示。
回帖成功
经验值 +10
全部回复(0 )
只看楼主 我来说两句抢沙发