知识点:电气集合点
电气自动化作为电气信息领域的新兴学科,与人们的日常生活活动以及工业生产有着密切联系。在生产工作时,通过运用电气自动化设计可以有效的提高工作效率,节省运作成本,有效的发挥劳动力的作用。
为了更加形象、直观地学习并应用电气自动控制系统,本文整理了28个电气自动控制电路图的实例,以供参考。
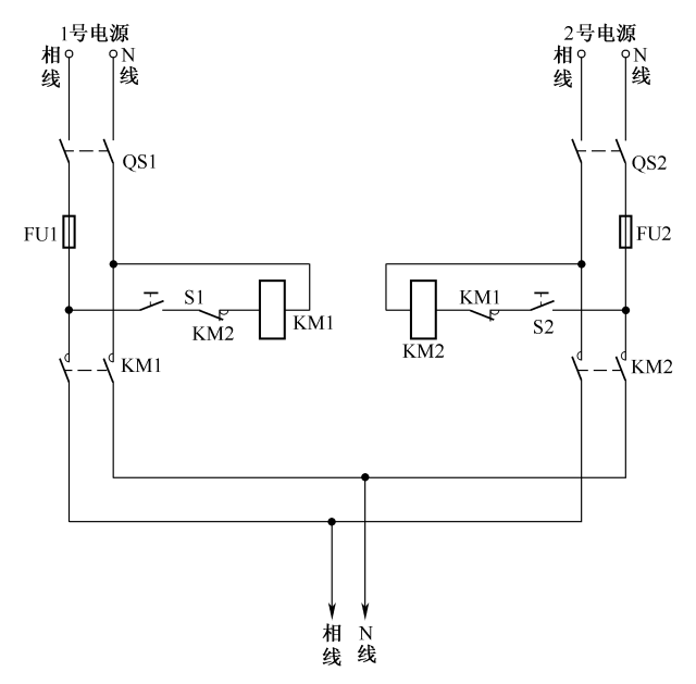
单相照明双路互备自投供电电路

-----------------------------------------------------------------
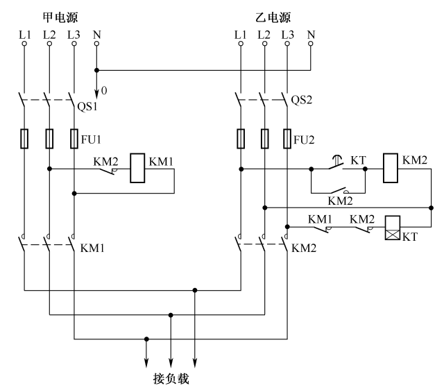
双路三相电源自投电路

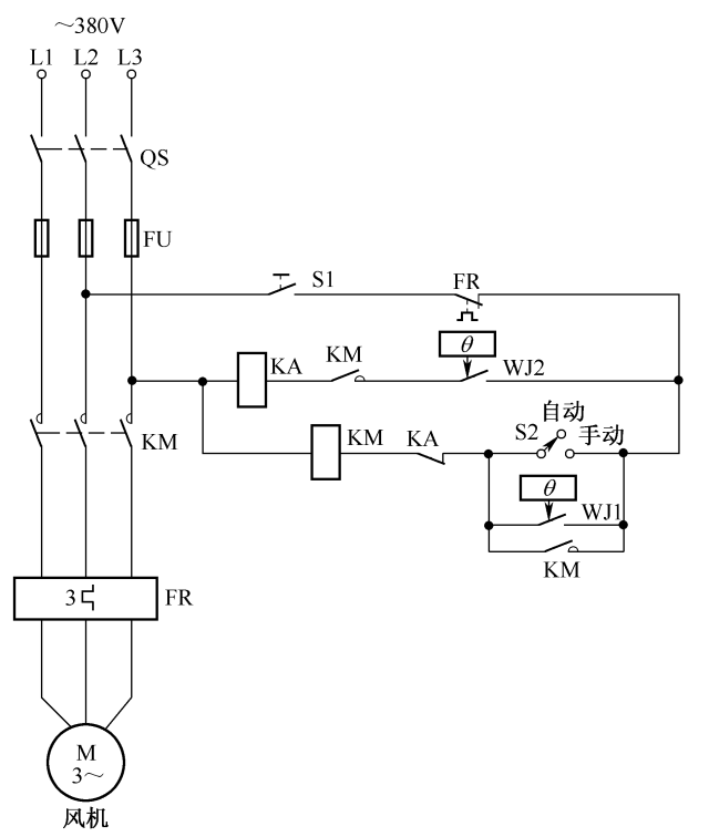
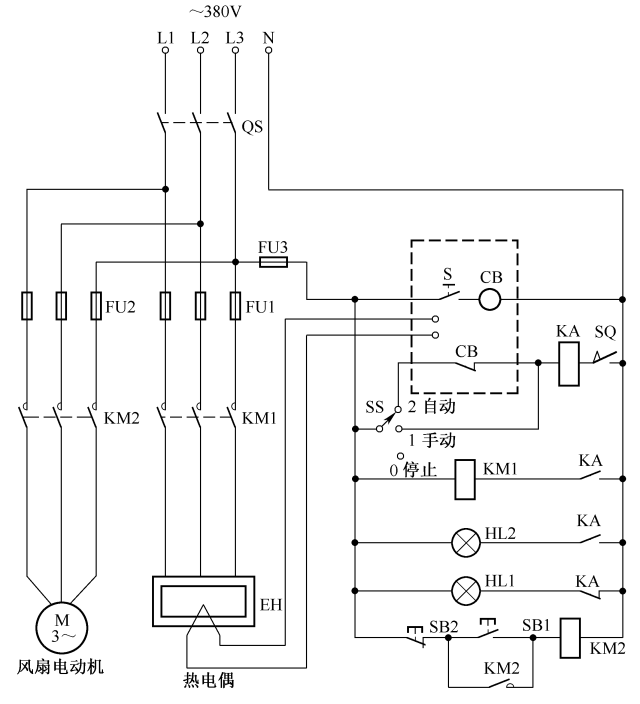
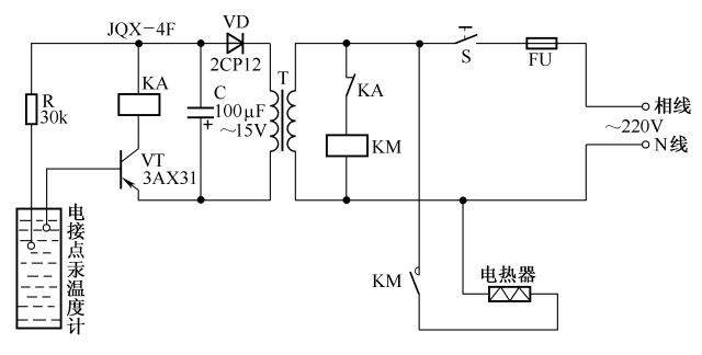
茶炉水加热自动控制电路

------------------------------------------------------------------
简单的温度控制器电路

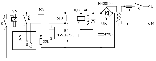
简易晶闸管温度自动控制电路

用双向晶闸管控制温度电路

XCT-101动圈式温度调节仪控温电路

------------------------------------------------------------
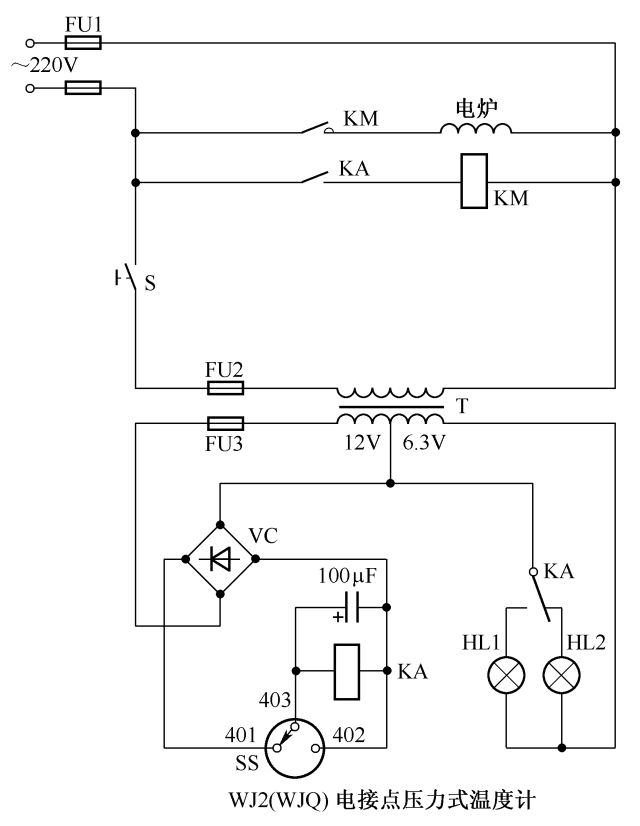
电接点压力式温度表控温电路

-------------------------------------------------------------------
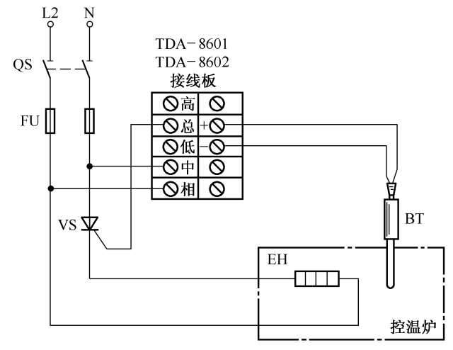
TDA-8601型温度指示调节仪控温电路

------------------------------------------------------------------
XMT-DA数字显示调节仪控温电路

-------------------------------------------------------------
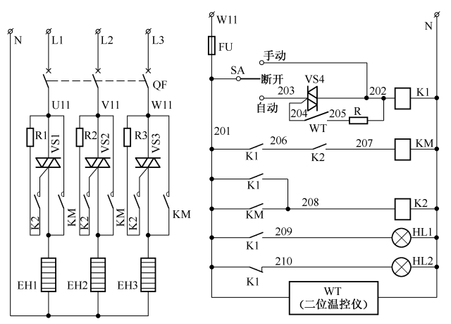
△/Y变换的炉温控制电路

简易温度控制电路

--------------------------------------------------------------------
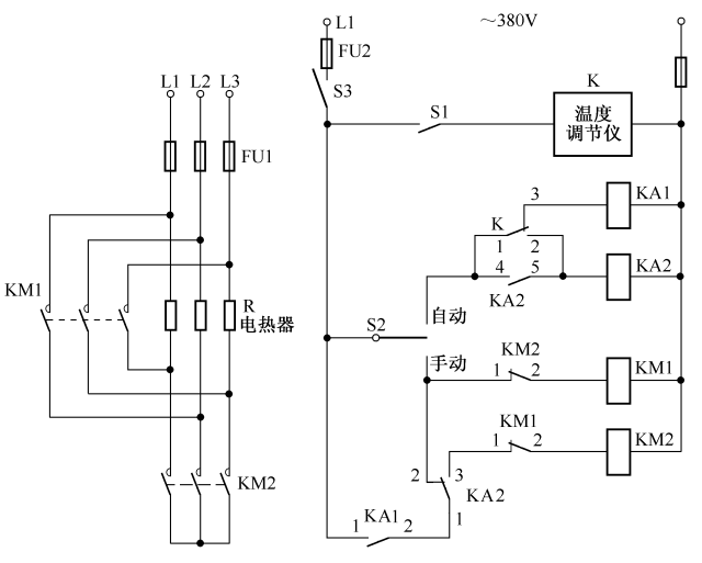
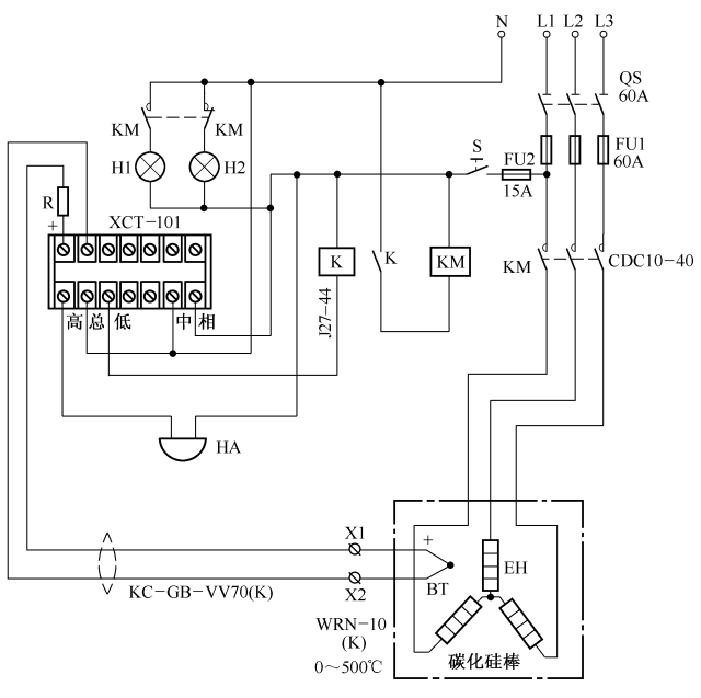
双功能三相电阻加热炉控制电路

自动气体循环炉控温电路

喷水池自动喷水控制电路

自动节水电路

电力变压器自动风冷电路

用电接点压力表做水位控制电路

UQK-2型浮球液位变送器接线电路

相关推荐:
0人已收藏
0人已打赏
免费9人已点赞
分享
电气工程原创版块
返回版块2.2 万条内容 · 598 人订阅
阅读下一篇
史上最全面的弱电智能化综合布线常用术语大全知识点:均衡转换器1. 1000BASE-T:当前的一种局域网标准,用于在5类以上级别双绞线电缆上执行1000 Mbps以太网,另请见千兆以太网。2. 100BASE-T:100Mbps以太网的双绞线版本,需要5类以上的双绞线电缆3. 10BASE2:又称"细缆网络"。基于细(RG58)同轴电缆的10 Mbps以太网。4. 10BASE5:又称"粗缆网络"。基于粗同轴电缆的10 Mbps以太网。
回帖成功
经验值 +10
全部回复(4 )
只看楼主 我来说两句-
土木小唐
沙发
2023-03-28 14:27:28
赞同0
-
shilaoqi
板凳
2023-01-30 12:03:30
赞同0
加载更多不错,收藏!
回复 举报
谢谢谢谢楼主的分享!
回复 举报