土木在线论坛 \ 电气工程 \ 电气工程原创版块 \ 电阻的串联、并联及混联电路的介绍及作用

电阻的串联、并联及混联电路的介绍及作用

发布于:2023-01-11 16:37:11 来自:电气工程/电气工程原创版块 [复制转发]

知识点:串联电阻

一、电阻的串联电路

将两个或两个以上电阻依次连接起来,中间无分支的连接方式叫做串联。如图。

图片电阻的串联

电阻串联电路具有以下特点:

(1)流过每个电阻的电流都相等,即电流强度处处相等。

图片串联电阻的电流关系

(2)电路两端的总电压等于各电阻两端的电压之和。

图片串联电阻的电压关系

(3) 串联电路的总电阻等于各串联电阻的代数和。

图片串联电阻的阻值关系

(4)电阻串联电路的电压分配与阻值成正比。

(5)串联电路中各个电阻消耗的功率跟它的阻值成正比。

串联电阻的作用:

(1)限流。比如在接LED灯的电路中,都要串联一个电阻进行限流,因为LED灯一般的工作电流在几毫安~十几毫安,如果不串联电阻可能就会导致流过LED的电流远大于正常值,而烧坏LED。

(2)分压。仍然是LED灯的电路,LED灯正工作的电压是1伏~3伏左右,在正常设计电路时不可能为LED灯专门设计一个电源,实际设计中就串联电阻来进行分压,来让LED灯正常工作。

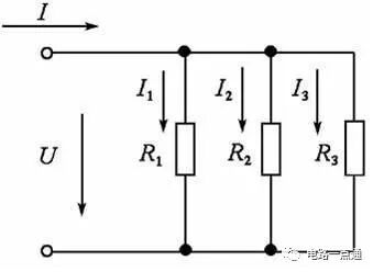
二、电阻并联电路

两个或两个以上电阻,接在电路中相同的两点之间,使每一电阻两端电压相同的连接方式,叫做电阻的并联。

图片电阻并联

(1)电阻两端的电压都相等。

图片并联电阻的电压关系

(2)电路中的总电流等于各电阻中的电流之和。

图片并联电阻的电流关系

(3)并联电路的总电阻(等效电阻)的倒数,等于各并联电阻的倒数之和。

图片并联电阻的阻值关系

(4)电路的电流分配与阻值成反比。

(5)电阻并联电路的功率分配与阻值成反比。

并联电阻的作用:

(1)分流。比如说我们在设计电流源的时候,有一个采样电阻,要求采用电阻阻值要小,功率要大。但是手头上没有足够大小的功率的电阻时候,就可以选择多个小阻值的电阻并联。那么每个电阻需要的功率的就不会很高就可以完成设计的需求。

三、电阻混联电路

既有电阻的串联,又有电阻的并联的电路,称为电阻的混联电路。

画等效电路图的一般步骤如下:

(1)按电路结构,在电路的各连接点上标注字母。

(2)忽略导线电阻,若两连接点间无电阻,则两点是等电位点,可认为是同一点,标注相同字母。

(3)从一待求端出发,按电路结构或电流分合依次画出方向和结构清晰的电路图。


相关推荐:

1、GB5226.1-2008 机械电气安全

2、GB19517-2009国家电气设备安全技术规范


  • 土木小唐
    土木小唐 沙发

    收藏!

    2023-03-28 14:21:28

    回复 举报
    赞同0
这个家伙什么也没有留下。。。

电气工程原创版块

返回版块

2.2 万条内容 · 598 人订阅

猜你喜欢

阅读下一篇

电气中的电场强度

知识点:电场强度 【学习目标】 1.理解静电场的存在、静电场的性质和研究静电场的方法. 2.理解场强的定义及它所描写的电场力的性质,并能结合电场线认识一些具体静电场的分布;能够熟练地运用电场强度计算电场力. 3.理解并能熟练地运用点电荷的场强和场强的叠加原理,弄清正、负两种电荷所产生电场的异同,以此为根据认识电荷系统激发的场. 【要点梳理】 要点一、电场、电场强度 要点诠释: 1、电场

回帖成功

经验值 +10