风机盘管系统是传统的中央空调系统中应用最广的设备,也是社会保有量最大的空调设备。传统上风机盘管系统的控制比较简单,最原始的产品是机械式的三速开关温控器。
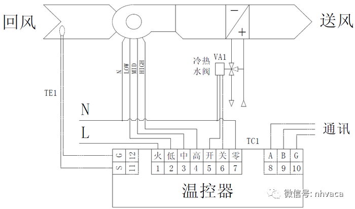
1.两管制冷热合用型风机盘管系统

两管制冷热合用型系统由温控器、风机盘管和电动阀组成。电动阀根据不同的应用系统有两通阀和三通阀。系统不设置旁通时选用两通阀;三通阀应用在系统设置有旁通时,正常制冷或者供热时,冷水/热水流经盘管流回,不需要制冷或者供热时冷水/热水流经旁通流回,不流过盘管系统。电动阀根据不同的控制原理又分为两线阀和三线阀。
工作原理:两管制冷热合用系统在夏季制冷时冷冻水在系统中循环;冬季制热时热水在系统中循环。温控器实时检测房间温度并和设定温度进行比较,根据比较结果控制电动阀的通断,从而使房间温度保持恒定。
系统配线要求:
强电线缆建议使用BV1.0单股铜线,不控阀系统布5 根线,两线阀系统布6 根,三线阀系统布7 根。
2.两管制带电加热型风机盘管系统

两管制带电加热型系统由温控器、风机盘管、电动阀、电加热器和接触器等组成。
工作原理:温控器实时检测房间温度并和设定温度进行比较,根据比较结果控制电动阀和电加热器的通断,从而使房间温度保持恒定。
系统配线要求:强电线缆建议使用BV1.0单股铜线,需布7根线。
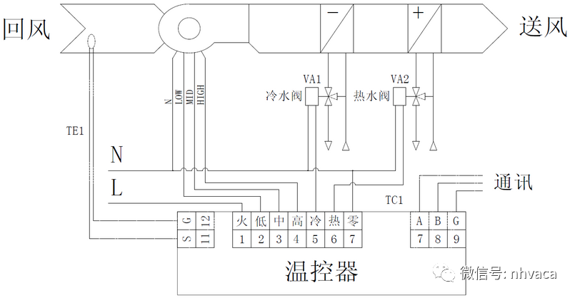
3.四管制风机盘管系统

四管制系统由温控器、风机盘管、电动阀VA1 和VA2 组成。电动阀根据不同的应用系统有两通阀和三通阀。系统不设置旁通时选用两通阀;三通阀应用在系统设置有旁通时,正常制冷或者供热时,冷水/热水经盘管流回,不需要制冷或者供热时冷水/热水经旁通流回。
工作原理:四管制系统包含独立的冷冻水和热水两套换热装置,打开冷水阀系统供冷,打开热水阀系统供热。温控器实时检测房间温度并和设定温度进行比较,根据比较结果控制电动阀VA1和VA2 的通断,从而使房间温度保持恒定。
系统配线要求:强电线缆建议使用BV1.0单股铜线,需布7根线。
4.一控多风机盘管系统

注:图例中同时出现两管制和四管制系统,只是为了说明系统接线,不是指同一工程会出现两种系统。
系统组成:一控多风机盘管系统主要应用在大空间里有多个风机盘管的场合,系统由分体温控器、驱动模块、风机盘管、电动阀等组成。
工作原理:一控多风机盘管系统由分体温控器连接驱动模块控制多路风机盘管,同启同停。温控器实时检测房间温度并和设定温度进行比较,根据比较结果控制电动阀的通断,从而使房间温度保持恒定。
系统配线要求:驱动模块电源线建议采用BV2.5单股铜线。驱动模块到风机盘管电缆建议采用BV1.0单股铜线,不控阀时布3根,两管制两线阀时布4根,其它情况布5根电缆。温控器和驱动模块之间的连接线缆建议采用RVV0.5规格的软线,不控阀时布5根,两管制两线阀时布六根,其它情况布7根。线缆的最大允许长度10m。
本文来源于网络,如有侵权,请联系删除
知识点:独立型风机盘管控制系统
相关推荐:
0人已收藏
0人已打赏
免费8人已点赞
分享
通风排烟
返回版块13.92 万条内容 · 628 人订阅
阅读下一篇
各种阀门的优缺点分析选择阀门主要依据是阀门的流量特性曲线,和阀权值等参数.球阀属于快开阀,一般用于有快开快关的场合,管径也比较小.闸阀阻力小,关闭后密闭性好,内漏少,常用于干管的关断;截止阀阻力大,阀权值高,所以用来调节末端的流量比较合适;碟阀体积小,可以调节阀瓣的形状来设计成不同流量特性的阀门,有关断,调节,管径也能做得很大,选择时有样本参照最好! 阀门的选择的主要依据是管路系统的要求要与阀门的流量特性曲线相适应,一般来讲截止阀主要用于流量的调节,但其自身的阻力较大,且盘根容易漏水;闸阀的阻力较小且关断性较好,但不利于流量的调节;球阀适用于快速关断系统,一般管径较小;蝶阀的体积小,结合截止阀、球阀的优点,既可调节,又有比较好的关断性,管径也比较大,适用范围比较广,分热水、冷水两种。
回帖成功
经验值 +10
全部回复(4 )
只看楼主 我来说两句-
池子也
沙发
2023-01-12 10:40:12
赞同0
-
夏目友人赖帐
板凳
2023-01-11 17:19:11
赞同0
加载更多谢谢分享
回复 举报
谢谢楼主分享,学习了~!
回复 举报