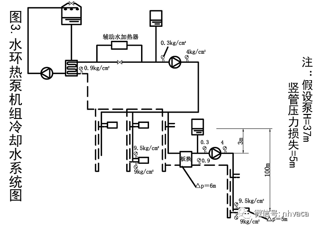
水系统图:




水力计算:
管内流量的确定:
机房内及送回水主管按冷冻水泵流量;
干支管流量按所负责末端设备之流量乘小于1的系数但不超过冷冻水泵之流量。
管路及阀门配件的承压:
在设备材料表中给出(特别是高层建筑)。
材料:
DN≤32:用镀锌钢管 丝扣连接;
32≤DN≤250:无缝钢管焊接;冷冻水亦可用黑铁管压制弯头电焊接;阀门用法兰连接;
DN>250 螺旋斜缝焊接钢管电焊连接。
保温:福乐斯等橡塑发泡材料。
本文来源于网络,如有侵权,请联系删除
知识点:水系统管路设计与材料简要选择
相关推荐:
0人已收藏
0人已打赏
免费1人已点赞
分享
制冷技术
返回版块14.67 万条内容 · 883 人订阅
阅读下一篇
暖通空调变流量水系统中的定压差技术随着人们生活品质要求、节能意识的不断提高以及空调系统的大型化,变流量水力系统在暖通空调工程中占据越来越重要的位置。变流量系统在运行过程中各分支环路的流量是随着外界环境负荷的变化而变化的,因此对系统的水力平衡和调节提出了很高的要求。目前为了解决暖通空调变流量水力系统的动态水力平衡和调节问题,定压差技术得到了广泛的应用,同时为什么以及如何使用定压差技术也成为暖通空调设计界的一个热点。 一、为什么在变流量系统中必须使用定压差技术:
回帖成功
经验值 +10
全部回复(1 )
只看楼主 我来说两句 抢板凳谢谢楼主分享,学习了~!
回复 举报