土木在线论坛 \ 电气工程 \ 电气工程原创版块 \ 互感器基本知识

互感器基本知识

发布于:2022-12-19 15:03:19 来自:电气工程/电气工程原创版块 [复制转发]

知识点:互感器

互感器又称仪用变压器,是电流互感器和电压互感器的统称。互感器利用电磁感应原理,将高电压变成低电压、大电流变成小电流,是一种特殊的变压器。

一、互感器的作用
电流互感器将高压系统中的电流或低压系统中的大电流,变成低压的标准的小电流(5A或1A);电压互感器将系统的高电压变成标准的低电压(100V或100/√3V)。互感器的作用是:
1、配合电气仪表,测量线路和设备的电流、电压、电能;
2、配合继电保护及自动装置,对系统和设备进行过电流、过电压、过负荷和单相接地等保护;
3使二次设备和工作人员与一次高压之间进行电气隔离,且二次侧有一点接地,保证了设备和人身的安全; 
4、使电流和电压变换成统一的标准值,以利于仪表和继电器的标准化;
5、使二次设备用低电压、小电流连接控制,以便于集中控制;
6、使二次回路不受一次系统的限制,从而使接线简单化。
二、互感器的特点
1、电流互感器
1)一次绕组串联在被测电路中,匝数很少,一般为一匝或几匝。一次电流完全取决于被测电路的负荷电流,而与二次负载无关。二次绕组匝数多,二次侧额定电流为5A或1A。
2)二次侧所串接的测量仪表和继电器的电流线圈阻抗很小,正常运行时接近于短路状态,因此一、二次感应电动势和端电压都很低,不超过十几伏。
3)运行中二次侧绝不允许开路。若二次开路,铁芯内的磁通将剧增,引起铁芯严重饱和,磁通波形畸变为平顶波;由于副绕组匝数多,感应电动势与磁通变化率成正比,因此,磁通过零时副绕组将产生很高的尖顶波电动势,峰值可达数千伏甚至万伏,这对工作人员和二次回路中的设备都有很高的危险;同时由于铁芯磁感应强度和铁损剧增,将使铁芯过热而损坏绝缘。
4)为防止电流互感器二次侧开路,规定二次侧不得装设熔断器,在运行中若需拆除仪表和继电器时,必须先用导线或短路压板将二次回路短接,以防止开路。
2、电压互感器
1)从结构上讲是一种小容量、高变比的降压变压器,但它不输送电能,仅作为测量和保护用的标准电源。
2)二次回路的负载为阻抗恒定且很大的测量表计和继电保护及自动装置的电压线圈,二次工作电流小,相当于变压器的空载运行状态,消耗功率很小,二次电压基本上等于二次电动势,只取决于恒定的一次电压,所以测量电压具有一定的准确级。
3)二次绕组不能短路。由于电压互感器的正常负载是阻抗很大的仪表或继电器电压线圈,而发生短路后,二次回路阻抗仅仅是互感器二次绕组的阻抗,因此在二次回路中会产生很大的短路电流,影响测量表计的指示,造成继电保护误动,甚至烧毁互感器。
4)二次绕组及零序电压绕组的一端必须接地,否则在线路发生故障时,在二次绕组和零序电压绕组上将感应出高电压,危及仪表、继电器和人身安全。
三、互感器的型号含义
1、电流互感器
电流互感器可以按用途、结构型式、绝缘型式及一次绕组的型式来分类,如下图所示,电压流互感器的型号通常用横列拼音字母及数字表示。
图片
第一个字母L表示电流互感器;第二个字母表示一次绕组型式或安装方式;第三个字母表示绝缘、结构形式;第四个字母表示结构形式或用途。
2、电压互感器
电压互感器按其结构形式,可分为单相、三相、双绕组、三绕组以及户外装置、户内装置等。如下图所示,电压互感器的型号通常用横列拼音字母及数字表示。
图片
第一个字母J表示电压互感器;第二个字母表示相数;第三个字母表示绝缘形式;第四个字母表示结构形式。
四、互感器的工作原理
1、电流互感器
电流互感器是按电磁感应原理工作的,一次绕组匝数很少,串联在被测线路里。二次绕组匝数较多,与测量仪表和继电器的电流线圈串联。运行中一次绕组内的电流取决于线路的负载电流,与二次负载无关。由于接在二次绕组内的测量仪表和继电器的电流线圈阻抗都很小,所以电流互感器在正常运行时,接近于短路状态,相当于一个短路运行的变压器。
2、电压互感器
电压互感器是利用电磁感应原理工作的,一次绕组匝数较多,二次绕组匝数较少,使用时一次绕组与被测量电路并联,二次绕组与测量仪表或继电器等电压线圈并联。由于测量仪表、继电器等电压线圈的阻抗很大,因此,电压互感器在正常运行中相当于一个空载运行的降压变压器,其二次电压基本上等于二次电动势值,且取决于恒定的一次电压值,所以电压互感器在准确度所允许的负载范围内,能够精确地测量一次电压。
五、互感器的主要参数
1、电流互感器
1)变流比
电流互感器的变流比是指一次绕组与二次绕组额定电流之比。由于电流互感器二次绕组的额定电流都规定为5A或1A,所以变流比的大小取决于一次额定电流的大小。
2)误差和准确级次
(1)电流互感器的测量误差分为两种:一种是变比误差,简称比差;另一种是相角误差,简称角差。
(2)电流互感器的准确级次是以最大比差和角差来区分的,准确级次在数值上就是比差限值的百分数。
3)电流互感器的容量
电流互感器的容量是指其允许接入的二次负载功率Se(VA),由于Se=I22eZfz。其中Zfz为二次负载阻抗,I2e为二次线圈额定电流(均为5A),因此通常用额定二次负载阻抗(Ω)来表示。
4)保护用电流互感器的10%倍数
所谓10%倍数就是指一次电流倍数增加到n倍(一般规定6~15倍)时,电流误差达到10%,此时的一次电流倍数n称为10%倍数。10%倍数越大表示互感器的过电流性能越好。
5)热稳定及动稳定倍数
电流互感器的热稳定及动稳定倍数,是表示互感器承受短路电流热作用和机械力作用的能力。
2、电压互感器
1)变压比
电压互感器通常在铭牌上标出一次绕组和二次绕组的额定电压,变压比是指一次与二次绕组额定电压之比K=U1e/U2e
2)误差和准确级次
(1)电压互感器的测量误差分为两种:一种是变比误差,另一种是角误差。
(2)电压互感器的准确级是以最大比差和角差来区分的。由于电压互感器的误差与二次负载的大小有关,所以同一电压互感器对应于不同的二次负载容量,在铭牌上标注几种不同的准确级次,而电压互感器铭牌上所标定的最高的准确级次,称为标准准确级次。
3)电压互感器的容量
电压互感器的容量是指二次绕组允许接入的负荷功率,分为额定容量和最大容量两种,以VA值表示。
(1)额定容量
由于电压互感器的误差是随二次负载功率的大小而变化的,容量增大,准确度降低,所以铭牌上每一个给定容量是和一定的准确级次相对应的,通常所说的额定容量是指对应于最高准确级次的容量。
(2)最大容量
最大容量是允许发热条件规定的极限容量,除特殊情况及瞬时负荷需用外,一般正常运行情况下,二次负荷不应达到这个容量。
4)接线组别
电压互感器的接线组别,是指一次绕组与二次绕组线电压间的相位关系。10kV系统常用的单相电压互感器,接线组别为I,IO;三相电压互感器接线组别为Y,yn0或YN,yn0。
六、互感器的极性及其测定方法
1、电流互感器
1)电流互感器的极性
(1)所谓电流互感器的极性就是指其一次线圈和二次线圈间电流方向的关系。按照规定,电流互感器一次线圈的首端标为L1,尾端标为L2,二次线圈的首端标为K1,尾端标为K2。在接线中,L1和K1称为同极性端,L2和K2也为同极性端。
图片
(2)如上图所示,假定一次电流I1从首端L1流入,从尾端L2流出时,感应的二次电流是从首端K1流出,从尾端K2流入;或者当电流互感器一、二次线圈同时在同极性端子通入电流时,它们在铁芯中产生的磁通方向相同,这样的电流互感器极性标志称为减极性。反之,将K1和K2的标志调换位置时,称为加极性。常用的电流互感器,除特殊情况外,均采用减极性标志。
(3)电流互感器的极性预先没有检查出来,或者在接线时将互感器极性弄错,如果将它用在继电保护回路中,将会引起继电保护装置的错误动作;如果用在仪表计量回路中,将会影响功率表和电度表的正确测量。
2)电流互感器极性的测定
测定电流互感器极性的常用方法有以下几种:
图片
(1)直流法 
接线如上图所示,在电流互感器的一次线圈(或二次线圈)上,通过按钮开关AN接入1.5~3V干电池E。L1接电池正极,L2接电池负极。在二次线圈两端接以低量程直流电压表或电流表。仪表的正极接K1,负极接K2。当将按钮开关AN按下,电路接通时,若电压表或电流表指针正起,AN断开时,指针反起则为减极性。反之为加极性。直流法测定极性,简便易行,结果准确,是现场最常用的一种方法。
图片
(2)交流法
接线如上图所示,将电流互感器一、二次线圈的尾端L2、K2联在一起,在匝数较多的二次线圈上通以1~5V的交流电压U1,再用10V以下小量程交流电压表分别测量U2及U3的数值,若U3=U1-U2,则为减极性;若U3=U1+U2,则为加极性。
在试验中应注意使通入的电压U1尽量低,只要电压表的读数能看清即可,以免电流太大损坏线圈。为读数清楚,电压表的量程应选小些。
当电流互感器的变比在5及以下时,用交流法测定极性既简单又准确;但电流互感器的变比较大(10以上)时,因U2数值较小,U3与U1数值接近,电压表读数不易区别大小,故不宜采用此法测定极性。
(3)仪器法
一般的互感器校验仪都带有极性指示器,因此在测定电流互感器误差之前,仪器可预先检查极性,若极性指示器没有指示,则说明被试电流互感器极性正确(减极性)。
2、电压互感器
1)电压互感器的极性
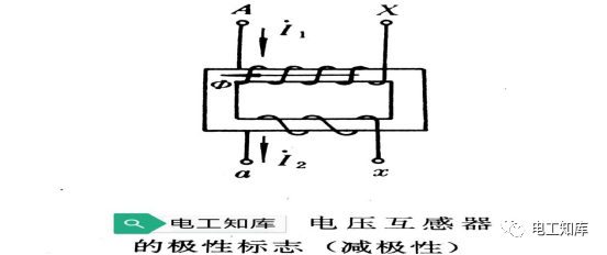
图片
(1)如上图所示,按照规定电压互感器的一次线圈的首端标为A,尾端标为X,二次线圈的首端标为a,尾端标为x。在接线中,A与a及 X与x均称为同名端。
(2)假定一次电流I1从首端A流入,从尾端X流出时,二次电流是从首端a流出,从尾端 x流入,这样的极性标志称为减极性。反之为加极性。常用的电压互感器,一般均为减极性标志。
(3)电压互感器的极性错误能引起继电保护装置的错误动作或影响电度计量的正确性,因此电压互感器的极性必须检查正确。
2)电压互感器极性的测定
电压互感器极性的测定方法和电流互感器相同。
七、互感器的常用接线方式
1、电流互感器
根据继电保护装置的不同要求,电流互感器有多种接线方式,常用的有星形接线、不完全星形接线、两相差接线和三角形接线。
1)星形接线
如下图所示,由三个电流互感器和三个电流继电器组成。
图片
(1)这种接线方式在中性点直接接地的电力系统中,对任何形式的短路故障都能起到保护作用;在中性点不直接接地的电力系统中,对单相接地以外的任何故障也能起到保护作用。
(2)这种接线方式常用于35KV以上中性点直接接地的电力系统,以及在中性点不直接接地的电力系统中,作为容量较大的发电机和变压器的保护。
2)不完全星型接线
如下图所示,由两个装于U、W相上的电流互感器和两个电流继电器组成。
图片
(1)这种接线方式在中性点不直接接地的系统中,除某种形式的两点接地故障(如图中K1、K2接地)外,对其他各种相间短路故障均能起到保护作用。它的缺点是在保护丫/△接线及Y/Y n接线的变压器时,在某些故障情况下灵敏度较低。
(2)这种接线方式常用于35KV容量较小的变压器,以及10KV中性点不接地系统中的变压器保护。
3)两相差接线
如下图所示,两只电流互感器分别装在U、W相上,一只电流继电器KA接于两相电流差回路。
图片
(1)这种接线方式在中性点不直接接地系统中,除图中K1、K2两点接地短路保护不动作外,对其他任何形式的相间短路故障均能起到保护作用。
(2)这种接线方式仅适用于作为线路或电动机的保护,不能用于丫/△接线及Y/Y n接线的变压器的保护,因为变压器二次侧U、V相间短路或V相对地短路,流过继电器的故障电流为零。
4)三角形接线
如下图所示,由三个电流互感器和三个电流继电器组成。
图片
(1)这种接线方式在中性点直接接地的电力系统中,对任何形式的短路故障都能起到保护作用;在中性点不直接接地的电力系统中,对于单相接地以外的任何短路故障也都能起到保护作用。
(2)这种接线方式比较复杂,投资多,只用于容量较大的丫/△接线变压器采用差动保护时,为改变星形侧电流的相位。
2、电压互感器
1)一台单相电压互感器的接线
图片
(1)用途
一台单相电压互感器在35kV及以下中性点不接地或不直接接地系统中,可用来测量某一相间电压,用于连接电压表、频率表、继电器等。在110kV及以上中性点直接接地系统中,可用来测量相对地电压,用于连接各种仪表和继电器等。
(2)特点
这种接线方式根据一次系统中性点接地方式的不同而用途有所不同。为了安全起见,二次绕组必须有一端(通常取X端)接地。
2)两台单相电压互感器的V,v接线
图片
(1)用途
两台单相电压互感器V,v接线又称不完全三角形接线,应用于中性点不接地或经高阻抗接地的20kV及以下系统中,可以获得对称的三个线电压,但不能获得相电压,可用于只需要线电压的电能、功率的测量、继电保护、安全自动装置等,不能用于绝缘监察和接地保护,使用时具有局限性。
(2)特点
这种接线方式,接线简单、经济,由于一次绕组没有接地点,减少了系统中的对地励磁电流,避免产生内过电压。为了安全起见,通常将二次绕组V公共点接地。
3)一台三相电压互感器的Y0,y0,d接线
图片
(1)用途
一台三相五柱式电压互感器的Y0,y0,d接线,一、二次侧都接成星形,中性点接地,其辅助绕组接成开口三角形,广泛应用于3~15kV系统中,用于连接各种仪表、继电保护、安全自动装置、接地信号等。
(2)特点
这种接线方式,接线比较复杂,能满足各种测量仪表、绝缘监察、继电保护、安全自动装置等的要求,使用的比较多。为了安全起见,要在一、二次绕组中性点接地。
4)三台单相电压互感器的Y0,y0,d接线
图片
(1)用途
三台单相电压互感器Y0,y0,d接线,一、二次侧都接成星形,中性点接地,其辅助绕组接成开口三角形,广泛应用于35kV及以上的高压电力系统中,用于连接各种仪表、继电保护、安全自动装置、接地信号等。
①用于中性点不接地或经消弧线圈接地的35kV系统时,电压互感器的一次绕组按相电压设计,而主绝缘按线电压设计,以满足单相接地时能够安全运行。单相电压互感器辅助绕组的额定电压应为100/√3V。
②用于中性点直接接地的110kV及以上系统中,当发生单相金属性接地时,辅助绕组开口三角形两端电压应为100V,故单相电压互感器辅助绕组的额定电压应为100V。
(2)特点:这种接线方式,接线比较复杂,能满足各种测量仪表、绝缘监察、继电保护、安全自动装置等的要求,使用广泛。为了安全起见,要在一、二次绕组中性点接地。
八、互感器的运行维护
1、电流互感器
1)投入运行前的检查
电流互感器投入运行前,应按有关试验规程的交接试验项目进行试验并合格,还应进行以下几项检查:
(1)充油电流互感器外观应清洁,油量充足,无渗漏油现象;
(2)瓷套管和其它绝缘物无裂纹破损;
(3)一次侧引线、线卡及二次回路各连接部分螺丝应紧固,接触应良好;
(4)外壳及二次回路一点接地应良好。
2)运行中的检查
电流互感器应保持清洁,定期进行清扫,每一至二年进行一次预防性试验。运行过程中应定期检查:
(1)检查瓷质部分是否清洁、完整(应无破损和放电现象);
(2)干式电流互感器外壳应无裂纹,无碳化脆皮发热熔化现象,无烧痕和冒烟现象,无异常气味。
(3)充油式电流互感器的油位、油色应正常,呼吸器完整,内部吸潮剂不潮解。
(4)正常运行中的电流互感器,声音均匀、极小或无声。运行异常时“嗡嗡”声较大,可能是铁芯穿心螺丝夹得不紧,硅钢片松弛,也可能是一次负载突然增大或过载;“嗡嗡”声很大夹杂“吱吱”声,可能是二次回路开路;内部有较大的“噼啪”放电声,可能是线圈故障。
(5)一次导线接头应无过热现象。
(6)仔细检查二次回路导线有无松动处,计量单元的电流电路导线截面积不应小于4mm2的铜导线,辅助单元的控制、信号等导线截面积不应小于1.5mm2的铜导线; 二次回路一点接地良好,各种表计指示正确,无开路现象。
(7)外壳应清洁并接地良好,无渗漏油、严重锈蚀和过热现象。
(8)一般不允许过载,过载时应加强监视,并记录时间、电流。
(9)二次回路开路检查。开路时会有如下现象:
①内部有“吱吱”的放电声,并有振动感。
②端子排可能有打火、烧伤或烧焦现象。
③电流表和功率表指示为零,电能表不转动,而且伴有“嗡嗡”声。
④二次电压升高,可能引起放电,严重时会将绝缘击穿。
⑤因铁芯严重饱和而过热,使外壳温度升高,严重时会烧坏互感器。
3)在运行中的电流互感器二次回路上工作时的注意事项
在运行中的电流互感器二次回路上进行工作,必须按照《电业安全工作规程》的要求填写工作票,并且要注意下列几项:
(1)工作中严禁将电流互感器二次回路开路;
(2)根据需要在适当地点将电流互感器二次回路短路。短路应采用短路片或专用短路线,短路应妥善可靠,禁止采用熔丝或一般导线缠绕;
(3)禁止在电流互感器与短路点之间的回路上进行任何工作;
(4)工作时必须有人监护,使用绝缘工具,并站在绝缘垫上;
(5)值班人员在清扫二次线时,应使用干燥的清扫工具,穿长袖工作服,带线手套,工作时应将手表等金属物摘下。工作中要认真、谨慎,避免损坏元件或造成二次回路断线,不得将回路的永久接地点断开。
2、电压互感器
1)投入运行前的检查
电压互感器投入运行前,应按《电气设备试验规程》交接试验项目进行试验,合格后,还应进行以下检查:
(1)充油电压互感器外观应清洁,油量充足,无渗漏油现象。
(2)瓷套管或其他绝缘介质无裂纹破损。
(3)一次侧引线、线卡及二次回路各连接部分螺丝应紧固,接触应良好。计量单元的电压电路导线截面积不应小于2.5mm2、辅助单元的控制、信号等导线截面积不应小于1.5mm2,导线应为铜导线。
(4)外壳及二次回路一点接地应良好,不应有松动、断开现象。
2)运行中的检查
运行中的电压互感器应保持清洁。每1~2年进行一次预防性试验。运行过程中应定期巡视检查。
(1)外壳应清洁,无渗漏油现象,油位、油色应正常,无异常气味。
(2)瓷质部分应清洁,无破损,无裂纹,无放电现象和闪络痕迹。
(3)呼吸器应完整,内部硅胶不变色。
(4)高、低压熔丝及小开关应接触良好,无短路、断路和异常声响。
(5)内部无放电声音和其它异常声响。
(6)接地应良好,各部连接牢固,无松动,过热现象。
(7)表计指示正常,无异常信号。
3)运行中电压互感器的维护
(1)电压互感器能在1.1倍额定电压下长期运行,并能在8h内无损伤地承受2倍(35kV为1.9倍)的额定电压。
(2)电压互感器运行中的注意事项
①电压互感器在运行中,二次回路不允许短路。
②如果发现电压互感器一次侧绝缘有损伤现象,应使用断路器将故障的电压互感器切断,禁止使用隔离开关或取下熔丝管等方法停用故障的电压互感器,因为它们都没有灭弧功能,若使用它们断开故障的电压互感器,故障电流将引起母线、设备损坏或发生人身事故。
九、互感器的异常运行与处理
1、电流互感器
1)二次开路的处理
当运行中的电流互感器发出噪声,电流型仪表指示摆动或为零时,电流互感器可能二次开路。二次开路的电流互感器会感应出危险的高电压危及设备和人身安全。应作如下处理:
(1)在靠近电流互感器最近的端子排上将二次回路短接,短接时一定要穿绝缘靴,戴绝缘手套,用带绝缘把手的工具在监护人监护下工作。
(2)若短接后开路现象仍未消除,则可能是互感器本身接线端子或内部开路。此时应立即报告调度,将电流互感器退出运行后进行修理。
2)其他故障的处理
互感器发生下列故障时,应立即汇报上级,切断电源进行处理。
(1)内部发出异味或冒烟、着火;
(2)内部放电、声音异常或引线与外壳间有火花放电;
(3)主绝缘发生击穿,造成单相接地故障;
(4)充油式电流互感器漏油、漏胶。
2、电压互感器
1)熔断器熔断或二次回路断线
中央信号屏发出“TV电压回路断线”的预告信号,并出现光字牌亮、警铃响时,检查电压表可发现未熔断相电压指示不变,熔断相指示降低或为零,与该相有关的电压表指示为相电压值,与该电压无关的表计指示正常。处理步骤如下:
(1)退出互感器所带保护与自动装置,防止保护误动作。
(2)检查二次熔断器是否熔断,如已熔断应立即更换,若再次熔断,应查明原因。如熔断器完好则检查二次回路有无短路现象,有无接触不良。找到故障后应立即处理。
(3)如二次回路正常,应检查一次熔断器是否熔断,更换一次熔断器,应在隔离开关将电压互感器退出运行并做好安全措施后进行。如合闸后再次熔断,则应将电压互感器退出运行,并向主管部门汇报,听候处理。
2)高压熔断器熔断原因分析
(1)系统发生单相间歇性电弧接地;
(2)系统产生铁磁谐振;
(3)电压互感器本身内部出现单相接地或相间短路故障;
(4)二次侧发生短路,但二次侧熔断器未熔断。
高压侧熔断器只保护熔断器安装处至电压互感器本体内的各种故障,对二次回路的故障不起保护作用。
3)其他故障的处理
电压互感器发生下列严重事故时,应用断路器将互感器退出,严禁用取高压熔断器的办法退出互感器。
(1)一次熔断器连续熔断;
(2)漏油、漏胶,瓷套管破碎,外部放电;
(3)着火、冒烟、有糊味儿。

相关推荐链接:

1、异步电机软运行机理探究

2、同步发电机运行技术与实践


全部回复(0 )

只看楼主 我来说两句抢沙发
这个家伙什么也没有留下。。。

电气工程原创版块

返回版块

2.2 万条内容 · 597 人订阅

猜你喜欢

阅读下一篇

660MW机组滑参数停机操作指南

知识点:电气止滑器 660MW机组滑参数停机操作指南 一、滑停过程中有关参数的控制

回帖成功

经验值 +10