知识点:蓄热器
蓄热器在消失模泡沫模样生产中的应用,
在消失模铸造生产过程中,泡沫模样的质量非常重要。
在泡沫模样的生产过程中,压力稳定的干燥的饱和蒸汽来源是稳定的生产工艺的保障。
痛点:由于成型机是间歇用汽,每台机器的用汽时间又不固定,因此当多台机器刚好同时需要供汽时会造成供汽管道内蒸汽压力较大的波动。
普通的解决方法:为解决这个问题,目前大家通常的做法是加装蒸汽储汽罐,但是受到各方面因素的限制,储汽罐的容量有一定的限度,不能很好地解决压力波动问题,而且储汽罐内的冷凝水会随蒸汽排出,使蒸汽中含有水份。
我们推荐的解决方法:蓄热器
蒸汽蓄热器是储存蒸汽热能的一种热力设备,用于热负荷波动较大的供汽系统,可对波动负荷平衡供汽,使锅炉运行负荷稳定。
节能效果显著,环保效果明显。据工程实例统计,一般可节省燃料5%-20%左右。
蓄热器属于压力容器,其设计、制造、安装、使用和管理必须严格执行相关的国家标准。
国外在泡沫成型时为稳定蒸汽压力,确保获得饱和蒸汽普遍采用蓄热器。
国内目前只有龙工,合力,全柴等少数几家使用进口成型设备的厂家使用蓄热器,它是国外成型机生产厂家要求必须配备的设备。
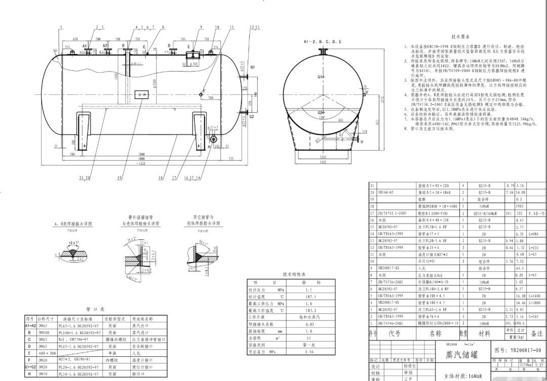
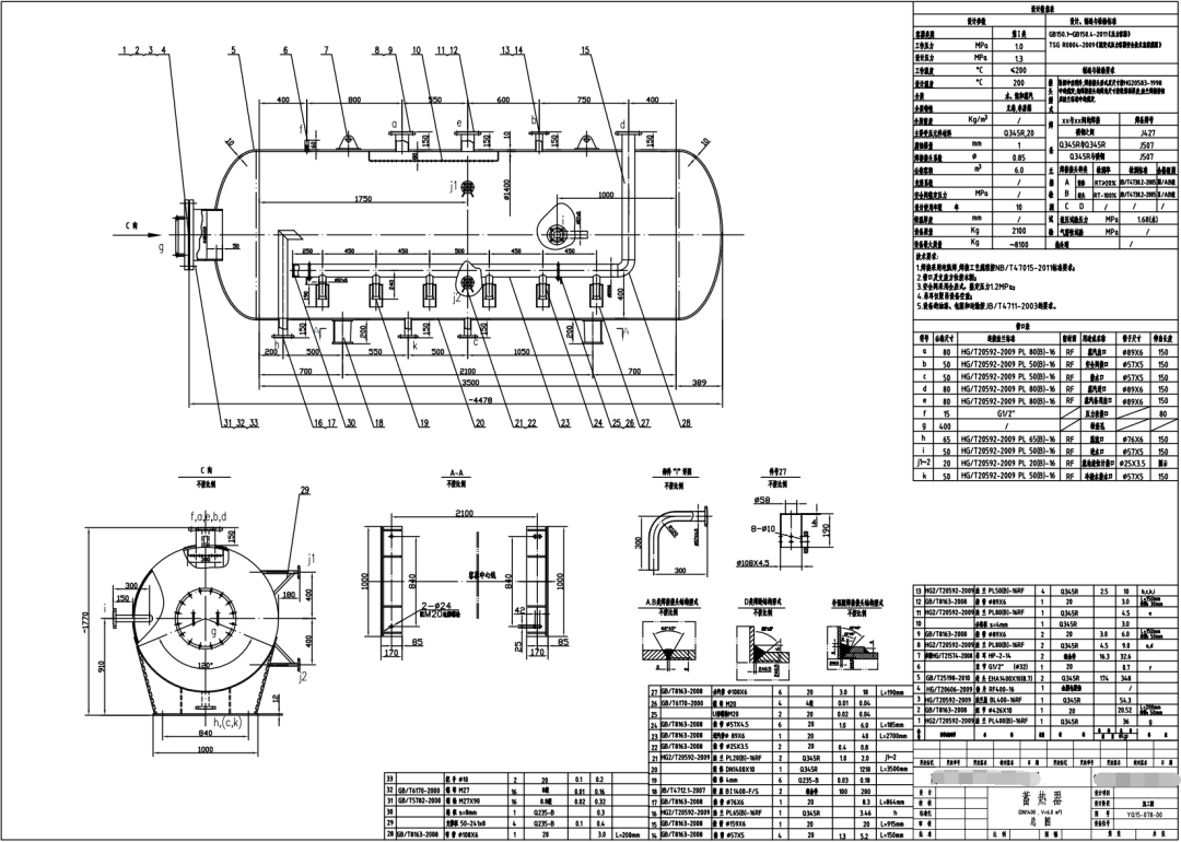
01 蓄热器的实物图片




02 蓄热器的工作原理
蓄热器原理图,

如上图所示,它是钢制的圆筒形压力容器,外壁用保温材料包裹,由蓄热器壳体、内部充热装置、顶部汽水分离器、固定支座,以及水位计、压力表、安全阀、温度计等安全附件组成。
容器设有蒸汽进出口、补水、防水、排污、放气等接管。
内部充热装置和顶部集汽包是蓄热器的重要组成部分。
蓄热器在工作时器内储存约占总体积50%以上的高压饱和水,水面以上为蒸汽空间。
当外界用汽量小于锅炉的供汽能力时,多余的蒸汽经蒸汽分配管和喷嘴后注入水中,使水温升高(例如4kg压力时水温可升至超过140度),这是蓄热过程;
当外界用汽量大于锅炉供汽能力时,蓄热器排气管中蒸汽压力下降,此时因水温高于降压后的压力所对应的饱和温度,高压饱和水迅速汽化产生蒸汽输送至排汽管中,以弥补用汽的不足,这是放热过程。
在这个过程中,利用特殊设计的波形板汽水分离器,蒸汽可以排出,且不会把水带走,只排出干的蒸汽,这个是蓄热器的技术所在。
由于一升水在四公斤压力时大约能产生四百多升的蒸汽,因此蓄热器相当于一个巨大的储汽源,能够为设备提供压力稳定的饱和蒸汽。
03 蓄热器的工程图纸


由其图纸可见,蓄热器相比于一般的储气罐,它的内部并非空的,而是有其特殊设计的结构所在,以实现稳定的蓄热和放热的过程,达到节能的效果。
结合消失模铸造厂的一般情况,推荐10台以内的成型机厂家选择6立方米的蓄热器。
04 推荐生产厂家
笔者经过多个厂家的考察对比,在此着重推荐 南通源泉压力容器有限公司,
其加工焊接的实力较强,且有罐身整体焊缝X光探伤的能力,保证了蓄热器作为压力容器的安全和可靠。
相关推荐链接:
0人已收藏
0人已打赏
免费1人已点赞
分享
电气工程原创版块
返回版块2.2 万条内容 · 596 人订阅
阅读下一篇
这四种除尘器的工作原理你知道吗?知识点:除尘器 布袋除尘器、静电除尘器、滤筒除尘器、湿电除尘器 一 、布袋除尘器 除尘器的工作原理如下:含尘气体由下部敞开式法兰进入过滤室,较粗颗粒直接落入灰仓,含尘气体经滤袋过滤,粉尘阻留于袋表,净气经袋口到净气室,由风机排入大气。当滤袋表面的粉尘不断增加,程控仪开始工作,逐个开启脉冲阀,使压缩空气通过喷口对滤袋进行喷吹清灰,使滤袋突然膨胀,在反向气流的作用下,赋予袋表的粉尘迅速脱离滤袋落入灰仓,粉尘由卸灰阀排出。
回帖成功
经验值 +10
全部回复(0 )
只看楼主 我来说两句抢沙发