知识点:洗涤器
1 概述
尿素生产工艺主要有CO2汽提法工艺、氨汽提法工艺、水溶液全循环法工艺等,目前大型尿素装置主要采用CO2汽提工艺和氨汽提工艺。各种工艺主要区别在于高压圈工艺参数、分解回收系统流程设置以及设备结构的不同。
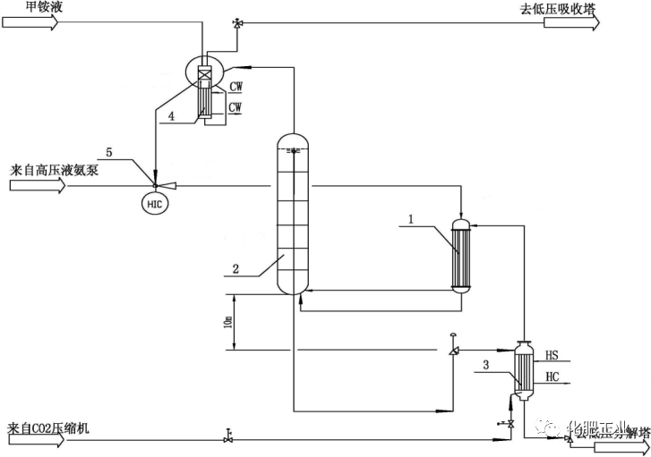
CO2汽提法工艺的高压圈(流程图见图1),虽然各专利商流程设置以及设备结构有所不同,但设备一般包括四大件:尿素合成塔、汽提塔、高压甲铵冷凝器及高压洗涤器,其中尿素合成塔、汽提塔、高压甲铵冷凝器是不可或缺的,但某些专利商的工艺中并没有设置高压洗涤器的,它是否可有可无,它的存在能起到何作用呢?下面就此进行分析探讨。

图1 传统CO2汽提法尿素生产工艺的工艺流程图
(1、高压甲铵冷凝器;2、尿素合成塔;3、高压气提塔;4、高压洗涤器;5、高压喷射器)
2 高压洗涤器的作用分析
众所周知,高压洗涤器的作用就是在高压圈等压条件下进一步回收尿素合成塔尾气中的氨和二氧化碳,尽可能地减轻中低压吸收系统的负荷,有利于控制系统水平衡,同时可以回收高品位的热量。
传统CO2汽提法工艺装置是没有中压系统的,高压洗涤器的作用尤为关键,如果合成尾气直接进入低压系统,将导致低压系统严重超压、系统水平衡恶化,装置将无法正常运行,因而是不可或缺的。
由于没有设置中压分解回收系统,相对于氨汽提工艺,传统CO2汽提法工艺的中压蒸汽(2.1MPaG)消耗较高。随着能源价格的不断上涨以及节能减排的要求,目前CO2汽提法工艺的专利商几乎均增设有中压系统,主要目的就是降低中压蒸汽消耗。另外,随着尿素设备材料技术的进步及超级双相钢的应用,高压圈防腐空气量逐步降低,高压洗涤器的冷凝负荷也随之降低。由于高压圈防腐空气量的降低以及增设中压系统,高压洗涤器的作用相对降低,因此,某些专利商的工艺流程中取消了高压洗涤器,从操作运行上来看也是可行的,但对于系统还是有一定的影响。
2.1 尿素合成尾气量
如果高压圈防腐空气量为零,即无氧操作,则尿素合成塔尾气量非常少,因此可以不设置高压洗涤器。但实际上目前还无法实现无氧操作,据公开的资料,最低的防腐空气量要求是:进气提塔CO2气体中氧含量不低于0.3%(v)。下面做一下简单定量计算分析:
若合成氨装置来的CO2气体纯度为98.5%(v,干基),其中氢含量为0.8%(v),则脱氢后进入高压圈CO2气体纯度为:
98.5%/(100 + (0.3 + 0.8/2) × 100 / 21 -(0.8 + 0.8/2)) = 96.44%
每吨尿素经CO2气体带入高压圈的惰性气体量:
1000/ 60×22.4 ×(1/0.9644 - 1)=13.78(Nm3)
假定合成塔操作条件一定,如操作压力14MPag,操作温度183°C,氨碳比(N/C=3.0)、水碳比(H/C=0.5),可以计算出尿素合成塔平衡压力,然后计算出合成尾气中惰性气体含量。在上述条件下,合成尾气中惰性气体含量约为10%(v,干基),尾气中的氨碳比(N/C)为3:1,那么每吨尿素合成尾气中的CO2量为:
13.78 ×(1 / 0.1 - 1)/(1+3)= 31(Nm3) = 1.38(kmol )= 61(kg)
顺便说一下,氨汽提工艺由于高压吸收碳比高,约3.9,高压尾气中的氨碳比(N/C)非常之高,几乎不含CO2气体,所以无需高压洗涤器。
2.2 合成尾气直接进入中压系统的影响分析
(1) 增加中压蒸汽消耗 CO2汽提法工艺增设中压系统的主要目的就是为了将汽提塔负荷往中压分解转移,减少汽提塔负荷,从而降低中压蒸汽消耗。由于中压分解及回收是在等压下进行的,需要平衡尿素系统各种关联关系而寻求最佳的中压系统操作压力,一旦确定了最佳的中压压力,那么中压甲铵液的组成也是确定的,由于合成塔入口水碳比已确定,因此,中压分解及回收的最大负荷以及汽提塔最小热负荷也将随之确定。
如果不设置高压洗涤器,合成塔尾气直接去中压系统,尾气中仍含有一定量的氨和二氧化碳,由于中压回收的最大负荷是一定的,那么,随着这股尾气的加入,势必减少汽提塔热负荷往中压分解的转移,也就是说汽提塔热负荷将相应提高,中压蒸汽消耗增加。汽提塔操作条件下甲铵分解热为:30 000 kcal / kmol;2.1MPa饱和蒸汽冷凝热:450 kcal/kg。
高压洗涤器CO2回收率90%;不设置高压洗涤器,则每吨尿素汽提塔中压蒸汽消耗增加量:1.38×0.9×30 000/450 = 83(kg/t Ur)
当然,也可以通过增加中压冷凝系统的水量来回收合成塔尾气中的CO2及NH3,但这样将导致高压甲铵泵流量增加,合成塔入口水碳比升高,转化率下降,汽提塔热负荷加重,同样会导致汽提塔中压蒸汽消耗增加。由于水碳比升高,不仅汽提塔热负荷加重,其他高压圈设备如合成塔、高压冷凝器以及后续的中低压系统设备、蒸发系统设备等负荷也都将提高,增加设备投资。据初步计算评估,此方法中压蒸汽消耗增加值和上述计算相当,但该方法对系统的不利影响更大,由于此过程计算过于复杂,在此不做详细阐述。
(2)降低中压冷凝回收的效果 合成塔尾气直接去中压系统后,尾气中的惰性气体全部带入中压系统,将降低中压回收系统的有效分压,降低蒸发热能回收段的热效率;中压甲铵液浓度将降低,也将增加合成系统水碳比。由于降压回收,中压冷凝热的品位降低,仅能供一段蒸发器预热,热回收利用效率降低。
(3)中压回收系统安全风险增加 尽管CO2气体采取了脱氢措施,但液氨中溶解有可燃气体,所以合成尾气中仍含有一定量的可燃气体,中压回收系统发生燃爆的风险将增加。
(4)投资 取消高压洗涤器,高压圈设备将减少高压洗涤器及甲铵喷射器,但中压系统将增加相应的冷凝回收设备,如:蒸发热能回收器、中压冷凝器、中压洗涤器等,或增大相关设备规格,总体来看,投资相当或略有降低。
3 小结
综上所述,随着尿素设备超级双相钢材料的应用,高压圈防腐空气量降低以及增设中压回收系统,CO2汽提法工艺尿素装置可以在不设置高压洗涤器的情况下操作运行,虽然高压设备减少,高压圈流程相对简单,但不能就此认为它就具有必然的优点,需要全面系统地分析其优缺点,特别是对于中压蒸汽消耗的增加应有充分认识和了解,以便做出合理的选择。
相关推荐链接:
0人已收藏
0人已打赏
免费1人已点赞
分享
电气工程原创版块
返回版块2.2 万条内容 · 598 人订阅
阅读下一篇
信号隔离器在PLC/DCS控制系统的应用知识点:隔离器 摘要:PLC/DCS控制系统在实际运行过程中经常会出现干扰问题,造成现场仪器出现故障、模拟量显示异常及数据不稳定等现象。信号隔离器能抑制外界干扰,同时对下级设备具有限压、限流的功能,从而实现对设备的防护。 关键词:信号隔离器;PLC/DCS;变频器;干扰 概述: 随着工业自动化程度的不断提高,变频器也得到了非常广泛的应用。作为电力电子器件,变频器中要进行大功率二极管整流,大功率晶体管变压,在输入输出回路产生电流高次谐波,干扰供电系统、负载以及附近其它电气设备。在实际使用过程中,经常遇到变频器谐波干扰问题。
回帖成功
经验值 +10
全部回复(0 )
只看楼主 我来说两句抢沙发