知识点:隔振器
1
在振动工程控制里面,有很多种隔振设计方法,这些方法都是根据机械振动基础理论和工程经验得到的。但这些方法是建立在简化处理的力学模型之上,模型及其边界条件跟实际的结构还是不太一样。因此,直接进行试验测试是一个重要的、必不可少的手段。
2
隔振器特性测量方法有哪些?
原理公式比较简单:K=F/X (1)
式中: K——静刚度(N/mm);F——作用载荷(N);X——载荷作用下的位移变形(mm)
测定隔振器的静刚度就是测量静载-变形特性,一般是小隔振器用简易的重力方法测试,大隔振器用压力试验机测试。作用载荷与其对应的位移变形关系如图2.1所示。

图2.1 静载荷与变形的关系
2.2隔振器动刚度测量
振器的动态特性主要指动刚度和阻尼系数。在实验中将隔振器和质量块构成的一个振动系统进行测量。其系统原型参见图2.2。
一般是先测量振动系统的固有频率,然后进行计算得出动刚度,其计算公式2为:
k=m(2πf)2 (2)
式中 k——隔振器动刚度;m——附加质量块质量;f——振动系统固有频率。
常用三种测量方法:1.固有频率和共振频率法 2.半功率点法 3.自由振动衰减法。

3
评价隔振效果的指标有哪些?
3.1隔振系统的概念
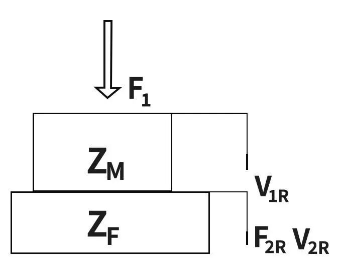
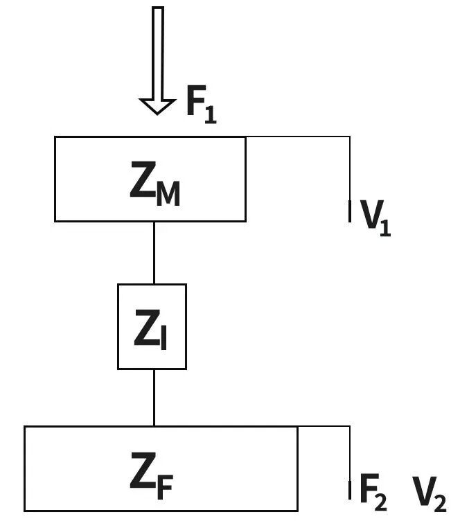
基于隔振原理分析,无论是单层隔振还是双层隔振,在设计阶段都是用传递率的方法来评估隔振器的好坏,但这是建立在大块式刚性基座的假设之上的。工程上有些场景并不满足这种假设,如下图3.1-1弹性安装系统和图3.1-2刚性安装系统的示意对比。为此引入了两个新的评价指标——插入损失和振级落差。
将机组ZM视作一刚性体,将隔振器简化为一具有一定刚度和阻尼的理想元件。
ZM=jωM,ZI=K/jω+C,ZF=F2/V2 (3)
式中F——力 ;V——振动速度;Z——机械阻抗。

3.2三种隔振评价指标的定义
传递率TA定义为传递到底座上的力F2跟扰动力F1的比值,即TA=F2/F1
插入损失LI的公式为LI=20lg(V2R/V2),注意这里除了用振动速度,还可以用力、声压等指标评价
振级落差D定义为机组在弹性安装情况下,在弹性支撑(隔振器)上、下的振动响应比,即D=V1/V2
3.3评价指标的测量
由于扰动力及传递力的实测都是难以实现的,因此一般都不用实测方法来获取传递率,而是用插入损失和振级落差的实测来估计传递率。
插入损失的测量比较耗时费力,对于大型机组基本不可能完成。例如图3.3-1所示的船用发电机组。
表3.1 隔振评价量与测试难易程度
传递率 |
插入损失 |
振级落差 |
难 |
小机组容易,大机组难 |
容易 |

图3.3-1 船用发电机组
振级落差的问题在于是选用速度级落差,还是加速度级落差。这里就有争论了,一般情况下,偏重考虑结构振动传递,则用速度级落差较好,一般使用如图3.3-2所示的速度传感器拾取信号;如果偏重考虑对人的影响或偏重考虑高频问题时,可用加速度级落差,一般使用如图3.3-3所示的加速度传感器拾取信号。对于单频信号来说速度级落差跟加速度级落差是一样的,但要求用总振级来评价时,必须说明是哪一种方式。工程上机械设备的干扰源往往是有多个频率成分组成的,而弹性支撑装置的阻抗特性也是随频率变化的,因此各个频率下的隔振效果是各不相同的。一般是在频谱图中观察V1(f)及V2(f)的变化情况,并以低阶(经验是200HZ以下)主要干扰频率计算的振级落差来评价。
图3.3-2 振动速度传感器(频响:0.17-100HZ)
3.4隔振评价指标对比
传递率的概念是传统的,是建立在大块式刚性基座的假设上的。其缺点是它只是表明了扰动力与传递力之比。并不能反应基座的运动状况,且只适用于低频段。高频振动是以弹性波的形式传播的,与隔振器的刚度无关,主要取决于声阻抗。此外对于非刚性基座,用它来评价隔振效果就显得不够合理。因为在非刚性系统中,由于基座弹性的影响,即使不安装弹性支承,作用到基座上的振动力也将小于扰动力。

从公式4可知,刚性安装系统中,若基座为弹性支撑(即ZF比较小时),F2R也小于F1。
振级落差的最大好处是易于实测,也是目前工程实际中采用得最多的,但它也有缺点。振级落差和机组的阻抗特性ZM无关而只取决于弹性支承和基座的阻抗特性,在隔振器已定的情况下,基座阻抗特性的变化将对振级落差产生很大影响:
当基座刚性很大时,无论扰动频率怎样变化,基座的振动总是一个很小值,即使是源设计错了,使扰动频率和弹性支承机组的固有频率相一致了,基座的振动也不会很大,以至于得出隔振良好的错误评价。
当基座刚性不大时,当扰动频率与基座结构的第一阶固有频率相一致,此时振级落差很小,反而得出隔振效果不佳的片面评价。这是因为振级落差是直接在隔振器上、下测量的,受基座支承面板局部振动的影响极大。
备注:
① 基座的刚度指的是隔振器下面基础的刚度,而不是隔振器本身的刚度。
② 在非刚性基座的情况下,还是插入损失评价隔振效果会比较合理,问题是工程上如何通过振级落差的实例来估算插入损失。
3.5隔振评价指标如何选择?
表3.5 三种评价指标之间的关系

ZF>>ZM时,刚性支座。(LI-LT)差值趋于0,插入损失可替代传递率,经验上范围应该是ZM/ZF≤0.25;(LD-LT)差值趋于∞,用振级落差就不能替代传递率。这就是为什么陆用机组不用振级落差评价隔振效果的原因。
ZF ≈ ZM时,中性支座。经验上范围应该是0.7≤ZM/ZF≤1.4,(LD-LT)差值趋于0,振级落差可替代传递率,此时不能用插入损失替代传递率,也不能用振级落差替代插入损失。
相关推荐链接:
0人已收藏
0人已打赏
免费1人已点赞
分享
电气工程原创版块
返回版块2.2 万条内容 · 598 人订阅
阅读下一篇
熔断器符号aR、gG、gL、aM的含义解析知识点:熔断器 在电气设计中,采用熔断器作为配电线路保护时,很多电气设计人员常将aR、gG/gL、aM型熔断器混淆使用,造成不能对配电线路进行有效保护。 原因是很多电气设计人员都不能区分aR、gG/gL、aM 熔断器符号的含义,因此不能正确选择恰当的熔断器。 所以电气设计人员应该学习和掌握aR、gG/gL、aM 熔断器符号的含义,选择正确的熔断器作为配电线路的保护电器。 熔断器标注的aR、gG/gL、aM 等符号代表的是熔断器的使用功能和保护对象,第1字母表示功能等级,而第2字母是表示被保护的对象。
回帖成功
经验值 +10
全部回复(0 )
只看楼主 我来说两句抢沙发