预应力钢束布置:
24.5m路基较28m路基钢束用量有所减少,同一路基宽度边梁和中梁受力不同,钢束设置也有一定差异。


连续梁的正弯矩钢束布置特点与简支梁相当,负弯矩钢束布置在顶板中,在顶板开设人洞张拉钢束,将负弯矩区顶板适当加厚。


普通钢筋布置:主梁粗钢筋布置时为避免混凝土受拉边缘出现裂缝时,梁不致因配筋过少而脆性破坏,规范要求部分预应力混凝土受弯构件中普通受拉钢筋的截面面积不应小于0.3% 。设计时可控制主筋配筋率在0.5%左右。

为确保预制梁钢筋骨架成型,在箍筋四角均设置有粗钢筋,粗钢筋直径与底板粗钢筋相同。

顶板横向主筋布置:预制主梁顶板钢筋采用 12,布置间距100mm,边梁悬臂设置了护栏防撞加强钢筋,钢筋直径为 16,布置间距为100mm。

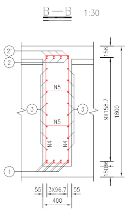
箍筋布置:各跨箱梁腹板箍筋均采用 12钢筋,腹板变厚段到支点箍筋间距采用100mm,跨中段箍筋间距采用200mm。底板箍筋也采用 12钢筋,布置间距同腹板箍筋。

分布钢筋布置:顶板、腹板、底板分布钢筋均采用 10钢筋,腹板、底板分布钢筋间距采用100mm。

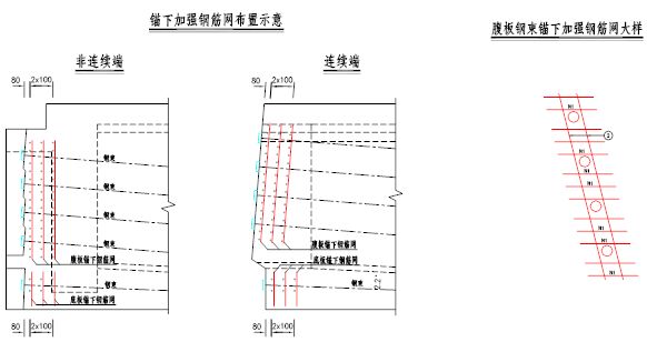
锚下加强钢筋布置:锚下加强钢筋采用φ12钢筋,锚下布置三排,竖向长筋为锚下受力主筋必须设置弯钩,横向短筋采用直筋,未设置弯钩。

湿接缝钢筋布置:湿接缝横向钢筋采用环形钢筋,一般要求湿接缝环形钢筋与主梁外伸钢筋采用绑扎连接,考虑到24.5m路基湿接缝宽度较窄,环形钢筋自锚长度有些不足,要求隔根焊接隔根绑扎。


端横梁钢筋布置:端横梁钢筋分成预制和现浇两部分,两预制梁端横梁钢筋与现浇横梁中的短钢筋采用焊接连接。


中横梁钢筋布置:35m、40m连续箱梁采用墩顶现浇中横梁将前后两孔箱梁连成连续结构。纵向两孔箱梁顶底板粗钢筋采用相同直径的短钢筋进行焊接连接,其它分布钢筋相互绑扎连接。



跨中横隔板钢筋布置:35m、40m跨箱梁跨中设置了跨中横隔板,跨中横隔板分成预制和现浇两部分。两预制梁跨中横隔板外伸钢筋与现浇横梁中的短钢筋采用焊接连接。


调平层中钢筋网采用φ10钢筋现场加工而成,纵横间距10cm×10cm纵向钢筋在中支点处要求保持连续,不得截断。

(内容来源于网络,如有侵权请联系删除)
相关推荐:
知识点:预应力钢束与普通钢筋布置
0人已收藏
0人已打赏
免费0人已点赞
分享
装配式施工
返回版块9504 条内容 · 132 人订阅
阅读下一篇
装配式混凝土结构建筑施工,有这10类重大危险源建筑业现状 传统建造方式与装配式建造方式有何区别 装配式建筑工程术语及种类 1、装配式建筑: 结构系统、外围护系统、设备与管线系统、内装系统的主要部分采用预制部品部件集成的建筑。
回帖成功
经验值 +10
全部回复(0 )
只看楼主 我来说两句抢沙发