遇到情况,借用变动方法、措施。
1
钢号满足设计要求,而生产厂提供的材质保证书中缺少设计提出的部分性能要求。
应做补充试验,合格后方能使用。补充试验的试件数量,每炉钢材、每种型号规格一般不宜少于3个。
2
钢材性能满足设计要求,而钢号的质量优于设计提出的要求,如Q235镇静钢代Q235沸腾钢平炉钢代顶吹转炉钢等。应注意节约,不应任意以优代劣,不应使质量差距过大。
3
钢材品种不全,需要其他专业用钢材代替建筑结构钢材,应把代用钢材生产的技术条件与建筑钢材的技术条件相对照,以保证代用的安全性和经济合理性
4
钢材品种不全,需普通低合金钢相互代用,如用15MnV代16Mn等,要十分谨慎,除力学性能满足设计要求外,在化学成分方面就注意可焊性,重要的结构要有可靠的试验依据
5
钢材性能可满足设计要求,而钢号质量低于设计要求,一般不允许代用。如结构性质和使用条件允许,在材质差距不大的情况下,经设计同意方可代用
6
钢材的钢号和性能都与设计提出的要求不符,应检查是否合理和符合有关规定,然后按钢材设计强度重新计算,改变结构截面、焊缝尺寸和有关节点构造
7
钢材规格(尺寸)与设计要求不符,需以小代大或以大代小,要经计算符合要求后才能代用,不能随意以大代小
8
材料规格、品种供应不全,需用不同规格品种的钢材相互代换,可根据钢材选用原则灵活调整。一般是受拉构件高于受压构件;焊接结构高于螺栓连接结构;厚钢板结构高于溥钢板结构;低温结构高于常温结构;受动力荷载的结构高于静力荷载的结构
9
缺乏钢材品种,需采用进口钢材代用,应验证其化学成分和力学性能是否满足相应钢号的标准
10
成批钢材混合,不能确定钢材的钢号,如用于主要承重结构时,必须逐根进行化学成分和力学性能试验,如试验不符合要求时,可根据实际情况用于非承重结构构件
11
钢材的化学成分与标准有一定偏差,钢材的化学成分如在容许偏差范围以内可以使用,否则按甲类钢使用
12
钢材力学性能所需的保证项目中,有一项不合要求,抗拉强度比规定下限值低5%以内时容许使用,屈服点比规定数值低5%以内时,可按比例折减设计强度;当冷弯合格时,抗拉强度之上限值可以不限
8-1、CV-203-406板

说明:
■该采光板板型配合HV-203KL-406板使用。
8-2、CV-380-760板

说明:
■该采光板板型配合HV-380SF-760板使用。
8-3、CV-475-475板

说明:
■该采光板板型配合HV-475SF-475板使用。
8-4、CV-197-788板

说明:
■该采光板板型配合HV-197TD-788板使用。
8-5、CV-205-820板

说明:
■该采光板板型配合HV-205TD-820板使用。
8-6、CV-225-900板

说明:
■该采光板板型配合HV-225TD-900板使用。
8-7、连接节点图
8-7-1、CV-475-475板连接节点

8-7-2、其它板型连接节点

说明:
■上图为CV-203-406板连接节点图;自攻螺钉穿透采光板(和压型钢板)与檩条连接。
■除CV-475-475外,其它采光板参照上图处理。
9-1、HG-344-688板

9-2、HG-240-720板


9-3、连接图

连接节点

说明:
■HG-240-720板连接参照HG-344-688楼承板连接图。
■抗剪栓钉与框架梁间采用专用工具焊接。
10-1、彩板外天沟

WTG-1型 WTG-2型

10-2、钢板内天沟
10-2-1、断面图

说明:
■天沟为钢板折制成型;根据钢板选用的材质和涂层情况,可分为普通钢板天沟、镀锌钢板天沟、不锈钢板天沟三类。
11-1、屋脊自然通风器

说明:
■通风器根据喉宽Wm分为1m、1.5m、2m、2.5m四种规格,长度依据要求换气量和房屋长度确定。
■顶部压型钢板根据需要可采用采光板代替。
■骨架每1.5m设置一个,通过下部连接孔与屋面檩条或专设横梁连接。
11-2、点式通风器
11-2-1、Φ500无动力通风器

■可提供其它型号的通风器,但需要足够的供货时间。

说明:
■通风器与屋面压型钢板之间的防水处理还可以采用得泰盖片处理。
11-2-2、有动力通风器

说明:
■有动力风机由电机带动涡轮旋转来完成通风。

说明:
■有动力风机由于重量较大,下部必须设置支承龙骨来承担风机荷载。
12-1、彩板推拉门

说明:
■彩板推拉门根据需要可做成单层彩板、双层彩板、夹芯板三种形式。
12-2、彩板双开门

说明:
■彩板双开门根据需要可做成单层彩板、双层彩板、夹芯板三种形式。
12-3、中空金属门

说明:
■中空金属门用于民用建筑和工业建筑的办公室等房间。
说明:
■立面上,可选择独立窗或通长条窗。
■窗扇可以是固定窗扇和推拉窗扇。
■型材可选择铝型材或塑


说明:
■W1因内墙压型钢板不同而取值不同;W2根据砖墙、墙梁的差异而取不同的数值。
14-2、砖墙与压型钢板墙结合处

说明:
■W1、W2尺寸根据压型钢板板型而变化。
14-3、墙顶处

说明:
■W值根据墙梁、压型钢板的不同而变化。
14-4、山墙与屋面交接处
14-4-1、墙面凸出屋面

说明:
■W1、W2尺寸根据屋面外层压型钢板不同而变化。
14-4-2、墙面平于屋面

说明:
■W1、W2尺寸根据屋面外层压型钢板不同而变化。
14-5、屋脊处

说明:
■W1、W2尺寸根据屋面压型钢板不同而变化。
14-6、墙面开洞




说明:
■W1、W2、W3、W4、W5尺寸根据墙面压型钢板和墙梁的不同而变化。
求80mm×43mm×5mm的槽钢的每m重量。从冶金产品目录中查出该槽钢t为8,R为8,r为4,则每m 重量=0.00785 ×[80 ×5+2 ×8 ×(43– 5)+0.349 ×(82–42)]=8.04kg
工字钢(kg/m)
W= 0.00785 ×[hd+2t (b – d )+0.615 (R2 – r 2 )]
h=高
b=腿长
d=腰厚
t=平均腿厚
R=内弧半径
r=端弧半径
求250mm×118mm×10mm 的工字钢每m重量。从金属材料手册中查出该工字钢t为13 ,R为10,r为5,则每m重量=0.00785×[250×10+2×13×(118–10)+0.615 ×(102 –5 2)]=42.03kg
钢板(kg/m2)
W= 7.85 ×d
d=厚
厚度4mm的钢板,求每m2重量。每m2重量=7.85 ×4=31.4kg
钢管(包括无缝钢管及焊接钢管(kg/m)
W= 0.02466 ×S (D – S )
D=外径
S=壁厚
外径为60mm壁厚4mm的无缝钢管,求每m 重量。每m重量=0.02466 ×4×(60 –4 )=5.52kg
一、屋面维护系统天沟概况
天沟是屋面排水系统中必备的构件,天沟主要是用来暂时收集雨水的,通过落水管及时排走。尽量使用外挂天沟,体积小,而且也能当檐口饰边。颜色适宜,安装精致的天沟及饰面无疑给整个工程的装饰效果增色不少。
二、天沟制作安装中的常见问题
(一)钢板天沟的优点和选材
在大型的厂房中,钢板天沟的用钢量也是很大的一部分,但钢板天沟也有其自身的优点,临海地区的风荷载一般比较大。如果采用彩板天沟,在强大的风荷载作用下,彩板天沟显得脆弱无力,容易被风的吸力掀掉,而钢板天沟的设计好坏对其耐久性也有很大的影响,所以钢板天沟的设计和选材不容忽视。
最常用的天沟材料为1.2mm、2mm或2.5mm厚不锈钢;3mm或5mm厚镀锌钢板;要根据建筑的重要性,造价,所使用的其他材料的等级综合考虑。一般民用建筑天沟深度不要小于250mm,根据屋面板底与屋架顶的净空合理确定,要考虑天沟调坡需要的空间。确定宽度时考虑一下两个因素:首先,要计算排水是否能通过;第二,常用的天沟板宽为1.0m、1.2m和1.5m三种规格,尽量合理利用板材,要求高的建筑必须将天沟设计为可伸缩的。
(二)彩板天沟搭接处漏水处理
天沟板搭接100mm 即可,搭接处采用铆钉连接,如果要想保证天沟不漏水,那就用防水胶打上。具体的做法是将彩板天沟搭接,施以两道中性硅胶(不可使用酸性胶和碱性胶,与彩板的相容性和耐久性都有问题),封胶位置分别距相互搭接的两块板边缘10mm,并以两道防水铆钉固定搭接部位。每道防水铆钉中心距为80mm,两道相错分布,铆钉应打在封胶线上。注意拉铆钉应该是防水的,不应该用中间是穿透的拉铆钉。经过这样精心的施工还出现漏水问题就有可能是硅胶没有打满;铆钉锈穿;拉铆钉处的彩钢板钢锈穿;硅胶失效。硅胶失效的主要原因是紫外线照射导致高分子链断裂,好的硅胶在钢板间的寿命应该是很长的。
(三)钢天沟下垂处理
在钢天沟的施工中有时会发现:由于柱距较大而天沟厚度较小时,就会发生天沟下挠的现象。解决方法有:
1.在天沟下设通长的系梁兼做天沟的支撑,以保证其不会下垂,或者下面做支托。最好焊天沟时,中间起坡大一点,安装时,尽量避免在天沟中行走,以免下挠。
2.用焊接组合的天沟,天沟中部向两端起拱一定的坡度就可以彻底解决这个问题,但是非曲直必将造成天沟的加工费用增大。
(四)天沟和落水管
钢天沟的大小和屋面的面积并没有太大关系,钢天沟的高度和檩条的高度保持一致就可以了。主要的还是雨水管的个数。雨水管的积水面积一般按直径110mm的雨水管积水面积不大于180m2。其余的以这个为基准计算。这样就不会出现水沟中的水满溢了。如果需要精确的值须根据公式计算了。
(五)内天沟是否需要找坡
钢板天沟从理论上来说可以做找坡,规范规定千分之五。但很少有钢结构公司会去找坡,仅节点不等高处理就比较麻烦。其实天沟找坡,我一直认为是砼天沟的概念,砼天沟由于摩擦系数较大,排水不畅,因此要求找坡。而钢板表面要远比砼光滑,对水的阻力很小(摩擦系数小),而且由于钢板天沟刚度较大,若是不锈钢天沟,一般会增设天沟支架,而水会渐渐排出,荷载较小,挠度并不会很大,因此就算有积水,也是非常少的,很快就会挥发。而且在西北地区本身降雨量就相当少,从此方面考虑天沟不用找坡。再者外天沟起美观装饰作用,找坡后的天沟在安装其外包边时很难做到整齐划一,所以外天沟不用找坡。
其实内天沟找坡也很困难,特别是9m左右采用钢板天沟,跨中肯有会有挠度,搁在柱顶部分就会高一点,落水管又不可能都做在跨中,即使是采用氯丁胶防水层找坡回来,也只能略微平一点,所以一般的情况刚下完雨到屋面去看肯定会有水积在凹陷处,所以我们一再的要求钢板天沟的防腐性能一定要好。而对彩板天沟根本不好找坡,可以通过计算得到这样的数据,按最小千分之五找坡,如果9m一根落水管,则天沟两端高差需要45mm。这样很难制作,而且天沟的搭接也很难处理。
若在南方多雨地区,建议内天沟最好找坡2%,这样需要在设计和制作时要留心,设计时一截天沟两端断面要有高低之分,钢板裁剪是要依坡度下料,制作时高截面与高截面焊接,低截面与低截面焊接,就可以做成通长的有坡度的内天沟。
总之,天沟是否找坡度,要依当地的气候条件,在南方多雨地带,不能因找坡困难而拒绝天沟找坡,结合施工规范,依据工程最大的实际制定适宜方案,才能做到尽善尽美。
(六)钢天沟在设计方面的改进
在现场施工能发现很多设计的不妥,给加工制作安装带来很大的麻烦,比如在钢板组合天沟的设计中,以陈旧的设计思路设计出的天沟,在安装中有时就给施工带来不便,天沟的底板和外板为什么非要90度直结呢?90度直结的天沟,在天沟上缘经拉条加固时,使天沟外板中间略隆起,天沟饰面板安装时无法贴近。外板和底板的焊接时往外倾斜一定的角度会给天沟包边的安装带来方便,经天沟下大包边的安装,可以将隆起的高度忽略,而且土尘不易附着,减少清洗次数。虽然是很小的发现,却减少了大量的人力和财力。
(七)设想开发新材质天沟
天沟是钢结构厂房中最难选材的构件之一,目前常用的有钢板的,彩板的,不锈钢板的,我认为都不是最好的——不是防腐不好处理,就是连接不好。其实在工程中天沟问题一直是难处理的一块,钢天沟往往由于制作安装的不规范性,防水漏问题一直做的不尽人意。所以开发新材质的天沟是很有必要的。是否可以用塑钢下加檩条来完成天沟的结构。我想是有可能的,或者是用热喷涂硬塑料来覆盖钢天沟从而完成所需工艺。
三、结语
综上所述,在钢结构屋面维护系统中,要使天沟发挥其应有的使用功能,发挥良好的装饰效果,应遵循以下原则:
1.设计的合理性。设计要合乎规范,依地方环境,屋面面积尺寸,设计出实用、经济、美观的天沟。
2.严把质量关。从放样开始核算尺寸、减少误差,避免制作运输中的构件变形。
3.精细安装。熟练精细的安装会使装饰效果浑然天成。
以上总结均来自施工现场的体会和发现,建筑结构也经常表现出个性特征,要依工程实际制定适宜的施工方案。只有在工作中不断积累经验,善于创新,才能做出精品工程。
工程概况
厂房建筑尺寸为42m×34.5m,
厂房排列柱柱距为6m,
柱顶标高为20.4m,
屋架顶标高为35.508m,
天窗顶标高为39.341m。
屋架为三角形,
屋架之间及天窗之间设有垂直支撑。
所有钢结构材料采用Q235AF,
焊条采用手工焊时为E43~E50 系列焊条。
焊缝长度满足最小长度要求。
永久螺栓为Ф22,
开孔直径23.5mm,
安装螺栓为Ф 16,
开孔直径17.5mm。
油漆采用F06-1 酚醛底漆二度,颜色为浅灰色。
屋面板采用YX35-125-750 型彩钢板。
本工程钢屋架制安量约79t,
屋架支撑制安量约24t,
钢天窗制安量约11t,
钢檩条制安量约12t。
本工程施工难点在于屋架跨度大,吊装困难;水平支撑和垂直支撑安装量大,高空作业、交叉作业不安全因素多;另外,施工场地狭窄,现场制作、拼装场地不易满足。
一、屋盖系统制作
屋盖系统制作→构件运输→屋架安装→檩条安装→上弦水平支撑安装→垂直支撑安装→下弦水平支撑安装→屋面板安装。
屋盖系统包括屋架、支撑、檩条等,其制作方法以屋架制作为代表,屋架包括支撑等部件,故在此只作屋架制作方法叙述,其他构件制作参考进行。由于现场场地狭窄,屋架拟安排在场外制作,每榀屋架分两段制作,安装前在现场进行拼装,拼装方式采用屋脊节点拼装,拼装完成经检查合格后进行吊装及安装工作。

图1 三角形钢屋架制造工艺流程图
屋架的制作工艺流程见图1:
二、操作平台的制作
为了保证钢结构构件的制作质量,在施工现场设有两个大平台。其中平台Ⅰ是利用①~⑦/间的平台,平台Ⅱ为在25m×15m 地坪作为操作平台,屋架拼装在平台Ⅰ上进行。
放样根据施工图纸要求及采用的规范标准,严格审阅图纸。根据审阅后的施工图进行现场的施工放样,放样按1︰1 的比例实物放样进行,制作出样板和样杆,作为下料加工的依据。样板和样杆应注明工号、图号、件号、数量等,样板、样杆应妥善保管,直至工程结束方可销毁。放样划线时,应清楚标明装配标记、螺孔标注、加强板的位置方向、倾斜标记及中心线、基准线和检验线,必要时制作样板。注意预留制作,安装时的焊接收缩余量(按2mm 考虑);切割、刨边和铣加工余量;安装预留尺寸要求。划线前,材料的弯曲和变形应予以矫正。放样和样板的允许偏差见表1。
项目允许偏差表1
平行线距离和分段尺寸 |
±0.5mm |
对角线差 |
1.0mm |
宽度、长度 |
±0.5mm |
加工样板角度 |
±20′ |
孔距 |
±0.5mm |
||
质量检验方法:用钢尺检测 |
三、下料
根据样板和配料表进行套裁,尽可能节约材料,同时便于切割。钢材下料采用气割,型材采用切割,以保证切断面的质量。切割前应将钢材切割区表面铁锈、污物等清除干净,切割后应清除熔渣和飞溅物。
下料的允许偏差见表2:
项目允许偏差(mm)表2
外形尺寸 |
±1.0 |
孔距 |
±0.5 |
下料时应预留焊接收缩余量、切割、端面及边缘加工的加工余量,经验数据见表3 所示。
切割及机加工余量(mm表3
加工余量 |
锯切 |
剪切 |
手工切割 |
半自动切割 |
精密切割 |
切割缝 |
1 |
4~5 |
3~4 |
2~3 |
|
刨边 |
2~3 |
2~3 |
3~4 |
1 |
1 |
铣平 |
3~4 |
2~3 |
4~5 |
2~3 |
2~3 |
边缘加工焊接X 形V 形接口时,采用火焰加工,加工后用砂轮磨平,其表面粗糙度
按精密切割检查。坡口加尺寸的误差,应符合国家标准和规定的要求,构件端面加工在成品校正后进行,加工面垂直于中心线。
四、组装
组装前各部件应检查合格,连接接触面和沿焊边缘每出30~50(mm)范围应清理干净,板材在型材的拼接后组装前进行,物件的组装应在各部件焊接矫正后进行,桁架结构件轴线交叉点的允许偏差不得大于3mm 。
五、焊接
焊接前应熟悉施工图,焊工必须要有焊工操作证。施焊前应反复检查焊接件接头质量和焊工的处理,焊接时,焊工应遵守焊接工艺,不得自行施焊及不得在焊道上二母材上引弧。各道焊应连续施焊,每焊完一层要及时清除焊渣,并检查焊接质量。
六、螺栓连接
屋架与天窗、天窗支撑与天窗的连接采用螺栓与现场焊接。若施工中确有把握,可取消部分安装螺栓,直接现场焊接。安装螺栓孔的位置偏差设计未明确给出,需按规范进行,其偏差应按表4、表5 要求进行。
螺栓孔偏差(mm)表4
直径 |
+1.0 |
圆度 |
2.0 |
垂直度 |
0.03t 且不大于2.0 |
螺栓孔距偏差(mm)表5
项目 |
≤500 |
501~1200 |
1200~3000 |
>3000 |
同一组内任意孔间距离 |
±1.0 |
±1.5 |
———— |
———— |
相邻两组的端孔的距离 |
±1.5 |
±2.0 |
±2.5 |
±3.0 |
七、材料拼接材料拼接包括十字形、工字形梁的横向接缝(沿长度方向)及屋架等型钢材料的长度对接,所有工厂材料对接焊缝均为一级焊缝。
1) 梁、立柱的型钢或钢板,允许的拼缝条数应符合表6 的规定,其最短拼接长度不小于500mm。允许的拼缝条数表6
梁、立柱分段长度L(mm) |
L≤6000 |
6000
≤10000 |
L>10000 |
拼缝条数 |
1 |
2 |
3 |
2) 组合件中相邻零件上的拼缝必须错开,其中心线之间错开的距离不小于200mm 。3)拼接坡口制备拼接采用埋弧自动焊焊接,坡口制备采用半自动切割或刨边机加工,10~24mm 板厚的坡口型式见图2 所示。
δ(mm) |
≥10~16 |
>16~24 |
b(mm) |
2±1 |
3±1 |
P(mm) |
3±1 |
4±1 |

图2 10~24mm 板厚拼接坡口型式示意图
4) 拼接焊前准备施焊区域不得有影响焊接质量的熔渣、浮锈、油垢等杂物;焊丝表面不得有油污、铁锈等杂物;焊剂必须按使用说明要求进行烘干;焊接设备上的仪表完好无损,正常工作;在拼缝两端加装引、熄弧板。
钢结构安装工程
结构件吊装包括钢屋架及支撑的吊装。本工程钢结构安装,首先应复核混凝土柱的轴线、柱顶面标高以及预埋M30 螺栓的平面位置和标高,与土建专业完成中间交接工作;其次钢构件制作应评定合格,资料齐全。
1 钢屋架的吊装
该工程屋架单榀重量为7.2t 左右,天窗重量为2.3t 左右,根据吊车的吊运能力及施工安全起见,将天窗架与屋架分开吊装,待屋架及檩条安装完成后再吊装天窗架。
钢屋架的吊装顺序为:拼装→起吊→就位→临时固定→校正→最后固定。
钢屋架在吊装前首先进行钢屋架的拼装,拼装应根据不同的型号进行,应保证同一屋架在拼装后,整个面应在同一平面上,下弦的中心在同一直线上,拼装连接板与下弦型钢的焊接正确并牢固可靠。
钢屋架拼装完毕后,在三角形钢屋架的中位线处横绑一根φ48 钢管铁扁担,以保证构件在起吊过程中不发生变形、断裂,造成事故。由于屋架跨度大于18m, 两点起吊有困难,吊装中考虑用一根铁扁担起吊。屋架吊点位置在上弦节点左右300mm 范围内。
吊车选用QY80 汽车吊,吊车汽车参数见表7。吊车的行驶路径为轴线附近,距屋架中心线8m。吊车选择好吊点后,在构件上找好钢丝绳的绑扎点吊车开始翻身起吊。在吊升过程中要慢、稳,徐徐上升,能够保证构件在空中平稳地起落和旋转。并在构件的两端系好缆风绳,便于控制构件的转动。构件吊到比安装位置约高100mm 的高度后,缓缓地放下,同时目测或用线锤对构件的平面位置和垂直度进行初步校正,确认无误后,可临时固定,卸去吊钩。临时固定要保证构件的安全,便于校正,校正包括平面位置、标高、垂直度等。待校正准确符合要求时即可按施工图要求的连接方法进行最终固定。第二榀屋架固定时,可与第一榀利用檩条进行连接。
QY80 汽车吊参数表 表7
型号规格 QY80 |
|
基本臂长(m) |
12~44 |
基本臂最大起重量(t) |
80 |
基本臂最大起升高度(m) |
43.3 |
副臂长(m) |
9.5~15 |
副臂最大起重量(t) |
4.0~6.0 |
副臂最大起升高度(m) |
53.4~59 |
单绳速度(m/min) |
0~100 |
回转速度(r/min) |
0~1.45 |
外型尺寸(长×宽×高)(m) |
14.765×2.78×3.985 |
最高行驶速度(km/h) |
60 |
2 支撑系统及檩条安装
待屋架与天窗两榀最终固定后,将檩条先安装,将屋架固定,屋架与柱进行最终连接。檩条固定完成后,进行上弦水平支撑和刚性及柔性拉杆的安装,再进行垂直支撑的安装,最后安装下弦水平支撑。支撑的制作按单元进行,重量小的支撑采用人工缆风绳提升就位,重量大的采用吊车或手拉葫芦吊装就位。安装过程中要注意各种支撑和檩条之间有无交叉碰头的地方,出现此种情况要及时与设计人员联系,不得随意处理。
3 屋面板及墙皮工程
厂房的屋面为YX35-125-750 型彩钢板,该板为压型钢板,板厚为0.3mm。在安装时注意瓦与屋架檩条的可靠连接,采取自下而上进行安装的顺序,上面压盖下面瓦的长度不得小于300mm ,瓦与瓦之间连接缝应顺主导风向并搭接一个波宽度。
墙板为YX35-125-750 型彩钢板,板厚为0.3mm。安装按檩条位置从一端开始进行,板与板之间必须咬紧,再用螺钉固定,墙板接缝处做好防水处理。压型钢板安装时,应边铺设边调整其位置,边固定。金属压型板制作允许偏差见表8。
金属压型板制作允许偏差表8
项目 |
允许偏差(mm) |
检查方法 |
||
金属压型板的覆盖宽度 |
压型 钢板 |
h≤70mm |
-2.0~+8.0 |
用钢尺检查 |
h>70mm |
-2.0~+5.0 |
|||
压型 铝板 |
h≤70mm |
-2.0~+10.0 |
||
h>70mm |
-2.0~+7.0 |
|||
板长 |
±7.0 |
|||
横向剪切偏差 |
5.0 |
|||
泛水包、包角板 尺寸 |
板长 |
±5.0 |
||
弯折面宽度 |
±2.0 |
|||
弯折面夹角 |
2° |
用角尺检查 |
||
(其中h为金属压型板的高度)
4 装饰油漆工程经除锈后的钢材表面
用毛刷等工具清扫干净,才能进行下道工序,除锈合格后的钢材表面,如在涂底漆前已返锈,需重新除锈。
钢材除锈经检查合格后,在表面涂完第一道底漆,一般在除锈完成后,存放在厂房内,可在24h内涂完底漆。存放在厂房外,则应在当班漆完底漆。油漆应按设计要求配套使用,第一遍底漆干燥后,再进行中间漆和面漆的涂刷,保证涂层厚度达到设计要求。油漆在涂刷过程中应均匀,不流坠。

图3 涂装工艺流程图
第一节 钢结构制作
(1) 所选用的钢材必须具有出厂合格证及原始资料,进场后必须取样复试,合格后方可使用。
(2) 选择性能良好,使用功能齐全的加工设备。
(3) 焊条应具有出厂合格证或材质报告,要求电焊条使用前应用烘干箱进行烘干,使用埋弧焊接选用的焊丝及焊剂必须与所用的母材相配套。
(4) 钢构件制作完成后需进行除锈,除锈后24h 之内涂上底漆,保证油漆的漆膜厚度满足设计要求。
(5) 所有操作人员必须严格按技术、质量、安全交底内容执行,焊接人员必须持证上岗。
(6) 为保证制作精度,钢构件下料时要预放收缩量,预放量视工件大小而定,根据本企业类似工程经验及符合规范要求。
(7) 制定合理的焊接顺序,当几种焊缝要施焊时,应先焊收缩变形较大的横缝,而后焊纵向焊缝,或者是先焊对接焊缝而后再焊角焊缝。
(8) 焊接型钢的主焊缝应在组装加劲肋板零件之前焊接。主焊缝的焊接顺序应按焊后变形需要考虑其焊接顺序而交错进行。
第二节 钢结构安装
(1) 钢结构吊装过程严格执行《钢结构施工及验收规范》GB 502052001。
(2) 吊装前必须对基础纵横轴线及水平标高、钢构件外形尺寸、焊接质量进行复验合格后施工。
(3) 施工前必须进行技术交底。
(4) 施工时特殊工种上岗人员必须有劳动局颁发的上岗证书。
(5) 测量仪器必须经过计量检定为合格方可使用。
(6) 施工中坚持三检(自检、互检、专业检)制度,严格工序质量检验。
第三节 压型钢板安装
(1)在运输及吊装许可的条件下,应采用长尺寸的板材以减少接缝,提高保温性能和防水效果。
(2)压型钢板固定,在横波每两块板有一波搭接,搭接面用密封胶条密封,再用防水密封膏密封,并用自攻螺钉与檩条固定。
(3)每块板端部不少于3 个螺钉,中间支撑处在大于3m 檩距的情况下,至少有一个自攻螺钉连接。
(4)板材搭接于檩条上,保证搭接长度要求,搭接部分用拉铆钉连接并施以防水密封膏,外露钉头涂密封膏。
(5)包边钢板的搭接尽可能背风向,搭接长度大于20~50mm,拉铆钉间距小于500mm 。
(6)自攻钉拉铆钉设于波峰上,并进行防水处理。
(7)一旦彩色涂层划伤或锈斑时,应采用相应系列涂料补刷。
(1)施工现场设专职安全员进行现场安全措施的落实与监督管理,对现场施工人员、现场机械设备及现场用电进行统一管理。要求参加施工的特殊工种作业人员必须是经过培训,持证上岗。施工前对所有施工人员进行安全技术交底。进入施工现场的人员必须戴安全帽、穿防滑鞋,电工、电焊工应穿绝缘鞋,高空作业必须系好安全带。
(2)作业前应对使用的工具、机具、设备进行检查,安全装置齐全有效。
(3)操作面应有可靠的架台、护身,经检查无误,进行操作。构件绑扎方法正确,吊点处应有防滑措施,高处作业使用的工具、材料应放在安全地方,禁止随便放置。
(4) 起吊钢构件时,提升或下降要平稳,避免紧急制动或冲击。专人指挥,信号清楚、响亮、明确,严禁违章操作。构件安装后必须检查其质量,确实安全可靠后方可卸扣。每天工作必须达到安全部位,方可收工。
(5)施工现场的机电设备、闸箱、电焊机,应有可靠的防雨措施。电器操作必须由专业人员进行,严禁非专业人员操作。电焊机使用严格安全操作规程,一次线不得超过2m,二次线不能破皮裸露。
(6)安全设施有专人按规定统一设置,其他人不得随意拆动。因工作需要须拆动时,要经过有关人员允许,事后要及时恢复,安全员要认真检查。
(7)搞好安全用电,所有用电设备的拆除及现场照明均由专业电工担任,使用的电动工具,必须安装漏电保护器。
(8)重点把好高空作业关,工作期间严禁喝酒及打闹,手持工具应系好安全挂绳,避免直线垂直交叉作业。
(9)切实搞好防火工作,各项操作均应按规定正确使用。
(10)屋面安装时,要布置好安全网,并设置围栏。
(11)坚持班前安全会议制度,将当日工作安排及安全注意事项进行交底。
(12)定期进行安全检查,预防和控制事故的不安全因素。
(13)起重指挥要果断,指令要简洁明确。
(14)加强现场保卫,注意防盗。
(15)吊装作业范围内设安全警戒线,非操作人员禁止入内。
(16)所有的安全活动记录及文件要齐全。
劳动力投入计划表表9
工种 |
焊工 |
铆工 |
电工 |
起重工 |
普工 |
油漆工 |
人数 |
20 |
4 |
1 |
4 |
20 |
8 |
机具设备投入计划表表10
机具名称 |
焊机 |
手拉葫芦 |
滑车组 |
起重工 |
氧割工具 |
砂轮机 |
数量 |
10 |
15 |
4 |
4 |
15 |
6 |
其他:钢丝绳、青麻绳、跳板等若干。
“网架结构高空散装如何做”
一、当采用小拼单元或杆件直接在高空拼装时,其顺序应能保证拼装的精度,减少积累误差。悬挑法施工时,应先拼成可承受自重的结构体系,然后逐步扩展。网架在拼装过程中应随时检查基准轴线位置、标高及至偏差,并应及时纠正。
二、搭设拼装支架时,支架上支撑点的位置应设在下弦节点处。支架应验算其承载力和稳定性,必要时可进行试压,以确保安全可靠。支架支柱下应采取措施,防止支座下沉。
三、在拆除支架过程中应防止个别支撑点集中受力,应根据各支撑点的结构自重挠度值,采用分区分阶段按比例下降或用每步不大于10mm的等步下降法拆除支撑点。
“钢结构的安装要点”
(1)摩擦系数:,其中F为抗滑移试验所测得的使试件产生初始滑移的力,nf为摩擦面数,为与F对应的高强螺栓拧紧预拉力实测值之和。
(2)扭矩系数:,其中d为高强螺栓公称直径(mm),M为施加扭矩值(N﹒M),P为螺栓预紧力。10.9级高强度大六角螺栓连接必须保证扭矩系数K的平均值为0.110~0.150。其标准偏差应小于等于0.010。
(3)初拧扭矩:为了缩小螺栓紧固过程中钢板变形的影响,可用二次拧紧来减小先后拧紧螺栓之间的相互影响。高强螺栓第一次拧为初拧,使其轴力宜达到标准轴力的60%~80%。
(4)终拧扭矩:高强螺栓最后紧固用的扭矩为终拧扭矩。考虑各种预应力的损失,终拧扭矩一般比按设计预拉力作理论计算的扭矩值大5%~10%。
钢结构也是有损坏的时候,我们要即时发现即时解决问题,钢结构网介绍钢结构损坏的主要因素有:
1)由荷载变化,超期服役,规范和规程改变导致结构承载力不足;
2)构件由于各种意外产生变形、扭曲、伤残、凹陷等,致使构件截面削弱,杆件翘曲,连接开裂等;
3)温差作用下引起构件或连接变形、开裂和翘曲;
4)由于化学物质的侵蚀而产生腐蚀以及电化学腐蚀致使钢结构构件截面削弱;
5)其它包括设计、生产、施工中的失误及服役期中的违规使用和操作等。
钢结构的加固技术措施主要有三种:
1)截面补强法:在局部或沿构件全长以钢材补强,连成整体使之共同受力;
2)改变计算简图:增设附加支承,调整荷载分布情况,降低内力水平,对超静定结构支座进行强迫位移,降低应力峰值;
3)预应力拉索法:利用高强拉索加固结构薄弱环节或提高结构整体承载力、刚度和稳度。
★ 钢结构图
※ 钢结构
由型钢连接而成的结构物,例如:钢梁、钢屋架、钢塔架、钢脚手架等。
※ 钢结构图
用来表示钢结构的图样。
※ 型钢
型钢是由钢厂按照标准规格轧制而成的钢材,其断面形状如尺寸是定型的,例如:角钢、工字钢、槽钢等。
★ 型钢的代号及标注

★ 钢结构中型钢的连接方法
※ 焊接
※ 铆接
※ 螺栓连接
一、焊接
将被连接的型钢在连接部位加热使其和焊条熔化,凝结后成为不可分割的整体。
1、焊缝类型及其符号
※ 坡口焊缝
※ 贴角焊缝
※ 塞焊缝
★ 焊缝的图形符号和辅助符号
2、焊缝的标注
在钢结构图中,必须把焊缝的位置、形式、尺寸和辅助要求标准清楚。
★ 焊缝的标注方法
★ 焊缝不连续时的画法及标注
当焊缝分布不连续时,可见焊缝宜在焊缝处加中实线,不可见焊缝加细栅线
二、铆接
用铆钉将两块或两块以上的钢板连接在一起
★ 铆接分类
※ 工厂连接
※ 现场连接
★ 铆钉类型
三、螺栓连接
※ 焊接和铆接都是不可拆卸的连接,螺栓连接是可拆卸的连接
※ 连接方法
★ 螺栓、孔、电焊铆钉图例
钢梁结构图
概述
钢梁常用于大、中跨度桥梁中
钢梁的种类
※ 钢板梁
※ 钢桁梁
★ 下承式简支栓焊梁
★ 钢梁结构图的内容
※ 设计轮廓图
※ 节点图
※ 杆件图
※ 零件图
★ 设计轮廓图
★ 节点图
★ 节点构造图
★ 拼接板、填板的拼装
钢屋架结构图
概述
※ 钢屋架
※ 钢屋架结构图
屋架简图、屋架详图(包括节点图)、杆件详图、连接板详图。
★ 屋架简图
※ 屋架简图又称屋架示意图、屋架杆件几何尺寸简图。
※ 比例:1:100、1:200
※ 单线条表示,杆件长度直接注在单线条旁边。
★ 屋架详图
※ 图样:立面图,上弦实形辅助投影,剖面断面图。
※ 比例:两种比例:
杆件轴线采用较小比例(1:20,1:15)
节点板、杆件、断面采用较大比例(1:10,1:5)
※ 图线:可见轮廓线——中实线
不可见轮廓线——中虚线
★ 杆件拼接
★ 支座节点图
★ 屋脊节点图

从设计角度分析钢结构住宅体系的特点,介绍异型钢柱住宅项目的设计思路。针对框架结构采用不同阻尼比、基础方案等问题进行数据对比分析;总结设计中常见问题注意事项;对设计标准提出不同意见。
一、钢结构住宅体系选择
从已建成的钢结构住宅来看,主要有:
1)薄壁型钢组合墙板形式;
2)纯框架形式;
3)框架支撑形式;
4)型钢混凝土组合形式;
5)钢框架-混凝土抗震墙形式等等。
这些结构形式各有特点,其中薄壁型钢组合墙板形式特别适宜定型产品,其体系是从墙板结构演变而来,即将薄壁型钢柱构件按大约600mm 的间距布置形成竖向承重结构、型钢间设支撑系统以抵抗水平力,楼板根据竖向型钢的位置布置成密肋支撑结构,因上部结构为类墙板结构,其基础根据受力情况设成条形基础,对地基要求不高。
薄壁型钢组合墙板住宅受密布结构的影响,对开间、门窗洞口、挑出构件尺寸均有一定限制。
后面几种形式可以满足多高层住宅设计要求,但从使用的角度都存在一个共同问题,即梁柱突出对住宅内部观感的影响。
住宅相对于其它建筑有其特殊性,办公、厂房可以采用较为固定柱网,层高也较高,其梁柱所占空间给人的感观是适宜的,柱网规则有利于梁的布置。
相反住宅是一个变化多端的产品,根据建筑的要求,很少布置出规则的柱网,房内开间相对较小、变化较多,不利于钢框架布置。
由于钢材的特点,它在住宅中只能形成框架体系或桁架体系,可以说框架体系如果适用于普通住宅,钢框架必然有其大显身手的地方,普通框架结构不能解决住宅应用问题的话,常规钢框架体系在普通住宅中应用也有相似的弱点。
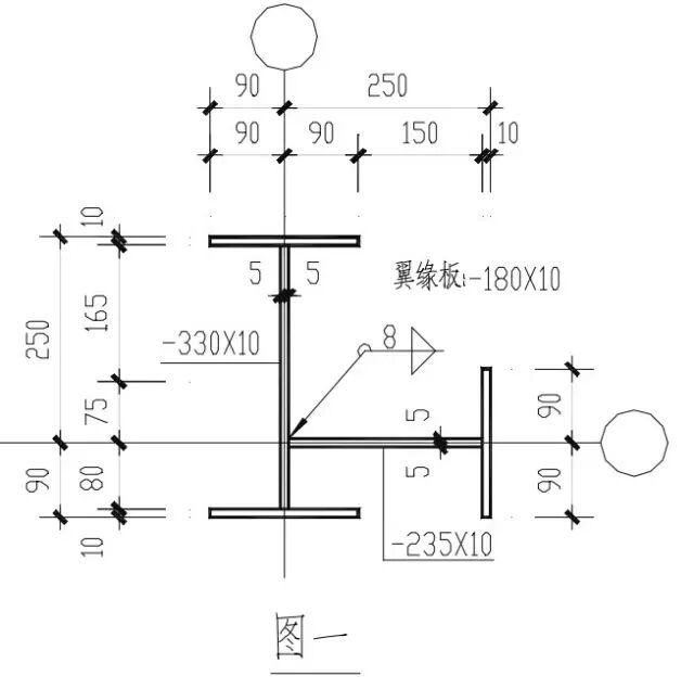
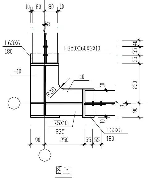
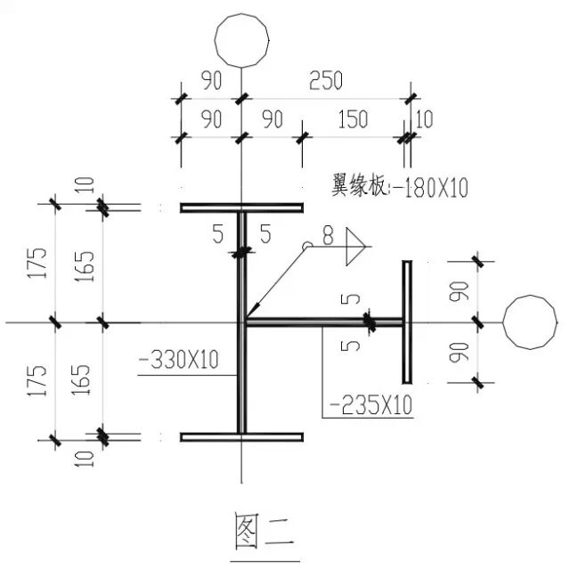
受短肢剪力墙结构的启发,笔者在钢结构住宅设计中将钢柱设计成异型柱形式,以配合建筑变化的要求,图1 是两种异型钢柱截面,根据建筑墙体厚度减去面层厚度来设定翼缘宽度,框架梁与异型钢柱各个方向的翼缘刚接,图2 为相应的节点连接详图。
异型钢柱示意图


异型钢柱梁柱节点详图


某住宅项目三层样板间设计成异型钢柱纯框架结构,建筑采用砌块隔墙,建成后外部及室内观感均令人满意,与该住宅成品(混凝土剪力墙结构)实际效果一致,下图是样板间实景。
在工业厂房设计中经常采用异型钢柱,采用排架受力体系时,异型钢柱经常设计成双轴对称或主受力方向单轴对称,厂房纵向采用支撑系统抵抗纵向水平力,系杆、支撑构件多连接于异型柱弱轴形心轴上,这样在结构概念设计及采用杆系软件计算容易处理。
住宅中应用异型钢柱与厂房设计还是有很大区别的,下图是厂房梁柱连接方式与住宅梁柱连接方式的简单比较,

可以看出在住宅中,梁柱的截面形心轴不在同一位置上,不符合常规设计理念,在采用杆系软件计算时无法解决偏轴问题。
尽管如此,与短肢剪力墙结构相比,笔者认为异型柱是在原来较大的矩形框架柱截面或整片混凝土墙修改为的截面面积较小的异型截面,相应地也减少了截面特性,而异型钢柱是在一个工字钢截面上增加一个T型截面,相应地是增加了弱轴方向的截面特性,特别是将钢梁与钢柱弱轴的刚性连接节点转化为与柱翼缘连接,优于常见设计中工字钢柱在弱轴方向设外伸连接板的刚性连接,加强了工字钢柱弱轴稳定,对结构安全是很有利的。
一般认为工字钢柱弱轴刚性连接不可靠,所以在很多构造手册上建议在弱轴采用铰接框架加支撑体系或者采用钢管柱设计方案,抗震规范“柱在两个互相垂直的方向都与梁刚接时,宜采用箱形截面。当仅在一个方向刚接时,宜采用工字形截面,并将柱腹板置于刚接框架平面内。”
规范中虽然没有明确说不可采用工字钢柱弱轴与钢梁刚接,但根据抗震规范节点抗震承载力验算要求,弱轴连接一般是无法满足相关条款要求的。
异型工字钢柱相比箱形柱的节点加工容易、施工方便节约钢材,相比框架支撑体系减少了支撑部分的设置,从应用角度可灵活用于住宅墙体中,满足建筑师对住宅内无外露结构构件的要求。
笔者认为异型钢柱在结构分析中存在以下问题:
1)异型钢柱全截面受力情况分析,这里主要指在弱轴上增加 T 型构件,是否就相应的增加了这部分的截面特性,包括 T 型构件偏轴远近的影响,笔者认为钢柱类型不同,截面特性增加比例也会不同;
2)异型钢柱局部稳定性计算,这点可以参考规范中柱板件宽厚比进行控制;
3)梁柱节点与钢柱形心轴偏离时整体受力分析,采用普通杆系计算软件是不能解决这个问题的。理想的计算模型应该采用有限元整体建模方式进行内力分析, 可以解决上述问题,但建模工作量太大了。
笔者在设计中根据以下几个原则来确定柱截面:
1)按方钢管柱方案进行结构分析,根据计算应力比结果接近 0.9 的情况,选定框架梁截面尺寸,根据方钢管截面特性初选 X,Y 方向上工字钢截面,计算时不考虑腹板作用,初步确定异型柱截面;
2)按工字钢柱方案进行结构分析,异型柱 T 型构件布置方向,设柔性支撑代替异型柱中 T 型构件在工字钢弱轴上的刚度影响,按有侧移钢框架计算,调整异型钢柱中工字钢截面尺寸;完成后调整工字钢及柔性支撑布置方向,验算 T 型构件与工字钢腹板组成的工字钢截面尺寸;
3)根据上一步建立的模型,选取工字钢强轴所在的单榀框架进行抗震验算,只参考工字柱强轴应力计算结果,检验异型柱单向受力是否满足;
4)根据上述计算结果,手工核算梁柱节点处抗震承载能力,基础设计时考虑偏轴引起的附加弯矩;
5)以普通工字钢柱和方钢管柱按无支撑框架体系分别进行正常设计,其中钢梁按设计所选截面计算,根据合适的计算结果,统计钢柱用钢量以控制异型柱用钢量的上下限。
上述方法没有可依据的计算公式及条文,对偏轴引起的附加弯矩对整体的影响没有更多处理,这也是笔者只在二三层住宅设计中应用,没在更高的工程里使用异型钢柱的原因。笔者提出异型钢框架方案,希望得到大家的批评指正。
二、设计细节的问题
1、 整体计算时选取合适的结构阻尼比根据抗震规范要求,除专门规定外,建筑结构的阻尼比应取0.05,当阻尼比不等于0.05时,地震影响系数曲线应进行修正,钢结构相关阻尼比选取值见表 1。
表 1 不同结构阻尼比应用值

从表 1 中数据可以看出,不同的钢结构体系有不同的地震影响系数,如果在结构分析时错误选择阻尼比对设计结果会产生较大影响,其中钢管混凝土和钢-砼混合结构由于是两种材料共同作用,在选取阻尼比时,应根据两种材料应用比例综合考虑阻尼比,结构整体刚度越柔,阻尼比选值越低。

2、刚接柱脚设计
常见柱脚分埋入式、外包式、外露式。在住宅设计中多采用外露式,相比其它两种方式,其现场安装、定位方便。
在设计时应注意,柱脚的刚度是靠底板的弹性变形或塑性变形来实现的,这就意味着整个结构变形包括钢结构本身变形及底板受拉变形后引起的整体变形,如在分析内力时视外露式为刚性柱脚,设计中要考虑层间位移角限值要有一定的富裕,同时应考虑底层钢柱弯矩反弯点下移引起的柱顶弯矩增大。
根据节点设计要求,为保证罕遇地震时不发生柱脚节点先于钢柱破坏,柱脚节点连接处的极限抗弯承载能力应大于 1.2 倍钢柱的全塑性受弯承载力(Wpnx·f)才可以,常见设计方法是根据柱脚反力来确定柱脚螺栓直径、连接焊缝,这样只能保证柱脚节点在多遇地震作用下具有一定强度而不破坏,而柱脚弯矩设计值所需截面抵抗模量一般小于钢柱本身截面抵抗模量(Wx),以H628X260X10X14 工字钢为例,1.2·Wpnx/Wx=1.36 倍,外露式很难保证这项设计要求。
而采用其它两种柱脚方式在转递钢柱内力时很容易满足前项要求,设计中传力明确、计算容易、构造简单、节省钢材。插入式柱脚构造相比埋入式更简单,大部分书籍认为可靠性不如埋入式,建议用于单层钢结构厂房,不适合高层建筑钢结构。
笔者认为在多层建筑钢结构可以采用,因为在许多工业项目中,单层厂房层高多在 10~30m,厂房内设多台吊车及大量检修平台,单柱荷载及地震作用往往大于普通住宅的情况,多层住宅柱脚在概念设计和计算设计都满足规范要求的情况下,采用插入式是没有问题的。新钢结构规范也增加了插入式柱脚的设计和构造规定。
3、楼板设计
楼板有预制楼板、现浇楼板、组合楼板等。采用预制楼板时应考虑预制板由于温度变化、荷载分布等原因,造成楼板接缝处开裂形成的单侧翼缘附加弯矩影响,即钢梁平面内整体抗弯应力与翼缘平面外抗弯应力双向组合后要满足折算应力限值,有些项目将楼板搁置在下翼缘上尤其要注意这个问题。
压型钢板组合楼盖在钢结构住宅中应用很多,整体分析时要考虑组合板的各向异性对框架梁的影响,包括根据楼板设置情况确定连续板或简支板、传力路径是单向还是双向、组合钢梁是按强边还是弱边组合造成的刚度差异;楼板设计时要避免集中单向布置楼板,使结构体系形成横向或纵向承重,做到合理布置组合楼板,尽量形成双向承重结构。
4、梁柱刚性连接设计
梁柱间刚性连接计算可按常用设计法或全截面受弯设计法进行,当钢梁翼缘的抗弯承载力大于整个截面承载力的 70%时,可采用常用设计法进行设计,小于 70%时,应采用全截面抗弯设计法,在住宅设计中,钢梁多属于前者,常用设计法计算原则为翼缘和腹板分别承担弯矩和剪力,普遍认为计算容易,结果偏于安全。
事实上根据多高层房屋钢结构梁柱刚性连接节点的抗震设计和多高层房屋钢结构梁柱刚性节点的设计,不做任何处理的将钢梁与钢柱进行栓焊等强连接是很难达到强节点弱杆件的设计要求,对加强式节点设计有设计及构造详细说明。
具体做法主要有三种方式:梁端翼缘加焊楔形盖板、梁端底部加腋、犬骨式连接。通过笔者在实际应用后认为,三者都存在增加施工难度的问题。第四种方式:梁端翼缘加宽方式,但在标准图集中不作为主推形式介绍,当建筑对梁宽没有要求的情况下,这种连接方式最为实用、便捷。
三、设计标准的问题
1.“轻型”钢结构概念问题
近年来因“轻型门式刚架房屋”二字的出现,在许多设计人包括结构设计人员的头脑中形成一种轻(质量)钢材概念,一遇到附属建筑设施或看似不重要的结构时就提出用“轻钢”来解决,却不注重该部分对主体结构的效应分析,事实上结构概念设计时应清楚,“轻型”实际上是指结构承受相对较轻的荷载,住宅设计中不会因为采用钢结构而减少荷载使用标准,结构体系无论采用钢还是混凝土,构件效应分析是没有原则上区别的。
2.多高层钢结构设计区别
根据规范有关条文,包括钢结构抗震调整系数,框架柱长细比,框架构件宽厚比等控制条款,均以 12 层作为区分点,因此可以理解为高层钢结构是指 12 层以上的建筑物。高规中高层是指 10 层及 10 层以上或房屋高度超过 28m 的建筑,这其中包括混合结构,再参考国外部分国家高层起始高度多设在 25~30 米或 8 至 11 层。
由此看来我国的多层钢结构适用范围要高于普通结构,也高于国外标准。多高层钢结构不仅构造不同,相关抗震调系数也不同,限值差别太大,在前面表 1 已说明,笔者认为此区分过于宽泛,举例说明一下:层高平均 4m,12 层建筑物高度 48米,是高规中 28 米限值的 1.7 倍,这就产生下面的问题,在混合结构中,混凝土结构应按高规构造设计,钢结构可以按多层构造设计,执行了两种标准。
3、《钢结构设计规范》
对住宅结构设计指导作用不大新版规范延续了工业建筑钢结构设计指导思想,例如在变形允许值按厂房构件进行分类,对民用建筑构件不做细分;温度区段设置要求以排架结构方式进行划分而不考虑纵横向承重体系、钢混组合结构的特点来区分,特别是强制性条文第 8.1.4 条“结构应根据其形式、组成和荷载的不同情况,设置可靠的支撑系统。
在建筑物的每一个温度区段或分区建设的区端中,应分别设置独立的空间稳定的支撑系统。”从文字上理解,钢结构不应该采用无支撑的纯框架结构,这显然与实际应用不符,设置支撑与否应以结构设计需要来确定,根据条文说明也可以知道这是一个原则规定,但作为强制性条文,必须严格执行值得商榷,民用建筑在使用要求上不同于工业建筑,包括一些结构体系也存在差异,应区别对待。
相比其他规范不断完善抗震部分内容,新版只在总则中提到应符合相关抗震规范的规定,似乎抗震设计在钢结构中并不重要,实际上在北岭和阪神地震后,国外开始纷纷重视钢结构抗震设计的研究,国内也有很多文章介绍,应该有很多成果可以总结成文的。我国抗震规范规定应根据抗震设防烈度采取不同的抗震措施,而钢结构抗震要求却没有任何区别也是不妥的。
四、设计钢结构住宅应尊重住宅使用的根本要求
钢结构住宅是今后发展的一个重要方向,但钢结构仅仅是建筑中承重体系、服务部分,它不是建筑使用中的主要成分,钢结构住宅设计首先要遵循住宅建筑设计的一般原则,然后才是发挥钢结构的优势,单纯突出钢结构而不考虑生活的舒适性、不能满足人文要求的钢结构住宅项目是没有市场的。
对于钢结构住宅不能因为要推广钢材在建筑中的应用而简单、强行在住宅结构中使用,这样作对推广钢结构住宅没有实际意义。相对而言公建、体育场馆、工业厂房等是钢结构在建筑中最能发挥其特长的领域,近年来,我们已经深刻感觉到这种应用变化。
内容源于网络,仅作分享使用,如有侵权,请联系删除
相关资料推荐:
知识点:平面结构施工
0人已收藏
0人已打赏
免费10人已点赞
分享
结构施工图
返回版块57.56 万条内容 · 1092 人订阅
阅读下一篇
钢结构包边图文(超详细)一、钢结构系统概述 二、几种典型的常用包边 1. 屋面系统(脊瓦、封檐、封稍、天沟) 2. 墙面系统(垂直包边、机制内角、外角、U形槽、墙面泛水、搭接缝) 3. 门窗系统 4. 其他(通风器、承重板、特殊版型) 1屋面系统包边——脊瓦 学名:屋脊盖板 位置:屋脊最高处,两屋面板搭接的地方。
回帖成功
经验值 +10
全部回复(1 )
只看楼主 我来说两句 抢板凳学习了大跨度钢结构的平面结构施工及技巧,多谢了。
回复 举报