知识点:高压试验
1.目的:
为保证电气安装工程电气设备安装的施工质量,确定高压配电装置制造和安装质量符合有关规程规定,保证电气设备安全投运。特编制该高压配电装置交接试验方案
2.适用范围:
适用于电气安装工程高压配电装置交接试验。
3.编制依据:
3.1施工图纸及安装手册
3.2《电气装置安装工程电气设备交接试验标准》(GB50150—2006)
3.3《建筑电气工程施工质量验收规范》(GB50303-2002)
3.4《电气装置安装工程 电缆线路施工及验收规范》(GB50168-2006)
3.5《电气装置安装工程 电气设备交接试验标准》(GB50150-2006)
3.6《电气装置安装工程 高压电器施工及验收规范》(GB50147-2010)
3.7《建筑工程施工质量验收统一标准》(GB50300-2013)
3.8《继电保护和安全自动装置技术规程》(GB/T?14285-2006)
3.9《继电保护和电网安全自动装置检验规程》(DL/T995-2006)
4.0冷缩高压电缆头安装说明书
4.1开关柜技术资料及电气设备产品技术说明书
4.2继电保护装置使用说明书、出厂调试报告
4.工程简介:
本工程涵盖施工图D1机房及C1柴发楼一层内的所有高压开关柜、变压器、高压电缆(含电缆头制作)的交接试验,高压柜综保装置的继电保护定值整定(含与外市电时限配合沟通工作)高压送电前的验收及核相工作。同时包括所有为实现工程施工要求的工作都必须涵盖在工程内容之内的工程,搬运机具:手推车、手动液压叉车、麻绳等。检测及保护用具:数字万用表、水平尺、接地电阻测试仪、交接试验所涵盖的所有仪器、设备等。施工所有工机具(三级箱,水准仪,钻,手电钻,砂轮,扳手,钳子,电缆接头压接钳,改锥等)。包括并不限于任何为实现合理的但未直接列示在招标文件或报价清单中却合理推断的辅助工具,除非发包方明确约定某项施工内容不属于招标范围。
5.试验人员组织机构:
6.试验用仪表和工具:
其他辅助工具、仪表:温度、湿度计;对讲机;警戒带。
7.电流互感器试验:方案:见附图一
7.1极性试验:
7.1.1试验接线:

图一
试验仪器:QK-开关??DC-电池??CTx-被测电流互感器??mV-直流毫伏电压表
7.1.2试验步骤:
a.?检查接线正确。
b.?合上开关瞬间,记录仪表的偏转方向。
c.?记录表格:
d数据分析:正偏说明电池正极与电压表正极相连的电流互感器P1、S1为同极性
7.3.绕组绝缘电阻试验:?
7.3.1试验接线:将测试线接入被试绕组。??试验仪器:2500V摇表?7.3.2试验步骤:?
a.?用2500V摇表测量一次绕组对二次绕组及地的绝缘电阻。?
b.?用2500V摇表测量二次绕组对一次绕组及地的绝缘电阻。?
c.?记录表格
d.?数据分析:与出厂值相比应无明显差别。
e.?安全注意事项:试验过程中,严禁触摸被试物,以防电击。非被试绕组短接接地。?试验结束后,对试品充分放电。?
7.4交流耐压试验:?
施压出厂试验电压的80%保持1min,电流电压应稳定,无闪络、放电、击穿现象
8.真空断路器试验:
8.1测量绝缘电阻?
8.1.1试验接线:按仪器要求接线。试验仪器:2500V兆欧表。
8.1.2试验步骤:?
a.?断路器在分闸位置,分别测量每相断口的绝缘电阻。?
b.?断路器在合闸位置,分别测量每相对其它两相及地的绝缘电阻。?
c.?测试结束应充分放电。?
d.?记录温度和湿度。?
e.?记录表格
f.数据分析:在常温下不应低于1200MΩ
g.安全注意事项:用兆欧表测定绝缘电阻时,被试物要确实与电源断开,试验中要防止与人体接触,试验后被试物必须放电。
8.2?测量每相导电回路的接触电阻:?
8.2.1试验接线:按仪器要求接线。?试验仪器:回路电阻测试仪?
8.2.2试验步骤:?
a.?将断路器手动分、合3次。最后合上断路器。?
b.?按照仪器说明书接线,检查接线正确。?
c.?分别测量三相接触电阻。?
d.?记录表格
e.数据分析:测试值应符合产品技术条件的规定。
8.2.3安全注意事项:
a.?测试线接在开关的导电杆上,连接要牢固可靠,严禁接在开关的触头上。?
b.?确认试验电源断开以后,方可进行换线。
8.3测量分、合闸时间,分、合闸同期性和合闸时触头的弹跳时间
?8.3.1试验接线:按仪器要求接线。试验仪器:开关机械特性测试仪。?
8.3.2试验步骤:?
a.?测试在额定操作电压下进行。?
b.?按试验仪器的要求接线,检查接线正确无误。?
c.?测量断路器合闸时间、同期性和弹跳时间。
d.?测量断路器分闸时间和同期性。
e. 记录表格:

f. 数据分析:合闸过程中触头接触后的弹跳时间不大于3ms其他测试值应符合产品技术要求。?
g. 安全注意事项:出现异常现象,应立即断开操作电源,查明原因。
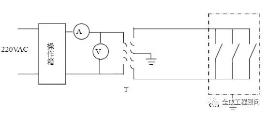
8.4 断口交流耐压试验??试验方案:见附图三?
8.4.1试验接线:?

断口交流耐压接线图
8.4.2试验仪器:
a.?交流耐压试验成套装置?
b.?电流表、电压表?
8.4.3试验步骤:?
a.?检查试验接线正确无误。
b.?试验电压为42KV。?
c.?调整电流保护为15A。?
d.?测量断口耐压试验前的绝缘电阻与出厂测量值比较无明显差别,测试完毕充分放电。
e.?将高压线接到断路器,升到试验电压,维持1分钟。
f.?降下电压,断开电源,测量试后绝缘电阻,测试完毕充分放电。
g. 数据分析:试验中不应发生贯穿性放电。?
8.4.4绝缘电阻试验:??试验仪器:2500V摇表
8.4.4.1试验接线:将测试线接入被试母线。
8.4.4.2试验步骤:?
a.?用2500V摇表测量任一相母线对其他两相及地的绝缘电阻。
b.?记录表格:? 温度:

c.?数据分析:与出厂值相比应无明显差别。
d. 安全注意事项:试验过程中,严禁触摸被试物,以防电击。非被试母线短接接地。试验结束后,对试品充分放电。
8.5测量分、合闸线圈的直流电阻和绝缘电阻:
?8.5.1试验仪器:数字万用表,500V兆欧表。
?8.5.2试验步骤:?
a.?用万用表分别测量分、合闸线圈的直流电阻。?
b.?用500V兆欧表分别测量分、合闸线圈的绝缘电阻。?
c.?记录测量值和温度。?
d.?测试结束,应对线圈充分放电。
?e.?记录表格?
f.?数据分析:直流电阻值与产品出厂值相比较应无明显差别。绝缘电阻值不应低于10MΩ。?
g.?安全注意事项:用兆欧表测定绝缘电阻时,被试物要确实与电源断开,试验中要防止与人体接触,试验后被试物必须放电
9.过电压保护器试验
1)试验项目:绝缘电阻、底座绝缘电阻、放电计数器动作检查、直流 lmA电压 UlmA及0.75UlmA 下 的泄漏电流、运行电压下的交流泄漏电流。
2)例行试验项目:红外热像检测(精密测温)、运行中持续电流检测、底座绝缘电阻、放电计数器功能检查。
3)诊断性试验项目:工频参考电流下的工频参考电压、均压电容的电容量、直流1mA 电压(U1mA)及在0.75 U1mA 下泄漏电流测量。如图A

图A
1、测量避雷器及底座绝缘电阻
1)试验目的测量无间隙金属氧化锌避雷器的绝缘电阻可以初步判断避雷器内部是否受潮。测量底座绝缘电阻,判断底座绝缘是否良好。
2)试验方法及步骤使用2500V及以上兆欧表。使用2500V及以上兆欧表,摇测避雷器的两极绝缘电阻,1min记录绝缘电阻值。用接地线对避雷器的两极充分放电。
3)判断方法无间隙金属氧化物避雷器:35kV以上,绝缘电阻不低于2500M;35kV及以下,绝缘电阻不低于1000M。底座绝缘电阻:自行规定,可在带电情况下检查。
2、直流1mA电压U1mA及0.75U1mA下的泄漏电流测量
1)氧化锌避雷器试验目的为了检查氧化锌阀片是否受潮或者是否劣化,确定其动作性能是否符合产品性能要求。
2)氧化锌避雷器试验方法及步骤
将避雷器瓷套表面擦拭干净。采用高压直流发生器进行试验接线(选用的试验设备额定电压应高于被试避雷器的直流1mA电压),泄漏电流应在高压侧读表,测量电流的导线应使用屏蔽线。
升压。在直流泄漏电流超过200uA时,此时电压升高一点,电流将会急剧增大,所以应放慢升压速度,在电流达到1mA时,读取电压值U1mA后,降压至零。
计算0.75倍U1mA值。
升压至0.75U1mA,测量泄漏电流大小降压至零,断开试验电流。待电压表指示基本为零时,用放电杆对避雷器放电,挂接地线,拆试验接线。
a)将避雷器瓷套表面擦拭干净。
b) 采用高压直流发生器进行试验接线(选用的试验设备额定电压应高于被试避雷器的直流1mA电压),泄漏电流应在高压侧读表,测量电流的导线应使用屏蔽线。
c)升压。在直流泄漏电流超过200uA 时,此时电压升高一点,电流将会急剧增大,所以应放慢升压速度,在电流达到1mA时,读取电压值U1mA后,降压至零。
d)计算0.75倍U1mA值。
e)升压至0.75U1mA,测量泄漏电流大小。
f)降压至零,断开试验电流。
g)待电压表指示基本为零时,用放电杆对避雷器放电,挂接地线,拆试验接线。
h) 记录环境温度。
3、安全注意事项:试验过程中,严禁触摸被试物,以防电击。试验结束后,对试品充分放电。?
4、数据分析:与出厂值相比应无明显差别
10.开关柜配电装置交流耐压试验
?10.1使用变频串联谐振试验装置进行工频交流耐压试验?
10.2操作步骤?
a.?按设备要求选择同电压等级电源。
?b.?按设备接线要求连接好测试导线,将被试绕组的两端与试验变压器的高压端相连接,其余不参与试验的绕组两端均应与外壳相连并可靠接地。?
c.?在试验人员全部离开高压危险区后方可施加电压。?
d.?试验时施加到被试品的试验电压应从零开始,均匀升至试验电压,当升到规定的电压后,保持1min,然后迅速将试验电压降至为零,切断电源做好详细记录。
e.?对被试品用放电棒充分对地放电,拆除连接线。
?f.?试验标准:母线与电流互感器及断路器整体作工频交流耐压试验,故按照电流互感器标准施压38KV保持1min,电流电压应稳定,无闪络、放电、击穿现象。
11 .变压器试验:
11.1 试验项目:
?11.1.1测量绕组连同套管的直流电阻。?
11.1.2测量绕组连同套管的绝缘电阻和吸收比。?
11.1.3绕组连同套管的工频交流耐压试验。?
11.1.4额定电压下的冲击合闸试验?
11.1.5?检查相位?
11.1.6测量噪音?
11.2 施工准备和作业条件?
11.2.1?施工准备??
11.2.1.1?审查图纸,熟悉被试验电气设备。?
?11.2.1.2?编写调试方案。??
11.2.1.3?根据调试项目合理选用试验检测仪器、仪表及试验设备。??11.2.1.4?安全合理布置试验场地,做好安全措施,与带电部分保持足够安 全距离,测量控制及操作装置应在就近放置,以便于操作及读数。??11.2.1.5?根据设计图纸核对被试验电气设备的名称、型号、规格、额定电压等技术参数与原设计是否相符。??
11.3 准备试验设备?
11.3.1??直流电阻快速测试仪1台。??
11.3.2??YD交流高压试验变压器1台。?
11.3.3??2500V兆欧表1台。??
11.3.4? 数字万用表1块。?
11.3.4 电工工具1套,电源线2套。?
11.4 作业条件
11.4.1?变压器本体及其附件均安装结束并经质检验收合格。?
11.4.2?变压器本体接地施工完毕。?
11.4.3?变压器附近的有关沟道施工完毕现场已清理平整。
11.4.4?变压器技术文件和出厂试验报告齐全。
?11.5 安全技术措施及注意事项??
11.5.1 ?参加调试人员必须熟悉变压器的性能及技术数据,技术标准。调试人员必须持证上岗。?
?11.5.2? 参加调试人员要严格按指挥命令进行操作,未接到命令严禁擅自操作。??
11.5.3? 变压器试验应有两个或两个以上技术熟练的人员共同进行,试验负责人应有经验丰富的人员担任,一人操作,?一人监护,试验时必须严格按照安全操作规程进行,试验前试验负责人应对全体试验人员详细布置试验中的注意事项。??
11.5.4? 电气设备的绝缘测试及耐压试验应在干燥晴朗的良好天气下进行,不得在低温、高温和阴雨等恶劣天气中进行,试验时环境温度不得低于5度,相对湿度不高于80%.?
11.5.5 试验前必须先使用绝缘电阻表进行绝缘电阻测试,只有在使用非破坏性的方法确认电气设备的绝缘性能良好的情况下,方可进行诸如直流耐压、交流耐压试验等其他试验。?
11.5.6 变压器进行耐压试验前后均应测量其绝缘电阻,以比较耐压试验前后电气设备的绝缘变化情况。?
11.5.7?进行电气试验时所使用的仪器仪表应根据被调整的参数及其精度要求进行选取。所选用的标准仪器仪表的量程和准确度等级均应满足调整的要求。
11.5.8?高压试验加压部分与其他部分的断开点,按试验电压应有足够的安全距离。?
11.5.9?因试验需要断开设备接头时,拆前应做好标记,接线应进行检查校对。?
11.5.10?试验装置的金属外壳应可靠接地;高压引线应尽量缩短,必要时用绝缘物支挂牢固。试验装置的电源开关应使用明显断开的双极隔离开关。?
11.5.11?试验现场应装设遮拦和围栏,向外悬挂“止步,高压危险!”的标示牌,并派人看守。?
11.5.12?加压前必须认真检查试验接线,表记倍率、量程,调压器零位及仪表的开始状态,均应正确无误;然后通知有关人员离开被试设备,并取得试验负责人许可方可加压;加压过程中应有监护。高压试验工作人员在加压全过程中应精力集中,不得与他人闲谈,随时警戒异常现象发生,操作人员应站在绝缘垫上。
?11.5.13?变更接线或试验结束时,应首先断开试验电源,放电,并将升压设备的高压部分短路接地。
?11.5.14?未装地线的大电容被试设备,应先行放电再做试验,高压直流试验时每告一段落或试验结束时,应将设备对地放电数次,并短路接地。?
11. 5.15 ?试验结束时,试验人员应拆除自装的接地短路线,对被试设备进行检查并清理现场。
11.5.16 试验过程中做好原始记录,?并且要准确地记录试验和调整时被试设备的温度,以及周围环境的温度、湿度等有关资料。
11.6 环境保护措施?
11.6.1?施工试验现场注意保持清洁卫生;?
11.6.2?禁止施工人员踩踏污损设备、壳体、墙体等。
11.7 实验方案
1.测量绕组连同套管的直流电阻
2.测量绕组连同套管的绝缘电阻和吸收比
3.绕组连同套管的工频交流耐压试验
4.检测变压器的三相接线组别
5.额定电压下的冲击合闸试验
6.检测相位
11.8试验方法?
11.8.1?使用直流电阻快速测试仪,测量绕组直流电阻。
?11.8.1.1?测试步骤?
1.?接通电源确认电源电压符合试验设备的标准要求,预热60s?即可进行测量。?
2.?U+、I+为1套接线夹,U-、I-为另1套接线夹,接线时必须将U+夹在I+夹的内侧,U-夹在I-夹的内侧。?
3.?打开电源开关,在接好测试线的情况下按下放电键,表头显示应为零,否则调整调零旋钮。?
4.?按量程切换开关选择适当量程,待显示稳定后读取数据,做好详细记录。?
5.?测试完成后按下放电键,待表头显示为零时拆除测试连线。
? 11.8.1.2?试验标准?
1. 测量应在各分接头的所有位置上进行;?
? 2. 1600kVA?及以下电压等级三相变压器,各相测得值的相互差值应小于平均值的?4%,线间测得值的相互差值应小于平均值的2%。
3. 变压器的直流电阻,与同温下产品出厂实测数值比较,相应变化不应大于?2%;不同温度下电阻值按照下式换算:??R2=R1(T+t2)/(?T+t1)??????????????????????????式中?R1、R2——分别为温度在t1、t2时的电阻值;??T——计算用常数,铜导线取235,铝导线取225。?
11.8.2?使用2500V兆欧表测量绕组的绝缘电阻和吸收比。
11.8.2.1?测试步骤????
? 1.?试验前先检查安全措施,被试品电源及一切对外连线应拆除。被试品接地放电,大容量设备至少放电5min。勿用手直接接触放电导线。
? 2.?根据表面脏污及潮湿情况决定是否采用表面屏蔽或需要烘干以及清擦干净表面脏污,以消除表面脏污对绝缘电阻的影响。?
3.?放稳绝缘电阻表,检验绝缘电阻表是否指“0”。短接“L”、“E”时应是瞬间,低速,以免损坏绝缘电阻表。
? 4.?将被试品测量部分分接与“L”与“E”端子之间,“L”端子接高压测量部分,“E”端子接外壳接地部分。驱动绝缘电阻表达额定转速(120r/min),读取1min时的绝缘电阻值。?
5.?测量吸收比时,先驱动绝缘电阻表达额定转速,待指示为“∞”时,将“L”端子接与被试品,同时开始计算时间,读取15s和60s时绝缘电阻值。读数后先断开“L”端子与被试品连线,再停止摇动,防止反冲电损坏绝缘电阻表。?
6.?试验完毕或重复试验时,必须将被试品对地或两极间充分放电,以保证人身、 仪器安全和提高测量准确度。?
7.?记录被试品设备铭牌,运行编号、环境温度、环境湿度及使用的绝缘电阻表型号。?
11.8.2.2?试验标准??
? 1.绕组绝缘电阻值不应低于出厂产品实验值的70%;?注:测试条件温度为10℃~40℃,湿度≤85%;???
2.?吸收比不应低于1.3?.?
11.8.3使用谐振耐压设备对绕组进行工频交流耐压试验。?
11.8.3.1?操作步骤??
?1.?按设备要求选择同电压等级电源。
2.?按设备接线要求连接好测试导线,将被试绕组的两端与试验电抗器的高压端相连接,其余不参与试验的绕组两端均应与外壳相连并可靠接地。?
3.?在试验人员全部离开高压危险区后方可施加电压。?
4.?试验时施加到被试品的试验电压应从零开始,均匀升至试验电压,当升到规定的电压后,保持1min,然后迅速将试验电压降至为零,切断电源做好详细记录。?
5.?对被试品用放电棒充分对地放电,拆除连接线。?
6.?测量变压器绕组绝缘电阻。?
11.8.3.2?试验标准???
1.对容量在10000kW以下干式变压器施加(1000+2U.)×O.8工频试验电压保持1min,电流电压稳定,无闪络、放电、击穿现象。?
2.测量变压器绕组绝缘电阻与耐压前应无明显差异。?
11.9试验总结?
11.9.1试验完成,根据试验数据填写试验报告,依据电气设备交接试验标准以及产品使用说明书判断产品质量是否合格。
11.9.2各项试验数据及内容应符合电气设备交接试验标准规定方可投入电源进入变压器试运阶段。
? 11.9.3?设备经过规定时间的试运,一切正常后向甲方提供完整的试验报告及其他技术资料。
11.10.?风险分析及防范措施:
11.10.1本试验项目的危险因素:触电、高压伤人等。?
11.10.2试验人员认真学习作业指导书,应熟练掌握有关内容。???做好技术交底和安全交底。
12. 高压电缆头制作
12.1 作业条件
12.1.1 材料验收
仔细核对所使用的电缆终端头附带材料,确保终端头的类型、技术参数等符合现场使用的条件;检查终端头附件是否齐全,再核对附件时要仔细阅读厂家使用说明书。
12.1.2 施工条件检查
a、电缆头制作场地必须干净整洁,没有灰尘。
b、高压电缆已经敷设至柜内,并捆扎完成、预留足够的预留。
c、电缆端头的封包完好电缆未被破坏、受潮、
d、电缆完成校线、电缆绝缘遥测合格。
e、天气晴朗、空气湿度小。
12.1.3施工技术准备
a、仔细阅读电缆终端头内附带厂家技术说明
b、操作工人熟悉冷缩电缆头制作的工艺流程及控制要点
12.1.4 主要机具
液压接线钳、裁纸刀、剥线钳、干净抹布、盒尺、绝缘摇表、湿度计、个人工具。
12.2 冷缩电缆头制作的基本工艺原理
利用冷缩管的收缩性,使冷缩管与电缆完全紧贴,同时用半导体自粘带密封端口,使其具有良好的绝缘和防水防潮效果。
12.3 冷缩电缆头制作的工艺流程
12.3.1剥外护套
将电缆校直、擦净。剥去从安装位置到接线端子的外护套(可将恒力弹簧暂时绕在外护套切断处,以方便剥去外护套)。
12.3.2锯钢铠
暂用恒力弹簧顺钢铠将钢铠扎住,然后顺钢铠包紧方向锯一环形深痕,(不要锯断第二层钢铠,防止伤到电缆),用一字螺丝刀撬起(钢铠边断开),再用 钳子拉下并转松钢铠,脱出钢铠带,处理好锯断处的毛刺。整个过程都要顺钢铠包紧方向,不能让电缆上的钢铠松脱。
12.3.3剥内护套:关键点:防止划伤铜屏蔽
留钢铠30mm、内护套10mm,并用扎丝或PVC带缠绕钢铠以防松散。铜屏蔽端头用PVC带缠紧,以防松散和划伤冷缩管。
12.3.4安装钢铠接地线
将三角垫锥用力塞入电缆分岔处,除去钢铠上的油漆、铁锈,用大恒力弹簧将钢铠地线固定在钢铠上。为固定牢固,地线应预留10~20mm,恒力弹簧缠绕一圈后,把预留部分反折,再用恒力弹簧缠绕。
12.3.5 缠填充胶
自断口以下50mm至整个恒力弹簧、钢铠及内护层,用填充胶缠绕两层,三岔口处多缠一层,这样做出的冷缩指套饱满充实。
12.36 固定铜屏蔽接地线
将一端分成三股的地线分别用三个小恒力弹簧固定在三相铜屏蔽上,缠好后尽量把弹簧往里推。将钢铠地线与铜屏蔽地线分开,不要短接。
12.3.7 安装冷缩3芯分支:(按电缆附件说明书的要求进行)
12.3.8 套装冷缩护套管:
可在填充胶及小恒力弹簧外缠一层黑色自粘带,使冷缩指套内的塑料条易于抽出。将指端的三个小支撑管略微拽出一点(从里看和指根对齐),再将指套套入尽量下压,逆时针将端塑料条抽出。清洁屏蔽层后,在指套端头往上100mm之内缠绕PVC带,将冷缩管套至指套根部,逆时针抽出塑料条,抽时用手扶着冷缩管末端,定位后松开,不要一直攥着未收缩的冷缩管,根据冷缩管端头到接线端子的距离切除或加长冷缩管或切除多余的线芯。
12.3.9 剥铜屏蔽层
在电缆芯线分叉处做好色相标记,按电缆附件说明书,正确测量好铜屏蔽层切断处位置,(用PVC带包一下,防止铜屏蔽层松开),或在切断处内侧用铜丝扎紧,顺铜带扎紧方向沿铜丝用刀划一浅痕(注意不能划破半导体层!),慢慢将铜屏蔽带撕下,最后顺铜带扎紧方向解掉铜丝。
12.3.10 剥外半导电层
在离铜带断口10-20mm处(以说明书规定尺寸为准)为外半导电层断口,断口内侧包一圈胶带作标记。
a、剥离型外半导电层处理方法
在预定的半导电层剥切处(胶带外侧),用刀划一环痕,从环痕向未端划两条竖痕,间距约10mm。然后将些条形半导电层从未端向环形痕方向撕下(注意,不能拉起环痕内侧的半导电层!),用刀划痕时不应损伤绝缘层,半导电层断口应整齐。检查主绝缘层表面有无刀痕和残留的半导电材料,如有应清理干净。
b、不可剥离型外半导电层处理方法
从芯线未端开始用玻璃刮掉半导电层(也可用专用刀具),在断口处刮一斜坡,断口要整齐,主绝缘层表面不应留半导电材料,且表面应采用砂带打磨光滑。(35kV电缆的外屏蔽多为不可剥离型)
12.3.11 安装接线端子
测量好电缆固定位置和各相引线所需长度,锯掉多余的引线。测量接线端子压接芯线的长度,按尺寸剥去主绝缘层,压接线端子。锉除接线端子压接毛刺、棱角,并清洗干净。
12.3.12 清洁主绝缘层表面
用专用清洁剂擦净主绝缘表面的污物,清洁时注意应从绝缘端擦向外半导层端,一般不要反向擦,以免将半导电物质带到主绝缘层表面。
12.3.13 安装冷缩电缆终端管
用填充胶将端子压接部位的间隙和压痕缠平。将冷缩管终端套入电缆线芯并和限位线对齐,轻轻拉动支撑条,使冷缩管收缩。
12.3.14 密封端口
分别在收缩后各相冷缩管和冷缩指套的端口处包绕半导体自粘带。这样,既能使冷缩管外半导体层与电缆外半导体屏蔽层良好接触,又能起到轴向防水防潮的作用。
12.4制作冷缩电缆头注意事项
a、冷缩电缆终端头的制作必须在天气晴朗、空气干燥的情况下进行。施工场地应清洁,无飞扬的灰尘或纸屑。
国家标准GB50168-92《电缆线路施工及验收规范》第6.1.3条规定:“制做塑料绝缘电力电缆终端与接头时,应防止尘埃、杂物落入绝缘内。严禁在雾或雨中施工”。如果在制作中不注意环境因素的影响,就会电缆头绝缘中由于进入尘埃、杂质等形成气隙,并在强电场下发生局部放电,继而发展为绝缘击穿,造成电缆头击穿的故障。如果在潮湿的环境中制作,则电缆容易受潮而使得整体绝缘水平下降,另外也容易进入潮气形成气隙而出现局部放电。
b、剥除半导电屏蔽层并清除干净
半导电屏蔽层是电缆的一个非常重要的组成部分。电缆导体由多根导线绞合而成,它与绝缘层之间易形成气隙,导体表面不光滑,会造成电场集中。在导体表面加一层半导电材料的屏蔽层,它与被屏蔽的导体等电位并与绝缘层良好接触,从而避免在导体与绝缘层之间发生局部放电,这一层屏蔽为内屏蔽层;同样在绝缘表面和护套接触处也可能存在间隙,是引起局部放电的因素,故在绝缘层表面加一层半导电材料的屏蔽层,它与被屏蔽的绝缘层有良好接触,与金属护套等电位,从而避免在绝缘层与护套之间发生局部放电,这一层屏蔽为外屏蔽层。
半导电屏蔽层在电缆中主要起均匀电场和消除气隙,降低或消除局部放电电量的作用。但在制作电缆头时必须要剥除并清除干净,其主要目的是用来保证高压对地的爬电距离的。
国家标准GB50168-92,《电缆线路施工及验收规范》第6.2.5条规定:“塑料绝缘电缆在制作终端头和接头时,应彻底清除半导电屏蔽层。”如果不剥除半导电屏蔽层或清除不干净,一方面由于爬电距离不够容易在接线端子处发生沿面闪络,另一方面也容易产生气隙而引发局部放电。
c、应采取绕半导电带等改善电缆屏蔽端部电场集中的措施
国家标准GB50168-92《电缆线路施工及验收规范》第6.2.3条规定:“6kV及以上电力电缆的终端和接头,尚应有改善电缆屏蔽端部电场集中的有效措施,并应确保外绝缘相间和对地距离。”电缆终端头的铜屏蔽断口处和接线端子端部,由于电场集中,需要采取绕半导电带等改善电场集中的措施。如果不采取这些措施,则会使得运行电缆在屏蔽层断口处电场集中,成为薄弱环节,容易引发电缆绝缘击穿故障。
d、制作完成后,应采取堵漏、防潮和密封措施
国家标准GB50168-92,《电缆线路施工及验收规范》第6.2.11条规定:“装配、组合电缆终端和接头时,各部件间的配合或搭接处必须采取堵漏、防潮和密封措施。塑料电缆宜采用自粘带、粘胶带、胶粘剂(热熔胶)等方式密封;塑料护套表面应打毛,粘接表面应用溶剂除去油污,粘接应良好”。冷缩电缆头制作完成后,应分别在收缩后各相冷缩管和冷缩指套的端口处包绕半导体自粘带。这样,既能使冷缩管外半导体层与电缆外半导体屏蔽层良好接触,又能起到轴向防水防潮的作用。包绕自粘带,是冷缩接头防潮密封的关键环节,要以半重叠法从接头一端起向另一端包绕,然后再反向包绕至起始端。每层包绕后,应用双手依次紧握,使之更好地粘合。包绕时应拉力适当,做到包绕紧密无缝隙。
如果不采取这些堵漏、防潮和密封措施,则电缆头在运行过程中,容易逐步渗入进潮气、杂质等,引发电缆头绝缘击穿故障。
13 .高压电缆试验
13.1试验项目?
13.1.1??测量电缆的绝缘电阻?
13.1.2??电缆的直流耐压试验和泄漏电流测量?
13.1.3??检查确定电缆两端的相位?
13.2安全技术措施及注意事项?
13.2.1?参加调试人员必须熟悉电缆的性能及技术数据,技术标准。调试人员必须持????证上岗。?
13.2.2?参加调试人员要严格按指挥命令进行操作,未接到命令严禁擅自操作。?
13.2.3电缆试验应有两个或两个以上技术熟练的人员共同进行,试验负责人应有经验丰?富的人员担任,一人操作,?一人监护,试验时必须严格按照安全操作规程进行,试验前试验负责人应对全体试验人员详细布置试验中的注意事项。?
13.2.4?电气设备的绝缘测试及耐压试验应在干燥晴朗的良好天气下进行,不得在低温、?高温和阴雨等恶劣天气中进行,试验时环境温度不得低于5度,相对湿度不高于80%。
?13.2.5?对电缆升压试验前必须先使用绝缘电阻表进行绝缘电阻测试,只有在使用非破坏性的方法确认电气设备的绝缘性能良好的情况下,方可进行耐压试验。?
13.2.6进行电气试验时所使用的仪器仪表应根据被调整的参数及其精度要求进行选取。所选用的标准仪器仪表的量程和准确度等级均应满足调整的要求。?
13.2.7?高压试验加压部分与其他部分的断开点,按试验电压应有足够的安全距离。?
13.2.8?因试验需要断开设备接头时,拆前应做好标记,接后应进行检查校对。?
13.2.9?试验装置的金属外壳应可靠接地;高压引线应尽量缩短,必要时用绝缘物支挂牢固。试验装置的电源开关应使用明显断开的双极隔离开关。?
13.2.10?试验现场应装设遮拦和围栏,向外悬挂“止步,高压危险!”的标示牌,并派?人看守。?1
13.2.11?加压前必须认真检查试验接线,表记倍率、量程,调压器零位及仪表的开始状?态,均应正确无误;然后通知有关人员离开被试设备,并取得试验负责人许可,方可加?压;加压过程中应有监护。高压试验工作人员在加压全过程中应精力集中,不得与他人?闲谈,随时警戒异常现象发生,操作人员应站在绝缘垫上。?
13.2.12?变更接线或试验结束时,应首先断开试验电源,放电,并将升压设备的高压部?分短路接地。?
13.2.13?未装地线的大电容被试设备,应先行放电再做试验,高压直流试验时每告一段?落或试验结束时,应将设备对地放电数次,并短路接地。?
13.2.14?试验结束时,试验人员应拆除自装的接地短路线,对被试设备进行检查并清理?现场。?
13.2.15?对于电缆试验均须做好原始记录,?并且要准确地记录试验和调整时被试设备???的温度,以及周围环境的温度、湿度等有关资料。?
13.3环境保护措施?
13.3.1?施工试验现场注意保持清洁卫生;?
13.3.2?禁止施工人员踩踏污损设备、盘台、墙体、管道等。
13.4?试验步骤?
13.4?.1???电缆主绝缘绝缘电阻测量?
13.4?.1.1断开被试品的电源,拆除或断开其对外的一切连线,并将其接地充分放电;
13.4?.1.2?用干燥清洁柔软的布檫净电缆头,然后将非被试相缆芯与铅皮一同接地,逐相测量。??
13.4?.1.3?将兆欧表放置平稳,将兆欧表的接地端头“E”与被试品的接地端相连,带?有屏蔽线的测量导线的火线和屏蔽线分别与兆欧表的测量端头“L”及屏蔽端头“G”相?连接。?
13.4?.1.4?接线完成后,先驱动兆欧表至额定转速(120转/分钟),此时,兆欧表指针?应指向“∞”,再将火线接至被试品,待指针稳定后,读取绝缘电阻的数值。
13.4?.1.5读取绝缘电阻的数值后,先断开接至被试品的火线,然后再将兆欧表停止运?转。?
13.4?.1.6?将被试相电缆充分放电,操作应采用绝缘工具。?
13.4?.1.7注意事项?
a兆欧表接线端柱引出线不要靠在一起;
?b测量时,兆欧表转速应尽可能保持额定值并维持恒定。
c被试品温度不低于+5℃,户外试验应在良好的天气下进行,且空气的相对湿度一般不高于80%。
?13.4?.2交流耐压试验?
13.4?.2.1试验仪器?
交流谐振耐压试验一套?
13.4?.2.2试验步骤?
a、按照试验接线图由一人接线,接线完后由另一人检查,内容包括试验?接线有无错误,???各仪表量程是否合适,试验仪器现场布局是否合理,试验人员的位置是否正确。?
b、将电缆充分放电。?
c、合上电源刀闸,设置试验电压、保护电压、保护电流。试验电压按照规程18/30以???下2.5U0,耐压时间5min,保护电压为1.1倍试验电压。保护电流为设备额定电流。?
d?、谐振试验严格按照设备说明书进行操作,严密监视,升压平稳、电流稳定无异常现???象。?
e、试验完毕,应先将电压快速退回零位并切断电源。
?13.4?.2.3注意事项?
a、试验时,应每相分别施加电压,其他非被试相应短路接地。
b、?每次改变试验接线时,应保证电缆电荷完全泄放完、电源断开、调压器处于零位,??将待被试的相先接地,接线完毕后加压前取下该相的地线。?
13.4?.3检查相位
?13.4?.3.1?测量目的?检查电缆两端相位一致并应与电网相位相符合,以免造成短路事故。?
13.4?.3.2?试验仪器:
数字万用表(或摇表)
?13.4?.3.3试验步骤?
a.?在电缆一端将某相接地,其他两相悬空,准备好以后,用对讲机呼叫电缆另一端准备测量。?
b.?将万用表的档位开关置于测量电阻的合适位置,打开万用表电源,黑表笔接地,将红表笔依次接触三相,观察红表笔处于不同相时电阻值的大小。?
c.?当测得某相直流电阻较小而其他两相直流电阻无穷大时(此时表),说明该相在另一端接地,呼叫对侧做好相序标记(己侧也做好相同的相序标记)。?
d.?重复步骤ABC,直至找完全部三相为止,最后随即复查任意一相,确保电缆两端相序正确
14.继电保护试验:
14.1保护装置调试工艺流程:

14.2??微机保护调试?
14.2.1、外观及接线检查:?
14.2.1.1、检查各元件是否有松动,有无机械损伤,连线是否完好。
14.2.1.2、检查配线有无断线、接不牢或碰线。?
14.2.1.3、检查各装置电气参数是否与现场一致。?
14.2.2、绝缘电阻检测:?
14.2.2.1、分组回路绝缘电阻检测。采用1000V摇表分别测量各组回路间及各组回路对地的绝缘电阻,均应大于10MΩ。?
14.2.2.2、整个二次回路的绝缘电阻检测。在保护屏端子排处将所有电流、电压及直流回路连接在一起,并将接地点拆开,用1000V摇表测量整个回路对地的绝缘电阻,应大于1.0?MΩ。
14.2.3、通电初步检验:?
14.2.3.1、通电后,全面自检,查看各指示灯应正确,液晶显示屏完好。?14.2.2.2、检验按键及查看各功能菜单。
?14.2.4、打印机与保护装置联机试验:?检查打印机与保护装置通信正常,测试打印保护装置的动作报告、定值和自检报告。
14.2.5、软件版本与程序校验码的核查?
14.2.6、定值整定:?检验定值的修改、固化功能;定值区拨轮开关检验。?
14.2.7、开关量输入检验?依次进行开关量的输入和断开,同时监视液晶屏变位情况,测量相应端子的导通与断开。?
14.2.8、模拟量精度检验?检验装置的零漂;分别加入电流电压亮,测试装置在不同幅值下的精度,同时检验电流电压角度是否正确
14.2.9、保护定值检验?测试装置的TV断线,TA断线;根据不同保护逻辑,测试装置在系统各种模拟故障下的动作情况,检查信号灯及触点动作。?
14.2.10、按规程检查出口继电器性能指标,应满足要求。?
14.2.11、整组试验:?
14.2.11.1、模拟各种故障,从装置的总出口检查装置的整体动作情况;整组动作时间测量;线路保护重合闸功能测试;?
14.2.11.2、与其它保护装置配合联动试验;?
14.2.12、传动试验:模拟各种故障,检查各开关动作情况验证回路正确性;线路保护进行通道测试。?
14.2.13、带负荷试验:带负荷后检查有所有电流电压回路的极性。??
14.3系统保护调试?
14.3.1、保护组件调试?
14.3.1.1、按《检验条例》对保护装置进行外部检查,检查装置的实际构成情况是否与设计相符合,屏内连线是否正确,标号是否齐全,与图纸是否相符。?
14.3.1.2、检查各插件拔、插应灵活,固定应良好,大电流端子的短接片在插件插入时应能分开,印刷电路无损伤,焊接质量应良好,无虚焊、脱焊现象,集成电路芯片应抓紧,型号正确,后板配线应无断线。
14.3.1.3、绝缘及耐压试验?在保护屏端子处,将所有外部引入的回路及电缆全部断开,分别将电流、电压、直流控制信号回路的所有端子连接在一起,用1000V摇表测量各回路对地及各回路间1min绝缘电阻,应符合检验要求。?
14.3.1.4、检验打印机工作应正常
14.3.1.5、检验保护键盘功能应正常,保护装置自检正常,核查保护软件版本和程序校验码应符合出厂值。
14.3.1.6、检验保护定值修改允许开关的功能,定值分页拨轮开关的功能,定值的失电保护功能应正常,定值整定正确。
14.3.1.7、开关量输入回路检验正确。
14.3.1.8、调整模数变换系统的零漂值、有效值、幅值特性、相位特性应在规范要求之内。
14.3.1.9、保护定值校验,在95%和105%倍的整定值下模拟各种故障进行校验。?
14.3.1.10、在保护装置动作和不动作情况下,对各种功能回路检查输出触点和信号是否正确。?
14.3.1.11、对继电器及辅助设备的检验:?
①检查继电器的可动部分应动作灵活可靠,接点接触应良好,动作返回应可靠。?②按厂家技术要求及检验规程对各项目进行检验,应符合规范要求。??
14.3.2、保护组件调试?二次回路检查?
14.3.2.1、保护原理及保护装置本身特点和要求,认真审核图纸,发现问题及时向技术部门反映,并予以纠正。
14.3.2.2根据最终修改后图纸对二次接线进行认真仔细的检查,发现与设计图纸不符的地方,应及时予以纠正。
14.3.2.3用从一次侧加电流的方法检查电流回路二次接线,并进一步校核户外电流互感器各绕组的变化,应符合设计要求。
14.3.2.4从户外电压互感器端子箱处加入电压的方法检查电压二次接线,包括同期(准回路的正确性。??
14.4、传动试验?
14.4.1、断开断路器的跳、合闸回路,接入断路器模拟装置,每一套保护单独进行整定试验。按保护的动作原理通入相应的模拟故障电压、电流值,检查保护各组件的相互动作情况是否与设计原理相吻合,当出现动作情况与原设计不相符合时,应查出原因加以改正。如原设计有问题及时向技术部门反映,待有关部门研究出合理的解决措施后,应重复检查相应回路。?
14.4.2、检测保护的动作时间,即自向保护屏通入模拟故障分量至保护动作向断路器发生跳闸脉冲的全部时间。
14.4.3、各保护的整定试验正确无误后,将同一被保护设备的所有保护装置连在一起进行整组的检查试验,以校验保护回路设计正确性。?
14.4.4、检查有关跳合闸回路、防跳回咱路、重合闸回路及压力闭锁回路正确性。?
14.4.5、检验各套保护间的电压、电流回路的相序及极性,与跳合闸回路的相另是否一致。?
14.4.6、检查有关信号批示是否正确。?
14.4.7、检查各套保护在直流电源正常及异常状态下是否存在寄生回路。?
14.4.8、检验有配合要求的各保护组件是否满足配合要求。?
14.4.9、接入断路器跳合闸回路,模拟各类故障状态进行传动试验,检查断路器跳合闸回路应正常。
14.5、保护联调?
14.5.1、光纤保护联调前的准备工作:?
14.5.1.1、网络布置,配置系统数据库;
14.5.1.2、检验实时数据库,包括接线图、数据一览表,测试打印功能;?
14.5.1.3、检验监控设备的运行工况,试验通讯状况、双网切换;
14.5.1.4、测试事件信息,包括遥测越限、遥信变位、SOE、遥调遥控及保护动作等信息;
14.5.1.5、测试下装定值,故障录波分析;?
14.5.1.6、测试实时曲线、报表;?
14.5.1.7、与调度主站联调。?
14.5.2、光纤保护联调:?
14.5.2.1、测试光纤差动保护的的收、发电平应符合厂家装置的要求;?
14.5.2.2、检查本侧及对侧的电流、差流;
14.5.2.3、对侧断路器在跳位时,加电流使其大于差流整定值做区内故障;?
14.5.2.4、对侧在合位时应不动作;?
14.5.2.5、两侧开关在合位时,用GPS对时,同时在两侧加电流做区内、区外故障。??
14.5、带负荷试验?
14.5.1、利用一次负荷电流和工作电压测量电压、电流的相位关系。
14.5.2、核对系统相位关系。?
14.5.3、检查3U0、3I0回路接线应满足保护装置要求。?
14.54、测量交流电压、电流的数值,以实际负荷为基准,检验电压、电流互感器变比是否正确。
14.5.5、核查保护定值与开关量状态处于正常。?
14.5.6、带负荷检验正确后,恢复屏内接线,保护恢复正常,向调试汇报申请投入方向性组件,保护进入正常运行状态。?
14.6、质检要求?
14.6.1、继电保护装置按规程及厂家调试大纲进行调试,数据应符合要求,对不合格的元件进行更换。?
14.6.2、二次回路的绝缘要求良好。?
14.6.3、保护装置试验,按规程要求进行,调试数据应符合要求。?
14.6.4、记录?各种试验报告应按标准格式填写,要求数据真实,准确、清楚并且装订整齐。?
14.7、施工安全及环境保护措施?
14.7.1、进入现场的工作人员着装应符合要求,进入室外施工现场或室内有上、下层交叉作业地区时,应正确佩戴安全帽。?
14.7.2、调试现场应整齐、清洁、地面平整,控制室内未装设备的孔洞应进行封堵。?
14.7.3、试验操作台上的电源应按电源类别、相别进行合理布置。?
14.7.4、试验电源线应完好,无绝缘破裂和无裸露部分,仪器设备外壳应可靠接地。?
14.7.5、在二次回路通电前,应确定无人工作后,方可加压。?
14.7.6、进行传动试验时,必须派专人到现场监视其动作情况。并必须用对讲机通知,在必要时及时切断电源等。?
14.7.7、运行盘柜工作时,必须开具工作票,经运行单位许可方可作业。
15.风险控制措施:
?A、高压试验区域设置安全警示带,悬挂“止步、高压危险”标示牌,并派专人守护。?
B、接电源时,必须要有两人,一人工作,另一人监护。试验过程中不得靠近被试设备。?
C、试验中如发生异常,应立即断开电源,并经充分放电后方可进行检查。?
D、进行高压试验时,试验设备必须可靠接地,且接地线的截面不小于4mm2;?
E、试验工作前,须进行安全交底,设定监护人,按作业程序工作,并严格遵守安规关??于电气试验的有关规定,严禁与安装工作交叉作业;?
F、合闸前必须先检查接线,将调压器调至零位,并通知现场人员离开高压试验区域.?
G、试验中如发生异常情况,应立即断开电源,并接地放电后方可进行检查;?
H、高压试验必须有人监视操作,加压过程中,工作人员应集中精神;?
I、试验结束,检查被试设备上有无遗忘的物品。
16.环境因素分析及文明施工:
16.1本试验影响环境的因素:废弃白布、乙烯带等。?
16.2废弃白布、乙烯带等设专人保管,废料分类回收处理。?
16.3将施工区域与运行区域隔离,严禁进入、靠近运行配电装置?
16.4靠近运行配电装置施工时严格遵守操作规程及监护制度,防止误碰、误动配电装置??造成事故。?
16.5严禁大声喧哗、施工中防止剧烈震动、敲击。?
16.6严禁抛物,及时清点工机具及材料。摆放整齐。
相关推荐链接:
0人已收藏
0人已打赏
免费1人已点赞
分享
电气工程原创版块
返回版块2.2 万条内容 · 598 人订阅
阅读下一篇
超详细高压系统图文解析,还不赶紧收藏起来!知识点:高压系数高压系统的概念高压 就是电压等级为1000V及以上的电压即为高压。高压主要分为三类:发电电压:6kV、10kV、15kV等输送电压:35kV、110kV、220kV、380kV、500kV等区域电压:6kV、10kV等电力系统的概念:由发电、输电、变电、配电、用电的设备及相应的辅助系统组成的电能生产、输送、分配、使用的统一整体。高压系统的负荷分类高压用电负荷分为:一级负荷、二级负荷、三级负荷。
回帖成功
经验值 +10
全部回复(0 )
只看楼主 我来说两句抢沙发