知识点:直流式系统
1、直流系统的概念
直流系统是应用于水力、火力发电厂,各类变电站和其它使用直流设备的用户,为给信号设备、保护、自动装置、事故照明、应急电源及断路器分、合闸操作提供直流电源的电源设备。
直流系统是一个独立的电源,它不受发电机、厂用电及系统运行方式的影响,并在外部交流电中断的情况下,保证由后备电源—蓄电池继续提供直流电源的重要设备。直流屏的可靠性、安全性直接影响到电力系统供电的可靠性和安全性。
2、直流系统的构成及用途
电力系统中的直流电源部分由蓄电池组、充电设备、直流屏等设备组成。它的作用是:正常时为变电站内的断路器提供合闸直流电源;故障时,当厂、站用电中断的情况下为继电保护及自动装置、断路器跳闸与合闸、载波通信、发电厂直流电动机拖动的厂用机械提供工作直流电源。它的正常与否直接影响电力系统的安全可靠运行。
3、直流系统接地的危害
直流接地故障中,危害较大的是两点接地,可能造成严重后果。一点接地可能造成保护及自动装置误动或者拒动;而两点接地,除可能造成继电保护、信号、自动装置误动或拒动外,还可能造成直流保险熔断,使保护及自动装置、控制回路失去电源,在复杂保护回路中同极两点接地,还可能将某些继电器短接,不能动作跳闸,致使越级跳闸,造成事故扩大。
3.1正接地的危害
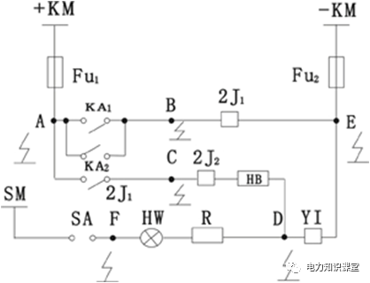
由于断路器跳闸线圈均接负极电源,当发生系统正极接地时,正极经过大地,构成回路。如图所示,当图中的A点和B点同时接地,相当于A、B两点通过大地相连接起来,中间继电器2J1动作生成断路器的跳闸。同理,当图中的A点和C点同时接地,和图中的A点、D点同时接地均可能生成断路器的跳闸。

3.2负接地的危害
负极接地可能造成断路器的拒绝动作,如图所示,当图中的B点,E点同时接地,B、E点通过地构成了回路,即B、E点相接将中间继电器2J1短接,此时,如果系统发生事故,保护动作由于中间继电器2J1被短接,2J1不工作,断路器不会动作,产生拒动现象,使事故越级扩大。同理,当图中的E点和C点同时接地和图中的E点和D点同时接地均可能生成断路器拒动现象。

4、直流系统接地故障分析
造成变电站直流系统接地的几种原因
(1)雷雨季节,室外端子箱或机构箱内潮湿积水导致直流二次回路中的正电源或负电源对地绝缘电阻下降,严重者可能到零,从而形成接地。
(2)部分型号手车开关的可动部分与固定部分的连接插头或插座缺少可靠的绝缘隔离措施,手车来回移动导致其中导线破损,从而使直流回路与开关金属部分相接触,从而导致接地。
(3)部分直流系统运行多年,二次设备绝缘老化、破损,极易出现接地现象。
(4)因施工工艺不严格,造成直流回路出现裸线、线头接触柜体等,引起接地。
5、直流系统接地故障的处理及注意事项
查找直流系统接地方法:
1) 检查直流母线(或直流分电屏)微机直流绝缘监测装置,用其确定故障母线及故障线路编号,判明接地极性及接地程度
2) 根据微机直流绝缘监测装置显示故障母线、故障线路编号,顺着线路进行查找
3) 询问有关岗位该回路是否有人工作,若有则立即停止工作
4) 查看有无新开启、有无落水的设备,对有怀疑的设备系统应重点进行查找
5) 从次要负荷到重要负荷,最后停保护、热控负荷的顺序依次瞬停查找
6) 试停绝缘监察装置后;若仍接地,则选择充电机、蓄电池及母线
7) 试拉直流电源进线闸刀,如果接地消失,说明是直流电源进线接地;如果接地仍不消失,说明是直流母线接地,应将控制直流负荷切至非接地母线运行,应根据值长命令将故障母线停电
8) 查找出接地设备后,通知检修处理,处理完毕,尽快恢复原方式。
拉路法是电力系统查直流接地故障一直沿用的一个简单办法。首先分清接地故障的极性,分析故障发生的原因。若站内二次回路有工作,或有设备检修试验,应立即停止。拉开其工作电源,看信号是否消除。用分网法缩小查找范围,将直流系统分成几个不相联系的部分。对于不太重要的直流负荷及不能转移的分路,利用“瞬时停电”的方法,查该分路中所带回路有无接地故障。对于重要的直流负荷,用转移负荷法,查该分路而带回路有无接地故障。
拉路寻找、分路处理以先信号、照明部分后操作部分,先室外后室内,先负荷后电源为原则。在切断各专用直流回路时,切断时间不得超过3秒钟,不论回路接地与否均应合上。
查找直流系统接地时的注意下列事项:
1) 查找直流接地时需两人进行,一人操作,一人监护;在查找接地或处理过程中不允许造成短路或另一点接地。
2) 试拉保护直流电源前,停用该路直流电源的所带保护或采取措施,以防保护误动;必要时会同电气二次人员进行
3) 试拉负荷前,应通知有关值班人员,瞬停方式试拉后,不论设备是否接地,均应立即送电
4) 在环路供电时,应同时拉开两路电源侧的空气开关
5) 直流接地时,禁止在二次回路上工作。
相关推荐链接:
0人已收藏
0人已打赏
免费1人已点赞
分享
继电保护
返回版块7.33 万条内容 · 486 人订阅
阅读下一篇
什么是柔性直流输电?知识点:柔性直流输电 柔 性直流输电指的是基于电压源换流器(VSC)的高压直流输电(HVDC),起源于20世纪90年代末,是继交流输电、常规直流输电后的一种新型直流输电方式。2006年。我国由中国电力科学研究院组织研讨会,将基于VSC技术的直流输电(第三代直流输电技术)统一命名为“柔性直流输电”,柔性一词来源于英文Flexible。柔性直流可以形象地比喻为电网中的可控“水坝”,兼容并蓄地精准控制电能潮流的方向、大小。
回帖成功
经验值 +10
全部回复(0 )
只看楼主 我来说两句抢沙发