知识点:直流汇流箱
1 分布式光伏电站简介
1.1 分布式电站典型系统框图
2 智能光伏直流汇流箱简介
2.1 组成
浪涌保护器
汇流采集装置
塑壳断路器
防反二极管
散热器
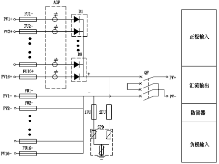
2.2 电气原理
2.3 结构
2.4 实物对比

市面上的产品

安科瑞产品箱体外形
安科瑞产品箱内布局
2.5 参数信息
2.6 执行标准
2.7 功能特点
3 结束语
相关推荐链接:
0人已收藏
0人已打赏
免费1人已点赞
分享
电气工程原创版块
返回版块2.2 万条内容 · 598 人订阅
回帖成功
经验值 +10
全部回复(0 )
只看楼主 我来说两句抢沙发