知识点:电气监控管理系统
10.2.7 老年人照料设施的非消防用电负荷应设置电气火灾监控系统。下列建筑或场所的非消防用电负荷宜设置电气火灾监控系统:
1 建筑高度大于 50m 的乙、丙类厂房和丙类仓库,室外消防用水量大于 30L/s 的厂房(仓库);
2 一类高层民用建筑;
3 座位数超过 1500 个的电影院、剧场,座位数超过 3000 个的体育馆,任一层建筑面积大于3000m? 的商店和展览建筑,省(市)级及以上的广播电视、电信和财贸金融建筑,室外消防用水量大于 25L/s 的其他公共建筑;
4 国家级文物保护单位的重点砖木或木结构的古建筑。
13.2.2 除现行国家标准《建筑设计防火规范》GB50016规定的建筑或场所外,下列民用建筑或场所的非消防负荷的配电回路应设置电气火灾监控系统:
1 民用机场航站楼,一级、二级汽车客运站,一级、二级港口客运站;
2 建筑总面积大于3000㎡的旅馆建筑、商场和超市;
3 座位数超过1500个的电影院、剧场,座位数超过3000个的体育馆,座位数超过2000个的会堂,座位数超过20000个的体育场;
4 藏书超过50万册的图书馆;
5 省级及以上博物馆、美术馆、文化馆、科技馆等公共建筑;
6 三级乙等及以上医院的病房楼、门诊楼;
7 省市级及以上电力调度楼、电信楼、邮政楼、防灾指挥调度楼、广播电视楼、档案楼;
8 城市轨道交通、一类交通隧道工程;
9 设置在地下、半地下或地上四层及以上的歌舞娱乐放映游艺场所,设置在首层、二层和三层且任一层建筑面积大于300㎡歌舞娱乐放映游艺场所;
10 幼儿园,中、小学的寄宿宿舍,老年人照料设施。
电气火灾监控系统不是强制要安装的系统,建筑设计防火规范 GB50016-2014中用词为“宜”。
民用建筑电气设计标准 GB51348-2019中增加了10类场所,用词为“应”。
电气火灾监控系统已由认监委下发文件,取消强制性认证,应急管理部消防产品合格评定中心已发布新的认证规则,改为自愿性认证。产品获得型式检验/试验报告后即可销售。可浏览www.cccf.net.cn进行相应产品的报告查询。
《公安部消防局2017年工作要点通知》中第12条提出“推动电气防火设施研发,安装电气火灾监控设备。”
国务院安全生产委员会的安委〔2017〕4号《关于开展电气火灾综合治理工作的通知》中提及:“鼓励社会单位应用电气火灾监控技术,提升对电器产品及其线路运行状态的监测、预警和处置能力。”
国务院办公厅2017年10月29日发布的《消防安全责任制实施办法》第十六条规定:消防安全重点单位应履行下列职责:“(六)积极应用消防远程监控、电气火灾监测、物联网技术等技防物防措施。”
这些文件对于电气火灾监控系统的应用提供了依据。
北京等地依据安委〔2017〕4号文件已单独发布文件或启动专项活动推进高层建筑的电气火灾监控系统安装、使用。
GB14287.2-2014中5.2.2明确规定“探测器不应具有断路器功能”;5.5.3规定“不应设置连接被检测线路的接线端子”,具有三相过电流功能必须有对应的相线接线端子,肯定不满足2014版产品标准的要求,地方标准不能违反国家标准的规定。
9.1.4 非独立式电气火灾监控探测器不应接入火灾报警控制器的探测器回路。
9.1.3……在无消防控制室且电气火灾监控探测器设置数量不超过 8 只时,可采用独立式电气火灾监控探测器。
电气火灾监控系统是独立的系统。探测器数量大于8只,必须配监控设备。
9.2.1 剩余电流式电气火灾监控探测器应以设置在低压配电系统首端为基本原则,宜设置在第一级配电柜(箱)的出线端。在供电线路泄漏电流大于 500mA 时,宜在其下一级配电柜(箱)设置。
配电箱进线应为三相五线,三根相线+N线+PE线,N线与PE线应分开。
在哪些配电箱应设置探测器规范没有规定,可多可少,可简可繁。
9.3.1 测温式电气火灾监控探测器应设置在电缆接头、端子、重点发热部件等部位。
9.3.2 保护对象为 1000V 及以下的配电线路,测温式电气火灾监控探测器应采用接触式布置。
EIDT100温度传感器金属部分用绑扎带绑在电缆接头处。
在装设完剩余电流探测器与互感器后开通调试时,往往会出现因配电线路布设/接线问题造成的探测器检测电流大、报警的问题,这正证明其装设的必要。
线路可能存在严重漏电,必须查找和消除隐患;线路安装不规范,应尽快纠正;探测器安装选点不正确,结合电气火灾消防要求和国家标准GB 13955-2005《剩余电流动作保护装置的安装和运行》,重新合理选点。
1.检查是否将LA、LB、LC与N线或L与N线同时穿过互感器,配电箱内或附近有无设备(如强电井内灯泡)及接线方式。
2.将配电箱输出的空开逐个断开,观察探测器或监控设备显示电流,当电流恢复正常时,找出有问题的回路进行详细检查。
如空开全部断开电流仍异常,故障点应在N线(有负载从本配电箱接N线,从其它配电箱接L线)或PE线(与N线混接)。
3.逐个检查配电箱(包括下一级配电箱及上一级配电柜)是否有N线(蓝线)接至接地排、PE线(黄绿线)接至接零排的情况。对于同一区域有多个双电源配电箱的工程,当出现断开一个配电箱的总断路器,另一配电箱探测器报警的情况,一般是PE线(黄绿线)接至接零排造成。
4.有钳形电流表的情况下,可用钳形电流表测试各配电箱PE线上的漏电流,与实际负载正常漏电流(一般的用电设备,如灯、家用电器,按每个0.5mA计算)进行比较。并可对负载线路逐断进行测试检查,测试时也应将LA、LB、LC与N线或L与N线同时套入。
如PE线上测试出电流大于500mA,则该配电柜(箱)不适合安装电气火灾监探测器,或电气线路异常(PE与N混接,三相用电不平衡)。
在安装剩余电流互感器时,用户(负载)侧(穿过剩余电流互感器后)的线路必须是独立的,不能与保护区域以外的其他线路“共零”或有任何电气连接。
线路的相线和零线必须同时穿过互感器,而保护地线(PE)不能穿过。
零(N 或PEN)线不允许重复接地。
剩余电流互感器安装在配电线路上的正确方式见图1。

若剩余电流互感器监测的线路没有发生漏电,探测器/监控设备显示电流为用电负载正常的漏电流(一般的用电设备,如灯、家用电器,每个0.5mA)。
如果探测器/监控设备显示某通道电流值很大(数百毫安),则可能有以下几种情况:
1. 线路有较严重的相线对地漏电现象,如图2。

2. 互感器用户侧零线有接地点,如图3。

3. 用户侧线路不独立,相线有负载接到互感器前的零线或用户系统外的总零线,如图4。

4. 互感器用户侧零线有负载接到互感器前的相线,即保护区域以外的其他线路与用户侧“共零”,如图5.

第1、2 种情况,显然可以归入“线路漏电”的范畴。
第3、4 种可以认为类似于第1 种,不过这是人为造成的。这种为了敷设方便的不规范线路安装非常常见(对于用电设备,不论线路如何,只要有相线、零线就可以工作)。哪怕只是走廊或强电电井里的几个灯泡,就足以造成探测器报警(一个25W的灯泡产生的电流在200mA左右)。如果ZW 功率较大,探测器检测到的电流会大至数安培甚至数十安培。
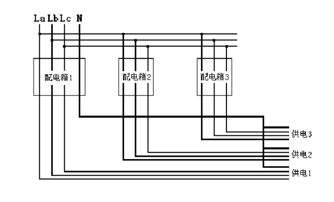
另外配电柜中的指示灯也经常出现第3、4 种接法。第4 种情况也很常见。如下面的配电箱连接实例:

在这个配电系统中,只有总进线处及供电1、2、3 路可以装设漏电保护装置(并要确保它们后面都是各自独立的),其他位置都无法装设,包括所有三个配电箱。
故障电弧探测器的工程应用目前并不成熟,受用电设备(如吸尘器等)影响误报率相对较高,造价高,在GB50116中只规定高度大于12米的空间、照明线路上设置。
GB51348-2019《民用建筑电气设计标准》:
13.5.5 设置了电气火灾监控系统的档口式家电商场、批发市场等场所的末端配电箱应设置电弧故障火灾探测器或限流式电气防火保护器。储备仓库、电动车充电等场所的末端回路应设置限流式电气防火保护器。
相关推荐链接:
0人已收藏
0人已打赏
免费0人已点赞
分享
电气工程原创版块
返回版块2.2 万条内容 · 598 人订阅
阅读下一篇
一线水电工现场安装调试电气线路方法总结,很有帮助知识点:电气设备安装调试工 正文一、 电气线路的现场安装布线 首先我们要了解现场是埋管穿线还是走桥架。依照工程师的电气线路布置图找到现场各个设备线路终点,检查埋管位置是否对应设备各条线路终点。 第二,将电气柜固定在现场底座,多个柜体就要并柜,安装母线排,现场操作台也要固定。
回帖成功
经验值 +10
全部回复(0 )
只看楼主 我来说两句抢沙发