知识点:电子逆变器
逆变器是通过半导体功率开关的开通和关断作用,把直流电能转变成交流电能的一种变换装置,是整流变换的逆过程。
工作原理
逆变装置的核心,是逆变开关电路,简称为逆变电路。该电路通过电力电子开关的导通与关断,来完成逆变的功能。
特点
(1)要求具有较高的效率。
由于目前太阳能电池的价格偏高,为了最大限度的利用太阳能电池,提高系统效率,必须设法提高逆变器的效率。
(2)要求具有较高的可靠性。
目前光伏电站系统主要用于边远地区,许多电站无人值守和维护,这就要求逆变器有合理的电路结构,严格的元器件筛选,并要求逆变器具备各种保护功能,如:输入直流极性接反保护、交流输出短路保护、过热、过载保护等。
(3)要求输入电压有较宽的适应范围。
由于太阳能电池的端电压随负载和日照强度变化而变化。特别是当蓄电池老化时其端电压的变化范围很大,如12V的蓄电池,其端电压可能在10V~16V之间变化,这就要求逆变器在较大的直流输入电压范围内保证正常工作。
逆变器是通过半导体功率开关的开通和关断作用,把直流电能转变成交流电能的一种变换装置,是整流变换的逆过程。

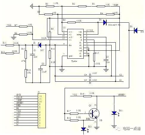
车载逆变器的整个电路大体上可分为两大部分,每部分各采用一只TL494或KA7500芯片组成控制电路,其中第一部分电路的作用是将汽车电瓶等提供的12V直流电,通过高频PWM (脉宽调制)开关电源技术转换成30kHz-50kHz、220V左右的交流电;第二部分电路的作用则是利用桥式整流、滤波、脉宽调制及开关功率输出等技术,将30kHz~50kHz、220V左右的交流电转换成50Hz、220V的交流电。

(1)脚第一组放大器的同相输入端,检测输出电流,与3个0.33R 电阻分压,当电流过大时,分压电阻上的电压超过(2)脚基准电压,(3)脚放大器输出端输出高电平,(3)脚为高电平时,电路进入保护状态。(2)脚为比较器的反相输入端,接(14)脚基准,作比较器的参考电压,外部输入端的控制信号可输入至脚(4)的截止时间控制端(也叫死区时间控制),与脚(1)、(2)、(15)、(16)误差放大器的输入端,其输入端点的抵补电压为120mV,其可限制输出截止时间至最小值,大约为最初锯齿波周期时间的4%。当13脚的输出模控制端接地时,可获得96%最大工作周期,而当(13)脚接制参考电压时,可获得48%最大工作周期。如果我们在第4脚截止时间控制输入端设定一个固定电压,其范围由0V至3.3V之间,则附加的截止时间一定出现在输出上。 (5)、(6)脚是一个固定频率的脉冲宽度调制电路,内置了线性锯齿波振荡器,振荡频率可通过外部的一个电阻和一个电容进行调节,其振荡频率如下:

输出脉冲的宽度是通过电容CT上的正极性锯齿波电压与另外两个控制信号进行比较来实现。功率输出管Q1和Q2受控于或非门。当双稳触发器的时钟信号为低电平时才会被选通,即只有在锯齿波电压大于控制信号期间才会被选通。当控制信号增大,输出脉冲的宽度将减小。(7)脚接地端,(8)、(11)脚是Q1和Q2内部开关管的集电极,在此电路中接电源,(9)、(10)脚为Q1、Q2的发射极,作开关管驱动输出端,接下图中Q1与Q2外部放大电路。以驱动后极推挽电路。(12)脚电源端,(13)脚为输出控制端,接(14)脚基准电压时两路输出脉冲相差180方位,每路输出量大约200MA的驱动推挽或半桥式电路。(15)、脚第二组放大器的反相输入端,接基准电压, (16)脚同相输入端,检测电源电压。当电压过高超过(15)脚参考电压时,(3)脚输出高电平,电路进入保护状态。


这是一个推挽式拓扑逆变电路,当E1驱动脉冲驱动时,Q1导通,使VT3、VT6导通,VT7、VT8截止,此时电路进行正半周波形放大,变压器升压到次级,通过高频整流管整流,当E2脉冲驱动时,Q2导通,驱动VT7、VT8导通。VT3、VT6截止,进得负半周波形放大。经升压变压器升压后,高频整流。
(此VT3\6\7\8以推挽方式存在于电路中,各负责正负半周的波形放大任务,电路工作时,两只对称的功率开关管每次只有一对导通,所以导通损耗小效率高。推挽输出既可以向负载灌电流.)

最后由TL494CN芯片的5脚外接点容C3和6脚外接电阻R15决定脉宽频率为F=1.1÷(0.1×220)KHZ=50HZ控制Q10、Q11、Q13、Q14工作在50HZ的频率下,将220V直流电逆变为220V/50HZ的交流电,上图将完成这部分功能。TL494正向时,IC2控制Q3为饱和导通状态,Q4为截止状态,由于Q3为饱和导通状态,则Q10为饱和导通状态。由于Q4处于截止状态,Q11因栅极无正偏压而处于截止状态,同时Q14因栅极无正偏压而处于截止状态, Q13为饱和导通状态。此时220V直流电经VT6沿XAC插座到负载再经VT10接地,形成正半周期电流;反向时,IC2控制Q3为截止状态,Q4为饱和导通状态,由于Q3为截止状态,则Q10、Q13因栅极无正偏压而处于截止状态,由于Q4为饱和导通状态,Q11处于饱和导通状态,同时Q14处于饱和导通状态,Q11因栅极无正偏压而处于截止状态。此时220V直流电经VT9沿XAC插座到负载再经VT7接地,形成负半周期电流;这样接将220V直流电成功转变为220V/50HZ交流电输出供负载使用。

电路中采用双运放比较放大器LM358来控制输出过流保护,输出电压过低保护电路,TL431在此设制2.5V基准电压,给比较器同相输入端作参考电压,第一组运放的同相输入端接输出电流检测,反相输入端接参考电压,当电流过大,比较器输入电压升高,当超过2.5V时,输出端输出高电平,送入IC1的3脚,IC关闭输出。第二组运放同相输入端接参考电压,反相输入端接输出电压,当电压过低,检测分压后电压低于2.5V时,输出端输出高电平,Q1导通,蜂鸣器报警。
中小功率
中小功率逆变电源是户用独立交流光伏系统中重要的环节之一,因而各国的光伏专家们一直在努力开发适于户用的逆变电源,以促使该行业更好更快地发展。
多重串联型
多重串联型逆变器应用于电动汽车有诸多优点。串联结构输出电压矢量种类大大增加,增强了控制的灵活性,提高了控制的精确性;同时降低了电机中性点电压的波动。逆变器的旁路特点可提高充电和再生制动控制的灵活性。
随着人们对城市环境的日益关切,电动汽车的发展得到了一个难得的机遇。在城市交通中,电动大客车由于载量大,综合效益高,成为优先发展的对象。电动大客车大都采用三相交流电机,由于电机功率大,三相逆变器中的器件需要承受高电压和大电流应力的作用,较高的dv/dt又使电磁辐射严重,并且需要良好的散热。
而采用多重串联型结构的大功率逆变器则降低了单个器件承受的电压应力,降低了对器件的要求;降低了dv/dt值,减少了电磁辐射,器件的发热也大大减少;由于输出电平种类增加,控制性能更好。
多重串联型逆变器适用于大功率的电动汽车驱动系统。采用多重串联型结构,可降低多个蓄电池串联带来的危险,降低器件的开关应力和减少电磁辐射。但需要的电池数增加了2倍。
多重串联型结构输出电压矢量种类大大增加,从而增强了控制的灵活性,提高了控制的精确性;同时降低电机中性点电压的波动。为维持每组蓄电池电量的均衡,在运行时需要确保电池的放电时间一致。通过旁路方式,可灵活地对蓄电池组充电,还可控制再生制动的力矩。
车载
车载逆变器一般使用汽车电瓶或者点烟器供电,先将低压直流电转换为265V左右的直流电,然后将高压的直流电转变为220V、50Hz的交流电。车载逆变器打破了在车内使用电器的诸多局限。车载电源不仅适用于车载系统,只要有DC12V直流电源的场合,都可使用。车载逆变器充分考虑到外部的使用环境,当发生过载或短路现象时将自动保护关机。
电压源逆变器是按照控制电压的方式将直流电能转变为交流电能, 是逆变技术中最为常见和简单的一种,下面主要介绍单相电压源逆变器。
要从一个直流电源中获取交流电能,有多种方式,但至少应使用两个功率开关元件,单相逆变器有推挽式、半桥式、全桥式三种电路拓朴结构,如果每半个工频周期内只输出一个脉冲,我们称其为方波逆变器,如果每半个周期内有多个脉宽组成,并且脉冲宽度符合正弦波调制(SPWM)规律,则称其为正弦波脉宽调制输出。方波逆变技术实质上是一个单脉冲调制技术,下面介绍其工作原理。
下图是单相推挽式逆变器的拓朴结构,该电路由两只共负极的功率开关元件和一个初级带有中心抽头的升压变压器组成。

若交流负载为纯阻性负载,当 t 1 ≤t≤t 2 时 VT 1 功率管加上栅极驱动信号 Ug1,VT 1 导通,VT 2 截止,变压器输出端感应出正电压;当 t 3 ≤t≤t 4 时,VT 2 功率管加上栅极驱动信号 Ug2,VT 2 导通,VT 1 截止,变压器输出端感应出负电压,波形如图下图所示,若负载为感性负载,则变压器内的电流波形连续,输出电压、电流波形如下图推挽电路波形。


推挽逆变器的输出只有两种状态+V0 和-V0 ,实质上是双极性调制,通过调节 VT1 和 VT2 的占空比来调节输出电压。推挽式方波逆变器的电路拓朴结构简单,两个功率管可共地驱动,但功率管承受开关电压为 2 倍的直流电压,因此适合应用于直流母线电压较低的场合。另外,变压器的利用率较低,驱动感性负载困难。
半桥式逆变电路的拓朴结构如图 2-4 所示,两只串联电容的中点作为参考点,当开关元件 VT 1 导通时,电容 C 1 上的能量释放到负载 RL 上,而当 VT 2 导通时,电容C 2 上的能量释放到负载 RL 上,VT 1 和 VT 2 轮流导通时在负载两端获得了交流电能,半桥逆变电路在功率开关元件不导通时承受直流电源电压 Ud,由于电容 C 1 和 C 2 两端的电压均为 Ud/2(假设 C 1 =C 2 ) ,因此功率元件 VT 1 和 VT 2 承受的电流为 2Id。实质上单相半桥电路和前一节讨论的单相推挽电路在电路结构上是对偶的,读者可自行分析半桥电路的工作过程。

半桥型逆变电路结构简单,由于两只串联电容的作用,不会产生磁偏或直流分量,非常适合后级带动变压器负载,当该电路工作在工频(50 或者 60H Z )时,电容必须选取较大的容量,使电路的成本上升,因此该电路主要用于高频逆变场合。
单相全桥逆变电路也称“H 桥”电路,其电路拓朴结构如图所示,由两个半桥电路组成, 以 180度方波为例说明单相全桥电路的工作原理, 功率开关元件 Q 1 与 Q 4 互补,Q 2 与 Q 3 互补,当 Q 1 与 Q 3 同时导通时,负载电压 U 0 = +Ud;当 Q 2 与 Q 4 同时悼通时,负载两端 U 0 = -Ud,Q 1 Q 3 和 Q 2 Q 4 轮流导通,负载两端就得到交流电能。


假设负载具有一定电感,即负载电流落后与电压 j 角度,在 Q1Q3 功率管栅极加上驱动信号时,由于电流的带后,此时 D1 D3 仍处于导通续流阶段,当经过 y 电角度时,电流过零,电源向负载输送有功功率,同样当 Q2 Q4 加上栅极驱动信号时 D2D4 仍处于续流状态,此时能量从负载馈送回直流侧,再经过 y 电角度后,Q2 Q4 才真正流过电流。
单相全桥电路上述工作状况下 Q1Q3 和 Q2Q4 分别工作半个周期, 其输出电压波形为 180 度的方波,事实上这种控制方式并不实用,因为在实际的逆变电源中输出电压是需要可以控制和调节的。
实例讲解

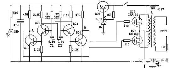
以上是一款较为容易制作的逆变器电路图,可以将12V直流电源电压逆变为220V市电电压,电路由BG2和BG3组成的多谐振荡器推动,再通过BG1和BG4驱动,来控制BG6和BG7工作。其中振荡电路由BG5与DW组的稳压电源供电,这样可以使输出频率比较稳定。在制作时,变压器可选有常用双12V输出的市电变压器。可根据需要,选择适当的12V蓄电池容量。
以下是一款高效率的正弦波逆变器电器图,该电路用12V电池供电。先用一片倍压模块倍压为运放供电。可选取ICL7660或MAX1044。运放1产生50Hz正弦波作为基准信号。运放2作为反相器。运放3和运放4作为迟滞比较器。其实运放3和开关管1构成的是比例开关电源。运放4和开关管2也同样。它的开关频率不稳定。在运放1输出信号为正相时,运放3和开关管工作。这时运放2输出的是负相。这时运放4的正输入端的电位(恒为0)总比负输入端的电位高,所以运放4输出恒为1,开关管关闭。在运放1输出为负相时,则相反。这就实现了两开关管交替工作。

当基准信号比检测信号,也即是运放3或4的负输入端的信号比正输入端的信号高一微小值时,比较器输出0,开关管开,随之检测信号迅速提高,当检测信号比基准信号高一微小值时,比较器输出1,开关管关。这里要注意的是,在电路翻转时比较器有个正反馈过程,这是迟滞比较器的特点。比如说在基准信号比检测信号低的前提下,随着它们的差值不断地靠近,在它们相等的瞬间,基准信号马上比检测信号高出一定值。这个“一定值”影响开关频率。它越大频率越低。这里选它为0.1~0.2V。
C3,C4的作用是为了让频率较高的开关续流电流通过,而对频率较低的50Hz信号产生较大的阻抗。C5由公式:50=算出。L一般为70H,制作时最好测一下。这样C为0.15μ左右。R4与R3的比值要严格等于0.5,大了波形失真明显,小了不能起振,但是宁可大一些,不可小。开关管的最大电流为:
I==25A。
现有的逆变器,有方波输出和正弦波输出两种。方波输出的逆变器效率高,对于采用正弦波电源设计的电器来说,除少数电器不适用外大多数电器都可适用,正弦波输出的逆变器就没有这方面的缺点,却存在效率低的缺点,如何选择这就需要根据自己的需求了。
相关推荐链接:
0人已收藏
0人已打赏
免费7人已点赞
分享
电气工程原创版块
返回版块2.2 万条内容 · 598 人订阅
阅读下一篇
海底电缆无功损耗的计算知识点:海底电力电缆 海上风力发电厂向岸上输送电力的海底电缆,由于充电功率很大,需要计算无功损耗和充电功率,需要根据具体电缆计算相关参数,本文介绍根据已知的海底电缆参数,计算无功的方法。 海底电缆的结构如下: 1. 已知数据 一个海上风力发电站,发电总容量350MW,配置两台220MVA ,230±8×1.25%/36.75-36.75kV,220/110-110MVA 的分裂变压器,风力发电机就地升压到35kV后,通过4路35kV汇集线路进入海上220kV升压站,风机额定功率因数可在感性 0.95~容性 0.95 范围内设定,通过两回44.2km的220kV海底电缆送到陆上汇集站,负荷平均分配到两条线路,海底电缆参数如下:
回帖成功
经验值 +10
全部回复(1 )
只看楼主 我来说两句 抢板凳感谢楼主分享电子逆变器电路图原理大全,资料详细的叙述了逆变电路的原理和元器件的工作过程。值得收藏学习!再次感谢楼主分享,为你点赞![]()
回复 举报