知识点:雷电电磁脉冲
1 概述
电磁脉冲防护模块是保护设备在雷电间接效应试验中的安全而开发的舰载雷达电磁脉冲防护产品,针对电磁脉冲防护模块的不同信号进行防雷保护。
电磁脉冲防护模块串接线缆两头以保护两端设备免遭雷击损坏,靠近两端设备安装。示意图如下图1所示。

图1 电磁脉冲防护模块使用连接方式示意
3 舰载雷达电磁脉冲防护要求
电磁脉冲防护模块具有舰载雷达电磁脉冲防护功能,按照GJB8848-2016的规定,依照D类设备进行雷电试验,能够按照D类等级通过试验,设备无损坏、故障。电磁脉冲防护模块串接于设备传输电缆中,在确保通过雷电试验同时,需确保不影响原设备信号电性能指标,不影响设备正常工作。
本系统组成见下表1所示。
雷电间接效应防护系统产品均由信号输入端、防雷电路、接地端和信号输出端构成,其原理框图如图2所示。防雷电路不能将雷电间接效应带来的干扰完全消除,所以信号输出端存在一定幅值的残余能量,当被防护线路遭受雷电间接效应干扰,产生暂态过电压脉冲和暂态过电流脉冲时,防雷电路通过接地端迅速泄放雷电瞬时过电流,再通过内部防雷器件限制过电压,将雷电间接效应残余能量控制到一定范围内,最大限度保护后级电路。
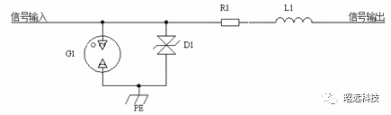
信号类基本防护电路原理图如图3所示。信号输入后,经过第一级的半导体放电管进行泄流钳压,再由第二级的TVS二极管进行电压钳位,经过两级防护后将电压钳位到安全电压。后经抗浪涌电阻限流,将残余电流限制在最小。经舰载雷达电磁脉冲防护后后,残余电压及残余电流趋于安全值,保护后级设备免遭损坏。防雷后采用磁珠消除高频干扰。
针对不同的信号,选择不同参数的防护器件。电阻值的大小可根据实际调试情况进行微调。以下参数以7.5V防护为例。
5.2 射频类防护原理
针对射频低频信号的舰载雷达电磁脉冲防护,一般采用加装气体放电管的方案。气体放电管作为主要的防雷器件,在雷电施加到气体放电管上时,气体放电管会发生气隙击穿,将本来的开路状态转换成短路状态,形成电流的泄放通路,从而实现对雷电流的泄放。
由于用气体放电管本身的寄生电容对高频信号存在一定的衰减,因此不适用于高频信号的防护(大于8G)。针对高频信号防护,这里采用1/4波长的方案。如图4所示为电路原理图。
采用1/4波长方案,可以达到更好的雷电流泄放的作用,正常工作情况下,1/4波长相当于短接线与金属外壳或者大地良好搭接,在雷电流通过的时候,由于1/4波长的短接作用,雷电流被直接泄放到大地。不需要考虑器件的响应时间,泄放过程在一瞬间完成。
1/4波长在射频信号通路中,相当于高阻值的点,这一点的射频信号不能通过,因此,1/4波长对射频信号的影响非常小,同时由于雷电频率较低,一般在100kHz以下,可以将射频信号和雷电信号通过频率不同完全隔断,互不影响。
关于高频信号还可采用结构件阻抗变换达到1/4波长的效果。
性能指标:
5.3 射频类防护原理
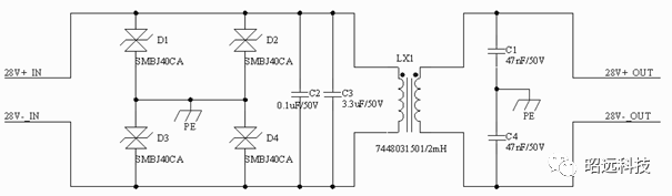
针对28V电源舰载雷达电磁脉冲防护及滤波原理,一般采用防护和滤波组合电路方式进行。通过第一级防护电路泄放大电流,再通过第二级快速响应的防护电路进行电压幅值的限幅,第三级防护电路用于加强作用,提高防护电路的可靠性。针对残余电压及残余电流进行有效的钳压及限流,保证电源工作的稳定性。防护后端设计滤波电路,通过电压计算防护器件的电压值,再根据电流值,选择合适的滤波器件,通过共模、差模滤波消除干扰,防护原理如下图8所示。
电源信号输入后,经多级防护电路进行钳压、泄流,电压及电流趋于安全。舰载雷达电磁脉冲防护后经X电容、Y电容、共模电感、差模电感等器件设计组合电路进行共模、差模滤波,消除干扰。
防护指标:
针对千兆以太网雷电及电磁防护,设计如下图10电路,鉴于网络信号传输速率高等特点,确保信号的完整性,需选择结电容较小的器件。当雷击作用时,TVS(D)响应速度远远快于气体放电管(G),TVS响应后,将电压钳位在一定的安全电压,同时对地泄放电流,TVS管起到快速一级防护。当雷击作用时间超过气体放电管响应时间时,气体放电管响应,气体放电管具有通流量大、绝缘电阻高等优点。经过气体放电管泄流和TVS钳位后,电压基本在一个比较安全的范围,经大功率的抗浪涌电阻(R),将电流限制在一定范围内,经限压、限流后残余电压和电流趋于最小。后级共模电感(L),滤除线路上的共模干扰。
关于电阻值的选择,根据后端电路的阻抗及容抗,结合实际测试情况进行微调。
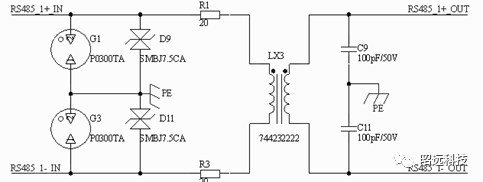
RS422信号防护电路原理图如图5所示。信号输入后,经过第一级的半导体放电管进行泄流钳压,再由第二级的TVS二极管进行电压钳位,经过两级防护后将电压钳位到安全电压。后经抗浪涌电阻限流,将残余电流限制在最小。经舰载雷达电磁脉冲防护后后,残余电压及残余电流趋于安全值,保护后级设备免遭损坏。防雷后采用滤波电路对差模、共模干扰进行滤除。
将雷电间接效应的典型试验波形(尖峰电压幅值约300V,电流幅值约62A)输入防护指标7.5V的防雷电路后,信号输出端监测波形如图10所示,残压幅值约为22V,残余电流幅值约为2.8A,根据以往的设计经验,此残余能量不会造成后级电路损坏。
电磁脉冲防护模块采用铝合金材质,设计分为腔体和底板两部分,通过螺钉紧固,底板可自由拆卸。输入、输出采用圆形连接器,均放在模块同一侧方便接线。
底板上设计螺柱用于印制板的固定安装,印制板两端留有矩形连接器,用于和圆形连接器的信号连接。
在雷电抑制器顶面中间部位设计产品标识,靠近圆形连接器位置设计航插位号以及输入、输出标识,提高识别度。详细设计见下图11所示:
关于结构尺寸设计,有多种样式,可根据空间尺寸等因数双发后续进一步交流。
相关推荐链接:
0人已收藏
0人已打赏
免费1人已点赞
分享
电气工程原创版块
返回版块2.2 万条内容 · 597 人订阅
阅读下一篇
半电池电位法知识点:半电池电位法 半电池电位法是电化学测量中最简单有效的一种方法,通 过 在混凝土表面测 量钢筋的半电池电位即可定性判断混凝土中钢筋的腐蚀状况。该方法首先由美国 的 J.R.Stratfull 和 J.R.Van Daveer 等学者提出,并形成了半电池电位的腐蚀判断 标准,该技术自上世纪 80 年代以来得到了普遍肯定。随着计算机技术的广泛应 用,一些国家研制开发了钢筋半电池电位的计算机采集与处理系统,使得大面积 检测混凝土结构更方便易行。有关电位测量结果与腐蚀状态间的关系目前国际上 较为通用的是 ASTM C876 标准(译文见附件),该标准的缺点是只能从热力学角 度定性判断钢筋发生锈蚀的可能性,不能应用于定量测量;而且混凝土干燥或表 面有非导电性覆盖层时,因不能形成回路也不宜用半电池电位法。由于混凝土本 身的复杂性,半电池电位除与钢筋腐蚀状态有关外还受到多种因素的影响,如水 灰比、混凝土含湿量、碳化深度等都会引起电位测量的波动,因此按照 ASTM 标准有时会出现误判,有学者认为不同环境条件下混凝土结构腐蚀的电位值是不 同的。因此只有在考虑各种因素对电极电位的影响建立更可靠的标准后,才可以结合其他检测方法综合评定钢筋的锈蚀状态。
回帖成功
经验值 +10
全部回复(0 )
只看楼主 我来说两句抢沙发