知识点:单电源供电
大部分运放都采用正负对称的双电源供电,也有部分运放在其数据手册中说明是单电源供电。由于这个原因,一些设计者在遇到整个系统只有一个电源的情况下,就开始寻求单电源运放。
但是,运放的单电源供电是一个伪命题。
先看一个典型的“单电源运放”LM358,图1是这个运放的几个极限参数。

图1 单电源运放LM358的几个极限参数
由图1可知,LM358的供电电源可以是单电源,也可以是双电源。单电源的话其最高电源电压是+32V,双电源的话则是正负16V。
注意图中最后一行:输入共模电压范围。
我们知道,由于运放作为放大器工作时总是处于深度负反馈状态,其两个输入端的电位基本上是相同的,所以输入共模电压范围实际上就是运放的输入信号动态范围。这个运放的输入动态范围从-0.3V到32V,这个范围是针对单电源应用而言的,也就是说输入电压范围比整个电源电压范围还要略大一些。
作为比较,我们再看一个典型的双电源运放LF356,图2是它的几个极限参数。

图2 双电源运放LF356的几个极限参数
这个运放的参数表直接给出了输入电压范围:在电压电压等于正负22V的条件下其输入电压范围为正负20V(或者在电压电压等于正负18V的条件下其输入电压范围为正负16V),也就是说输入电压范围不能到达电源电压的范围。
这两个运放的输入范围的差别源于它们的输入电路结构不同。这个问题我们在这里不作深入讨论,希望了解的读者可以自己去看数据手册。
显然,若一个输入信号的电压范围从0V到某个电平的话,以单电源工作模式的LM358可以直接满足输入电压的要求而正常工作。但若用LF356接成单电源模式(即将它的负电源接到0V),那么在输入电压为0V左右的时候运放将不能正常工作。这就是LM358之类的运放被称为“单电源运放”的原因。
但是,常见的输入信号是以“地”为中心正负摆动的信号,这种情况下即使是“单电源运放”也无法正常工作。
电源对于运放而言,具有两个作用。其一是提供能源,其二是提供一个“地”即参考电位。显然,从提供能源这一点来看,双电源与单电源没有差别,所以单电源与双电源的根本差别就是那个“地”。
对于一个放大器来说,“地”仅仅是一个参考电平,任何一个稳定又确定的电位都可以作为这个参考电平也就是“地”。所以从原则上说,任何一个运放都可以在单电源或双电源、甚至不对称的分裂电源条件下正常工作。下面就本文开始时提到的双电源运放在单电源条件工作的情况进行讨论。
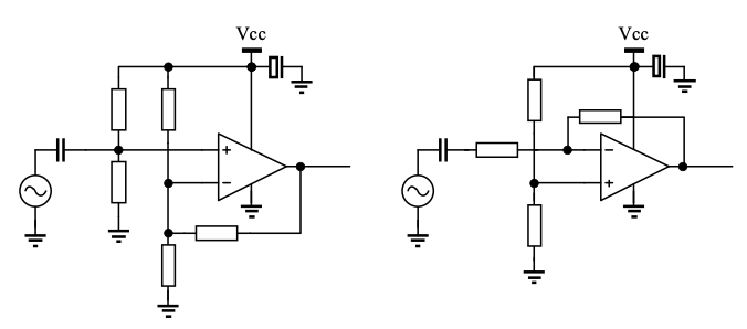
这种情况下,运放正常工作的关键是提供一个合适的“地”电平,通常这个电平位于电源电压的一半位置。一个常用的办法见图3,其中左侧的运放接成跟随器构成“信号地”,当其中两个电阻的阻值相等时,信号地的直流电位等于电源电压的一半。然后将整个放大电路中其他运放的“地”(除了负电源)都接到这个“信号地”上,图中右侧是一个同相放大器的例子。

图3 用运放构成信号地发生器,作为其他运放的地电平
需要注意的是:图3电路的信号地(运放输出)的阻抗极低,不需要再加入任何退耦电容,也不应该加入任何电容,因为一个电容负载极可能引起它的自激振荡。
但是图3电路中有一个限制,就是信号源的地必须接到信号地上。在有些场合下可能信号源的地必须接到电源地,这种情况下可以根据信号的特征作不同的处理。
1、如果信号没有直流或准直流分量,那么只要在信号源与放大器之间插入一个耦合电容即可。此时这个耦合电容可以隔断直流分量,使得信号源与放大器的直流电平各异,但是不会影响交流信号的放大。基本上所有的高频放大器都是单电源的,就是基于这个原理。
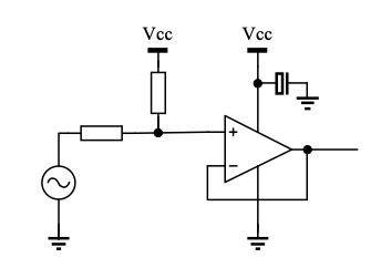
其实,在这种交流放大器中,只要能够将运放的参考地电位处理好,前面的信号地发生器也可以不用。图4就是单电源工作的交流同相放大器与交流反相放大器电路。该电路中同相放大器的运放两个输入端、反相放大器的运放同相输入端都采用两个等值的电阻(这两个电阻的并联值应该等于正常的设计值)接到电源与地,所以这些输入端的直流电平都是电源电压的一半。由于运放的负反馈作用,在输入信号为0时运放的输出电平也是电源电压的一半。

图4 单电源交流信号放大器
2、如果信号带有直流或准直流分量,那么不能用耦合电容隔断直流,此时应该通过电平移动的形式将信号源的输出低电平移动到信号地的电平。
图5就是这样一个电平移动电路(实际上就是一个同相加法器),在这个电路中若两个电阻的阻值相等,则输出的信号电平被平移了0.5Vcc,也就是将信号源的地电平移到了信号地的电平。

图5 信号源电平移动电路
前面图3电路中用一个运放构成了信号地发生器,那么是不是可以用一个电源模块作为信号地发生器呢?例如运放的电源电压采用24V,再用一个LM7812电路产生一个12V电压作为信号地。
回答是不可以。原因是这种电源模块的输出电流是单向的,例如LM78xx系列的输出电流是由模块向外流的(Source),LM79xx系列的输出电流是由外电路流向模块内的(Sink)。但是在一个放大器中,最终流向信号地的总电流方向可能是双向的,那样的话电源模块将不可能提供稳定的低阻抗电平。
类似的问题是运放的悬浮电源。
在一些比较特殊的运放应用电路中,运放的电源电压可能是悬浮的。例如一个放大器系统,其中主供电电压是+24V,而某级运放的工作电压要求是:正电源电压端(VCC)为+18V,负电源电压端(VEE)为+12V,信号地电平为+15V,那么该如何设计这几个电压源呢?
显然,信号地可以采用前面任意一种合适的电路。
由于两个电源的电路有较大的功率需求,以运放作为电源使用不合适,所以要用电源模块,但是需要考虑电流的流向。
VCC电源(+18V)的电流是从电源流向运放,所以用一个LM7818作为电源没有问题。
VEE电源(+12V)的电流是从运放流向电源,所以不能用LM78xx系列的电源模块,应该用LM79xx系列的模块。但是LM79xx系列电源模块的输入输出电压均为负电压,所以不能按照传统的接法以0电压作为它的参考电平,而要以主供电电压(+24V)作为该模块的参考电平,以0电压作为模块的输入电压。此时运放的VEE电源(+12V)相对于主供电电压(+24V)为-12V,采用的模块应该是LM7912。这个运放最后的供电电路如图6所示。

图6 放大器的悬浮电源
相关推荐链接:
0人已收藏
0人已打赏
免费1人已点赞
分享
继电保护
返回版块7.33 万条内容 · 486 人订阅
阅读下一篇
电力电容器电容量超标,关注一下温度知识点:电力电容器 电容量与温度 电力电容器的电容值与温度的关系是明确的,可以用下面的式子来描述。 式中C0为常温下(通常为25摄氏度)电容器的额定电容量; ?T为测量温度与常温的差值; ɑc为平均温度系数,是指在给定的温度范围内,温度每变化1摄氏度,电容的变化数值与该温度下标称电容值的比值。 CT为测量温度下电容器的电容量值。 数据举例 电力电容器的平均温度系数是一个很小的数值,通常是一个
回帖成功
经验值 +10
全部回复(0 )
只看楼主 我来说两句抢沙发