知识点:继电器室
一、开关柜二次回路综述
开关柜的主要部分包括:真空断路器、电流互感器、就地安装的微机保护装置、操作回路附件(把手、指示灯、压板等等)、各种位置辅助开关。
其中,断路器与电流互感器安装在开关柜内部,微机保护、附件、电度表安装在继电器室(沿用以前的叫法,其实已经没有继电器了)的面板上,端子排与各种电源空气开关安装在继电器室内部,端子排通过控制电缆或专用插座与断路器机构连接。
理解开关柜的二次接线,我们需要找到两份图纸:
微机综保厂家提供的保护原理图、接线图;
开关柜厂家提供的二次原理图、配线图、端子排图、断路器机构原理图。综保厂家纸是开关柜厂家的设计原始依据,也是我们审核开关柜厂家图纸的依据。
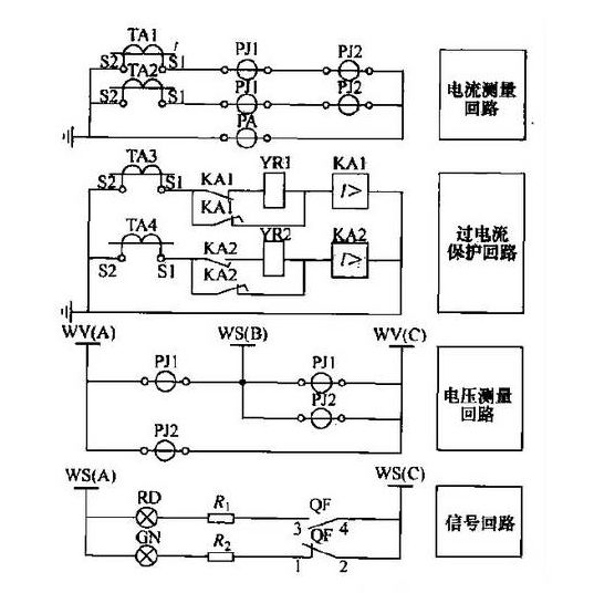
开关柜厂的原理图一般都是根据微机保护的原理图修改的,再示意性的画出电流、电压、信号量的输入,控制量的输出。

二、中置开关柜的二次接线
KYN28A中置柜是城区变电站使用最多的10kV开关柜型式,由柜体和可抽出部件(中置式手车)两部分组成。柜体分为手车室、主母线室,电缆室。继电器仪表室。
1、继电器室
继电器室的面板上,安装有微机保护装置、操作把手、保护出口压板、指示灯(合位红灯、分位绿灯、储能完成黄灯);

2、手车(断路器)室
中置柜最常用的断路器是VS1真空断路器,断路器机构内的接线通过专用插座与继电器室的端子排联接。插头的一段与断路器机构固定连接,另一段是一个专用插头,配套的插座安装在断路器室的右上方,从插座引出线接至继电器室端子排。为了搞明白二次回路,我们需要对操作过程进行一定的了解。
中置柜断路器手车有三个位置:断开、试验、运行(需要注意的是,断路器手车和断路器是两个概念,断路器手车其实就是断路器和它的座)。
正常运行时,断路器手车在运行位置,断路器在合闸位置,二次线插头与插座联接;
手动跳闸后,断路器在分闸状态、手车在运行位置;用专用摇把将断路器手车摇出,至试验位置,可以将二次插头拔下(手车在运行位置时拔不下来);
继续摇,手车退出断路器室,处于断开位置。
断开位置:断路器与一次设备(母线)没有联系,失去操作电源(二次插头已经拔下),断路器处于分闸位置;
试验位置:二次插头可以插在插座上,获得电源。断路器可以进行合闸、分闸操作,对应指示灯亮;
断路器与一次设备没有联系,可以进行各项操作,但是不会对负荷侧有任何影响,所以称为试验位置。
运行位置:断路器与一次设备有联系,合闸后,功率从母线经断路器传至输电线路。
中置柜没有传统意义上隔离开关的概念,手车在试验位置时,就相当于传统的隔离开关断开,即断路器与主电路(一次母线)有了明显断开点。
3 、继电器室
95X系列微机保护装置是上海国自电力技有限公司为中置柜而设计的微机保护装置,具有体积小。功能全等特点。可以实现三段式过流。过压。欠压、三相重合闸、反时限等常规继电保护功能。
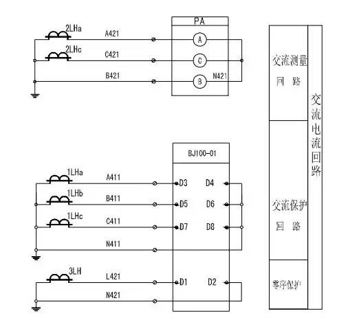
(1)、电流回路
从下图可以看出。需要接入的CT模拟量为A、B、C、相电流。(当然有些工程中接入的是A、C两相,不完全星形法)微机保护装置上也可以显示出一次电气量,电气量取自保护级。如果对精度有特殊要求。可以取测量级串接电流表即可。

(2)、电压回路
从上图可以看出需要接入的PT模拟量为A、B、C、相电压。当然如果有需要可以接入零序电压进行零序电压保护。由图可以看出此接法为星形/星形接法。如果是V/v接法把D9和D12短接既可。

(3)、操作回路
95X的操作回路整体比较简单。直观。比传统的综保操作和使用起来更加的方便。通俗易懂。更容易上手操作。红色框内的设备并不是GZP-95X的一部分,它们由开关柜厂家提供,安装在继电器室面板上。和连接到断路器合位位置的。

(4)、开入量回路
以上为装置的遥信(开关量)回路。与110kV电压等级设备的保护装置不同,35/10kV设备的保护、测控是一体化设计,即整合在一个装置中。除去断路器位置。其它的开入量均可能自行定义。同时还提供一路报警开入信号。可以实现非电量跳闸的信号开入。

三、关于B相电流互感器
B相电流互感器的作用:一般提到都是只装A、C相电流互感器,现在为什么装B相CT呢?
这主要是考虑到小电流接地选线功能。10kV架空线路,在单相接地时允许继续运行一段时间,但是需要确定是哪条线路接地,以便尽快查线检修,即“选线”。
选线的依据是,该线路的零序电流是否为零。零序电流为三相电流的矢量和,正常时理论值为零,单相接地时,实测零序电流不为零,即可判断该线路故障,所以,需要配置三相CT来计算零序电流。
对于电缆出线而言,在高压(10kV)电缆上配置了专用的零序电流互感器,不需要再用三相CT之和来计算,所以配置A、C两相CT来实现保护功能即可。
相关推荐链接:
0人已收藏
0人已打赏
免费1人已点赞
分享
继电保护
返回版块7.33 万条内容 · 486 人订阅
阅读下一篇
静电放电保护器件种类与特点知识点:放电器件 静电放电保护器件种类与特点 概述 静电放电(ESD)是一种意外的快速高压瞬态波形,出现在电路内的导体上。ESD引起的高电压和电流峰值可能导致静电敏感IC等器件发生故障。人际接触是ESD的常见来源。即使人与电路没有直接接触,电容式检测开关等器件也可以允许电荷耦合到电导体上。在ESD放电可能导致电路故障的情况下,需要ESD保护。
回帖成功
经验值 +10
全部回复(0 )
只看楼主 我来说两句抢沙发