土木在线论坛 \ 电气工程 \ 继电保护 \ 变频器工作原理-基础篇

变频器工作原理-基础篇

发布于:2022-11-11 10:50:11 来自:电气工程/继电保护 [复制转发]

知识点:变频器

主要的电力电子器件

图片


       变频器的内部的主要被使用及重要的器件有二极管,三极管,晶闸管,场效应管,IGBT等。

图片

变频器的主电路

图片


      变频器主要由整流(交流变直流)、滤波、逆变(直流变交流)、制动单元、驱动单元、检测单元微处理单元等组成。变频器靠内部IGBT的开断来调整输出电源的电压和频率,根据电机的实际需要来提供其所需要的电源电压,进而达到节能、调速的目的。

图片


图片

变频器整流滤波电路的特点

       电网的电压和频率是固定的。在我国,低压电网的电压和频率统一为380V、50Hz,要想得到电压和频率都能调节的电源,必须自己‘变出来’,才便于控制。所谓‘变出来’只能从另一种能源变过来。这‘另一种能源’,便是直流电,交-直-交变频器的工作可分为两个基本过程:

(1)交-直变换过程

      就是先把不可调的电网的三相(或单相)交流电经整流桥整流成直流电。

(2)直-交变换过程

      就是反过来又把直流电 “逆变”成电压和频率都任意可调的三相交流电。

图片

整流电路

图片


       变频器中的整流电路一般可分为三相全控桥式整流电路(6个晶闸管组成),三相半控桥式整流电路(3个二极管3个晶闸管)。在少部分小功率变频器中也会使用单相桥式整流电路(4个二极管)

其中三相半控桥式整流电路是变频器应用最为广泛的。

图片

滤波电路

图片


      安装在整流电路两端用以降低交流脉动波纹系数提升高效平滑直流输出的一种储能器件,我们把这种器件称其为滤波电容器。滤波电容具有电极性,我们称其为电解电溶。电解电容的一端为正极,另一端为负极,正极端连接在整流输出电路的正端,负极连接在电路的负端。在所有需要将交流电转换为直流电的电路中,设置滤波电容会使电子电路的工作性能更加稳定,同时也降低了交变脉动波纹对电子电路的干扰。滤波电容在电路中的符号一般用"C"表示,电容量越大,滤波性能越好。为了获得更好的直流稳定系数,电容量一般选择在数百微法或数千微法以上。

图片


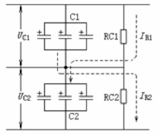
我们知道变频器直流电路中是由两组电容串联起来的,那么这是为什么呢?

        因为迄今为止,全世界生产的电解电容器的最高耐压,只有500V,而380V 全波整流后的峰值电压是537V。按照国家规定,电源电压的允许上限误差是+10%,即418V,全波整流后的峰值电压是591V。此外,变频器在运行过程中允许的最高直流电压可达(700~800)V,而在逆变的过渡过程中,瞬间的直流电压甚至可能高达1000V 呢。所以,只能用两组电容器串联来解决。同时为了让电容两端的电压相同,需要在电容两端并入均压电阻(下图中RC1,RC2)

图片

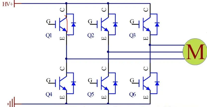
逆变电路

图片


逆变电路是与整流电路相对应,把直流电变成交流电称为逆变。当交流侧接在电网上,即交流侧接有电源时,称为有源逆变;当交流侧直接和负载链接时,称为无源逆变。
逆变电路的应用非常广泛。交流电机调速用变频器、不间断电源、感应加热电源等电力电子装置使用非常广泛,其电路的核心部分都是逆变电路。它的基本作用是在控制电路的控制下将中间直流电路输出的直流电源转换为频率和电压都任意可调的交流电源。

图片


相关推荐链接:

1、静压振动沉管灌注桩设计说明与详图

2、500kV电抗器振动和过热降低


全部回复(0 )

只看楼主 我来说两句抢沙发
这个家伙什么也没有留下。。。

继电保护

返回版块

7.33 万条内容 · 486 人订阅

猜你喜欢

阅读下一篇

软启动器适用于哪些领域?

知识点:软起动器 软启动器主要用来保护电动机的软启动,软停车的一种保护装置,那么你知道软启动器适用于哪些领域吗?下面西安伏特尔公司带大家一起来看看吧! 1、要求减小电动机起动电流的场合。 2、正常运行时电动机不需要具有调速功能,只解决起动过程的工作状态。 3、在正常运行时负载不允许降压、降速。 4、电动机功率较大(如大于100kw),起动时会给主变电压器运行造成不良影响。 5、电动机运行对电网电压要求严格,电压降不大于10%U。

回帖成功

经验值 +10