知识点:剩余电流保护器
在一些高档住宅小区,空调采用户内VRV集中空调,开关应选择三相四线式RCD保护,如果错误选择,开关无法投入使用,再有如潜污泵配电回路的RCD保护选择也存在同样问题。

电气设计人员或设备采购人员没有仔细研究三相漏电开关原理,错误选用开关产品。

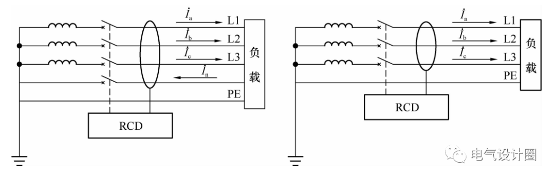
三相漏电开关错误接法如图1所示。在图示错误选用漏电开关的接线中,三相电流和N线电流之和为0,即
,在回路正常工作时,由于三相电流不平衡,N线上有电流通过,因此
, 零序电流互感器检测到不平衡电流通过,引起开关跳闸。

▲ 图1 三相四线+PE线RCD保护错误接法
对RCD保护原理正确分析,准确选用产品,避免开关选择错误造成损失。三相RCD保护开关有三极和四极两种,正确接线方式如图2所示:

▲ 图2 三相四线+PE线和三相三线+PE线RCD保护正确接线图
三极RCD保护开关可以用在TN-S系统中三相平衡无中性线的回路,例如,无中性线的电动机回路,其他有中性线的三相回路须选用四极RCD保护开关。

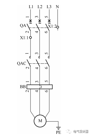
其他有类似问题的如潜污泵配电回路,应根据潜水泵控制回路从主回路接引电源的具体位置,确定应该采用三相四线式RCD或三相三线式RCD。图3是国标图集 《常用水泵控制电路图》16D303-3中的单台潜水泵主回路,控制回路的220V电源取自相线L1的X1∶1和N线 的X1∶2点,控制回路电流通常大于30mA;

如果此时QA为三相三线式RCD,由于N线没有穿过RCD感应线圈,那么感应线圈将检测到大于30mA的剩余电流,RCD将在正常工作情况下启动保护。因此在图3情况下,应该采用三相四线式RCD,且控制回路N线的电源引接点X1∶2应设置在漏电线圈后。

▲ 图3 单台潜水泵主回路
相关推荐链接:
0人已收藏
0人已打赏
免费1人已点赞
分享
继电保护
返回版块7.33 万条内容 · 486 人订阅
阅读下一篇
一文带你深入了解:负荷开关熔断器组合电器的保护(经验总结)知识点:熔断器组合电器 民用建筑的10/0.4kV变电所设计中,对于变压器容量不大的情况下,高压侧经常采用负荷开关-熔断器组合电器作为保护,那么多大容量以上的变压器就不能采用这种保护方式呢?以及采用这种保护方式会有什么其他的问题?下面是对变电器高压侧采用负荷开关、熔断器保护的简单分析。 (1)采用负荷开关-熔断器组合电器(配有撞击器) 负荷开关-熔断器组合电器分为以下两种: ■ 一种是由一组三极负荷开关及配有撞击器的三只熔断器组成,任一只撞击器的动作都会引起负荷开关三极全部自动分闸;
回帖成功
经验值 +10
全部回复(0 )
只看楼主 我来说两句抢沙发