





,
时,
应按下列公式计算:





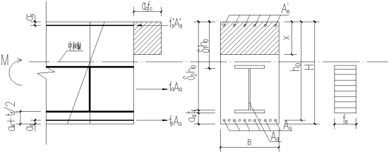
——弯矩设计值;
——型钢腹板承受的轴向合力对型钢受拉翼缘和纵向受力筋合力点的力矩;
——型钢腹板承受的轴向合力;
——受压区混凝土压应力影响系数,当混凝土强度等级不超过C50时,取1.00,当混凝土强度等级为C80时,取0.94,其间按线性内插法确定;
——受压区混凝土应力图形影响系数,当混凝土强度等级不超过C50时,取0.80,当混凝土强度等级为C80时,取0.74,其间按线性内插法确定;
——混凝土轴心抗压强度设计值;
——型钢抗拉、抗压强度设计值;
——钢筋抗拉、抗压强度设计值;
——受拉、受压钢筋的截面面积;
——型钢受拉、受压翼缘的截面面积;
——截面宽度;
——截面高度;
——
截面有效高度(相对型钢受拉翼缘与受拉钢筋合力点所计算的截面有效高度)
;
——型钢腹板厚度;
——型钢受拉、受压翼缘厚度;
——相对界限受压区高度;
——钢筋弹性模量;
——混凝土等效受压区高度;
——受拉区钢筋合力点至截面受拉边缘的距离;
——
型钢下翼缘边至截面受拉边缘的距离(参数示意与规范有差异)
;
——受压区钢筋合力点至截面受压边缘的距离;
——
型钢上翼缘边至截面受压边缘的距离(参数示意与规范有差异)
;
——型钢受拉翼缘与受拉钢筋合力点至截面受拉边缘的距离;
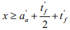
——型钢腹板上端至截面上边的距离与的比值,为型钢腹板上端至截面上边的距离;
——型钢腹板下端至截面上边的距离与的比值,为型钢腹板下端至截面上边的距离。
和型钢腹板轴向承载力项
。
的确定是通过对型钢腹板应力分布积分,再做一定的简化得到的。
,
”及
的计算公式中的“
”表示疑惑,其实此式是按受压区混凝土应力图形影响系数
进行计算,如“
,
”应为“
,
”,毕竟并不恒为0.8(
取值与混凝土强度等级有关),其中
为平截面假定所确定的截面受压区高度,在后续“偏置型钢混凝土梁正截面承载力计算方法探究”将采用“
”替换“
”,方便朋友们理解公式。
及
)的情况
。
及
),《组合结构设计规范》第5.2.1条文中的型钢混凝土梁正截面承载力计算公式将不再适用,且目前现行规范中均未明确此类偏置型钢混凝土梁正截面承载力计算公式
,故阿扯结合《组合结构设计规范》相关型钢混凝土梁正截面承载力计算原理(
平截面法
)探究型钢混凝土梁正截面承载力计算通用公式,并运用截面分析软件
Xtract
(
纤维截面法
)进行型钢混凝土梁的
弯矩-曲率分析(M-ψ曲线)
验算。
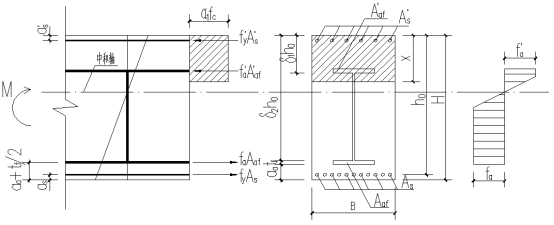
及
,此时
型钢上翼缘及中和轴以上的腹板区域受压,型钢下翼缘及中和轴以下的腹板区域受拉
。






计算如下:


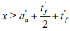
第二种:型钢混凝土梁平截面假定所确定的中和轴位于型钢上翼缘以上,即
,此时型钢全截面受拉。






,此时
型钢全截面受压
。
但由于混凝土及型钢的抗压强度较大,受拉钢筋的抗拉强度及截面面积有限,故实际工程中极不可能存在此种情况,将不再进行此种情况下型钢混凝土梁正截面承载力计算公式推导
。



——弯矩设计值;
——型钢腹板承受的轴向合力对型钢受拉翼缘和纵向受力筋合力点的力矩;
——型钢腹板承受的轴向合力;
——受压区混凝土压应力影响系数,当混凝土强度等级不超过C50时,取1.00,当混凝土强度等级为C80时,取0.94,其间按线性内插法确定;
——受压区混凝土应力图形影响系数,当混凝土强度等级不超过C50时,取0.80,当混凝土强度等级为C80时,取0.74,其间按线性内插法确定;
——
型钢应力图形影响系数,一般可取0.85
;
——混凝土轴心抗压强度设计值;
——型钢抗拉、抗压强度设计值;
——钢筋抗拉、抗压强度设计值;
——受拉、受压钢筋的截面面积;
——型钢受拉、受压翼缘的截面面积;
——截面宽度;
——截面高度;
——型钢截面高度;
——
截面有效高度(相对受拉钢筋合力点所计算的截面有效高度)
;
——型钢腹板厚度;
——型钢受拉、受压翼缘厚度;
——相对界限受压区高度;
——钢筋弹性模量;
——混凝土等效受压区高度;
——受拉区钢筋合力点至截面受拉边缘的距离;
——
型钢下翼缘边至截面受拉边缘的距离(参数示意与规范有差异)
;
——受压区钢筋合力点至截面受压边缘的距离;
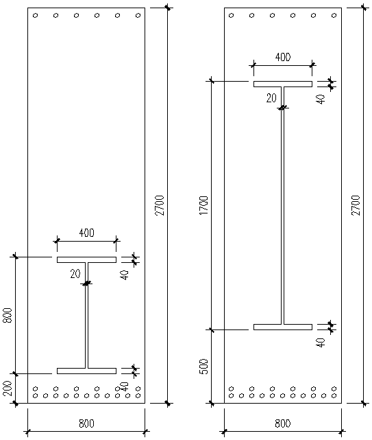
——型钢腹板上端至截面上边的距离与的比值,为型钢腹板上端至截面上边的距离;
——型钢腹板下端至截面上边的距离与的比值,为型钢腹板下端至截面上边的距离。
”
,主要是
由于当型钢全截面受拉时,实际型钢截面应力并非如平截面法计算假定中型钢全截面应力均达
,特别是远离截面受拉边缘的型钢翼缘(此部分型钢截面面积影响较大),其纤维截面应力远未达
时,混凝土就已达压碎应变(Crushing Strain)或钢筋就已达失效应变(Failure Strain),可通过截面分析软件Xtract的型钢混凝土梁弯矩-曲率分析结果中的构件纤维截面应力图得知
,故需对型钢应力进行适当折减
。
,灰色纤维截面应力未达
。



取0.85)



(平截面法)

(平截面法)

(纤维截面法)

(纤维截面法)
,居中型钢混凝土梁的型钢截面面积为
,偏置型钢混凝土梁的型钢截面面积仅需达居中型钢混凝土梁的70%即可达至一致的正截面承载力设计值,具有显著的经济效益。

曲线

曲线
曲线中的极限曲率,可得知居中型钢混凝土梁延性能力相对较佳,合乎结构概念。
内容源于网络,仅作分享使用,如有侵权,请联系删除
相关资料推荐:
知识点:偏置型钢混凝土梁正截面承载力计算方法
0人已收藏
0人已打赏
免费5人已点赞
分享
结构资料库
返回版块41.29 万条内容 · 424 人订阅
回帖成功
经验值 +10
全部回复(0 )
只看楼主 我来说两句抢沙发