引言
对于建筑小区及工业园区来说,由于受到场地的限制,距离较近的室外给水及消防管线上的阀门井不可避免的会部分重合在一起,此时的阀门井并没有对应的国家标准图集,该如何确定阀门井的做法,在此与同行一起探讨。
1.阀门井设置的规范依据
GB50242-2002《建筑给水排水及采暖工程施工质量验收规范》相关条文规定如下:
9.4.3条要求,设在通车路面下或小区道路下的各种井室,必须使用重型井圈和井盖,井盖上表面应与路面相平,允许偏差为±5mm。绿化带上和不通车的地方可采用轻型井圈和井盖,井盖的上表面应高出地坪50mm,并在井口周围以2%坡度向外做水泥砂浆护坡。
9.4.9条要求,井室的砌筑应按设计或给定的标准图施工。井室的底标高在地下水位以上时,基层应为素土夯实;在地下水位以下时,基层应打100mm厚的混凝土底板。砌筑应采用水泥砂浆,内表面抹灰后应严密不透水。
以上施工规范只是对井盖及井室做了具体要求,阀门井的形式及做法还需参照国家标准图集05S502《室外给水管道附属构筑物》。图集中仅规定了砖砌圆形阀门井、混凝土矩形阀门井的标准做法(示意图见下图1)。


图1 标准阀门井做法示意图
2.特殊阀门井的做法探讨
本做法探讨的是地面操作的阀门井。
国家图集没有列出并排阀门的阀门井的做法,但在实际工程中总会遇到这种布置形式,下面提出两种设置方式,以供探讨:
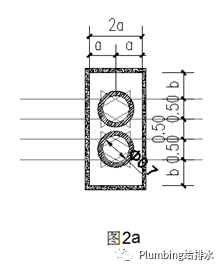
①管线间距小于等于700mm(见图2a);
从图2a可看出,阀门井的井径、井深、配筋可参考05S502中混凝土矩形阀门井的做法进行施工。主要问题在于井口、井盖的设置位置如何确定?本文建议井口设置于相邻两个阀门的中心位置,在实际运营中可以同时兼顾两个阀门的开启操作。
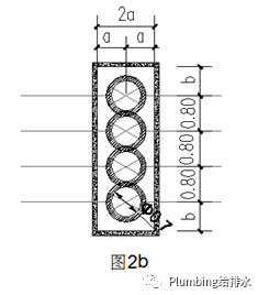
②管线间距大于等于800mm(见图2b);
从图2b可看出,一个阀门对应一个井口,便于维护人员进行手动操作,但最小管道间距需要800。


图2 特殊阀门井做法示意图
以上两种间距的管线,在实际工程中主要出现在入户的给水及消防管线上,受建筑内部空间较小而进出入管线又较多的影响,设计师在排列管线时,经常会按照穿外墙柔性套管的最小间距来确定管线间距。这样便使得单条管线上的阀门井不能单独设置,只能共用一个大的阀门井。
管线间距太小,阀门井井口的设置会受到限制,不利用于维护人员的操作;管线间距太大,对建筑内空间占据太多,也不利用建筑内管线综合的布置。综合考虑,本文提出了以上两种设置方式。
相关资料推荐:
https://ziliao.co188.com/d63621001.html
知识点:一种并排式阀门井做法的探讨
0人已收藏
0人已打赏
免费3人已点赞
分享
建筑给排水
返回版块47.29 万条内容 · 1372 人订阅
回帖成功
经验值 +10
全部回复(0 )
只看楼主 我来说两句抢沙发