建筑的消防用水设计流量主要按照规范取值,但重点是不同组合类建筑的设计流量的取值。常见的建筑类型有如下:
组合建筑的一个难点:有专用防火规范要求的建筑与适用《消水规》的普通建筑组合,应该分别按各自的规范取值。如地下车库与地上建筑,应分别按照《汽车库防火规》和《消水规》取值。具体展开见正文详解。
从室外消防设计流量、室内消防设计流量两个角度,进行分析。
《消水规》中判定室外消防设计流量的主要因素是建筑整体体积。只有住宅的判定与体积无关,无论是多层还是高层住宅,室外消防设计流量均为15L/s。
室外消防设计流量取值时,民用建筑方面只分为了住宅和公共建筑,故本表也适用于多功能的公共建筑(综合楼)。
单功能建筑的室外消防设计流量,按照建筑物类别、耐火等级、建筑体积等指标,查询下表直接取值:
室外消防设计流量按:住宅+非住宅的总体积、公建,查上表1执行。
室外消防设计流量:地上公建体积选取设计流量、ⅠⅡ类地下车库20L/s;对比取大值。
若地下室含有停车位,且为地上公建的附属地下室,则以地上公建+地下室总体积、公建类别,选取室外消防设计流量。
按照相邻两座建筑的总体积、建筑类别,选取室外消防设计流量。
V=Max(V
A
+V
B
,V
B
+V
C
)
单座建筑总建筑面积F>50万m2,建筑物室外消防设计流量按表1的最大值增加一倍。
单座建筑
:指地下室投影范围内的所有建筑(含地下室)面积之和。
因A、C地上建筑没有全部位于地下室轮廓线内,故单座建筑面积计算时,不含A、C建筑的面积。
因住宅的室外消防设计流量为15L/s;ⅠⅡ类地下车库的室外消防设计流量为20L/s。故根据单座建筑面积是否大于50万m2,室外消防设计流量可有两种类型。
20L/s很好理解,为ⅠⅡ类地下车库的室外消防设计流量。
30L/s其实是用住宅的流量翻倍,故为15×2=30L/s。因单座建筑的概念是在《消水规》中,在《汽车库防火规》中没有单座建筑翻倍的概念,故本组合建筑在流量翻倍时,只是住宅流量的翻倍。
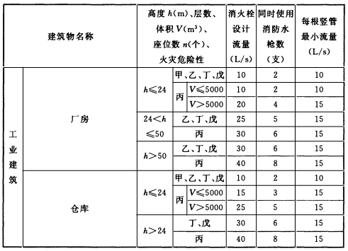
单功能建筑的室内消防设计流量,按照建筑高度、建筑体积、火灾危险性、座位数等指标,查询下表直接取值:
室内消防设计流量按:住宅、非住宅分开计算,查上表2执行。
住宅部分的室内消防设计流量应按住宅的建筑高度计算。住宅的建筑高度取值为H1或H2,(H1和H2如何选择参见文章—消防--如何精准的建筑定性。)

非住宅部分的室内消防设计流量,按单一功能建筑或综合楼计算。
综合楼有多种功能,其室内消火栓设计流量按照综合楼的整体体积、不同功能业态来取值。
②
分不同的功能业态,对应整体体积,按表2进行取值;
由此可看出,综合楼不同功能业态的室内消防设计流量为同一值。
地下车库按《汽车库防火规》取10L/s或5L/s;
例外:如地下室为地上建筑的附属建筑,则按地下+地上总体积、建筑类别取值。
实际工程中,由于消防设计的终身责任制,消防设计流量应按保守进行设计,一般不进行折减。仅在改建项目中,如果改建后的项目原有消防水池容积不足,又没有条件进行扩容,在满足规范要求条件的情况下,可适当减少室内消火栓设计流量。
厂房、仓库
可按如下方式折减(丁戊类高层厂房仓库可减少10L/s):
关于自喷的全保护如何界定,规范中提到是自动喷水、水喷雾、泡沫、固定消防炮。笔者认为在实际工程中,如果局部特殊房间采用气体灭火、自动干粉灭火,其他区域均采用自动水系统灭火时,也适用于折减。具体项目还需要与项目当地的审图方进行沟通确定。
相关资料推荐:
https://ziliao.co188.com/d76135.html
知识点:不同组合建筑的室内外消防设计流量
全部回复(0 )
只看楼主 我来说两句抢沙发