知识点:CMOS集成电路






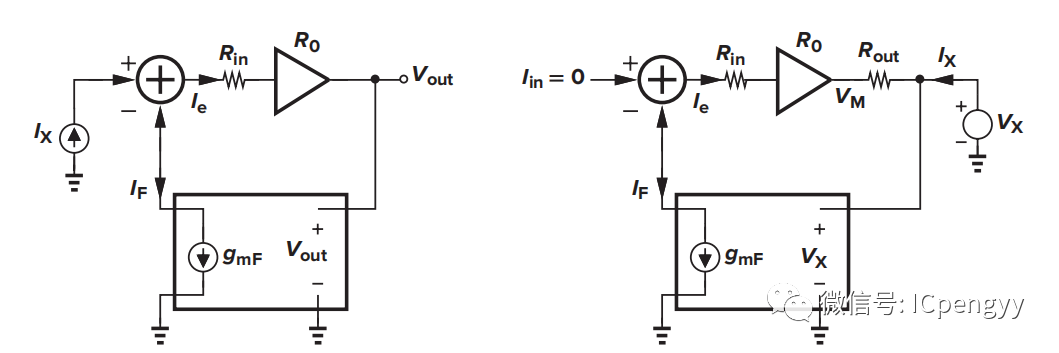
同样可求得,输入阻抗为






收录于合集 #反馈
3
相关推荐链接:
0人已收藏
0人已打赏
免费1人已点赞
分享
电气工程原创版块
返回版块2.2 万条内容 · 598 人订阅
阅读下一篇
详解MOS管基本驱动电路知识点:MOS集成电路 在使用MOS当管道设计开关电源或电机驱动电路时,大多数人会考虑MOS管道的导电阻、最大电压、最大电流等,也有很多人只考虑这些因素。这种电路可以工作,但不是很好,不允许作为正式的产品设计。 下面是我对MOS及MOS总结了驱动电路基础,参考了一些数据,而不是原创的。MOS管道介绍、特性、驱动和应用电路。 MOSFET管FET一个(另一个)JEFT),可制成增强型或耗尽型,P沟道或N有四种类型的沟通,
回帖成功
经验值 +10
全部回复(0 )
只看楼主 我来说两句抢沙发