土木在线论坛 \ 建筑结构 \ 地基基础 \ 基坑工程边坡稳定及支护培训,图文讲解真清楚!

基坑工程边坡稳定及支护培训,图文讲解真清楚!

发布于:2022-11-02 09:10:02 来自:建筑结构/地基基础 [复制转发]

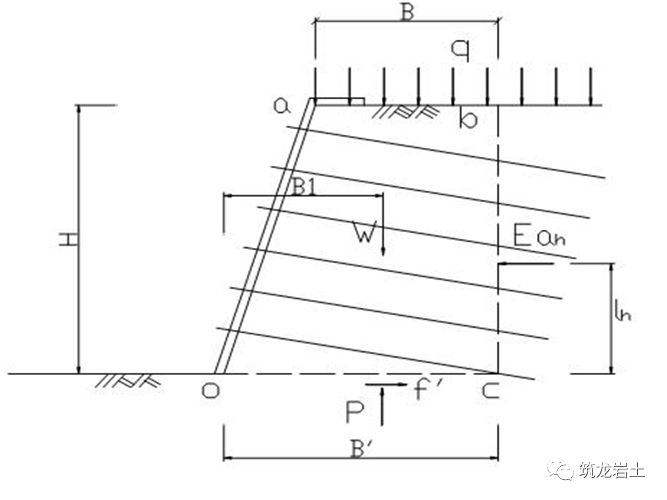
图片

图片

图片

图片

图片

图片

图片

图片

图片

图片

图片

图片

图片

图片

图片

图片

图片

图片

图片

图片

图片

图片

图片

图片

图片

图片

图片

图片

图片

图片

图片

图片

图片

图片

图片

图片

图片

图片

图片

图片

图片

图片

图片

图片

图片

图片

图片

图片

图片

图片

图片

图片

图片

图片

图片

图片

图片

图片

图片

内容源于网络,仅作分享使用,如有侵权,请联系删除 

相关资料推荐:

重庆基坑工程中的砂岩边坡稳定性问题研究


知识点:基坑工程边坡稳定

全部回复(0 )

只看楼主 我来说两句抢沙发
这个家伙什么也没有留下。。。

地基基础

返回版块

12.11 万条内容 · 718 人订阅

猜你喜欢

阅读下一篇

14种桩基及地基处理工艺流程图,收藏!

1挖孔桩 ① 人工挖孔灌注桩施工工艺流程图 2钻孔灌注桩 ② 回转钻成孔正循环清孔工艺流程图 ③ 回转钻成孔反循环清孔工艺流程图 ④ 冲击成孔正循环清孔工艺流程图 3沉管灌注桩 ⑤ 沉管灌注桩施工工艺流程图 ⑥ 引孔沉管灌注桩施工工艺流程图 4长螺旋压力灌注桩

回帖成功

经验值 +10