土木在线论坛 \ 电气工程 \ 电气工程原创版块 \ 自动控制原理图

自动控制原理图

发布于:2022-11-01 16:42:01 来自:电气工程/电气工程原创版块 [复制转发]

知识点:自动控制

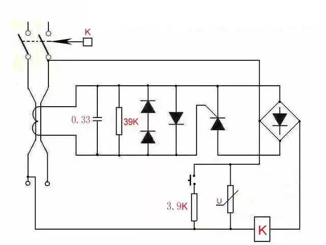
1

可控硅调速电路

图片


2

电磁调速电机控制图

图片


3

三相四线电度表互感器接线

图片


4

能耗制动

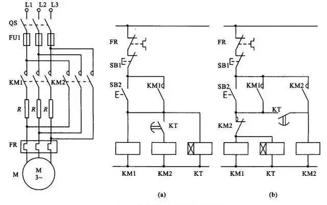
图片


5

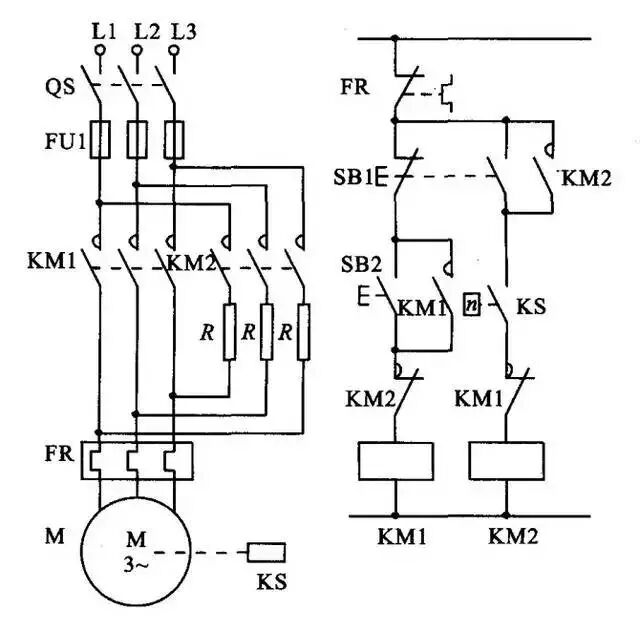
顺序起动,逆序停止

图片


6

锅炉水位探测装置

图片


7

电机正反转控制电路

图片

8

电葫芦吊机电路

图片


9

单相漏电开关电路

图片


10

单相电机接线图

图片


11

带点动的正反转起动电路

图片


12

红外防盗报警器

图片


13

双电容单相电机接线图

图片


14

自动循环往复控制线路

图片


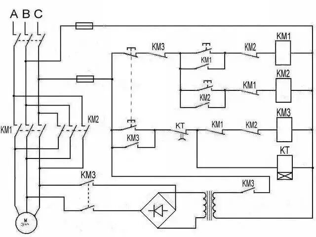
15

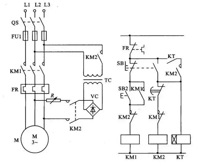
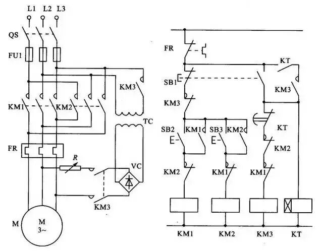
定子电路串电阻降压启动控制线

图片


16

按启动钮延时运行电路

图片


17

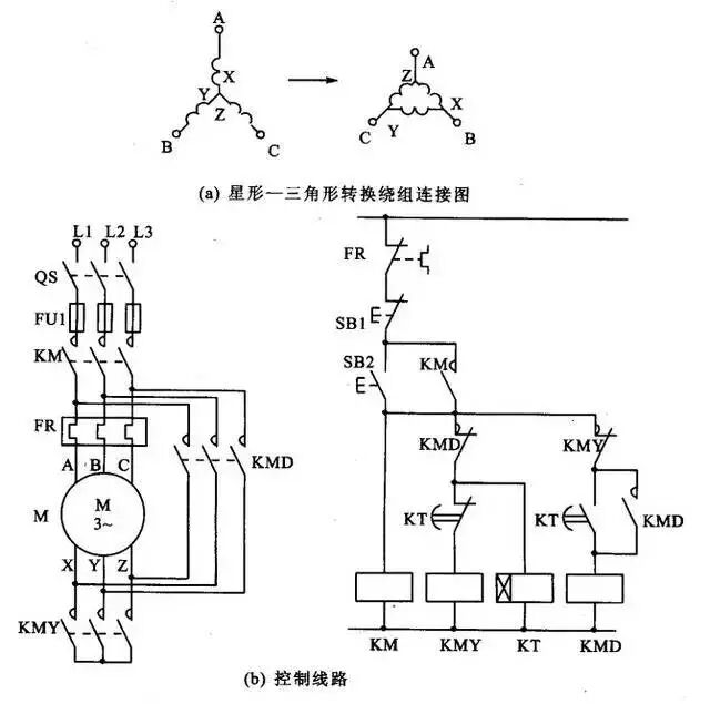
星形 - 三角形启动控制线路

图片


18

单向反接制动的控制线路

图片


19

具有反接制动电阻的可逆运行反接制动的控制线路

图片


20

以时间原则控制的单向能耗制动线路

图片


21

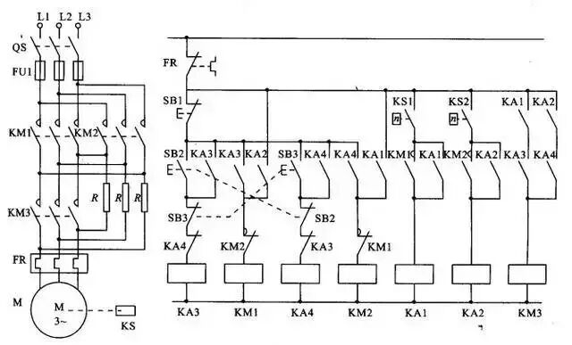
以速度原则控制的单向能耗制动控制线路

图片


22

电动机可逆运行的能耗制动控制线路

图片


23

双速电动机改变极对数的原理

图片


24

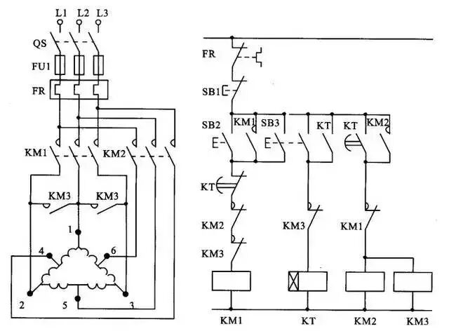
双速电动机调速控制线路

图片


25

使用变频器的异步电动机可逆调速系统控制线路

图片


26

正确连接电器的触点

图片


27

线圈的连接

图片


28

继电器开关逻辑函数

图片


29

三相半波整流电路图

图片


30

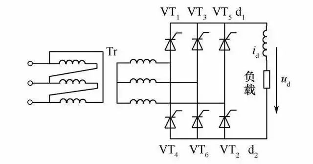
三相全波整流电路图

图片


31

三相全波6脉冲整流原理图

图片


32

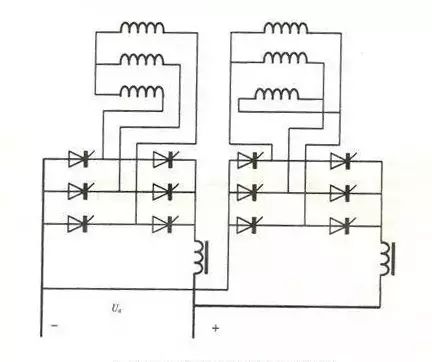
六相12脉冲整流原理图

图片


33

负载两端的电压

图片

在一个周期中,每个二极管只有三分这一的时候导通(导通角为120度)。负载两端的电压为线电压。


34

直流调速原理功能图

图片


相关推荐链接:

1、高低温冷库设计方案含自动控制原理图

2、换热机组自动控制原理图


全部回复(0 )

只看楼主 我来说两句抢沙发
这个家伙什么也没有留下。。。

电气工程原创版块

返回版块

2.2 万条内容 · 598 人订阅

猜你喜欢

阅读下一篇

集线器的故障现象及分析处理

知识点:集线器 集线器(HUB)或交换机(Switch)是局域网中用得最为普及的设备。一般情况下,它们为用户查找网络故障提供方便,如通过观察与HUB(或Switch)连接端口的指示灯是否发亮,可以判断网络连接是否正常。对于10/100Mb/s自适应HUB(或Switch)而言,还可通过连接端口指示灯的不同颜色来判断被连接的电脑是工作在10Mb/s状态下,还是100Mb/s状态下。所以,在大多数应用场合,HUB(或Switch)的使用是有利于网络维护的。但是,因为HUB(或Switch)的使用不当或自身损坏,都将给网络的连接带来问题。

回帖成功

经验值 +10