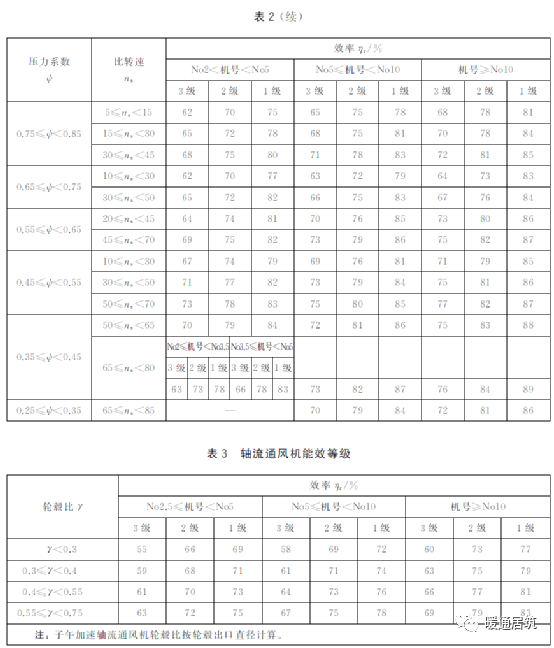
知识点:通风机能效
来源:网络,如有侵权,请联系删除


推荐资料:
通风机安装示意图
https://ziliao.co188.com/d96406.html
某酒店综合体地下防排烟通风机空调机房设计图
0人已收藏
0人已打赏
免费0人已点赞
分享
通风排烟
返回版块13.92 万条内容 · 628 人订阅
阅读下一篇
组合式空调机组的选型方法和原理1、箱体 采用模数化设计,提高各零部件的互换性。箱体面板采用平接式结构,通过螺栓固定在型钢上,形成一个密闭箱体,确保整机外表面不凝露。 1)箱板:采用50kg/m3阻燃性聚氨酯作为保温材料,外面采用彩色钢板(特殊要求可用不锈钢),具有良好的保温性能。箱板与框架采用密封材料,可有效降低机组漏风率。 2)框架:采用型钢制成,表面采用静电喷塑工艺进行防腐处理。 3)箱体:采用*的无冷桥结构设计,提高了机组的保温能力和气密性,整机漏风率≤3%。
回帖成功
经验值 +10
全部回复(0 )
只看楼主 我来说两句抢沙发