知识点:电力设计阶段
现在网络上广为流传的电路设计能力判断方法,可大致分为两类:一类偏向于“玄学”,地球上可能找不到几个人能完全掌握。另一类判断标准相比较而言,比较科学和客观、也更常见。
相比较而言,下面的设计能力判断标准可能更科学有效,更具有实际意义,有一定的学习方向指导性。
第一级,无法判断阶段
例如,找到图1所示的电路,元件参数什么都标好了,直接画PCB,焊接,再通电若功能正常就结束了。因为这个过程中,没有任何设计动作,所以无从判断。

图1
第二级,设计入门阶段
这个阶段是根据既定的电路结构,以及相关的参数约束或条件,来设计满足性能指标要求的电路。
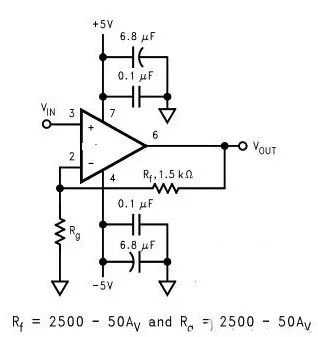
比如图2中,电路已确定是同相放大器,给定Av的数值,根据公式计算Rf和Rg两电阻即可。

图2
第三级,具备初级设计能力阶段
这个阶段是指给定电路结构,根据最终设计指标要求,自己推导参数约束条件和取舍原则。
比如图2中,要求用同相放大器设计Av=10的电路。要选取比较合适电阻的电阻值。
第四级,中级电路设计能力阶段
能够合理的选择所需的电路结构,或能根据指标,合理的修改电路结构给出满足要求的设计方案。
比如说,只知道所要设计的放大器的GAIN、PSRR、CMRR等数值,选择或修改电路结构,使其能完成所有的指标。
第五级,高级电路设计能力阶段
这个阶段的设计者快成精了,具体表现是能够灵活的改进应用和创新发展,顺手拈来的解决问题能力,不拘一格的最大能效的安排能力,电路中每个元件的取值都恰到好处,不愠不火。最终把电路的潜在能力发挥到极致。(貌似英特尔完全满足这些要求,欧洲的很多公司还做不到这一点,所以其电路表现是规规矩矩、普普通通的,而英特尔的很诡异)
附注:不同的行业,可能会有不同的要求,于是表现也不尽相同,所以不可生搬硬套。但是总的看来,不同行业的模拟电路设计总可归结为:电路、系统、工艺和CAD这四大块,只是偏重点不同而已,比如搞分立件设计,工艺要求会弱点。
相关推荐链接:
0人已收藏
0人已打赏
免费0人已点赞
分享
电气工程原创版块
返回版块2.2 万条内容 · 598 人订阅
阅读下一篇
变电站进出线走廊规划和线路终端塔布置知识点:电力出线走廊 变电站进出线走廊规划和线路终端塔布置这是日常工作中每个工程都会遇到的,如果处理不当也容易出问题,给工程后期带来麻烦;同时也是工程设计的一个节点,是需要变电一次,结构,线路电气密切配合的地方。变电站分为已建站和拟建站,已建站可根据现场实际情况和收集到的变电站电气平面布置图来确定线路终端塔的位置和出线走廊;新建站只能根据变电站电气平面布置图来确定线路终端塔的位置和出线走廊。线路的出线方式有两种,一种为架空出线;一种为电缆出线。架空出线终端塔位置的确定需要注意的地方要多一些,电缆出线相对少些。无论哪种出线方式,都要注意线路出线走廊的预留。出线走廊要根据两站之间的相对位置来确定,同时要考虑以后变电站出线的预留,出线即要顺,还不能封死其他线路出线的廊道,还要注意出线走廊间距。
回帖成功
经验值 +10
全部回复(0 )
只看楼主 我来说两句抢沙发