知识点:缺相保护装置
缺相是我们生产中比较常见的问题,由于种种原因造成的缺相烧毁的电机不在少数,想必做电工的朋友都有亲身经历。
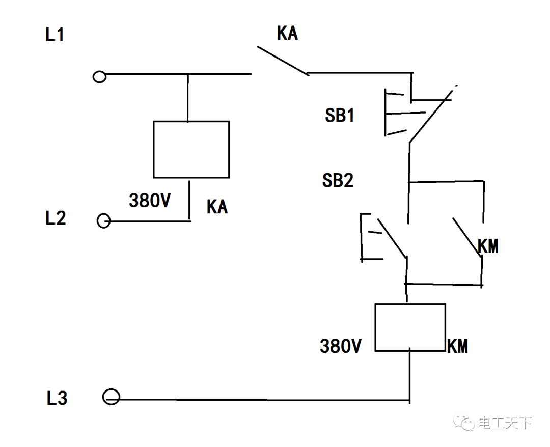
对于一些不需要相序保护的电动机,我们可以自己动手做一个简单的缺相保护器,下图就是由一个线圈为380伏的继电器做成的缺相保护控制线路。

当我们合上电源开关,继电器KA线圈得电吸合,其常开触点闭合,接通通往SB1的电源,为启动电动机做好准备。
启动的时候按下启动按钮SB2,接触器km的线圈得电,其主触头吸合,常开辅助触点也吸合并自锁,电动机得电启动运转。
在运行的过程中,无论是电源L1断开还是电源L2断开,继电器kA的线圈都会断电释放,其常开触点复位,切断通往接触器km线圈的电源,从而使km线圈断电释放,电动机停止运转,起到保护作用。
电源L3断开则直接切断通往km线圈的电源,起到保护电机的作用。
停机的时候记得把电源开关打下断开,以免继电器KA长时间处于工作状态而容易损坏。
相关推荐链接:
0人已收藏
0人已打赏
免费1人已点赞
分享
电气工程原创版块
返回版块2.2 万条内容 · 598 人订阅
回帖成功
经验值 +10
全部回复(0 )
只看楼主 我来说两句抢沙发