知识点:配电网络
配电网是电网的重要组成部分,是保障电力“配得下、用得上”的关键环节。
它大多负责城区和郊区的配网线路,也就是变压器到你家的那一段。
#01
配电在电力生产的特殊性
配网设备点多面广,单个设备价值低,所以维护的投入也小,对小型智能化需求量大。
虽然配网生产部门不像电网营销部门一样直接对接客户,但也是生产中最面向客户的一环。营销部接到客户投诉,如果是设备原因,转手就给配网部。
输变电作为主网,在国家垄断这方面没有异议,配网是一直有开放的呼声的,增量配电网、地方电网等一直在做这方面的业务。有很多大型用电企业也会自建从变电站、配网、用电的专用电网。民营企业在这块有较大的进步空间。
主网投资高峰期过了,现在是营配投资是热门,可以讲的内容很多,本篇就只做基本的概念介绍,像增量配电网、配电运维、和智能配电,后面再开专篇讨论。
#02
配电概述
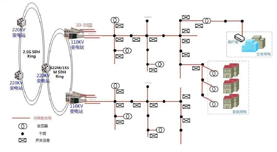
图|配电网络
配电系统是由多种配电设备(或元件)和配电设施所组成的变换电压和直接向终端用户分配电能的一个电力网络系统。

图|典型室外供配电系统结构示意图
这里只看主要设备的配网结构:
变电站的10kV开关,从这算配网的开端。
接入中压环网柜,供电N-1装备,组手拉手网络,以前的放射性线路,经济不好的地方,是没有这个的。
接入开闭所,这个也是有钱的才有,也是N-1、隔离故障的作用。
接入配电站房或架空变,将10kV转为220V。专变用户通常到此结束。居民用户往下看。
低压线接入低压柜、电缆分支箱等设备。
接到你家门口或楼下的表箱,配电结束。
总之,基础配网就是由传输设备、变压设备、控制设备、冗余设备、质控设备组成的。有钱和没钱,配网是差很多设备的,可靠性完全不一样。
#03
配电作用
图|配电环节在智能电网中的作用
配电网的主要作用就是从输电网那里接受的电能,按需求分配下去。即将高电压降低至用户所需要的各种电压,向各种用户供电。
相对输电专干“输”,变电专干“变”,配电是“输变”都做,有时还兼点客户营销的工作,自己把小电网的工作都干完了,所以输变配网又叫“主配网”。
因为配电起承上启下的工作,又有个热门工作叫“营配调”,现在叫“供电服务”,就是把和客户有直接关系的电网部门组合工作,是现在国网、南网、综合能源的热门。
#04
配网分类
图|配电网结构示意图
按电压分类
配电按电压一般分为高压配电、中压配电和低压配电,其中:
高压配电电压:35kV、110kV,又称地方电力网;
中压配电电压:10kV
低压配电电压:380/220V
按供电区域分类
配电按供电区域分为城市配电网、农村配电网、工厂配电网:
城市配电网:提供城市居民工作生活,负荷相对集中
农村配电网:提供农业生产和农村正常生活用电。供电半径大
工厂配电网:提供工业基地生产所需的电能,负荷较大
按供电方式分类
配电按供电方式分为交流供电方式和直流供电方式:
交流供电方式:
三相三线制:分为三角形接线(用于高压配电,三相220伏电动机和照明)和星形接线(用于高压配电、三相380伏电动机)
三相四线制:用于380/220伏低压动力与照明混合配电。
三相二线一地制:多用于农村配电。
三相单线制:常用于电气铁路牵引供电。
单相二线制:主要应居民用电。
直流供电方式:
二线制:用于城市无轨电车、地铁机车、矿山牵引机车等的供电;
三线制:供应发电厂、变电所、配电所自用电和二次设备用电,电解和电镀用电。
#05
配网的主要指标
配电网与广大用户紧密联系,所以配电网是否合格还是十分重要的。
图|电力配电网的主要问题
评判配电网的标准,主要有四个指标:
供电可靠性:供电可靠性是指针对用户连续供电的可靠程度。
网损率:网损率可定义为电力网的电能损耗量与总供电量的比,通常用百分表示。
电压波动和电压闪变:电压波动是指电网电压的快速变动或电压包络线的周期性变动。电压闪变是指人眼对灯闪的主感觉,引起灯闪变波动电压,称为闪变电压。
电压合格率:电压合格率是指电力系统某点电压在统计时间内电压合格的时间占总时间的百分比。
#06
智能配电网
08年~18年是营营电表建设的高峰期,这波高峰基本过完了,居民都是自动抄表了(农电工下岗)。
15年至今就是智能配电网的建设高峰,国网南网都说智能电网,主要就是智能配电网,这里面包括了配电自动化系统、配电网检测和保护、开关电器等等,这里也简单介绍下
图|配网自动化
智能配网利用现代电子技术、通讯技术、计算机及网络技术,将配电网在线数据和离线数据、配电网数据和用户数据、电网结构和地理图形进行信息集成,实现配电系统正常运行及事故情况下的监测、保护、控制、用电和配电管理的智能化。
·智能配电网的特征
供电可靠性高
智能配电网可以抵御外力破坏,避免大面积停电,将外部破坏限制在一定范围内,保障重要用户供电。电能质量更好
智能配电网能实时监测并控制电能质量,保证用户设备的正常运行并且不影响其使用寿命。运行效率更高
智能配网能实时监测配电设备温度、绝缘水平,在安全可靠地前提下提高传输能力,提高配电网设备利用效率。支持分布式电源大量接入
配电网是光伏、风机、燃料电池、微型燃气轮机等分布式电源接入的主要平台。在主网停电时,可用微电网保障重要用户的供电。支持与用户互动
一方面,智能配电网采用通信信息技术,实现电网公司与用户用电信息的双向实时交互;
另一方面,大量需求侧响应资源能够通过电力市场充分参与到配网运行中,根据电价或激励政策调整用电行为。
·智能配电网存在的问题
配电网的设备量大、面广,设备种类多、造价低且可靠性差,所以配网的故障率高,用户感受到的停电事件96%由配网引起。
主要存在的问题:
配电网量测覆盖不全,对配电的运行情况感知能力不足;配电网网架结构不够灵活,配电设备线路种类数量众多,对分布式电源的潮流掌握不明确,不能及时满足用户多种多样的电力服务需求。
·智能配网的发展
为了进一步提高智能配电网的运行效果、改善运行环境,需要在现有的技术基础上,朝着以下方向发展:
第一,信息采集技术。该技术可以快速、准确的采集电网运行所需的数据信息,是电网稳定运行的基础。
第二,基础监控技术。该技术的应用为智能配电网的运行提供了全程、实时的状态监测,可以及时发现运行故障问题,做出及时的反应。
第三,愈控制技术。通过自愈控制技术提高了智能配电网的运行安全性和可靠性,电网可自行解决一些基础性的故障问题,有助于运行效率的提升,减少了运行维护的成本。
未来,还需要改造智能配电网网架,实现配电终端标准化和多种通信方式互补。
相关推荐链接:
1、比较详细的一套机房(装修、配电、暖通、消防、网络、监控报警、门禁)
0人已收藏
0人已打赏
免费0人已点赞
分享
电气工程原创版块
返回版块2.2 万条内容 · 598 人订阅
阅读下一篇
并励直流电动机启动控制电路知识点:并励电动机 并励直流电动机启动控制电路 电路原理图如下图所示: 图中KA1是过电流继电器,用作直流电动机的断路和过载保护。KA2是欠电流继电器用作励磁绕组的失磁保护。 启动时先合上电源开关QS,励磁绕组获电励磁,欠压电流继电器KA2线圈获电,KA2常开触点闭合,控制电路通电,此时时间继电器KT线圈获电,KT常闭触点瞬时断开,然后按下启动按钮SB2,接触器KM1线圈获电,KM1主触点闭合,电动机串电阻器R启动,KM1的常闭触点断开,KT线圈断电,KT常闭触点延时闭合,接触器KM2线圈获电,KM2主触点闭合将电阻器R短接,电动机在全压下运行。
回帖成功
经验值 +10
全部回复(0 )
只看楼主 我来说两句抢沙发