知识点:并励电动机
并励直流电动机启动控制电路
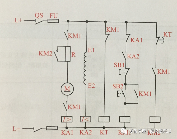
电路原理图如下图所示:

图中KA1是过电流继电器,用作直流电动机的断路和过载保护。KA2是欠电流继电器用作励磁绕组的失磁保护。
启动时先合上电源开关QS,励磁绕组获电励磁,欠压电流继电器KA2线圈获电,KA2常开触点闭合,控制电路通电,此时时间继电器KT线圈获电,KT常闭触点瞬时断开,然后按下启动按钮SB2,接触器KM1线圈获电,KM1主触点闭合,电动机串电阻器R启动,KM1的常闭触点断开,KT线圈断电,KT常闭触点延时闭合,接触器KM2线圈获电,KM2主触点闭合将电阻器R短接,电动机在全压下运行。
过电流和前电流继电器工作原理:
只要在线圈两端加上一定的电压,线圈中就会流过一定的电流,从而产生电磁效应,衔铁就会在电磁力吸引下客服返回弹簧的拉力吸向铁芯,从而带动衔铁的动触点与静触点(常开触点)吸合,当线圈断电后,电磁的吸力也随之消失,衔铁就会在弹簧的反作用力返回原来的位置,是动触点与原来的静触点(常闭触点、动断触点)吸合,这样吸合、释放,从而达到了在电路中的导通、切断的目的。对于继电器的常开、常闭触点,可以这样来区分:继电器线圈未接通时处于断开状态的静触点称为常开触点,处于接通状态的静触点称为常闭触点(动断触点)。
在设备中使用的直流继电器如下图所示,共2组常开和常闭触点(动断触点),接线方法如下图,在接线时应注意继电器底座和继电器的插针的对应关系。

相关推荐链接:
0人已收藏
0人已打赏
免费0人已点赞
分享
电气工程原创版块
返回版块2.2 万条内容 · 598 人订阅
阅读下一篇
串励电动机的结构原理知识点:串励电动机 继电器是一种电控制器件,通俗来说就是开关在条件满足的情况下关闭或者开启。继电器实际上是用较小的电流去控制较大电流的一种自动开关。在电路中起着自动调节、安全保护、转换电路等作用。广泛应用于遥控、遥测、讯、自动控制、机电一体化及电力电子设备中,是最重要的控制元件之通一。 它的基本原理,是利用了电磁效应来控制机械触点达到通断目的,给带有铁芯线圈通电-线圈电流产生磁场-磁场吸附衔铁动作通断触点。
回帖成功
经验值 +10
全部回复(0 )
只看楼主 我来说两句抢沙发