一.规范概念【高规第7章】
1.墙肢布置
错洞剪力墙和叠合错洞剪力墙:简单的说就是在竖直方向,洞上有墙。因此要避免,合理布置洞口,使得门窗洞口上下对齐,墙肢连续不中断,保证墙体落于底层,有根。也就是洞上都是洞,洞上没有墙,墙上可以洞。
剪力墙底部加强部位,是塑性铰出现及保证剪力墙安全的重要部位,一、二和三级剪力墙的底部加强部位不宜采用错洞布置,如无法避免错洞墙,应控制错洞墙洞口间的水平距离不小于2m,并在设计时进行仔细计算分析。目前对于错洞墙,都是用有限元方法仔细计算分析,并在洞口周边采取有效构造措施(图c),或在洞口不规则部位采用其他轻质材料填充,将叠合洞口转化为规则洞口(图d,其中阴影部分表示轻质填充墙体)。错洞墙一般出现在首层二层地下室。

①墙肢截面高厚比:划分框架柱、短肢剪力墙、普通剪力墙
②墙高度与墙长之比:剪力墙不宜过长,较长剪力墙宜设置跨高比较大的连梁将其分成长度较均匀的若干墙段。各墙段不宜小于3,墙段长度不宜大于8m,一般墙高度至少都有几十米,一般能满足。

3.短肢剪力墙
①结构底部倾覆力矩,结构底部指的是±0标高以上的首层,地下室受到土的约束,相当于固定端,弯矩不是最大的,故不算是结构底部。
②采用“具有较多短肢剪力墙的剪力墙结构”,他的最大适用高度要降低,因此这类结构可用于建筑30~60m的小高层。
4.连梁
①楼面梁不宜支承在剪力墙的连梁或核心筒的连梁上。本来连梁就属于抗震第一道防线,如果楼面梁还支撑在连梁上,给连梁一个集中力,使得连梁剪压比超限,这会加速连梁的破坏,不能更长时间的起约束墙体,消耗地震能力的作用。在连梁跨高比比较大的时候,也是可以搭接的。
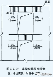
②连梁的配筋构造:连梁顶面、底面纵向水平钢筋伸入墙肢的长度,抗震设计时不应小于laE,非抗震设计时不应小于la,且均不应小于600mm。因此会使得门洞的墙垛至少600mm。实际工作中,此处要灵活处理,由于建筑专业使用功能的要求,此处很多时候是很难满足的。尽量满足600mm,尽量选择小直径钢筋,满足laE/la。

二.划分板块

①划分板块,板直接落在墙上,布置异形板。对于单向板,例如板厚100mm,一般1/35的跨度,跨度在宽度3~4m,直接落在墙上,完全没问题。尽量少布置梁影响建筑使用。每个人划分的板块都会有差别,这是取舍的问题。
②卫生间降板:降板处尽量少布置梁,可以采用折板(450mm高差,没问题),有限元计算满足就行。尽量少布置梁影响建筑使用。
③后浇洞:后浇洞的墙直接落在板上,尽量少布置梁影响建筑使用。
④阳台:高层建筑一般都做悬挑板(1.5m以内),悬挑板厚取净悬挑尺寸的1/10,不做悬挑梁。
三.布置方法:划分板块→那个是剪力墙、砌体墙,那个是梁。
①建筑类型:现在高层住宅一般都是板楼,塔楼越来越少,板楼南北通透,坐北朝南,南面基本都是大窗户落地阳台。因此板楼的XY方向的剪力墙数量不同,X方向剪力墙较少,并且X方向的南侧很少(造成扭转效应);而Y方向墙的布置受建筑专业条件限制很多,要注意上下楼层的错洞墙。

②布置方案:X方向剪力墙尽量都要,毕竟少于Y向(XY方向动力效应宜相近),在初始方案布置阶段,布置方式很多种,在后面整体指标下,还要做调整。先布置标准层剪力墙,标准层方案确定后再将墙体往底层落,再避免错洞墙的情况下布置首层、二三层。再满足底部层的要求后修改墙体厚,再返回标准层修改。由于底层二层,使得标准层墙体改动,这是结构专业来调整,使得地下室墙体改动,由建筑专业来调整。
③墙体形状尽量简单,L、Z形状居多,尽量不要做一字型短肢剪力墙。对于整体小开口墙及连梁跨高比不大于2.5的墙,可以认为是同一片墙。
④L形的一般是1700*600(200墙厚),小墙肢取3倍墙厚及600mm,1700为8.5倍墙厚,使得此墙不是短肢剪力墙,对于8度区及以上项目,1700*600是比较难满足层间位移角限值的,基本上墙体会要的比较多。
小墙肢取3倍墙厚及600mm,第一是连梁构造配筋的要求(600mm),第二是使小墙肢成为长墙的有效翼墙(2.5~3倍墙厚),对墙的抗震性能、稳定性十分有利。当足以取到600mm时,且多出个300mm左右就是墙洞了,这时直接取满,留个300mm做二次结构也省不了多少还麻烦。
当不足以取到600mm时,比如只有个300mm,垛子加上肯定有好处(剪力墙结构传力闭合),但由于尺寸小,往往配筋量比较大,会按计算配筋(As=M/0.9fyh0,h0小,则配筋As大),并且无论垛子要不要,在连梁钢筋锚固构造上都是不满足要求的。方法①加入此垛子,PKPM按实际建模计算,配筋大就大吧;方法②施工图中加入此垛子,按构造配筋,PKPM中不建模(默认此垛子能破坏);方法③完全不要垛子,连梁过来处点铰接。
【剪力墙结构传力闭合】:剪力墙与连梁传力的平面内是闭合的,剪力墙→连梁→剪力墙→另一方向剪力墙→另一方向连梁。尽量少出现连梁平面外传力给剪力墙,非要传力必须点铰接,剪力墙平面外刚度很弱,因此一些小垛子可以用于平面内刚接连梁,保持传力闭合,因此这些垛子有总比没有好。转角窗处容易中断传力途径,尽量避免,让建筑做悬挑。
对于纵向的剪力墙也是如此,上下两剪力墙相距很小,也是直接取满,一般相距1.2m以上,可以不连接(一般连梁最小梁高400mm,取开洞为1.2m的连梁,跨高比为3,不属于强连梁)。但具体问题具体分析,例如开了1.2m的洞,层间位移角调不过去,则增加这片墙,还有此连梁的超筋情况等等。
⑤角部是必须要布墙,不布啥也做不了,相当于一段完全没有支撑,造型也不出来。
⑥卫生间处,尽量不要加入剪力墙,因为有些业主喜欢砸掉卫生间,做大空间。
⑦室内框架梁按框架设计,梁高取1/14~1/18,满足净空要求。
⑧结构布置优先顺序:普通剪力墙+弱连梁(框架梁)→普通剪力墙+强连梁→短肢剪力墙→框架柱。
框架梁主要受限于外立面图窗户的梁高,跨度过大,解决方法:做上翻梁,增加剪力墙减小板跨度。例如此处,优先选择普通剪力墙+框架梁,不做框架柱,但由于立面图处梁高受限,可以做上翻梁,框架梁1可以做上翻梁,但由于框架梁2处有门,上翻则会有门槛,故框架梁2不能上翻,故都不能上翻。只能做框架柱。

内容源于网络,仅作分享使用,如有侵权,请联系删除
相关资料推荐:
知识点:剪力墙墙体布置
0人已收藏
0人已打赏
免费4人已点赞
分享
混凝土结构
返回版块140.17 万条内容 · 2216 人订阅
阅读下一篇
梁、墙体截面尺寸估算一.梁截面选取 剪力墙结构中梁高的选取与框架结构有所不同,剪力墙结构中梁包括以下三种:普通梁(L)、框架梁(KL)、连梁(LL)。大部分情况下,梁宽同墙厚,特殊情况可以连接到翼墙。 对于梁高,KL/LL梁高一般最小400,原因见【高规7.2.27、6.3.2】:一般箍筋最小间距都控制在100mm,如果梁高小于400,则注意箍筋间距要变小。 普通梁截面就可以随便一些,梁下没有墙,宽度可以不等于墙厚。
回帖成功
经验值 +10
全部回复(0 )
只看楼主 我来说两句抢沙发