一.民用钢桁架的关注点
民用钢桁架也是简支体系,一端铰接一端滑动在两边的塔楼上。故滑动端位移的确定是一个关注点,体现为两塔楼的相对变形,计算塔楼相应楼层的弹塑性层间位移,对于多层均匀框架结构和单层厂房可采用【抗规5.5.4】的弹塑性位移的简化计算方法;对于高层/超高层则需要用pushover、弹塑性时程分析等计算弹塑性层间位移。最不利的情况:左右塔楼振型方向不一样,例如左塔往左100mm,右塔往右100mm,要完全包住这个相对变形,则牛腿一侧需要200mm。
由于民用钢桁架自重比工业钢桁架大的多(采用混凝土重型楼盖),故其地震力是一个关注点,所有的水平地震力均由铰接一端来承受,设计时有一个误区:仅考虑钢桁架一半的质量计算地震力来设计铰接一端。正确的做法:恒活荷载按一半质量计算,计算地震力时要计入全部的质量,即将另一半质量作为附加质量,这也是符合实际情况的,地震力由铰接一端承受,故计入全部质量,竖向荷载由铰接和滑动支座分别承担。
二.结构布置
当有不少于1层的钢桁架时,滑动端直接搁牛腿上,只做一个牛腿承担桁架的竖向力,虽然力会比较大,但由于没有水平力,一般来说牛腿还是能算过,并且力作用高度和传递路径也减小了。相对于将每一层桁架的竖向力分别传到每一层的牛腿上(每一层都要设置牛腿),虽然牛腿受力均摊后会比较小,但在施工按照时会很麻烦,一般连廊都是全部拼装好整体吊装,特别是每一层的桁架都要刚好接触每一层的牛腿,施工精度要求高,搞不好某一层的桁架和牛腿还会悬空。
此例中为2层钢桁架,高度由建筑确定,楼板一般为组合楼板,板厚最小120mm,板跨最大不超过3m,布置次梁(水平桁架竖腹杆)时要注意净空要求。铰接一侧直接与塔楼钢柱相连(铰接),中部斜腹杆采用斜拉杆(实心的圆钢杆),截面细小美观。直接用楼层标高、支座处预估高度来计算,后面再调。

对于工业钢桁架,上弦水平桁架的水平力由水平支撑来传递,而民用钢桁架,一般都有楼板,所以可以通过楼板来传递水平力,当然再布置水平支撑会更好。

三.竖向桁架STS建模计算

1.弦杆荷载计算
桁架层高4m,宽度8.8m。实际上荷载都是通过竖腹杆传至弦杆节点,而不是直接作用为弦杆的线荷载,此处为简便算法。
①楼层恒载=考虑楼板自重+钢桁架自重+面层+吊顶,屋面稍微再增大1~1.5kN/m2。例:25*0.12+1+20*0.05+1=6,中下弦杆线荷载=6*8.8/2=26.4kN/m,上弦杆=7.5*4.4=33kN/m
②外立面恒荷载(以幕墙为例),上下弦杆为半个楼层,中弦杆为一个楼层。例:幕墙取大一点按2kN/m2,中弦杆线荷载=2*4=8kN/m,上下弦杆=2*2=4kN/m。
总恒荷载:下弦杆线荷载=26.4+4=30kN/m,中弦杆=26.4+8=34kN/m,上弦杆=33+4=37kN/m
③活荷载:楼面3.5kN/m2,3.5*4.4=15.4=16kN/m,屋面不上人0.5kN/m2,0.5*4.4=2.2kN/m
2.构件布置
先按经验选择构件截面,其中钢拉杆钢材至少为Q345并按单拉杆布置,竖腹杆截面尺寸要小于弦杆,否则构造焊接不了。采用H型钢的桁架,压弯构件要满足S2级要求。
钢拉杆有一门规范【GB/T20934-2007钢拉杆】,钢拉杆的强度级别有345/460/550/650,其中只有345满足20%伸长率的要求,一般主体结构用345,不要用高强的,一些附属结构可以用高强的来减小截面尺寸。对于钢拉杆的应力水平有【JGJ257索结构技术规程5.6.1和CECS212预应力钢结构技术规程3.3.1】有关规定,应力水平不要超过0.5,一般设计院做法是不超过0.4,符合高承载力低延性,另外此处为极限抗拉强度(破断力),因为高强钢材的屈服强度不明显,故用极限强度来衡量。


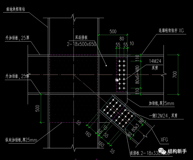
UU型,就是钢拉杆为U型,节点处焊接的耳板为一块板。OO型,就是钢拉杆为O型,节点处焊接的耳板为2块板,安装时将钢拉杆插入两耳板之间,用销轴连接。总的来说,UU型用的比较多,OO型不好安装。还有其他很多型号。在钢拉杆和耳板之间放置两块钢环板,用于补强和填补孔隙(例如耳板计算只要40mm厚,选择杆径为90mm的UU型钢拉杆,端部U型净距为82mm,净距是厂家决定的,再给施工单位10mm安装孔隙,即72mm-40mm=32mm,故两侧各一个16mm的钢环板),当销轴连接好之后,将钢环板与耳板贴焊,能焊的地方都焊。




3.约束、支座设置
钢拉杆(销轴连接)两端要点铰接,弦杆不断开,桁架铰接一端的弦杆与塔楼柱点铰接。其余采用H型钢都应设为刚接,按【钢标8.5.2】考虑刚接引起的次弯矩。滑动支座处设置为滑动及铰接,此处“滑动”是只能滑不能转,故再在杆端设置铰接,让支座能“滑”也能“转”。
4.计算长度
桁架计算长度宜按【钢标7.4】设置,对于刚接的竖腹杆和弦杆,STS可能会考虑刚接的作用减小计算长度,主要注意竖腹杆,弦杆上有楼板可以不考虑稳定问题。
五.其他
1.次梁计算
①初选截面高度为1/15~1/20L,故可取450/500左右,梁宽可取200,翼缘厚度可取10,满足局部稳定的宽厚比要求。
②荷载取值,可按楼面荷载,恒载6,活载3.5,在此例中,为减小板跨度,故多布置一道次梁,故次梁受荷面积为2.2*8.8,其中8.8为次梁跨度。
③STS参数设置:容许挠度按1/250,截面板件宽厚比等级为S3,因为次梁两端属于铰接,是静定结构,就不要再考虑其塑性承载能力了。


2.连接节点
①桁架铰接端:铰接只用螺栓连接腹板,翼缘不连,螺栓按杆件计算确定。

②销轴节点计算:【钢标11.6】
(1)构造【钢标11.6.2】

(2)耳板【钢标11.6.3】
(3)销轴【钢标11.6.4】
六.3d3s建模计算

端部的刚架/框架虽然是单跨双层结构,但审图有可能会提,说这里是单层结构。故此处需要再做强做保守,添加隅撑等。
七.midas建模计算
midas的模型能通过3d3s导入,导入后检查截面、荷载等,一般没问题。如图为第一振型,扭转成分比较大,虽然桁架两端的质量分布一样,但约束不同,铰接端约束强,滑动端约束弱,造成了两端刚度不对称,故在平常设计中,1/3跨位置会加一些隅撑等。
规范对桁架结构没有什么变形要求,控制正常使用极限状态就行。

内容源于网络,仅作分享使用,如有侵权,请联系删除
相关资料推荐:
知识点:民用钢桁架设计
0人已收藏
0人已打赏
免费9人已点赞
分享
钢结构工程
返回版块46.53 万条内容 · 1212 人订阅
阅读下一篇
多层大跨度钢桁架安装技术的研究大跨度钢桁架体系在钢结构应用中较为广泛,常见为单层大跨度钢桁架体系,其安装方法较为成熟,而多层大跨度钢桁架结构体系的安装项目案例较少,其安装技术有待进一步细究。 深圳市第三代指挥中心项目地上结构为六层连续大跨度钢桁架体系,建筑高度56 m,每层由六榀大跨度钢桁架+钢次梁组成,层高6.5~12 m不等,身处建筑密集城区,堆场道路等条件极其受限。对其安装方法进行比选,否定了整体提升、滑移安装等施工方法,最终采用施工快速、安全经济的单点式支撑体系原位安装钢桁架。通过对其结构形式、连接方式、端部节点构造的优化设计,达到快速安装拆卸的效果。每榀桁架在工厂制作时预起拱,现场安装时中间起拱值为60 mm,平面上由南向北采用分段进行原位安装,立面上采用以两层钢桁架为一个安装单元,与两侧结构形成双层框架体系后,再进行下层桁架支撑的卸载转运、楼板浇筑,完成本层楼板浇筑后再向上安装第三层桁架结构,按此顺序层层向上周转支撑体系进行桁架安装。利用有限元分析软件MIDAS提前对安装过程中的支撑体系受力和结构下挠变形进行施工模拟验算,在每榀桁架的中部和端部设置位移监测点,施工过程中做好监测记录。
回帖成功
经验值 +10
全部回复(3 )
只看楼主 我来说两句-
cpidi2000
沙发
2022-10-31 17:32:31
赞同0
-
zyj2013
板凳
2022-10-25 08:38:25
赞同0
加载更多很有质量的帖子,学习了
回复 举报
很好的资料,两层的桁架PKPM能计算吗?
回复 举报