知识点:飞机代码灯
通过一起案例,结合线路图SSM分析B737NG飞机EAU8个收回故障灯亮的原理,以及跟反推灯亮的关系。原文是陆少写的,本人在内容和排版上做了一些改动。能像他对反推系统控制逻辑研究这么透的人不多。
背景介绍
B737-800飞机,航后例行检查发现EAU(ENGINE ACCESSORY UNIT
)上显示左发反推收上故障灯亮,自检EAU有故障代码(灯)S831、S832、S835、S836,都是反推未收回/锁上代码。但驾驶舱头顶板反推故障灯没有亮,机组也没有反映反推系统故障。复位EAU故障灯熄灭,收放反推5次均正常。类似情况也曾在其他两架飞机上出现过。

系统原理
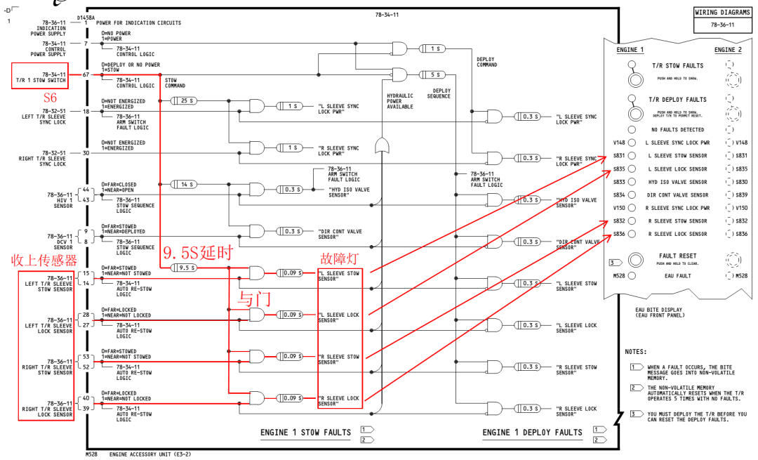
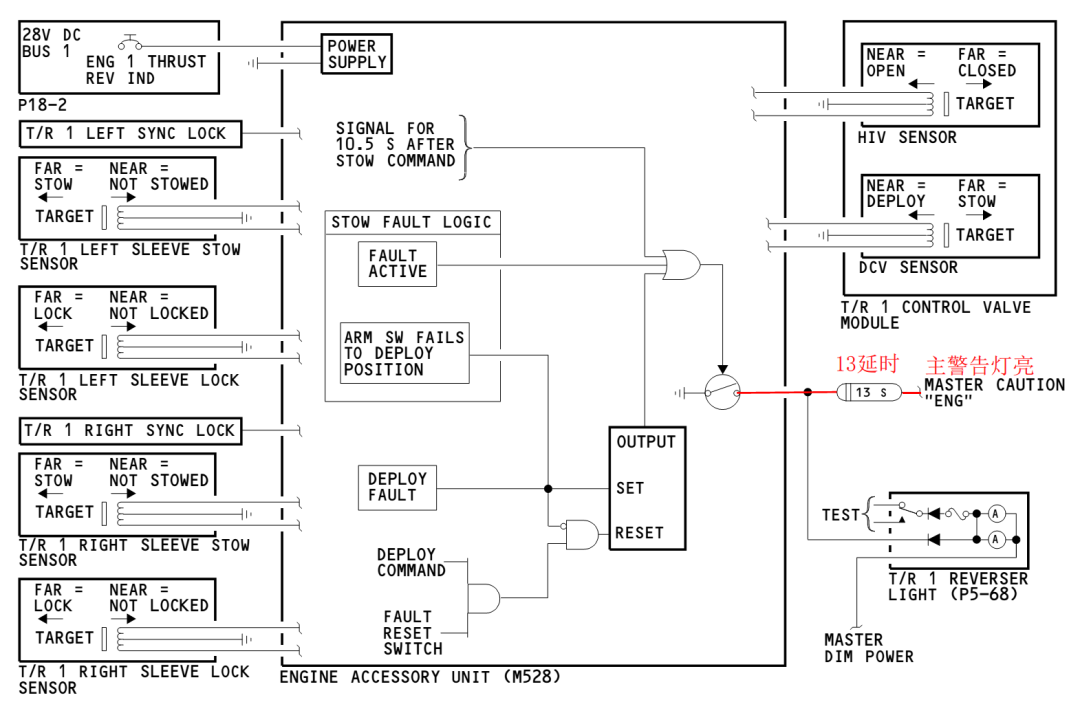
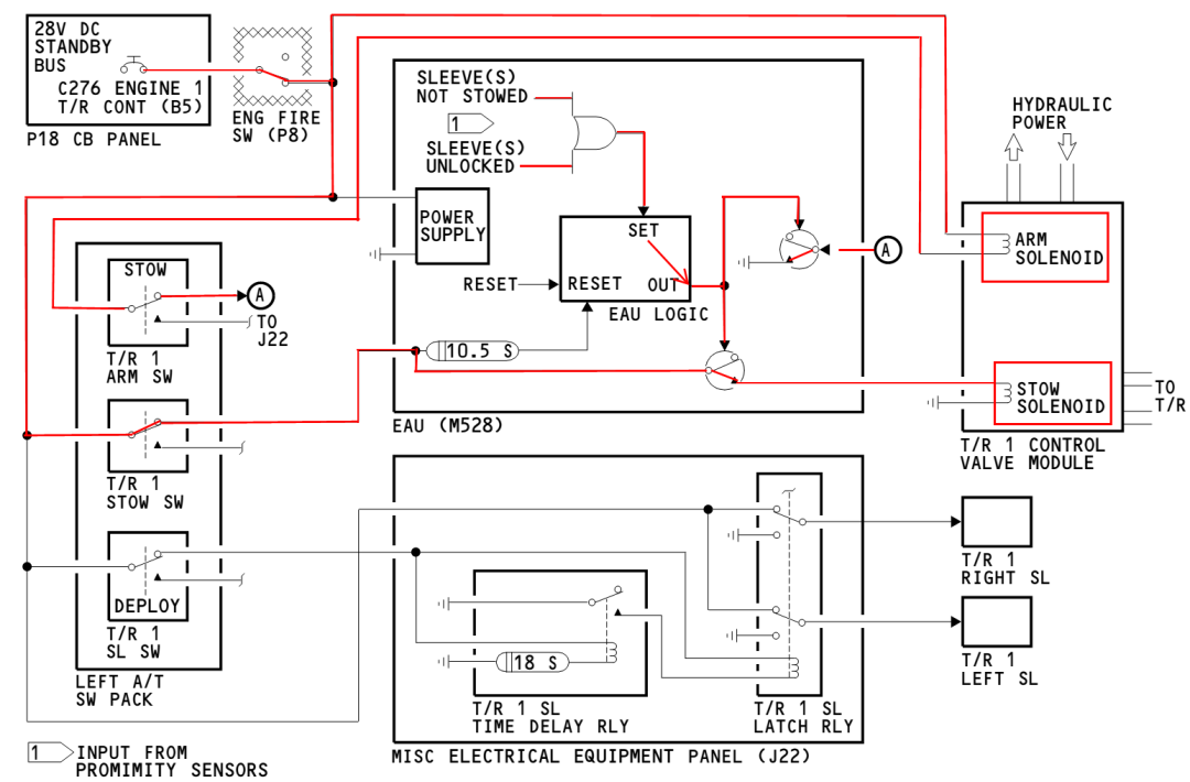
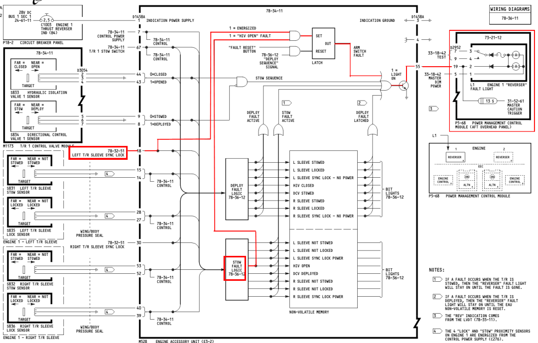
反推手柄收回,自动油门电门组件内的电门S4、S5和S6接通。S6给EAU提供收回指令,EAU使收回线圈接通。反推衬套没有收回时,EAU经过S5使预位线圈接通,反推控制活门给作动筒接通液压。S4给同步锁线圈通电,同步锁在液压下解锁,反推作动筒作动,反推衬套收回。EAU有一个定时器,10.5秒后将S6的复位信号传给逻辑板,断开预位和收回线圈电,控制活门断开液压,反推作动筒停止作动。18秒后同步锁断电,反推收回程序结束。
SDS78-34-00

反推收回时,预位电门和收回电门打开(10.5S),反推灯亮。

超过9.5秒反推没有收到位,EAU会记录代码,反推灯正常点亮(在10.5内)。
SSM78-36-12

超过10.5秒反推没收到位,反推灯故障点亮(超过10.5秒)。因为预位和收回线圈又接通,直到反推收回才熄灭。
SDS78-34-00

超过13秒反推未收到位,主警告灯亮。反推灯故障点亮(超过10.5秒),直到反推收回才熄灭。
SDS78-36-00

超过18秒反推没有收到位,同步锁断电,反推不再作动。EAU记录代码,反推灯常亮,主警告灯亮。反推灯亮的原因是反推没有收回,收回传感器探测到故障信号。
SSM78-36-11

综上所述,EAU接到收反推收回指令后,会有9.5秒的延时,让反推衬套有足够时间收回。这9.5秒收回/锁传感器即使探测到反推没有收到位属于正常的,不会有代码记录。反推灯点亮时间是10.5秒,预位电门和收回电门要比反推衬套后作动。主警告灯点亮时间13秒,避免信号干扰延时误点亮。同步锁18秒断电,在反推收回结束后作动,时间最长。
故障分析
故障代码S831、S832、S835和S836,代表4个衬套收上传感器和锁传感器探测到反推未收到位故障,4个传感器均是监控反推衬套是否已收到位,同时故障的可能性很小,所以应该是反推衬套在标准时间内(9.5S)没有收到位。
反推灯不亮,说明当前系统正常,说明反推在18秒(同步锁时间)内收回。
机组没有反应反推故障,说明主警告系统没有警示,反推在13秒内已经收回。至于是在10.5秒之前收回还是10.5秒之后收回,这个只能通过观察反推灯亮的时间判断。因持续时间短,另外机组落地时也没有时间去观察,更没办法判断这个精度,所以无法准确判断。
排故建议
EAU记录了收回故障,但驾驶舱反推故障灯未点亮,反映反推系统性能下降,可以作为反推预防性维护措施。时间充足的话提前干预排故,减少显性故障导致运行被动。当发现EAU有故障灯亮时,排故建议:
1、询问机组是否看到反推故障灯亮,准确记录EAU上的故障代码。
由于EAU记录的故障信息是最后五次收放操作发生的故障信息,并且会同时显示,清除时也一并被清除。所以在发现此故障时先准确记录故障代码,以防止误清除或代码叠加误判。收回故障在故障消失后驾驶舱反推灯会熄灭,但EAU上故障代码会一直亮,直到在EAU上清除。
2、 检查和测试反推系统。
EAU有4个衬套收回/锁故障代码,说明反推收回时间长,性能下降。需要检查反推作动机构,包括反推各作动筒、反推衬套滑轨等。再进行收放测试确认反推收放时间是否在手册要求范围内,反推灯熄灭时间是否在10.5秒内。
其他故障灯
反推具体故障灯共有8个,S831/2/5/6,S833,S834和V148/150。前面已经介绍了4个收上/锁故障灯,还有4个收回故障灯,以下逐一介绍。
(1)隔离活门HIV故障灯(1个灯S833)。
以下三个条件同时满足时S833灯亮且反推故障灯亮。
①、反推收回10.5秒(线圈断电)后,液压隔离活门还打开。
②、反推手柄(S6)在STOW位超过14秒(允许延迟几秒)。
③、反推同步锁有电(18秒内)。
SSM78-36-11

SSM78-36-12

EAU记录代码S833且反推灯,必须复位EAU或者收放反推5次才能复位。其它收回故障,故障消失后反推灯熄灭,但EAU上会记录相应的故障代码。
综上:
反推收回指令14秒内,液压隔离活门打开属于正常。
如果在反推收回指令后14秒-18秒,液压隔离活门打开,EAU记录代码,反推灯长亮(逻辑锁定),必须到EAU上才能反复位。
如果在反推收回指令18秒后,液压隔离活门打开,EAU记录代码,反推灯亮。故障消失后反推灯灭,不被锁定。
(2)方向控制活门DCV故障灯(1个灯S834).
反推收回指令14秒内,方向控制活门打开属于正常。如果在反推收回指令后14秒,方向控制活门打开,EAU记录代码,反推灯亮,故障消失后反推灯灭。
SSM78-36-12

(3)同步锁故障灯(2个灯S148/150)。
反推收回指令25秒内,同步锁打开属于正常。如果在反推收回指令后25秒后,同步锁还有电,EAU记录代码,反推灯亮,故障消失后反推灯灭。
SSM78-36-12

以上针对收回故障代码分析,放出故障代码原理相似,区别在于放出代码需要放反推才能复位。
相关推荐链接:
0人已收藏
0人已打赏
免费0人已点赞
分享
供配电技术
返回版块97.93 万条内容 · 2214 人订阅
阅读下一篇
飞机外部都有些什么灯?飞机灯都有哪些作用?知识点:飞机灯 谈到飞机想必大家都乘坐和见过,但是不知道大家在晚上乘坐飞机时有没有注意到飞机外部有许多灯光,在不同的场合和时间飞机使用的灯光也不尽相同。那你想过飞机外部都有些什么灯呢?这些灯光有什么用途呢? 红色防撞灯 又叫做信标灯,英文为EACON LIGHT或BEACON,其分别安装在飞机的上、下和中部各一只,用途是防止航空器相撞。此灯根据机型适配的控制器不同,以一定地频率爆破闪烁。此灯在飞机推出及发动机运行时打开。(只要飞机发动就必开)
回帖成功
经验值 +10
全部回复(0 )
只看楼主 我来说两句抢沙发