知识点:旋转整流器发电机
多电飞机技术已经日益成为航空工业发展的主流趋势,机上用电设备也随之增多,从而使得飞机对航空电源的电能供应系统稳定性要求越来越高。作为航空电源系统的主电源,航空发电机的可靠性将直接影响各机载用电设备的能量供应与安全。主发电机出现故障时,可能会对整个飞机系统的安全性产生严重影响。旋转整流器作为三级式发电机的一个关键部件,其可靠性直接关系到整个发电机的健康状况。该文研究一种基于深度置信网络(deep belief network,DBN)的改进方法,并将其用于航空发电机旋转整流器故障特征提取及诊断操作中。利用粒子群算法(particle swarm optimization,PSO)对深度置信网络进行训练,用于优化和确定深度置信网络的结构,并设计一个基于数字信号控制器(digital signal controller,DSC)的紧凑型实时诊断系统,成功实现了算法的移植工作,并取得了理想的诊断效果。
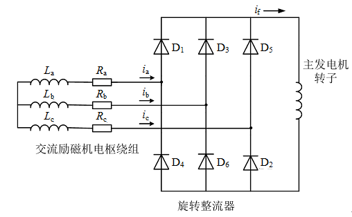
旋转整流器为三相不可控整流电路,其结构如图1所示。图中:La,b,c、Ra,b,c和ia,b,c分别为交流励磁机的绕组、自身阻值和各相绕组上产生的电流;D1—D6分别为旋转整流器整流桥上的6个整流二极管;if为旋转整流器整流后的整流电流(即主发电机的励磁电流)。

图1 旋转整流器电路的等效模型
论文利用DBN提取旋转整流器故障特征。针对DBN模型的隐含层节点数通常由经验或者实验试凑来确定,容易造成网络结构冗余问题,论文利用PSO算法对每个隐含层的神经元节点数分别进行寻优,从而使模型可以将原始信号映射到不同特征空间时,在尽量减少特征信息损失的情况下,得到最佳隐含节点数。PSO-DBN网络的构建过程如图2所示。为了验证本文所提出方法的实际运行性能,将PSO-DBN网络移植到TMS320C28346的DSC系统中实现。该DSC运行主频为300MHz,内部存储资源为512K RAM,可以满足系统在存储和实时性的运行要求。该系统的照片如图3所示,本文将该故障诊断系统运用于平台的旋转整流器在线故障检测中。

图2 PSO-DBN网络结构图

图3 基于DSC的诊断系统
论文分析和探讨了以下3方面问题:
(1)利用DBN提取发电机旋转整流器故障特征方法;
(2)利用PSO改进DBN方法;
(3)DSC故障诊断系统的设计与实现;
0人已收藏
0人已打赏
免费0人已点赞
分享
继电保护
返回版块7.33 万条内容 · 486 人订阅
阅读下一篇
油冷电机流体分析及热分析应用知识点:油冷发电机 高功率密度和高转矩密度是电机发展的必然趋势。为了进一步达到更高能量密度的输出,散热是必须优先解决的问题。油冷电机通过冷媒介质的更换,实现了对电机内部发热元器件的直接冷却,大大提升了冷媒介质与电机的热交换面积,让油冷电机可以更高效的带走热量。 然而冷媒介质与电机本体的直接接触,也带来了一系列的设计问题。列举流体及热部分的例子,诸如密封性问题、漆膜保护问题、气隙进油问题、散热不均匀问题等,对设计者而言均是无法避开的重要设计难点。同时受限于国内对油冷电机开发周期的要求,传统CFD的计算方案已无法满足项目需求。
回帖成功
经验值 +10
全部回复(0 )
只看楼主 我来说两句抢沙发