知识点:控制电作动器
1 控制策略研究及控制试验
1.1 试验台的搭建
为开展光驱动压电作动器控制策略研究及验证其可行性,搭建试验平台,试验中所用到的器材如图1所示。试验以悬臂梁为被控对象,所用器材包括隔振试验平台、计算机、直流电源、高阻电压表、激光位移传感器、数据采集卡、光源、信号调理电路、开关电路。

为了提升控制效果,试验中采用两个PLZT与压电作动器相连接,分别提供正/负电压,试验中压电作动器选用压电薄膜聚偏氟乙烯(PVDF),聚偏氟乙烯是一种很薄的薄膜,尽管性能有限,但易于裁剪并附加在结构表面进行试验分析。
试验原理如图2所示。

由控制系统发出激励信号激励悬臂梁产生振动,压电传感器将振动电压信号传递给信号调理电路,信号调理电路包括电荷放大模块、电平调整模块、工频陷波模块、带通滤波模块。传感信号经过信号调理电路处理后传递给计算机进行判断并输出控制信号给开关电路,进而控制PLZT与压电作动器的连接方式,控制压电作动器电压正负值,达到抑制振动的目的。
控制双PLZT与压电作动器连接的开关电路如图3所示。当控制器输出上方电路控制信号为1、下方电路控制信号为0的信号时,PLZT与压电作动器正接,压电作动器得正电;当控制器输出上方电路控制信号为0、下方电路控制信号为1的信号时,PLZT与压电作动器反接,压电作动器得负电;当控制器为两路均提供控制信号0,则PLZT与压电作动器断开。

1.2 软件系统研究
新型光控压电作动器的振动控制软件系统是通过利用研华公司的PCI-1710多功能数据采集卡进行模拟量/数字量的输入/输出进行数据交换,把外界信息传递给计算机,通过软件系统进行分析,并根据不同时刻的外界信号发出相应的控制信号,以达到利用广电压进行快速消除振动的目的。
光控作动器激励检测程序如图4所示,悬臂梁发生振动时,当电压信号达到预设的自动控制出发电压时,跳出循环,执行下一个控制程序。

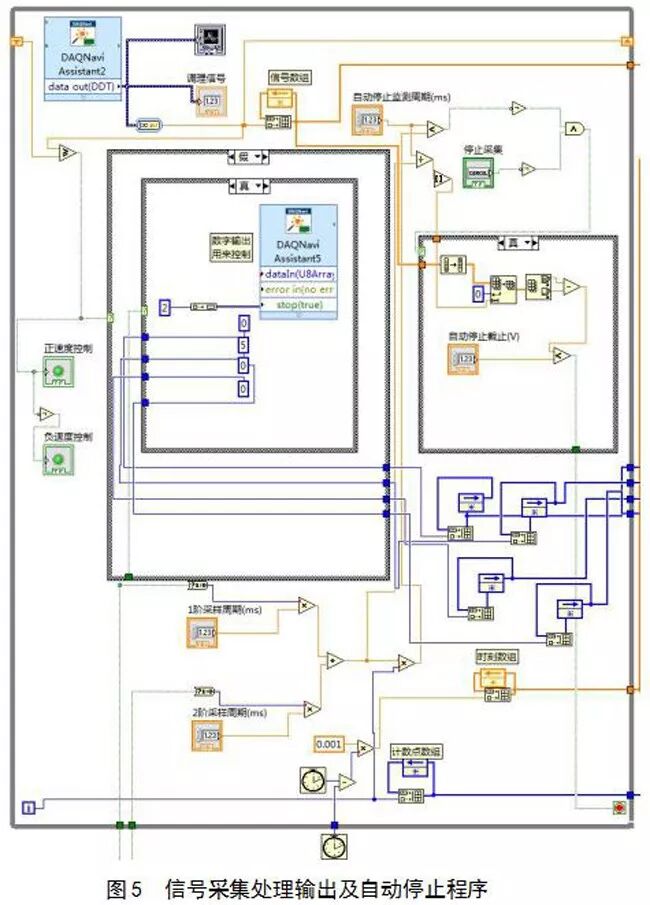
在程序跳出激励检测循环后,系统将通过数据采集卡实时采集振动传感信号,传感信号的波形可以在程序前面板中实时显示;在采集传感信号时,系统将通过移位寄存器将当前时刻的传感信号与上一时刻的传感电压信号进行比较,以判断当前被控对象的振动状态,判定为正速度控制或负速度控制,进而通过数据采集卡输出控制信号,控制开关电路来控制PLZT与压电作动器的正反接,使压电作动器在广电压的作用下产生形变,对被控对象的振动提供连续抑制力。当振动减小到一定程度后,若不及时停止控制程序,将对振动造成激励效果,使振动加剧。程序的停止条件设定为:当系统振动传感电压信号最大值与最小值之差小于预设的自动停止电压时,控制程序停止运行,程序如图5所示。

当电压信号满足自动停止条件后,控制程序停止,控制过程数据将通过创建数组存储在计算机指定位置以便分析,信号通过运算处理可得到其频域波形,如图6所示。最后将程序复位,整个程序运行完毕。试验过程中所有的波形均可以在前面板中观察,如图7所示。


2 试验结果
试验开始前预先打开光源,对PLZT进行预照射,使光压电达到饱和值,运行程序,对悬臂梁进行激振,使其产生周期性振动,试验测得的在受控前后悬臂梁自由端振动衰减曲线对比如图8所示。

由图8可以看出,经新型光控压电作动器控制后梁的振动衰减速度明显快于自然衰减的速度。在振动衰减曲线中,由于振动频率较快,曲线密集,不易于观察,将曲线进行傅里叶变化得到与之相对应的频域曲线,受控前后的振动衰减频域曲线对比如图9所示。

由两组曲线对比可知,采用光控压电作动器的控制方法可以有效控制薄壳结构的振动,这种方法可以有效减少外界干扰,减小所需设备体积,对结构的工作性能有很大提升。
相关推荐链接:
0人已收藏
0人已打赏
免费0人已点赞
分享
继电保护
返回版块7.33 万条内容 · 486 人订阅
阅读下一篇
微型微控制器承载双直流/直流升压转换器知识点:直流升压机,旋转变换器 电池是便携式系统应用的典型电源,如今找到基于微控制器的便携式系统并不罕见。 各种微控制器在低电源电压下工作,例如1.8V。 因此,您可以使用两个AA或AAA电池为电路供电。 但是,如果电路需要更高的电压-例如LCD需要大约7.5V直流的LED背光-你必须使用合适的DC/DC转换器将电源电压从例如3V提升到所需电压。 但是,您还可以使用微控制器在一些额外的分立元件的帮助下开发合适的DC/DC升压电压转换器。
回帖成功
经验值 +10
全部回复(0 )
只看楼主 我来说两句抢沙发