知识点:短时工作接触器(常开接触器)
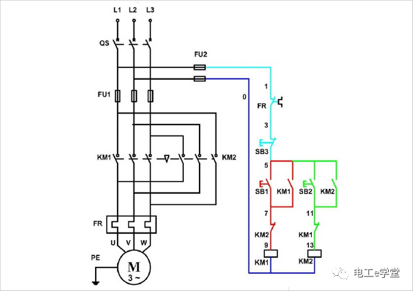
前几天在跟新入行的电工练习电机正反转控制电路接线,说到双重互锁的时候,他突然问我一个问题,正转接触器断电(反转接触器通电)瞬间,它们的常开点和常闭点既然是同时动作的,在动作的一瞬间,主电路会不会有短路的危险?

这确实也是我当年的疑问,老电工肯定认为是个非常简单的、不值一提的问题,但对于新鸟来说,把它弄清楚很重要。
答案是,动作肯定是同时动作的,但是起作用还是有先后顺序的,简单的说,就是常闭点先断开,然后才是常开点闭合。
在接触器通电时,常闭点断开先发挥作用,然后常开点闭合起作用;在接触器断电瞬间,吸合的常开点先断开先起作用,分离的常闭点后起作用。
也就是说,不论是常开点还是常闭点,接触器的先起作用的永远是当时结合的两个触点先分离。


相关推荐链接:
0人已收藏
0人已打赏
免费1人已点赞
分享
继电保护
返回版块7.33 万条内容 · 486 人订阅
阅读下一篇
家用无塔供水压力开关与接触器如何接线图知识点:压式接触器 家用无塔供水压力开关有数显和机械式弹簧调压式的。数显式的价格贵,控制接线比较多,而机械式的无塔供水压力开关需要配一个压力罐,它出厂默认0.14MPaMPa(1.4~2.8bar),低于1.4bar启动,高于2.8bar停止(可在一定范围之内微调)。这种压力开关的①②是一组触头,③④是一组触头,水压低时它们两者之间都是常闭触点,当水压达到最大时,它们两者之间就变成了常开触点,这样就相当于一个两组的继电器。但它可以控制最大功率为1.5KW的额定电压为220V的单相交流电动机。适合家用功率不大的单相交流电动机供水使用。
回帖成功
经验值 +10
全部回复(0 )
只看楼主 我来说两句抢沙发