知识点:馈电电路
KBZ馈电开关主要用于煤矿井下,交流50Hz,额定电压为1140V/660V、660V/380V,额定电流在400A及以下的供 电系统中,作为总开关、分支开关。
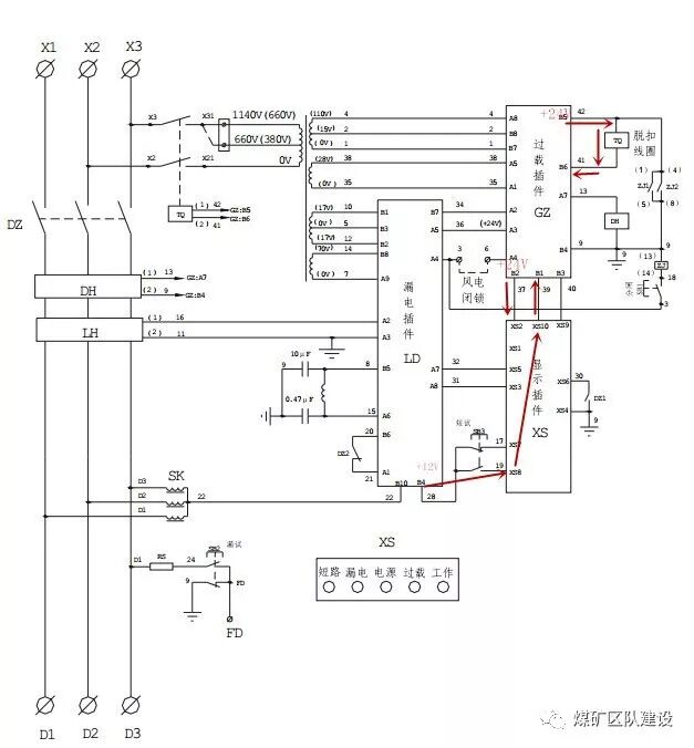
试验方法:送电试验前一定要确认电压等级。
合闸时机构状态如图

短路试验:可接大电流发生器通大电流进行试验。但要注意在辅助电源变压器一次侧加额定电压。
按下短试按钮后状态图:

具体操作如下:按下短试按钮,漏电插件B4输出12v经显示插件输送至过流插件,过流插件输出24v至脱口线圈,脱扣线圈动作,真空接触器在维持机构动作断电,行程开关动作,显示插件运行灯灭。同时过流插件输出24v至显示插件,短路显示灯亮。
即:漏电插件B4(12V)→短试→显示插件XS8→XS10→过流插件B1,
过流插件B5(24V) →脱扣线圈→过流插件B6,(脱扣线圈动作断电,行程开关动作,显示插件运行灯灭)
过流插件B2(24V) →显示插件XS2(显示插件短路灯亮)

相关推荐链接:
0人已收藏
0人已打赏
免费0人已点赞
分享
成套电气设备
返回版块15.97 万条内容 · 620 人订阅
阅读下一篇
盘点重要的电路保护元件知识点:重要电路 电子电路很容易在过压、过流、浪涌等情况发生的时候损坏,随着技术的发展,电子电路的产品日益多样化和复杂化,而电路保护则变得尤为重要。电路保护元件也从简单的玻璃管保险丝,变得种类更多,防护性能更优越。 在各类电子产品中,设置过压保护和过流保护变得越来越重要,那么电路保护的意义到底是什么,本文就来跟大家聊一聊:
回帖成功
经验值 +10
全部回复(0 )
只看楼主 我来说两句抢沙发