知识点:时间继电器
时间继电器作为电工基础中常用的继电器之一,在控制领域应用广泛,虽然现在都在使用可编程控制器、时控开关等智能控制设备,但是都是基于基础的时间继电器原理,那么下面我们开始学习吧。

时间继电器是指当加入(或去掉)输入的动作信号后,其输出电路需经过规定的准确时间才产生跳跃式变化(或触头动作)的一种继电器。是一种使用在较低的电压或较小电流的电路上,用来接通或切断较高电压、较大电流的电路的电气元件。
时间继电器可以按照工作原理和延时方式分为好几大类,我们着重分析常用的几类,根据工作原理可以分为:空气阻尼式时间继电器、电动式时间继电器、电磁式时间继电器、电子式时间继电器等。
常用的有两种,因为价格低廉、原理清晰、控制要求不高,我们一般选择空气阻尼式时间继电器、电磁式时间继电器。
根据延时方式我们分为通电延时型、断电延时型,工作原理和含义顾名思义。

空气阻尼是时间继电器:主要的延时原理是利用气囊式阻尼器,线圈得电以后,释放或者吸合阻尼器,空气通过微小孔缓慢进入,到达时间以后,实现接通断开作用;
电磁式时间继电器:主要原理是接通或者断电以后,磁通缓慢衰减的原理让衔铁释放让线路得到延时的作用。
我们以这款通电延时型时间继电器为例:

1-2脚为电源线圈,这两个脚是需要连接电压的,根据自己选用的电压值正确连接,常用的为220V,24V;
1-3脚为通电延时闭合触点,接通电源,给了信号之后线圈得电,等到设置时间到达以后,触点闭合;
1-4脚为通电延时断开触点,接通电源,给了信号之后线圈得电,等到设置时间到达以后,触点断开;
5-8脚为通电延时闭合触点,接通电源,给了信号之后线圈得电,等到设置时间到达以后,触点闭合;
6-8脚为通电延时断开触点,接通电源,给了信号之后线圈得电,等到设置时间到达以后,触点断开;
各个引脚的含义我们已经搞清楚了,下面就可以根据控制原因进行接线,我们以下图为例,在电路中加入KT通电延时时间继电器,当按下启动按钮SB2线圈KT1、KM1得电交流接触器KM1吸合,电动机M1转动,延时闭合开关KT1到达时间吸合,KM2、KT2得电,交流接触器KM2得电吸合,电动机M2转动,延时断开开关KT2在到达时间以后断开,整个控制回路断开,所有电机停止转动;
这就是时间继电器在一条控制电路中起到的延时断开、延时闭合的作用。
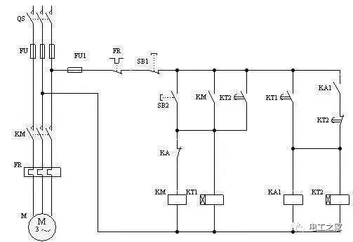
下面分享几个经典时间继电器控制电路原理图:

(星三角降压启动)

(延时启动、关闭控制)
来源:网络,版权归原作者所有,侵删
相关推荐链接:
0人已收藏
0人已打赏
免费4人已点赞
分享
继电保护
返回版块7.33 万条内容 · 486 人订阅
阅读下一篇
什么叫限流电阻?限流电阻和普通电阻一样吗?什么叫限流电阻?限流电阻和普通电阻一样吗? 限流电阻经常串联于电路中,用以限制所在支路电流的大小,以防电流过大烧坏所串联的元器件。同时限流电阻也能起分压作用。通常在局部电路中,与用电器串联的无其他作用的电阻都可视其为限流电阻。用于限制电流大小的电阻。很多元器件对最大输入电流有限制,如果输入电流过大,会导致元器件不能正常工作,甚至烧毁。为了控制电流,在输入端增加一个电阻,以减少电流强度,避免不必要的风险。
回帖成功
经验值 +10
全部回复(1 )
只看楼主 我来说两句 抢板凳用的多,真正懂得少,很好的资料,最基础实用的电气专业理论知识,值得收藏和学习。
回复 举报