空心板梁的病害不是独立的,而是相互影响、相互制约的。譬如最常见的病害支座脱空危害较大,支座脱空势必造成其他支座反力增大,超过支座承载能力,易引起支座本身的损坏;支座脱空会大大增加板梁横向弯矩,易引起板梁板底纵裂;支座脱空对铰缝的工作状况会产生不利影响,会加剧铰缝损坏,进而会形成单板受力,最终造成对板梁本身的损伤。

1、设计原因
广东省空心板通用图中,对铰缝的验算理论不完善,原设计中采用铰接板理论计算铰缝剪力较实际作用偏小忽略了铰缝与预制空心板接触面之间的粘结作用。
空心板铰缝破损引起的“单板受力”问题是空心板简支梁桥最常见同时也是最致命的病害。这一病害不仅直接导致梁体开裂,降低结构的承载能力与耐久性,同时还会引起和加速桥梁其他病害的产生和发展。
在我国,目前还没有明确规定铰缝如何进行抗剪计算,在以往的计算中,通常是以将铰缝混凝土看作圬工材料,按圬工结构(《圬工规范》)直接受剪来计算铰缝抗剪强度。由于《圬工规范》未考虑铰缝属于先后浇混凝土粘结,导致铰缝抗剪承载力计算值往往远远大于其设计值。

2、施工原因
铰缝浅而窄,不利于铰缝混凝土的振捣,导致混凝土不密实,强度达不到要求。
板梁铰缝接触面混凝土未进行粗糙处理,或凿毛后没有清除松动混凝土块,从而降低了预制板与铰缝混凝土间的粘结强度。
铰缝混凝土浇注前,应将梁体侧面湿润,否则新老混凝土接触面粘结性能较差。

支座安装不平导致支座脱空,形成“三条腿”现象。车辆通过时造成空心板的振动,使铰接缝混凝土处于很不利的受力状态,久而久之,铰接缝混凝土逐渐破碎脱落。
施工时对整体化层内的钢筋网位置控制不准等原因对铰缝也有不利影响。

3、运营因素
重载运输现象越来越严重,重载车辆对小跨径桥梁的影响尤为显著。
板梁损伤降低板梁刚度,又会反过来影响荷载的横向分布,从另一方面增大铰缝的内力
行车轨迹固定,车辆荷载的反复作用下某些预制板铰缝更易发生疲劳破坏。
4、拟采用对策
铰缝设计和构造改进研究
根据铰缝的受力特点,有针对性的改进铰缝的构造要求,如增大铰缝宽度、改变铰缝配筋构造或形式等。
优化支座布置
支座布置是否合理不仅影响支座自身受力,也同样影响主梁受力。常规简支空心板一般布置4个支座。在使用过程中,常常出现支座脱空现象。本项目拟分别针对4支座布置、3支座布置和2支座布置等不同形式建立有限元模型,分析支座布置形式对支座受力和梁体受力的影响。
加大桥面整体化层厚度
增加桥面整体化层厚度,可提高空心板梁桥整体性。
提出改善空心板梁力学性能的成套综合改进措施
通过结构的仿真模拟,计算分析,综合比选各方案,提出可有效改进空心板结构受力的成套综合改进措施。研究采用综合改进措施的空心板梁与现有空心板梁间的区别与具体改善效果。
提出施工及运营中的注意事项
针对可预见的混凝土常见病害,提出预制和吊装空心板时相关注意事项,保证成桥质量。
装配式预应力混凝土空心板通用图编制体系如下表:



空心板顶底面均水平,空心板板宽按124cm设计。对于后张法空心板,跨中区段空心板腹板厚度为16cm,顶板、底板厚度均采用12cm,端部腹板厚度加厚为32cm,底板厚度加厚为25cm。对于先张法空心板,跨中区段空心板腹板厚度为16cm,顶板、底板厚度均采用12cm,端部腹板厚度加厚为24cm,底板厚度加厚为25cm。



1、标准图结构体系为先简支后桥面连续的体系,按部分预应力混凝土A类构件设计。150mm、面C50混凝土整体化现浇层中计入75mm参与结构受力。
2、结构设计采用不同的软件进行分析,荷载横向分配系数按铰接板、刚接板法两种计算方法进行对比分析,取大值控制设计。

以16m跨径,路基宽度33.5m为例


上部结构标准横断面图(33.5m整体式路基)
上部结构标准横断面图(34.5m整体式路基)
上部结构主梁的施工分为三个阶段:
预制主梁:
1)后张法:首先预制空心板梁,待空心板混凝土强度和弹性模量达到设计强度的85%后,且混凝土龄期不小于7d时,方可张拉预应力钢束 。
2)先张法:首先张拉预应力束,然后浇筑预制空心板,待混凝土立方体强度达到设计混凝土强度等级的85%后,且混凝土龄期不小于7天时,方可放张。
板梁安装,现浇绞缝和整体化层:存梁60~90天后,安装板梁,并浇筑绞缝和整体化层等。
根据结构的施工方案特点,按照下述内容进行结构受力分析:施工阶段由预制空心板梁承担自重、预应力、绞缝和现浇整体化层重量等作用效应;成桥阶段,考虑绞缝和一半厚度的整体化层(75mm)参与结构受力,承担桥面铺装、栏杆、汽车荷载和温度荷载作用。
采用midas civil计算分析程序建立单梁模型进行分析计算,并用桥梁博士计算程序对结果进行了校核;
平面杆系采用荷载横向分布系数的方法将空心板简化为单块板进行计算,荷载横向分布系数采用铰接板法和刚接板法计算。
验算内容按预应力混凝土A类构件的有关规定执行。1)混凝土:重力密度γ=26.0kN/m3;
2)沥青混凝土:重力密度γ=24.0kN / m3;
3)年平均相对湿度:80%;
4)锚下控制张拉力:;
5)锚具变形与钢束回缩值(一端): △L=6mm;
6)管道摩阻系数: μ=0.25;
7)管道偏差系数: κ=0.0015 1/m;
8)钢束松弛系数: ζ=0.3;
9)梯度温度:竖向日照正温差的温度基数按110mm沥青混凝土铺装层,考虑一半厚度的混凝土整体化层折减后采用;竖向日照反温差为正温差乘以-0.5;
10)存梁时间:30~90d。空心板梁整体化现浇层厚度150mm,考虑整体化现浇层的一半厚度参与结构受力,并按设计图纸中桥面布置情况,建立以下横桥向计算模型。以16m跨径,33.5m路基宽度为例,计算模型见下。其他跨径计算方法相同。

空心板梁横向分布计算模型(单位:mm)
荷载横向分配系数采用铰接板法和刚接板法两种计算方法对比分析,取其中大值进行控制设计。

按照最新规范规定,采用结构基频法来计算桥梁结构的冲击系数,中板、边板都采用整体横断面(考虑整体化层)
同样,以16m跨径预应力混凝土空心板为例:
自振频率f1按照简支梁桥的简化计算公式计算 
由结构基频按照下面公式计算结构的冲击系数可得
![]()
计算结果:边板——0.335 ;中板——0.338
比较中板和边板的冲击系数计算结果,统一按照 μ=0.338进行计算
以16m跨径,33.5m路基宽度装配式后张法预应力混凝土板梁为例,其主要计算过程包括以下部分:
基于结构基本数据,将简支空心板结构划分为20个单元21个节点,见下图。选择跨中截面、L/4截面和支点截面(剪力为距支点一个梁高处)作为计算控制截面。

单元离散图


正截面抗弯承载力验算
取弯矩最大的跨中截面进行正截面抗弯承载力计算
荷载基本组合表达式
正截面抗弯承载能力验算
斜截面抗剪承载力验算
按照《公路桥规》规定,对于预应力混凝土简支梁应选取截面变化点和距支点h/2处的截面进行斜截面抗剪承载力验算,结合本桥实际构造特点和配筋情况,选择L/4截面和支点截面作为验算控制截面。
斜截面抗剪承载力验算

空心板梁室内板按照单向板计算,计算图示见下图,其跨中截面为弯矩控制截面,对其进行承载能力极限状态验算。

空心板梁室内单向板计算图(单位:mm)
(1)恒载作用
包括现浇混凝土层、沥青混凝土铺装、桥面板自重作用,得到每延米板上的恒载集度g=9.13kN/m
则每米宽板条跨中截面的恒载内力
弯矩
![]()
(2)车辆荷载产生的内力
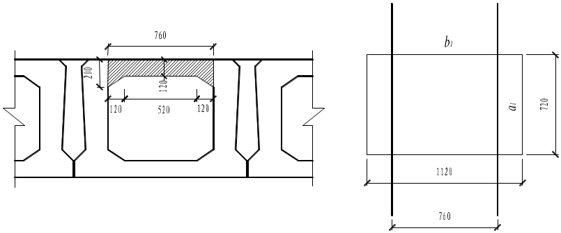
不考虑现浇整体化层参与工作,沥青混凝土层厚110mm,现浇混凝土层厚150mm,可得:H=110+150=260mm,车轮荷载(a2×b2=200×600mm)经厚度为H的桥面铺装传递后,作用于桥面板上的均布荷载为:a1×b1;冲击系数:1+μ=1.3
计算可得:MAp=-8.48kN·m
(3)荷载组合
基本组合:
![]()
(4)承载能力极限状态验算
取宽1000mm,高120mm的矩形截面进行验算。板内横向配有直径12mm的钢筋,钢筋种类为HRB335,钢筋间距150mm,钢筋中心距下缘距离为30mm。
则其抗弯承载力Mu=18.3kN·m>![]()
根据悬臂板的计算图示可知,应选择悬臂根部作为控制截面进行验算,其承受荷载包括两部分,一是恒载,即防撞栏
杆自重、钢筋混凝土和沥青混凝土现浇层及悬臂自重,二是可变荷载,即汽车撞击作用,下面首先计算上述各项荷载
作用产生的内力大小,空心板悬臂根部截面的的弯距,考虑取纵桥向1m计算,不考虑混凝土现浇层参与受力。
(1)恒载作用
对于防撞栏参考相关资料,取荷载集度g1=4kN/m

(2)汽车撞击作用
悬臂板按护栏防撞等级为SS级进行设计配筋,碰撞力P的碰撞荷载标准值为140kN/m,荷载分布长度为5m,其力作用点见上图所示,则汽车撞击作用下,纵向1m长度悬臂板根部截面弯矩为:
Mq=140×1×(1.050+0.11+0.15)=183.4kN·m
(3)荷载组合
则偶然荷载组合
(4)承载能力极限极限状态验算
根据悬臂板内配筋情况,取宽1000mm,高240mm的截面进行验算,其抗弯承载力Mu为204.1kN·m
由上述计算结果可知:Mu=204.1<,但相差不到1%,基本满足要求。
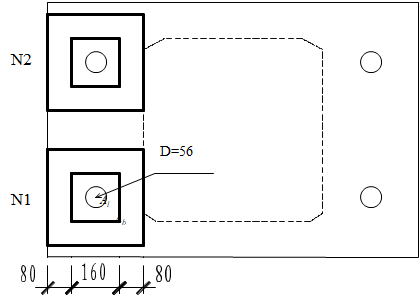
根据对两束预应力钢筋锚固点的初步分析,N1钢束的锚固端局部承压条件最不利,现对锚固端进行局部承压验算,下图为N1钢束锚固端的计算图。由于设计图中缺少预应力锚固端和钢垫板的详细尺寸,因此参考类似工程的设计资料,假定钢垫板尺寸为160mm×160mm。

1)局部受压尺寸要求
配置间接钢筋的混凝土构件,其局部受压区的尺寸应满足下列锚下混凝土抗裂性计算的要求:
![]()
计算结果
![]()
=1233.202×103N
=1233.2kN>![]()
计算表明,局部承压尺寸满足要求。
2)局部抗压承载力验算
配置间接钢筋的局部受压构件,其局部抗压承载力计算公式为 ![]()
且需满足![]()
计算结果

所以,局部抗压承载力计算通过
空心板梁中板和边板支座局部区域配筋相同,根据上部结构计算结果可知,边板支座反力较大,因此选择对边板支座区进行局部承压计算,建立支座区局部承压计算图。

1)局部受压尺寸要求
配置间接钢筋的混凝土构件,其局部受压区的尺寸应满足下列锚下混凝土抗裂性计算的要求:
计算结果
![]()
=13024×103N
=13024kN> >![]()
计算表明,局部承压尺寸满足要求。
2)局部抗压承载力验算
配置间接钢筋的局部受压构件,其局部抗压承载力计算公式为![]()
且需满足

计算结果
所以,局部抗压承载力计算通过






内容源于网络,旨在分享,如有侵权,请联系删除
相关资料推荐:
https://ziliao.co188.com/d63531415.html
知识点:空心板桥标准化设计
0人已收藏
0人已打赏
免费4人已点赞
分享
桥梁工程
返回版块19.44 万条内容 · 655 人订阅
回帖成功
经验值 +10
全部回复(0 )
只看楼主 我来说两句抢沙发